Материал: Применение контроллеров частоты при нефтедобыче

Внимание! Если размещение файла нарушает Ваши авторские права, то обязательно сообщите нам

СПБГУАП группа 4736 https://new.guap.ru/i03/contacts

N (b 6 h

 

) (a 6 h

 

) n 10

6

X

X

 

 

 

 

 

(5.1)

Ожидаемое число поражений молнией в год зданий и сооружений, не оборудованых молнезащитой.

N

0,0431

;

2.Амплитудное импульсное напряжение на молниеотводе, вершина которого расположена на высоте hx:

U

 

 

I

м

R

 

R

2

h

2

 

150

10

 

10

2

6

2

1624

 

 

 

 

 

 

 

 

 

 

 

 

 

 

 

 

max.

 

2

И

 

И

x

 

2

 

 

 

 

 

 

 

 

 

 

 

 

 

 

 

 

 

 

 

 

 

 

 

 

кВ (5.2)

гдеRи = 10 Ом — импульсное сопротивление заземлителя.

3. Расстояние по воздуху должно быть не менее:

S

 

 

U

max

 

 

 

 

 

 

 

мин.в

 

E

 

 

 

 

 

 

 

в

1624 3,25

500

м. (5.3)

4. Расстояние в земле

S

 

 

I

 

R

 

150 10

5

 

 

 

м

И

 

м. (5.4)

 

 

 

 

 

 

 

 

мин.з

 

 

E

 

300

 

 

 

 

 

 

 

 

 

 

 

 

 

з

 

 

 

 

При таких значениях расстояний не произойдёт пробоя между молниеотводами и защищаемым сооружением.

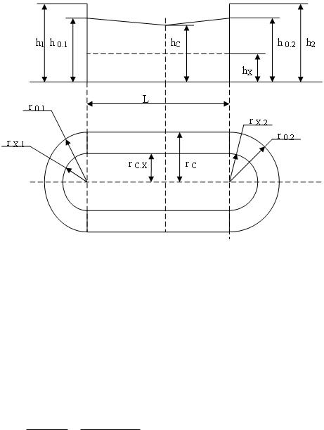
5. Защиту выполним двумя отдельно стоящими металлическими молниеотводами стержневого типа высотой h1 = 26,1 м; h2 = 27,2 м;

Определим параметры зоны защиты, учитывая, что L >h, гдеL = a+2·Sз = 40+2·5 = 50 расстояние между опорами молниеотводов, м;

СПБГУАП группа 4736 https://new.guap.ru/i03/contacts

6. Высота, на которой находится вершина кругового конуса:

h0.1 = 0,85∙h1 = 0,85∙26,1 = 22,185 м (5.5) h0.2 = 0,85∙h2 = 0,85∙27,2 = 23,12 м (5.6)

Радиус круга зоны защиты на уровне земли:

r0.1 = (1,1 – 0,002∙h1)∙h1 = (1,1 – 0,002∙26,1)∙26,1 = 27,34 м (5.7) r0.2 = (1,1 – 0,002∙h2)∙h2 = (1,1 – 0,002∙27,2)∙27,2 = 28,44 м (5.8)

Зона защиты в середине пролета между молниеотводами:

r

r0.1 r0.2

 

27,34 28,44

27,89м

(5.9)

 

 

C

2

 

2

 

 

 

 

 

Радиус круга зоны защиты на уровне hX = 6 м:

 

 

 

 

h

X

 

 

6

 

r

1,1 0,002 h

h

 

 

1,1 0,002 26,1 26,1

 

20,51

 

 

 

X 1

1

 

1

0,92

 

 

0,92

 

 

 

 

м (5.10)

r

1,1 0,002 h

 

h

 

hX

 

1,1 0,002 27,2

 

27,2

6

 

21,62 м (5.11)

 

 

 

 

 

X 2

2

 

 

2

0,92

 

 

0,92

 

 

 

 

 

 

 

 

 

 

 

 

СПБГУАП группа 4736 https://new.guap.ru/i03/contacts

7. Определим параметры защитной зоны в точке L/2 (посередине между

молниеотводами).

Высота:

hC1

hC2

h01 0,17 0,0003 h1 L h1 22,185 0,17 0,0003 26,1 50 26,1 17,93

h02 0,17 0,0003 h2 L h2 23,12 0,17 0,0003 27,2 50 27,2 19,06

м(5.12)

м(5.13)

h

 

h

h

C1

C 2

 

 

C

 

 

2

 

 

 

 

17,93

19,06

18,5

2

 

 

 

 

м (5.14)

Внутренняя область защиты на высоте hx:

rCX

rC

 

hC hX

27,89

18,5 6

18,84

м (5.15)

hC

18,5

 

 

 

 

 

 

8. Кроме выбора и установки молниеотводов предусматриваем по четыре вертикальных электрода, соединённых между собой стальной полосой.

Для защиты объекта от вторичных проявлений молнии, электромагнитной и

СПБГУАП группа 4736 https://new.guap.ru/i03/contacts

электростатической индукции, и заноса высоких потенциалов в сооружения предусматриваем следующие мероприятия:

а) для защиты от потенциалов, возникающих в результате электростатической индукции, надёжно заземляем все проводящие элементы объекта, а также оборудование и коммуникации внутри объекта;

б) для защиты от искрения, вызываемого электромагнитной индукцией,

все параллельно расположенные металлические коммуникации соединяем металлическими перемычками;

в) для защиты объекта от заноса высоких потенциалов присоединяем все металлические коммуникации и оболочки кабелей (в месте ввода их в помещение) к заземлителю защиты от вторичных воздействий молнии.

5.3 Расчет заземления подстанции

В соответствии с ПУЭ заземления должны применяться при напряжении

380 В и выше переменного тока и 440 В и выше постоянного тока во всех случаях, а в помещениях с повышенной опасностью, особо опасных и в наружных электроустановках — при номинальных напряжениях выше 42 В

переменного тока и 110 В постоянного тока.

Согласно ПУЭ сопротивление заземляющих устройств, Ом, должно

быть:

4.в электроустановках напряжением выше 1000 вольт сетей с

эффективным заземлением нейтрали -

R

З

 

0,5

;

5.в электроустановках напряжением выше 1000 вольт сетей с

незаземленной нейтралью -

землю, А.

R

З

 

250

I

З

 

; RЗ ≤ 10 Ом; IЗ – ток замыкания на

6.если заземляющее устройство одновременно используется также

для установок до 1000 вольт, то -

RЗ

 

125

;

 

I З

 

 

 

 

 

СПБГУАП группа 4736 https://new.guap.ru/i03/contacts

Заземлению подлежат все части электрооборудования, нормально не находящиеся под напряжением, но могущие оказаться под опасным для жизни напряжением в результате повреждения изоляции.

На современных подстанциях в качестве заземлителей применяются трубы длиной 2–3 м и диаметром 25–50 мм, а также угловая сталь 50 50 или

63 63 мм. Электроды заглубляют на 0,5–0,7 м от поверхности земли и соединяют между собой стальной полосой толщиной не менее 4 мм или круглой сталью диаметром не менее 10 мм, приваренной к верхним концам электродов.

Внутри распределительного устройства прокладывают заземляющие шины, присоединяемые не менее чем в двух местах к заземляющему контуру.

В качестве заземляющих проводников могут быть также использованы нулевые проводники питающей сети. К основным заземляющим проводам присоединяют подлежащие заземлению предметы.

В цепях заземляющих проводов не должно быть разъединяющих приспособлений и предохранителей.

Каждый заземляемый предмет должен быть присоединён к заземляющей сети посредством отдельного ответвления. Последовательное соединение заземляемых предметов не допускается ввиду того, что при отключении от заземляющей сети одного из предметов лишаются заземления все остальные.

Расчёт заземления сводится главным образом к расчёту собственно заземлителя, так как заземляющие проводники в большинстве случаев принимаются по условиям механической прочности и устойчивости к коррозии.

Площадь, занимаемая подстанцией, составляет 48м 50м. Район относится ко 2й климатической зоне.

Согласно ПУЭ сопротивление заземляющего устройства для установок

35 кВ не должно быть выше 10 Ом.

Таким образом, в качестве расчетного принимается RЗ=10 Ом.