Материал: Приемник звукового вещания

Внимание! Если размещение файла нарушает Ваши авторские права, то обязательно сообщите нам

Приемник звукового вещания














Приемник звукового вещания


Техническое задание


Приемник…………………………………………….……автомобильный

Диапазон частот , (МГц)… …………………………9.5 - 12.1

100 -108

Чувствительность (мкВ)…………………………………………….……60

5

Избирательность:

, (дБ)…………………………………………………………….………16

38

, (дБ)………………...…………………………………………….……16

58

, (дБ)………………………………………………………………….…16

Диапазон воспроизводимых частот:

, (Гц)…………………………………………………………….………80

, (Гц)…………………………………………………………….……5000

Работа АРУ , (дБ)……………………………………………………..46/6

Неравномерность кривой верности приемника:

, (дБ)…………………………………………………………………..18

16

Рвых, (Вт)…………………………………………………………………….7


Введение

приемник диапазон микросхема электрический

Радиоприемником называется устройство для приёма электромагнитных волн радиодиапазона (то есть с длиной волны от нескольких тысяч метров до долей миллиметра) с последующим преобразованием содержащейся в них информации к виду, в котором она могла бы быть использована. Основными функциями, выполняемыми приемником, являются:

         выделение принимаемых сигналов из множества сигналов других радиостанций и помех;

         усиление принимаемых сигналов;

         детектирование принимаемых сигналов с целью выделения полезной информации.


1.      Анализ технического задания


Анализируя требования, предъявленные в техническом задании можно судить, из каких функциональных узлов будет состоять проектируемый радиоприемник. Так как приемник принимает как АМ, так и ЧМ сигналы, то необходимо наличие двух трактов, каждый из которых будет работать с одним видом модуляции.

Проектируемый приемник должен работать в диапазоне КВ (9.5-12.1 МГц) и УКВ-2 (100-108МГц) волн. В диапазоне УКВ-2 в России применяется система стереовещания с полярной модуляцией.

Согласно требованиям, изложенным в Государственных стандартах (ГОСТ 5651-82 устройства радиоприемные бытовые и ГОСТ 17692-80) стационарные и переносные приемники разделяются на четыре группы сложности (0-высшая, 1,2,3), а автомобильные на три (1,2,3). Данный приемник относится к 1-й группе сложности, т.к. согласно ГОСТ 5651-82, при отношении сигнал/шум не ниже 20дБ принято деление по чувствительности стационарных приемников. Определим группу сложности по избирательности по табл. 3.1 (приведены нормы ГОСТ 5651-82 селективности по зеркальному каналу для приемников различных типов групп сложности.). Т.к. избирательность по зеркальному каналу равна 30дБ(ДВ) и 80дБ (УКВ-2), то мы относим данный приемник к 1-й группе сложности.

Выбираем тип антенны:

В приемниках с КВ и УКВ диапазоном применяются телескопическая антенны. Для данного приемника необходимо питание 12 В.


2.      Эскизный расчет радиоприемника

.1 Выбор структурной схемы приемника


По техническому заданию требуется рассчитать стационарный приемник звукового радиовещания. Проектируемый приемник должен принимать АМ и ЧМ сигналы, ДВ и УКВ диапазонов. Будем проектировать приемник по супергетеродинной схеме с однократным преобразованием частоты.

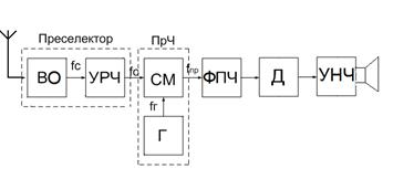
В таком приемнике сигналы частоты fс преобразуется в преобразователе частоты (ПрЧ), состоящем из смесителя (СМ) и генератора вспомогательных колебаний - гетеродина (Г), в колебания фиксированной, так называемой промежуточной частоты , на которой и осуществляется основное усиление и частотная избирательность. Так как супергетеродинный приемник при фиксированной настройке принимает не только полезный сигнал, на который он настроен, но и сигнал, имеющие другие частоты. Поэтому для повышения чувствительности и селективности приемника применяют многократное преобразование частоты. Т.к в ТЗ задан приемник сигналов стереофонического вещания, то необходимо при построении тракта приема ЧМ-сигналов изобразить стереодекодер и 2 УНЧ.

Структурная схема супергетеродинного приемника приведена на рис. 2.1:


ВO - входное устройство (входная цепь), УРЧ - устройство радиочастоты, СМ - смеситель, Г - гетеродин, УПЧ - усилитель промежуточной частоты, УНЧ - усилитель низкой частоты, Д - детектор, УНЧ - усилитель нижных частот,

УрЧ - Усилитель радиочастоты, fс - несущая частота, δск - избирательность по соседнему каналу

2.2 Разделение диапазона на поддиапазоны


Разделение на поддиапазоны необходимо если коэффициент перекрытия диапазона  больше коэффициента перекрытия диапазона применяемых резонансных систем с переменной настройкой, а также для удобства и большей точности установки частоты и настройки приемника на станции диапазона СВ и УКВ-2. Рассчитаем коэффициент перекрытия всего диапазона и, если необходимо, проведем разбивку на поддиапазоны. Коэффициент перекрытия диапазона:

АМ:

 (2.1)

ЧМ:  

 (2.2)

-максимальная частота сигнала,

 - минимальная частота сигнала,

Разбивка заданного диапазона на поддиапазоны производится, если:

для ДВ  >3

для УКВ  > 2

По полученным параметрам для диапазонов ДВ и УКВ-2 разбивку на поддиапазоны проводить не нужно.

2.3 Расчет полосы пропускания линейного тракта приемника


Необходимая полоса пропускания линейного тракта П определяется реальной шириной спектра принимаемого сигнала  с запасом :

 (2.3)

Ширина спектра радиочастот:

АМ - сигналов

 кГц

ЧМ - сигналов

 кГц

 - индекс частотной модуляции.

Значение  зависит от относительной нестабильности частот принимаемого сигнала δс и гетеродина δг приемника, относительной погрешности настройки приемника (настройки частот гетеродина) δп и усилителя промежуточной частоты (УПЧ):

 (2.4)

Нестабильность передатчика δс<<δг (). Значение δг определим по табл. 4.1.

Тип гетеродина

Диапазон


ДВ, СВ, КВ

УКВ

Многодиапазонный однокаскадный с плавной перестройкой


Однодиапазонный однокаскадный с плавной перестройкой


Однодиапазонный однокаскадный без перестройки



ДВ, УКВ:  (тип генератора: однодиапозонный однокаскадный с плавной перестройкой). При ручной настройке с индикацией по звуку ошибки малы и стремятся к нулю, поэтому принимают .



Для АМ:

 Гц

Для ЧМ:

кГц

Определим результирующую ширину полосы пропускания:

АМ:

ЧМ:

Принятых мер стабилизации частоты гетеродина достаточно, условие: необходимая полоса пропускания линейного тракта П существенно меньше реальной ширины спектра принимаемого сигнала Пс (т.е. П < (1,5…2) Пс)

Для АМ: 10.55 кГц < 12кГц

Для ЧМ: 226.8 кГц < 337,2 кГц

2.4 Выбор первых каскадов, обеспечивающих требуемую чувствительность приемника


В диапазоне СВ чувствительность приемника ограничена внешними помехами (промышленными, атмосферными) и собственными шумами.

Для получения требуемой чувствительности с входа внешней антенны коэффициент шума приемника не должен превышать значения.

В связи с тем, что коэффициент шума приемника растет с увеличением частоты, вычислять допустимый коэффициент шума  следует на максимальной частоте сигнала. Если реальная чувствительность задана в виде величины ЭДС  сигнала в антенне, то:

 (2.5)

Где:

АМ:

ЧМ:

ЕА - чувствительность;

 - минимально допустимое отношение эффективных напряжений сигнал / помеха на входе приемника;

ЕП - напряженность поля внешних помех;

hд - действующая длина приемной антенны;

Пш - шумовая полоса линейного тракта;

k - постоянная Больцмана (1.38*10-23);

Т0 - стандартная температура приемника;

Ra - внутреннее сопротивление приемной антенны.

Так как антенна для АМ тракта внешняя, то значение действующей высоты будет равно 5 м, значение внутреннего сопротивления приёмной антенны будет равно 150 Ом, а для ЧМ тракта антенна штыревая то значение действующей высоты будет равно 0,5 м, значение внутреннего сопротивления приёмной антенны будет равно 20 Ом

Так как в техническом задании не задана величина ЕП, найдем ее из графика на рис..


При АМ  = 12.1МГц, следовательно,  = 90 мкВ/м.

При ЧМ  = 108 МГц, следовательно, = 5 мкВ/м.

При AM в радиовещательных приёмниках = 26 дБ (100 раз)

 = - пик-фактор модулирующего сообщения, т.е. отношение максимального значения напряжения к действующему;

 = 0,3 - максимальный коэффициент модуляции сигнала;

Пвых = 1,1Fв - полоса пропускания УНЧ.

При АМ:  = 4000 Гц, = 5.5 кГц.

При ЧМ:  = 10000 Гц,  = 1.1

Подставляя полученные данные в формулу (2.6), находим при АМ:

 дБ

Величину при ЧМ рассчитывают по формуле:


5 дБ

Формула (2.7) справедлива для  (3,16 раза). Если получаем  (как в нашем случае), то принимаем . Теперь по формуле (2.5) рассчитываем допустимый коэффициент шума.

При АМ:

При ЧМ:

Получаем величину  настолько большой, что заданную чувствительность можно обеспечить не применяя специальных мер по уменьшению коэффициента шума приёмника.

2.5 Выбор средств обеспечения избирательностей приемника


Известно, что преселектор, состоящий из входной цепи (ВЦ) и усилителя радиочастоты (УРЧ), определяет избирательность приёмника по зеркальному каналу  и по каналу прямого прохождения . Основная избирательность по соседнему каналу обеспечивается в усилителе промежуточной частоты.

Определение избирательности по зеркальному каналу

Распределим заданную в ТЗ неравномерность кривой верности, т.е. неравномерность частотной характеристики всего приёмника по звуковому давлению, по каскадам приёмника.

Неравномерность линейной части приёмника в пределах установленной полосы частот П определяется по формуле:

 (2.8)

где  - заданная неравномерность частотной характеристики приёмника;

 (4…6) дБ - неравномерность частотной характеристики УНЧ (в области верхних звуковых частот);

 (6…8) дБ - неравномерность частотной характеристики акустической системы (громкоговорителя);

 (1…2) дБ - неравномерность частотной характеристики детектора.

Вычисление  производим по формуле (2.8). Для проектируемого приемника для АМ тракта выбираем: =4 дБ, = 6 дБ, = 1дБ, = 18дБ. Тогда значение

Примем равным 6дБ для АМ тракта.

Для ЧМ тракта: =4 дБ, = 6 дБ, = 2дБ, = 16дБ. Тогда значение

Примем равным 4дБ для ЧМ тракта.

Ослабление в преселекторе на границах его полосы пропускания определяем по формуле:

                              (2.9)

 - неравномерность частотной характеристики преобразователя частоты. Для проектируемого приемника выбираем = 3 дБ. Тогда значение  будет равным 3 дБ для АМ и 1 дБ для ЧМ тракта.

Выбираем вариант построения структурной схемы преселектора. Различают пять основных структур построения преселектора радиовещательных приёмников, которые представлены на рис. 4.2 [4]. Выбираем для АМ тракта вариант б:


А для ЧМ тракта вариант г:

К - одиночный резонансный контур; Э - усилительный элемент

На рис 4.3 значения заданы в линейных единицах (разах). Пересчёт полученного в дБ значения выполняют по формуле:

                                 (2.10)

Осуществляем пересчет в разы, получаем значение = 1,41 раз для АМ тракта и = 1,585 раз ЧМ тракта. Затем, используя график на рисунке 4.3, определяем значение = 1 при АМ, = 1,25 при ЧМ.

Для минимальной частоты диапазона  вычисляем минимально допустимое эквивалентное затухание нагруженных контуров тракта преселектора:

АМ тракт ;

ЧМ тракт ;


В табл. приведены значения минимально достижимых величин затухания контуров для различных частот.

Диапазон частот, МГц

Значения


Полевой транзистор

Биполярный транзистор










Обобщённую расстройку по зеркальному каналу определяем по формуле:

                     (2.11)

Здесь  (верхняя настройка гетеродина).

 - максимальная частота поддиапазона.

Подставляя полученные значения в формулу (2.11), получаем, что значение обобщённой расстройки по зеркальному каналу:

Для АМ:  = 22,591 дБ.

Для ЧМ:  = 27,689дБ.

Определение избирательности по каналу прямого прохождения

Частота канала прямого прохождения равна промежуточной частоте , поэтому избирательность по каналу прямого прохождения выбранного преселектора определяем на частоте сигнала , ближайшей к . Для средневолнового диапазона (ДВ) - это верхняя частота диапазона. В диапазоне УKB избирательность по прямому каналу высока и нет необходимости её проверять.

,

Избирательность по каналу прямого прохождения можно определить по графику, приведённому на рис. 4.4, определив предварительно обобщённую расстройку на промежуточной частоте:

 тогда получим:

Выбранный преселектор обеспечивает заданную в ТЗ избирательность по прямому каналу  заданную в ТЗ и равную 50.

Выбор средств обеспечения избирательности по соседнему каналу

Основная избирательность по соседнему каналу обеспечивается в УПЧ. Селективная система УПЧ должна удовлетворять требованиям к полосе пропускания (с заданным ослаблением на краях) и избирательности по соседнему каналу. Различают УПЧ с распределённой и с сосредоточенной избирательностью. В последнем случае избирательность обеспечивается фильтром сосредоточенной избирательности (ФСИ), или фильтром сосредоточенной селекции (ФСС).

Применение УПЧ с распределенной избирательностью может быть целесообразно в широкополосных приемниках, когда отсутствуют необходимые ФСИ или трудно получить необходимое усиление, используя апериодические каскады.

Построение качественных ФСИ возможно, если, где П рассчитывается в соответствии с (2.7). (П = 12,8 кГц при АМ, П = 279,2 кГц при ЧМ).

, значит возможно построение качественных ФСИ для АМ.

, значит возможно построение качественных ФСИ для АМ.

Применение ФСС упрощает решение задачи микроминиатюризации радиоприёмных устройств, т.е. по пространственно-конструктивному разграничению функций усиления и избирательности по соседнему каналу: ФСС обеспечивает необходимую избирательность, а усилитель (слабо избирательный или апериодический) - необходимое усиление сигнала.

В схемах УПЧ с сосредоточенной избирательностью можно применять пьезоэлектрические, электромеханические, пьезомеханические, пьезокерамические фильтры, которые имеют малые габариты, массу и обладают близкой к идеальной кривой избирательности. Параметры пьезокерамических фильтров с резонансной частотой 465 кГц приведены в табл.

Тип

Средняя частота полосы пропускания, КГц

Селективность при расстройке ±9 кГц, дБ, не менее

Затухание в полосе про-пускания, дБ, не более

ПФ1П - 1

465 ± 2,5

41

12

ПФ1П - 1М

465

40

8

ПФ1П - 2

465 ± 2,5

38

12

ПФ1П - 022

465

26

9,5

ПФ1П - 023

465 ± 2

40

9,5

ПФ1П - 024

465 ± 2

35

9,5

ПФ1П - 025

465 ± 2

30

9,5

ПФ1П - 026

465 ± 2

9,5

ПФ1П - 027

465 ± 2

35

9,5

ПФ1П - 041

465 ± 2

55

12

ПФ1П - 042

465 ± 2

50

12

ПФ1П - 043

465 ± 2

46

12


Для АМ выберем ФСС ПФ1П - 026 (т.к. =50).

Для ЧМ выберем ФСС ПФ1П-0,49б.

 

.6 Расчет требуемого усиления линейного тракта приемника


Коэффициент усиления линейного тракта приёмника (до детектора) определяют по формуле:

 (2.12)

 - напряжение сигнала на входе детектора;

- коэффициент запаса.

Напряжение на входе диодного детектора  для обеспечения линейного детектирования должно составлять 0,5 - 1 В. Возьмем  Коэффициент запаса К3 учитывает разброс параметров электронных приборов, неточность сопряжения контуров и так далее. Обычно принимают. Примем  Полученное значение коэффициента усиления  распределяем по каскадам:

            (2.13)

- коэффициенты усиления входной цепи, усилителя радиочастоты, преобразователя и усилителя промежуточной частоты соответственно.

При предварительном расчёте можно задаться следующими коэффициентами передачи каскадов:

входная цепь не более -3,

апериодический УРЧ - 7,

резонансный УРЧ: в диапазоне ДВ -30,

преобразователь частоты - 15,

апериодический УПЧ (один каскад) -10,

одноконтурный резонансный УПЧ (один каскад) - 35,

ФСС - 0,2.

Таким образом, коэффициент усиления  =- для АМ (при Ea =60 мкВ) и  =- для ЧМ (при Ea =2 мкВ).



2.7 Проверка осуществимости АРУ


Целью расчета является определение необходимого числа регулируемых каскадов в проектируемом приемнике. Число регулируемых каскадов  зависит от требуемого изменения коэффициента усиления приемника под действием АРУ Лт, которое определяется выражением:

                     (2.14)

, число регулируемых каскадов определяется выражением:




3.      Проектирование принципиальной электрической схемы приемника

 

3.1 Выбор микросхем и электрических приводов для построения принципиальной электрической схемы приемника


Выбираем следующие микросхемы: ИМС AN7236, ИМС, ИМС К174УН7.

1.      ИМС AN7236. Микросхема представляет собой многофункциональную схему, предназначенную для усиления ограничения и детектирования ЧМ сигналов промежуточной частоты, бесшумной настройки приемников на принимаемую станцию, формирования управляющих напряжений для индикатора напряженности поля в антенне и АПЧ.

Структурная схема ИМС AN7236

2.      ИМС К174ХА10

Многофункциональная микросхема радиоприемного АМ - ЧМ тракта, выполняющую функции преобразования частоты, усиления сигналов высокой, промежуточной и низкой частоты, демодуляции АМ - ЧМ сигналов.


3.      ИМС К174УН7

Микросхема представляет собой усилитель мощности звуковой частоты с номинальной выходной мощность 4,5 Вт на нагрузку 4 Ом. Аналог микросхемы TBA810AS и LA4420 (функциональный аналог). Микросхема предназначена для применения в телевизионной аппаратуре. Масса не более 2,0 и 2,5 гр соответственно (ТУ 1986 г.).

Схема включения ИМС К174УН9

Электрические параметры

═ 1 ═

═ Номинальное напряжение питания

15 В ╠ 10%

═ 2 ═ ═

═ Выходное напряжение при ═ Uп = 15 В, fвх = 1 кГц

═ ═ 2,6┘5,5 В

═ 3 ═ ═

═ Максимальное входное напряжение при Uп = 15 В, ═ Uвых = 3,16 В, fвх = 1 кГц, Рвых = 2,5 Вт

═ ═ 30┘70 мВ

═ 4 ═

═ Ток потребления при Uп = 15 В

═ 5┘20 мА

═ 5 ═

═ Выходная мощность при Rн = 4 Ома

═ 4,5 Вт

═ 6 ═ ═ ═ ═

═ Коэффициент гармоник при Uп = 15 В, fвх = 1 кГц: ═ Uвых = 4,25 В, Рвых = 4,5 Вт ═ Uвых = 0,45 В, Рвых = 0,05 Вт ═ Uвых = 3,16 В, Рвых = 2,5 Вт

═ ═> 10% ═> 2% ═> 2%

═ 7 ═

═ 45

═ 8 ═

═ Входное сопротивление при Uп = 9 В, fвх = 1 кГц

═ 30 кОм

═ 9 ═

═ Диапазон рабочих частот

═ 40┘20 000 Гц ═

10 ═

═ Коэффициент полезного действия при Pвых = 4,5 Вт

═ 50%

Предельно допустимые режимы эксплуатации

═ 1 ═

═ Напряжение питания

═ 13,5┘16,5 В

═ 2 ═

═ Амплитуда входного напряжения

═> 2,0В

═ 3 ═ ═ ═

═ Постоянное напряжение: ═ на выводе 7 ═ на выводе 8

═ ═> 15 В ═ 0,3┘2,0 В

═ 4 ═

═ Сопротивление нагрузки

═ 4 Ом

═ 5 ═ ═ ═

═ Тепловое сопротивление: ═ кристалл-корпус ═ кристалл-среда

═ ═ 20°С / Вт ═ 100°С / Вт

═ 6 ═

═ Температура окружающей среды ═ ═ ═

═ -10┘+55°С

═ 7 ═

═ Температура кристалла

═ + 85°С


3.2 Выбор и обоснование ручных и автоматических регулировок


Регулировка громкости осуществляется с помощью резистора R19.

Настройка на станции внутри диапазона в АМ тракте осуществляется с помощью перестраиваемых емкостей С9, С11 (ВЦ) и С15, С17 (гетеродин).

Настройка на станции внутри диапазона в ЧМ тракте осуществляется с помощью

Перестраиваемой катушки L2.

3.3 Разработка функциональной электрической схемы приемника


В данном подразделе было выполнено окончательное формирование функциональной схемы приемника.

 

.4 Составление принципиальной электрической схемы приемника


Связь входного контура с антенной в приемниках 0-й, 1-й, 2-й групп сложности, как правило, трансформаторная.

Трансформаторная связь схемы с антенной


3.5 Описание работы принципиальной схемы приемника


Принятый антенной сигнал поступает на вход антенны. Далее входные цепи выделяют или АМ, или ЧМ-сигнал. Входная цепь выделяет именно тот сигнал, на диапазон которого она настроена, обеспечивает общую фильтрацию помех и избирательность по побочным каналам и передает энергию полезного сигнала к входу первого активного каскада с наименьшими потерями (вход 1 ИМС AN7244S).

В АМ тракте отсутствует УРЧ, поэтому модулированное несущее колебание не усиливается, а сразу поступает на смеситель (вход 6 ИМС AN7244S). Преселектор определяет избирательность приемника по зеркальному каналу и каналу прямого прохождения. Преобразователь частоты осуществляет перенос спектра радиосигнала из одной области частот в другую без изменения закона модуляции сигнала. Для борьбы с побочными каналами, обусловленными нелинейным режимом работы, не следует допускать избыточного усиления в преселекторе.

Напряжение синусоидальной формы выделяется на перестраиваемом LC-контуре, подключаемом через катушку связи к выводу 5. Напряжение промежуточной частоты 465 кГц выделяется на LC-контуре, подключаемом к выводу 4, и после цепей селекции по соседнему каналу приема по ступает на вход усилителя ПЧ А1 (выводы 1 и 2). Усилитель ПЧ содержит четыре дифференциальных резистивных каскада и один резонансный, нагруженный широкополосным LC-контуром, подключаемым к выводам 14 и 15 Первые четыре каскада усиления питаются от генератора тока, управляемого напряжением АРУ; напряжение питания резонансного каскада равно напряжению питания микросхемы. Для управления стабилизатором тока усилителя ПЧ используется постоянная составляющая сигнала на выводе 8. Выход усилителя ПЧ является одновременно входом первого дифференциального каскада двухтактного детектора U2: на выводы 14 и 15 подается со сдвигом фаз 180° радиочастотный (РЧ) сигнал с широкополосного контура ПЧ.

Разброс параметров отдельных экземпляров микросхем компенсируют подбором резистора, подключаемого к выводу 8. К этому же выводу подсоединяют конденсатор, фильтрующий РЧ составляющие продектированного сигнала.

Благодаря высокому входному сопротивлению повторителя и полному включению входной цепи радиоприемник имеет хорошую селективность по зеркальному и другим дополнительным каналам приема.

Напряжение промежуточной частоты 465 кГц выделяется контуром L10C16 и поступает на вход пьезокерамических фильтров Z1, Z2. Нагрузкой служат резистор R18 и входное сопротивление усилителя ПЧ микросхемы. С выхода детектора (вывод 8) сигнал ЗЧ через регулятор громкости - переменный резистор R5 - поступает на вход усилителя ЗЧ (вывод 10). Максимальную чувствительность приемника в процессе регулировки устанавливают подстроечным резистором R19 (это приходится делать из-за технологического разброса коэффициента передачи РЧ тракта микросхемы).

При приеме ЧМ-колебаний ВЧ-сигнал поступает через подстроечную катушку L2 на 10 вывод микросхемы AN7236. Далее внутри микросхемы К174ХА15 сигнал проходит через фильтр сосредоточенной селекции ипоступает на УПЧ (внутри ИМС AN7236), далее на частотный детектор.

После сигнал звуковой частоты поступает на УНЧ, выполненный на микросхеме К174УН7.

Питание автомобильного приемника можно осуществить от аккумулятора.

Конденсаторы, используемые в колебательных контурах, должны иметь допустимое отклонение емкости 5%, все прочие конденсаторы и резисторы могут иметь допуск 10% или 20%. Максимальные допуски на параметры элементов в данной работе не превышают 10%.

Заключение


В ходе курсового проектирования был разработан автомобильный радиовещательный приемник первой группы сложности, удовлетворяющий всем параметрам, заданным в техническом задании. Приемник предназначен для приема программ радиовещательных станций с амплитудной модуляцией (АМ) в диапазоне длинных волн (ДВ), и с частотной модуляцией (ЧМ) в диапазоне ультракоротких волн (УКВ-2).

Разработана функциональная схема устройства, на основе которой были подобраны соответствующие интегральные микросхемы и разработана принципиальная схема приемника

В приемнике имеется регулятор громкости, ручки настройки на станцию.

Питание приемника осуществляется источника питания - 12В.


Список используемой литературы


. Кравченко Д.А. Конспект лекций по «Устройства приема и преобразования сигналов»

. Микросхемы для бытовой радиоаппаратуры: Справочник/И.В. Новаченко, В.М. Петухов, И.П. Блудов, А.В. Юровский. - М.: Радио и связь, 1989. - 384 с.: ил.

. Бродский Ю. «Селга-309» - супергетеродин на одной микросхеме // Радио. - 1986. - №1. - С. 43 - 45.

. В.С. Плаксиенко, С.В. Плаксиенко, Н.Е. Плаксиенко. Методические указания по курсовому проектированию радиовещательных приемников.