Курсовая работа
Приборы с
динамическим управлением электронным потоком
Содержание
Введение
. Устройство и принцип действия пролетного усилительного клистрона. Классификация клистронов
. Двухрезонаторные клистронные усилители
.1 Зависимость выходной мощности от мощности, поступающей на вход усилителя
. Амплитудно-частотная характеристика (АЧХ) двухрезонаторного клистрона
.Двухрезонаторные клистронные генераторы
. Двухрезонаторный клистрон-усилитель частоты
. Многорезонаторные пролетные усилительные клистроны
. Особенности конструкций пролетных клистронов
Литература
Введение
Клистроны относятся к классу электронно-лучевых приборов СВЧ с динамическим управлением электронным потоком, основанным на модуляции электронов потока по скорости и дальнейшем преобразовании этой модуляции в модуляцию по плотности пространственного заряда.
Название клистрон происходит от греческих слов «клизо» - морской прибой, «трон» - прибор.
Клистроны делятся на:
1. Пролетные - приборы, в которых электронный поток в процессе работы не изменяет своего направления. Бывают усилительные, генераторные и умножительные. Выходная мощность до 10 МВт в импульсе.
2. Отражательные клистроны - приборы, в которых электронный поток во время работы меняет свое направление на обратное. Обычно это маломощные приборы.
По внешнему оформлению могут быть стеклянные, металлические и метало - керамические.
Основными отличиями клистрона от обычных ламп являются:
. Отказ от электростатического управления электронным потоком и использование динамического управления с полезным использованием времени пролета для группирования электронных сгустков.
2. Использование принципа наведения тока в выходном зазоре и разделение функций выходного зазора и коллектора электронов.
. Применение полых резонаторов, органически связанных с входным и выходным зазорами
. Вынесение катода из состава высокочастотной цепи и расположение ускоряющего электроны промежутка перед высокочастотным управляющим зазором.
Рассмотрим сначала пролетные клистроны.
1. Устройство и принцип действия пролетного
усилительного клистрона. Классификация клистронов
Принцип динамического управления электронным
потоком наиболее наглядно иллюстрируется работой усилительного клистрона.
Рис. 1
. электронная пушка
2. входной резонатор
. выходной резонатор
. пространство группирования
. коллектор
Ко входной сетке первого резонатора
подходит
поток электронов, имеющих одинаковые скорости
.
На первый резонатор подается СВЧ сигнал и между сетками резонатора имеется переменное СВЧ напряжение с амплитудой U1.
Пролетая первый резонатор, электроны приобретают модуляцию по скорости: электроны пролетевшие резонатор при положительной полуволне СВЧ напряжения увеличивают свою скорость, при отрицательной полуволне - уменьшают
Переменная составляющая скорости
равна:
,
где
- момент прохождения сетки
,
- угол
пролета между сетками первого резонатора,
- параметр скоростной модуляции
коэффициент электронного
взаимодействия.
Рис. 2
В пространстве группирования в трубе дрейфа, экранирующей электронный поток от внешних полей ранее вылетевшие ускоренные электроны догоняют позже вылетевшие замедленные и модуляция по скорости преобразуется в модуляцию по плотности электронного потока, т.е. электроны группируются в сгустки через второй, выходной резонатор проходят уже сгруппированные электронные сгустки, которые наводят в нем ток и отдают свою энергию резонатору. В результате СВЧ сигнал усиливается.
Поясним группирование
пространственно-временной диаграммой (рис.3).
Рис. 3. Z
- расстояние вдоль траектории группирования.
Сгустки образуются вокруг электронов не
получивших приращения скорости, тех которые проходят зазор резонатора в момент
перехода СВЧ поля от тормозящего к ускоряющему. Конвекционный ток в конце
пространства дрейфа равен (разложенного в ряд Фурье)
,
где:
- постоянная составляющая тока на
выходе из первого резонатора;
- коэффициенты токопрохождения
сеток;
- параметр группирования;
- угол пролета в пространстве
группирования для электронов, не получивших скоростной модуляции;
- длина пространства группирования;
Jn(nX) - функция Бесселя первого рода n - ного порядка от аргумента nХ.
Амплитудное значение гармоники с
номером n будет
равно:
Функция
для первой
гармоники тока достигает максимального значения 0,58 при Х = 1,8 Этому
параметру группирования соответствует максимальное значение амплитуды первой
гармоники тока.
Если бы все электроны приходили в точку группирования одновременно (происходило бы полное группирование) I1=2I02. Амплитуды высших гармоник n>1 очень слабо уменьшаются с ростом номера гармоники, т.е. спектр тока богат гармониками:
Амплитуда тока, наведенного в зазоре
второго резонатора, будет равна
,
где:
.
Приведенные формулы получены в рамках кинетической теории, не учитывающей влияние объемного заряда электронного пучка.
Учет влияния объемного заряда на
процессы группирования можно осуществить путем умножения параметра
группирования Х на коэффициент электронно-волнового воздействия Мр
,
- плазменная частота;
;
- плотность объемного заряда;
-
невозмущенная скорость электронов.
Выражения для параметра
группирования можно переписать в виде
,
из которого следует, что зависимость
имеет вид
синусоиды, максимум которой наблюдается при:
,
когда
и
.
Если
, то максимальная амплитуда первой
гармоники тока
, а
,
если
> 1.84, то значение, требуемое
для оптимума первой гармоники тока значение
по-прежнему определяется из условия
.
Таким образом, силы объемного заряда
ухудшают группирование. Пространственно-временная диаграмма с учетом
электронно-волнового механизма группирования имеет вид рис. 4.
Рис. 4
Здесь электроны не сближаются в одну
точку, т.е. проходят «друг сквозь друга», как это было в кинематической модели,
а сблизившись на какое то расстояние начинают расталкиваться под влиянием
кулоновских сил. При малых плотностях тока, когда
мало и Мр
= 1 при любых
электронно-волновой
механизм не проявляется и кинематическая модель близка к действительности.
Если выходной резонатор настроен на частоту следования электронных сгустков, то в нем возникнут интенсивные колебания. Между сетками возникает электрическое поле, фаза которого противоположна фазе следования сгустков. Происходит торможение сгустков и передача энергии в резонатор. В другой полупериод электронов мало и отбираемая ими у резонатора энергия меньше. Между сетками g2 и g4 отбирается только энергия переменного поля, а оставшаяся энергия постоянного поля выделяется на коллекторе.
Электронный поток вносит в резонатор
комплексную проводимость аналогично тому, как это происходит в монотроне
,
где:
- проводимость электронного потока
по постоянному току;
- используемый угол пролета в
резонаторе.
Рис. 5
Угол пролета через зазоры
резонаторов выбирается обычно в пределах
до
. Поэтому величина Gен является
положительной и при большой величине
определяет основную часть мощности,
рассеиваемой во входном резонаторе. Электронная нагрузка второго резонатора
может в
общем случае отличаться от электронной нагрузки первого резонатора.
Существенную роль в этом играют нелинейные эффекты, возникающие в режиме
больших амплитуд.
Основные отличия клистрона от лампы с электростатическим управлением электронным потоком:
1. Инерционность электронов, являющаяся вредным фактором в лампах, положена в основу принципа действия клистрона.
2. Угол пролета между сетками относительно мал за счет большой величины U0.
. Входное сопротивление клистрона относительно велико.
. В клистронах применяются высокодобротные резонаторы, поэтому они являются узкополосными усилителями.
. Электронный поток не погружает сетки выходного резонатора, а идет на коллектор.
. Перечисленные отличия позволяют клистронам работать на частотах на порядок более высоких, чем у ламп с электростатическим управлением.
Классификация усилительных клистронов.
По режиму работы: импульсные и непрерывного действия.
По мощности: маломощные, средней мощности,
мощные, сверхмощные.
Таблица 1. Для дециметрового диапазона
Импульсные
Непрерывные
маломощные
< 10 кВт
<10 Вт
средней
мощности
10
кВт - 1 МВт
10
Вт - 1 кВт
мощные
1
- 100 МВт
1
- 100 кВт
сверхмощные
> 100 МВт
>100 кВт
По конструктивному оформлению:
· с внутренними резонаторами,
· с внешними резонаторами.
По способу охлаждения:
· с естественным охлаждением,
· с принудительным охлаждением.
По выводу энергии:
· с коаксиальны выводом энергии (в
длинноволновом диапазоне),
· с волноводным выводом ( · с коаксиально-волноводным.
По назначению:
· усилительные,
· генераторные,
· умножительные (для умножения
частоты).
По числу резонаторов:
· двухрезонаторные,
· многорезонаторные n
> 2.
2. Двухрезонаторные клистронные усилители
.1.\ Зависимость выходной мощности от мощности,
поступающей на вход усилителя.\
Эквивалентная схема усилителя изображена на рис.
6.
Резонаторы клистрона моделируются параллельными
колебательными контурами.
Входной резонатор кроме активной проводимости G1
содержит активную проводимость электронной нагрузки Gен1,
обусловленную прохождением через резонатор немодулированного электронного
потока. Элемент связи первого резонатора с входной линией конструируется таким
образом, чтобы обеспечить поступление максимальной мощности от источника
колебаний. Этому соответствует режим критической связи при настройке в резонанс
на рабочей частоте.
Таким образом, мощность входного сигнала,
поступающего в первый резонатор, равна:
Для удобства расчета выразим
величину Будем считать, что выходной
резонатор настроен на частоту первой гармоники наведенного тока. Тогда
Выходная мощность усилителя
определяется мощностью, выделяемой в Максимум выходной мощности
соответствует комплексно-сопряженному согласованию с нагрузкой, когда:
Последняя формула справедлива, когда
Выражение для входной и выходной
мощностей связаны с параметром группирования Х соотношениями:
описывает в относительных единицах
зависимость Рис. 7
Зависимость Начальный участок характеристики Оценим предельную величину выходной
мощности и КПД двухрезонаторного клистрона.
Амплитуда наведенного тока
Считая где: Электронный КПД:
Максимальное значение электронного
КПД:
Полное значение КПД
где: Коэффициент усиления двухрезонаторного
клистрона.
Коэффициент усиления по мощности при
согласовании на входе и выходе на резонансной частоте равен:
где для учета разгруппировки под
действием объемного заряда в аргументе В режиме линейного усиления при
малом сигнале
Уравнение указывает, казалось бы, на
возможность достижения сколь угодно высокого коэффициента усиления при
увеличении угла пролета Коэффициент усиления часто
выражается в децибелах:
На практике ограничение предельного
коэффициента усиления двухрезонаторного клистрона проявляется очень резко и К0
дБ обычно не превышает 10-15 дБ.
3. Амплитудно-частотная характеристика (АЧХ)
двухрезонаторного клистрона
До сих пор мы предполагали, что резонаторы
клистрона настроены на частоту усиливаемого сигнала.
В общем случае коэффициент усиления определяется
выражением:
Qн1 и Qн2 -
нагруженные добротности первого и второго резонаторов
Q0 и Qв -
собственная и внешняя добротности резонатора;
Коэффициент Из формулы для коэффициента усиления
видно, что в общем случае ненастроенных резонаторов, когда При определенной расстройке участка получить
кривую с уплощенной вершиной. При большом уровне входного сигнала при Рвх
> Рвх опт даже при одинаковой настройке контуров на резонансной
кривой за счет перегруппировки электронного потока появляется провал.
Рис. 8
Относительная полоса усиления двухрезонаторных
клистронов обычно не превышает десятых долей процента (%).
4. Двухрезонаторные клистронные генераторы
Схематически устройство клистронного генератора
имеет вид, изображенный на рис. 9. Рис. 9
В конструктивном отношении элементы обратной
связи аналогичны устройствам ОС в генераторе на лампе с общей сеткой.
Для самовозбуждения клистрона фаза колебаний во
входном резонаторе должна быть определенным образом связана с фазой колебаний в
выходном резонаторе.
Построим графики напряжений на входном и
выходном зазорах клистрона.
Через Рис. 10
Из рисунка видно, что оптимальный угол пролета в
пространстве дрейфа должен составлять
С другой стороны угол дрейфа равен
Приравнивая эти углы, получим:
Это уравнение при фиксированном
значении n приводит к
виду:
Через Таким образом, при изменении Рис. 11
При слабой связи между резонаторами.
При сильной связи зоны раздваиваются, так как система двух связанных контуров в
этом случае две резонансных частоты. В пределах каждой зоны происходит
изменение частоты - электронная настройка.
Диапазон электронной настройки
невелик (несколько мегагерц), недостатком такой настройки является большое
потребление мощности на настройку.
5. Двухрезонаторный клистрон-усилитель частоты
Конвекционный ток двухрезонаторного клистрона
богат высшими гармониками, поэтому прибор может успешно использоваться для
умножения частоты.
Рис. 12
При умножении частоты оптимальная
величина параметра группирования Х, значительно более критична, чем в случае
усиления на основной гармонике: Это означает, что клистронный
умножитель частоты обладает повышенной чувствительностью к изменениям входной
мощности, к расстройке входного резонатора, к изменению ускоряющего напряжения.
Схематически конструкция имеет вид
рис 13.
Рис. 13
Клистронные умножители не открывают
принципиально новых возможностей в генерировании более коротких волн, так как
сохраняют все ограничения, присущие усилительным клистронам. Основная область
применения: получение высокостабильных колебаний в сантиметровом диапазоне от
более низкочастотных колебаний, стабилизированных кварцем. В каскадном
умножителе используется несколько ступеней умножения (рис 14) Рис 14
6. Многорезонаторные пролетные усилительные
клистроны
Одним из путей повышения коэффициента усиления
является каскадное включение обычных двухрезонаторных клистронов.
Рис. 15
При рассмотрении такого включения возникает
мысль объединить второй резонатор первого каскада с первым резонатором второго
каскада.
Такой объединенный клистрон должен обладать
следующими преимуществами:
1. Повышение общего коэффициента за счет
уменьшения числа резонаторов и потерь в промежуточном резонаторе.
2. Снижение мощности источника питания за
счет использования одного и того же электронного потока.
. Упрощение настройки за счет меньшего
числа резонаторов.
В дальнейшем мы увидим, что многорезонаторные
клистроны имеют и другие, еще более важные преимущества.
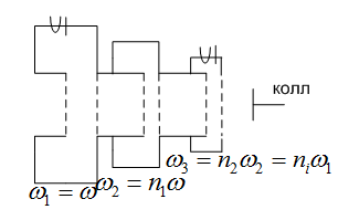
Процесс образования сгустков в промежутках
дрейфа многорезонаторного клистрона принято называть каскадной группировкой,
отличающейся от группировки в двухрезонаторном клистроне.
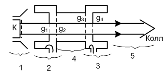
Рассмотрим для простоты трехрезонаторный
клистрон: (рис 16).
Рис. 16
Предположим, что промежуточный резонатор точно
настроен на частоту входного сигнала и прямая электромагнитная связь между
всеми резонаторами отсутствует. Первый резонатор модулирует электронный поток
по скорости. Если входной сигнал мал, то во второй резонатор поступает слабо
сгруппированный электронный поток. При прохождении электронных сгустков через
второй резонатор в поле появляется наведенный ток. Так как проводимость второго
резонатора определяется только собственными потерями и электронной нагрузкой
зазора даже при малом наведенном токе амплитуда переменного напряжения будет
больше, чем в первом резонаторе. Так как резонатор настроен в резонанс для
момента прохождения сгустков автоматически устанавливается максимум тормозящего
поля. Рассмотрим пространственно-временную диаграмму: (рис. 17)
В двухрезонаторном клистроне сгусток
образовался вокруг электрона «1». Напряжение па втором резонаторе в свою
очередь проводит скоростную модуляцию электронного потока. Эта дополнительная
модуляция во втором зазоре отстает по фазе на Рис. 17
Аналогичные процессы протекают в каждом
промежуточном резонаторе многорезонаторного клистрона. В общем случае все
резонаторы, кроме последнего следует рассматривать как сложный
многорезонаторный группирователь, определяющий конвекционный электронный ток в
выходном зазоре.
Различают два режима работы многорезонаторных
клистронов:
1. Режим максимального
коэффициента усиления, когда все резонаторы настроены точно на усиливаемую
частоту . Режим максимальной выходной
мощности и максимального КПД. Соответствует случаю расстройки промежуточных
резонаторов. Рассмотрим усиление слабого сигнала (первый режим синхронной
настройки). В этом случае вместо параметра группирования для двухрезонаторного
клистрона в формулу для коэффициента усиления можно подставить эффективный параметр
группирования, определяемый соотношением
где При усилении слабого сигнала Таким образом, коэффициент усиления
трехрезонаторного клистрона в Коэффициент усиления трехрезонаторного
клистрона при слабом сигнале составляет 30-35 дБ. Дальнейшее увеличение числа
резонаторов приводит к дополнительному возрастанию Обычно Рассмотрим режим максимальной
выходной мощности в многорезонаторном клистроне. Гармоническая форма напряжения
на первом резонаторе двухрезонаторного клистрона соответствует неполному
группированию электронного потока в пространстве дрейфа. Для полного
группирования форма напряжения должна быть пилообразной следующего вида (рис.
18).
Получение такой формы напряжения
невозможно из-за фильтрующих свойств резонатора.
Вернемся к пространственно-временной
диаграмме группирования в трехрезонаторном клистроне. При слабом входном
сигнале электроны приходят ко второму резонатору очень слабо сгруппированными
около невозмущенного электрона «1». Большому сигналу соответствует хорошая
группировка относительно электрона «1» Однако относительно поля второго
резонатора невозмущенным оказывается другой электрон, приходящий позже
электрона «1» на четверть периода Рис. 19
Величина оптимальной расстройки
составляет десятые доли процента. При малом сигнале Амплитудные характеристики
многорезонаторного клистрона имеют различный вид для режима синхронной
настройки резонаторов (кривая 1) и для режима получения максимальной мощности и
КПД (кривая 2).
Рис. 20
Крутизна начального участка
характеристики 1 велика, так как наибольший коэффициент усиления получается при
малом сигнале и синхронной настройке резонаторов. Участок с большим значением
мощности невелик. Характеристика 2 соответствует расстройке промежуточных
резонаторов. Начальный участок имеет меньшую крутизну (меньший коэффициент
усиления), но область насыщения оказывается широкой. В режиме синхронной
настройки ширина полосы пропускания определяется добротностями резонаторов и
меньше, чем при расстройке резонаторов.
7. Особенности конструкций пролетных клистронов
Разработка мощных усилительных клистронов
требует решения следующих проблем:
1. получение и формирование мощного
прямолинейного электронного пучка, который должен с возможно меньшими потерями
проходить через несколько зазоров и дрейфовых промежутков;
2. обеспечение электрической прочности
межэлектродных промежутков при высоких ускоряющих напряжениях;
. рассеяние высокой средней мощности на
коллекторе;
. вывод большой мощности из последнего
резонатора клистрона;
. создание полых резонаторов с механизмом
настройки.
Клистроны дециметрового диапазона часто
изготавливаются со съемными резонаторами герметизация осуществляется с помощью
керамических труб. В резонаторах относительно маломощных клистронов
используются сетки из тугоплавких металлов и сплавов W
- вольфрам, Mo - молибден.
Рис. 21
клистрон усилитель амплитудный
мощность
Литература
1. Барыбин, А.А. Электроника и
микроэлектроника. Физико-технологические основы / А.А. Барыбин. - М.:
ФИЗМАТЛИТ, 2006. - 424 c.
. Белов, Н.В. Электротехника и
основы электроники: Учебное пособие / Н.В. Белов, Ю.С. Волков. - СПб.: Лань,
2012. - 432 c.
. Белоусов, В.В. Судовая электроника
и электроавтоматика: Учебник / В.В. Белоусов, В.А. Волкогон. - М.: Колос, 2008.
- 645 c.
. Борисенко, В.Е. Наноэлектроника:
теория и практика: Учебник / В.Е. Борисенко, А.И. Воробьева, А.Л. Данилюк, Е.А.
Уткина. - М.: БИНОМ. ЛЗ, 2013. - 366 c.
. Вайнштейн, Л.А. Теория дифракции.
Электроника СВЧ / Л.А. Вайнштейн. - М.: Радио и связь, 1995. - 600 c.
. Велстистов, Е. Все о приключениях
Электроника: Повести / Е. Велстистов. - СПб.: Азбука-Аттикус, 2013. - 592 c.
. Велтистов, Е.С. Победитель
невозможного: третья книга из цикла о приключениях Электроника / Е.С.
Велтистов. - М.: Дет. лит., 2010. - 235 c.
. Воронков, Э.Н. Твердотельная
электроника. Практикум: Учебное пособие для студ. высш. учеб. заведений / Э.Н.
Воронков. - М.: ИЦ Академия, 2010. - 128 c.
. Воронков, Э.Н. Твердотельная
электроника: Учебное пособие для студ. высш. учеб. заведений / Э.Н. Воронков,
А.М. Гуляев, И.Н. Мирошникова. - М.: ИЦ Академия, 2009. - 320 c.
. Гальперин, М.В. Электротехника и
электроника: Учебник / М.В. Гальперин. - М.: Форум, НИЦ ИНФРА-М, 2013. - 480 c.
. Голубева, Н.С. Основы
радиоэлектроники сверхвысоких частот: Учебное пособие / Н.С. Голубева, В.Н.
Митрохин; Под общ. ред. проф. д.т.н. И.Б. Федоров. - М.: МГТУ им. Баумана,
2008. - 488 c.
. Горохов, П.К. Толковый словарь по
радиоэлектронике / П.К. Горохов. - М.: Русский язык, 1993.
. Гусев, В.Г. Электроника и
микропроцессорная техника: Учебник / В.Г. Гусев, Ю.М. Гусев. - М.: КноРус,
2013. - 800 c.
. Джонс, М.Х. Электроника -
практический курс / М.Х. Джонс. - М.: Техносфера, 2013. - 512 c.
. Евстратов, В.А. Радиоэлектроника
прогулочных судов / В.А. Евстратов. - М.: ТрансЛит, 2008. - 128 c.
. Ермуратский, П.В. Электротехника и
электроника / П.В. Ермуратский, Г.П. Лычкина, Ю.Б. Минкин. - М.: ДМК Пресс,
2013. - 416 c.
. Ефимов, И.Е. Основы микроэлектроники
/ И.Е. Ефимов, И.Я. Козырь. - М.: Высшая школа, 1983.
. Жаворонков, М.А. Электротехника и
электроника: Учебное пособие для студ. высш. проф. образования / М.А.
Жаворонков, А.В. Кузин. - М.: ИЦ Академия, 2013. - 400 c.
. Иньков, Ю.М. Электротехника и
электроника: Учебник для студентов учреждений среднего профессионального
образования / Б.И. Петленко, Ю.М. Иньков, А.В. Крашенинников. - М.: ИЦ
Академия, 2013. - 368 c.
. Калашников, В.И. Электроника и
микропроцессорная техника: Учебник для студ. учреждений высш. проф. обр. / В.И.
Калашников, С.В. Нефедов. - М.: ИЦ Академия, 2012. - 368 c.
. Кашкаров, А.П. Новейшие технологии
в электронике: дома, на даче, в автомобиле / А.П. Кашкаров. - Рн/Д: Феникс,
2013. - 172 c.
. Колистратов, М.В. Электротехника и
электроника: электротехника на оборудовании National Instruments: Лабораторный
практикум / М.В. Колистратов, Л.А. Шапошникова; Под ред. Л.А. Шамаро. - М.: ИД
МИСиС, 2012. - 79 c.
. Кузовкин, В.А. Электротехника и
электроника: Учебник для бакалавров / В.А. Кузовкин, В.В. Филатов. - М.: Юрайт,
2013. - 431 c.
),

через
параметр группирования
,
- активная проводимость нагрузки,
трансформированная в сечении зазора резонатора.
т.е.
.
.
. Амплитуда
связана с
наведенным током Iнав законом
Ома. Поэтому на первый взгляд кажется, что уменьшение суммарной активной
проводимости выходного резонатора.
приводит к сколь угодно большому
росту
. Однако,
чтобы электроны в выходном зазоре не отбрасывались назад при максимуме
тормозящего поля должно выполняться условие
.
,
для
двухрезонаторного клистрона.
называется
амплитудной характеристикой. Начальный прямолинейный участок кривой, постепенно
искривляющийся с ростом Х, соответствует режиму недогруппировки электронного
потока Х<1.8 Дальнейший рост Х>1.84 вызывает перегруппировку пучка, что
приводит к снижению выходной мощности.
следует
использовать для получения максимального усиления. Это - область работы входных
усилителей. Если желательно достижение максимальной выходной мощности и
нелинейность характеристики не играет существенной роли, рабочая точка
выбирается вблизи максимальной кривой
. Такой режим желателен для
усилителей мощности.
, при настройке выходного резонатора
в резонансе полная электронная мощность, переносимая электронным потоком
,
- мощность, отбираемая от источника
постоянного тока.
,
,
- КПД резонаторной системы.
,
использован вместо Х параметр:
.
, т.е.
увеличении длины трубы дрейфа. Однако величина
имеет максимум при
равный
, поэтому
,
,
;
- коэффициенты связи резонаторов и
линии передачи;
- относительные расстройки расчеты
сигнала от резонансных частот первого и второго резонаторов;
- резонансные частоты резонаторов.
имеет
наибольшую величину при критической связи резонаторов и линий, когда
,
совпадающую с
в рамках
кинематической модели
.
частотная
характеристика усилителя
может иметь
вид двугорбой кривой даже при малых сигналах. В случае одинаково настроенных
резонаторов
при малых
сигналах Рвх частотная характеристика будет иметь вид одногорбой
кривой (рис. 8).
обозначен сдвиг фаз, создаваемый
устройством обратной связи. Электронные сгустки образуются относительно
электронов, прошедших центр первого зазора в момент перехода поля от
тормозящего к ускоряющему. Для отдачи максимальной энергии сгустки должны
проходить выходной зазор в момент максимального тормозящего поля.
, как для монотрона
.
обозначено оптимальное ускоряющее
напряжение, при котором сгустки попадают в максимальное тормозящее поле
выходного зазора.
должен
наблюдаться ряд дискретных зон генерации, соответствующих целочисленным
значениям n. В
промежутках между зонами генерация невозможна, так как сгустки попадают в
ускоряющее поле выходного зазора. Номер зоны генерации тем выше, чем больше
время пролета в трубе дрейфа.
.
от модуляции, полученной в первом
зазоре. После прохождения через второй зазор электрон типа «1» перестает быть
центром сгустка. Электрон «4», который был наиболее неблагоприятным при
группировке в первом пространстве дрейфа после прохождения второго зазора
приближается к центру сгустка.
. При этом
входной сигнал очень мал. При большом входном сигнале сгустки, приходящие в
выходной резонатор оказываются перегруппированными.
- параметр группирования, если
модуляция по скорости происходит в первом резонаторе, а промежуточный второй
резонатор отсутствует;
- параметр группирования, если
модуляция по скорости производится в промежуточном резонаторе;
- углы
пролета между первым и вторым и между вторым и третьим резонаторами
соответственно.
без
промежуточного резонатора параметр
мал и не может быть сделан большим
при увеличении длины клистрона (угла пролета), так как при слабой модуляции по
скорости наиболее резко проявляется ухудшение группирования из-за влияния сил
расталкивания в пучке. Однако при наличии промежуточного резонатора с высокой
добротностью вследствие большой величины
, т.е. группирование практически
происходит в пространстве между вторым и третьим резонаторами, т.е.
.
Максимальная выходная мощность в третьем резонаторе получается при оптимальном
параметре группирования
, как в
двухрезонаторном клистроне используем ранее полученную формулу для коэффициента
усиления по мощности.
,
имеет наибольшую возможную величину
и равен:
.
- раз больше, чем у
двухрезонаторного.
примерно на
20 дБ на каждый добавленный резонатор
из-за
паразитных обратных связей, которые могут привести к самовозбуждению усилителя.

. Таким образом, центр приходящего
ко второму резонатору сгустка сильно смещен относительно электрона, вокруг
которого будет производить группировку второй резонатор. В результате этого
смещения происходит разгруппировка ранее сгруппированных электронов около
электрона «1». Чтобы сохранить электроны в уже имеющемся сгустке, необходимо
каким-то образом совместить сгусток с невозмущенным электроном для второго
резонатора. Это совмещение можно обеспечить расстройкой второго резонатора,
причем его резонансная частота должна быть выше частоты сигнала. Очень большой
расстройке соответствует требуемый сдвиг фазы
между током и напряжением
резонатора. В этом случае центральный электрон прежнего сгустка «1» оказывается
не возмущенным для второго резонатора. Однако сдвиг фазы
невыгоден
из-за сильного уменьшения
и резко
уменьшающегося взаимодействия электронного потока со вторым резонатором.
Следовательно, необходимо установить меньший сдвиг фазы, при котором напряжение
будет
достаточным для эффективного группирования. Зависимость эффективного параметра
группирования Хэф от величины расстройки второго резонатора при
большом сигнале имеет вид рис. 19.
и
группировка определяется исключительно параметром Х23.