Материал: Повышение качества выплавляемой стали путем повышения точности дозирования легирующих добавок в печь

Внимание! Если размещение файла нарушает Ваши авторские права, то обязательно сообщите нам

Приборы по месту

Назначение сигналов

Тип сигнала

Кол-во

LI 1, LI 2

Уровень бункеров 1,2

Аналоговый вход 0…20 mA

2

WI 1, WI 2, WI 3

Вес бункеров 1,2,3

Аналоговый вход 0…20 mA

3

WRCA

Открыть заслонку

Дискретный выход 24 VDC

3


Закрыть заслонку

Дискретный выход 24 VDC



Открыта заслонка

Дискретный вход 24V DC



Закрыта заслонка

Дискретный вход 24V DC



Положение заслонки

Аналоговый вход 0…20 mA


HSI

Вкл/откл вибропитателя

Дискретный выход 24 VDC

3


Рисунок 3.2 - Структурная схема АСУ

.3 Разработка электрических схем подключения средств автоматизации

Взвешивание и дозирование являются ключевыми элементами технологических процессов. Также для успешной реализации технологии требуется комплексная система автоматизации. С системой весоизмерения/дозирования встроенной в SIMATIC, Siemens предлагает комплексное решение в весоизмерительных технологиях для отслеживания материальных потоков и передачи данных на операторские станции для планирования требуемого количества легирующих и шлакообразующих материалов, документации процесса производства и реализации комплексной автоматизации. Благодаря встраиванию весоизмерительных систем в системы автоматизации все требования могут быть реализованы.

Для решения задач весоизмерения/дозирования с высокими требованиями по точности и скорости является функциональный модуль SIWAREX M (FM) SIMATIC S7-300 и может напрямую устанавливаться на заднюю шину SIMATIC S7-300. Наряду с обширными функциями взвешивания SIWAREX M управляет дозировкой независимо от времени цикла системы автоматизации. Такие функции как грубая/точная дозировка, автоматическая дополнительная дозировка с/без режима порционирования, а также автоматическая оптимизация момента отключения точного потока обеспечивают оптимальную точность дозировки.

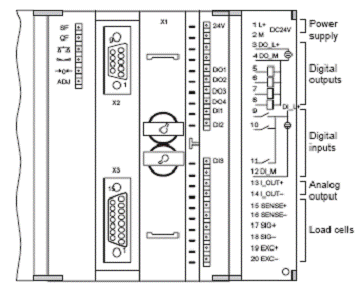
Два последовательных интерфейса (TTY и RS 232) SIWAREX M служат для подключения калибруемого принтера и калибруемого дистанционного индикатора или РС для параметрирования SIWAREX M. В качестве альтернативы эти интерфейсы могут использоваться также и для последовательного соединения (3964R или SIWAREX-протокол) с главным ВУ (к примеру, PC). Наряду с обеими последовательными интерфейсами на модуле имеются 4 цифровых выхода, 3 цифровых входа и один аналоговый выход.

Функции входов и выходов определяются в зависимости от целей использования.

Рисунок 3.3 - Общий вид SIWAREX M с клемными подключениями

Основная задача SIWAREX M - измерение напряжения датчика и преобразование данной величины в значение веса. Для измерения веса используется 2 точки интерполяции. При необходимости сигнал может быть предварительно обработан с помощью цифрового фильтра. Основные сферы применения SIWAREX M:

весоизмерение в коммерческих весах;

платформенные и автомобильные весы;

однокомпонентные весы;

многокомпонентные весы;

весы-дозаторы;

весы во взрывоопасных зонах (с Ex(i) барьером);

взмерительный преобразователь веса в других типах весов.

В дополнение к функциям весоизмерения, SIWAREX M контролирует дозирование независимо от цикла системы управления. Функции, такие как точная и грубая дозировка, автоматическое смешение с или без функции «дотягивания» также с функцией оптимизации точного дозирования позволяют оптимально решить любую задачу дозирования.

Подключаемые к SIWAREX M датчики веса или усилия должны иметь следующие характеристики:

напряжение питания 10.3 V;

питание датчиков гальванически разделено от 24В-питания модуля.

При подключении тензометрических датчиков рекомендуется применять 6-ти проводное подключение для соединения коробки и. Если применяется 6-ти проводное подключение, то устраняется термоошибка проводов.

Для реализации системы автоматизации взвешивания и дозирования добавок выбираем функциональные модули SIWAREX M 7MH4-5537-AA41.

На рисунке 3.6 применено 6-ти проводное подключение, что позволяет устранить термоошибку проводов и повысить точности измерения массы в бункере и бункерах весах-дозаторах.

Рисунок 3.4 - Схема внешних подключений весоизмерительных датчиков

Разработанное схемное решение позволяет сформировать высокоточный информационно-измерительный канал системы автоматизации взвешиванием и дозированием. Применение функциональных модулей SIWAREX M позволит повысить точность измерения технологических параметров по сравнению с существующей системой.

.4 Конфигурирование распределенной АСУ

На основании разработанной функциональной схемой автоматизации и выбранными техническими средствами контроля и управления технологических параметров проведем анализ типа входных и выходных сигналов проектируемой системы управления.

Результаты анализа сведем в таблицу 3.2.

Таблица 3.2 - Сводная таблица датчиков и информационных сигналов

АСУ

Наименование датчика

Точка измерения

Тип сигнала к ПЛК

Кол-во

МЭО-250/63-0.63-92К

Открыть заслонку

Дискретный выход 24 VDC

3


Закрыть заслонку

Дискретный выход 24 VDC

3


Заслонка открыта

Дискретный вход 24 VDC

3


Заслонка закрыта

Дискретный вход 24 VDC

3


Положение заслонки

Аналоговый вход 0…20 с

3


Исходя из данных, приведенных в таблице 3.2 можно выделить следующие группы сигналов, необходимых для функционирования исполнительных механизмов в автоматическом режиме управления, а именно:

дискретные входные сигналы 24 VDC в количестве - 6 штук;

дискретные выходные сигналы 24 VDC в количестве - 6 штук;

аналоговые входные сигналы 0…20 mA в количестве -3 штук.

Распределим устройства по стойке управления и расширения в следующем порядке :


Рисунок 3.5 - Конфигурация Simatic S7-300 в среде STEP 7

- блок питания PS 307, для питания контроллера от сети переменного тока напряжением 120/230В и сигнальных модулей ввода/вывода напряжением 24 В;

центральный процессор CPU 315-2DP со встроенным интерфейсом ведущего/ведомого устройства PROFIBUS DP ;

коммуникационного процессора CP 342-5 6GK7 342-5DA00-0XE0 для подключения ПЛК к сети Ethernet;

модуля дискретного вывода DO 16xDC24V/0.5A 6ES7 322-1BH00-0AA0;

модуля дискретного ввода DI 16x DC 24V 6ES7 321-1BH10-0AA0;

модуля аналогового ввода AI8x12Bit 6ES7 331-7KF01-0AB0.

Выбранные средства автоматизации Simatic S7-300 формируют центральную стойку управления. Объединение систем управления распределенных технологических участков в единый комплекс с целью централизованного управления и обмена данными внутри системы управления произведем с помощью промышленной сети Profibus-DP.объединяет технологические и функциональные особенности последовательной связи полевого уровня. Она позволяет объединять разрозненные устройства автоматизации в единую систему на уровне датчиков и приводов.

ЗАКЛЮЧЕНИЕ

В данной работе был проведен анализ АСУ взвешивания и дозирования легирующих добавок в металлургическую печь. Рассмотрены методы и средства автоматизации системы дозирования.

Аппаратная система управления выполнена на базе высокопроизводительного микропроцессорного комплекта Simatic S7-300 фирмы SIEMENS, который работает в реальном времени.

Автоматическая система управления обеспечивает автоматическое программное управление положением рабочих органов в режиме реального времени. Точность и безотказность в работе, является характерной особенностью систем управления.

Благодаря разработанной АСУ ТП обеспечит следующие параметры:

повышение качества выплавляемой стали ;

повышение эффективности производства путем автоматизации управления в режиме реального времени на базе технологий Simatic фирмы Siemens AG. Организация системы управления на основе данных технологий позволит полностью автоматизировать технологический процесс от начала до конца;

увеличение производительности.

ПЕРЕЧЕНЬ ИСПОЛЬЗОВАННОЙ ЛИТЕРАТУРЫ

Гроссман Н.Я., Шнырев Г.Д. Автоматизированные системы взвешивания и дозирования. - М.: Машиностроение, 1988, -296 с.

Данилевский В. В. Справочник техника машиностроителя. - М.: Высшая школа, 1962. - 489 с.

Елисеев, В. Комплекс технических средств для автоматизации процессов взвешивания и дозирования / В.Елисеев // Современные технологии автоматизации. - 1999. - №1.

Затворы, дозаторы и питатели (Чертежи общих видов). - М.: ГОСИНТИ, 1962. - 38 с.

Копылов А.С., Веховский Е.И. Дозаторы и взвешивание. - М: Высшая школа. 1988.

Материалы научно-технического совещания М. ОНТИПРИБОР 1967г. 176 с.

Методические указания по выполнению курсовой работы по дисциплине ТСА. ДГМА.

Никитин, А. Автоматизированная система управления процессом изготовления медных анодов на Алмалыкском ГМК/ А. Никитин, А. Холимов, А. Трифонов, Г. Заманов, Д. Скрипчак // Современные технологии автоматизации. - 2008 - №3.