Материал: Послеуборочная обработка зерна

Внимание! Если размещение файла нарушает Ваши авторские права, то обязательно сообщите нам

. Период убывающей скорости сушки, начинается с момента, когда приток влаги из центральных частей зерна отстает от скорости ее испарения, и на поверхности зерна образуются участки, недостаточно насыщенные влагой. Скорость сушки определяет уже не способность воздуха поглощать влагу, а все уменьшающаяся скорость, с которой зерно отдает влагу, в результате чего отработавший воздух уходит из сушилки недонасыщенным влагой. В этот период быстро увеличивается температура зерна сначала с поверхности, затем внутри, также быстро уменьшается скорость сушки. В заключительной части этапа скорость сушки зерна падает до нуля. Влажность зерна постепенно снижается и устанавливается на постоянном равновесном уровне, значительно ухудшается использование способности агента сушки к поглощению влаги, и резко возрастают затраты топлива
Типы зерносушилок и технология сушки.

Технология сушки зерна в шахтных зерносушилках.

В сельскохозяйственном производстве для сушки зерна и семян наиболее широко используются высокопроизводительные шахтные зерносушилки СЗШ-8, СЗШ-16 и СЗШ-16А. Сушильная камера сушилок представляет собой, башню, у которой высота в несколько раз превышает размеры сторон поперечного сечения.

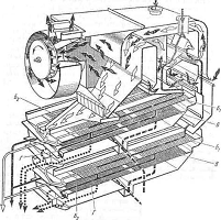
Шахтные сушилки являются установками непрерывного действия. При установившемся режиме работы зерно непрерывно поступает в верхнюю часть шахты и также непрерывно истекает из нее в нижней. Зерно движется за счет силы тяжести и сыпучести зерновой массы. Агент сушки движется поперек потока зерна (рис. 1).

Рис. 1 Технологическая схема шахтной зерносушилки: 1 - шахты; 2 - вентилятор; 3 - диффузор; 4 - напорная камера агента сушки; І - зерно; ІІ - агент сушки

Технология сушки зерна в барабанных зерносушилках.

В сельском хозяйстве широко используются для сушки зерна стационарные барабанные сушилки СЗСБ-8 и СЗСБ-8А производительностью 8 т/ч, а также передвижные барабанные сушилки
СЗПБ-2,5 производительностью 2,5 т/ч. Хорошие результаты дает использование сушилок СБ-1,5, установленных на токах хозяйств в комплексе с агрегатом АВМ-1,5.

Сушильная камера барабанных зерносушилок изготавливается в виде вращающегося цилиндра (барабана), что позволяет успешно сушить засоренный, малосыпучий материал (рис. 2). Сушильный барабан оборудован подъемно-лопастной системой. Лопасти барабана в процессе вращения захватывают зерно и поднимают его вверх. Затем зерно свободно ссыпается после достижения им угла скатаВремя пребывания зерна в барабане 15-20 минут. Температура агента сушки при сушке зерна семенного назначения должна быть 100-110 °С, а при обработке продовольственного или фуражного зерна 180-250 °С.

Рис. 2 Барабанная сушилка СЗСБ-8: 1 - топка; 2 - загрузочная камера; 3 сушильный барабан; 4 - охладительная колонка

В барабанной сушилке практически не регулируется продолжительность сушки. Время пребывания зерна в барабане и скорость его перемещения по барабану определяются интенсивностью потока агента сушки и механическим подпором слоя зерна, поступающего в барабан. Это серьезный технологический недостаток барабанных сушилок. Для полного высушивания зерна повышенной влажности его пропускают через сушилку несколько раз или используют последовательно несколько сушилок. Так как зерно в барабане подвергается повышенным температурным и механическим воздействиям, эти сушилки не рекомендуется использовать для сушки семян, подверженных растрескиванию (горох и другие бобовые, кукуруза). Для сушки семенного зерна предпочтительнее использовать шахтные или камерные сушилки.

Задачи очистки зерна и семян.

Все партии свежеубранного зерна в обязательном порядке подлежат очистке. Это правило, известное каждому работнику сельского хозяйства.

Свежеубранный зерновой ворох содержит не только зерна основной культуры, но и некоторое количество сорной и зерновой примесей, которые ухудшают качество зерна, отрицательно влияют на его сохранность. Согласно стандарту к Зерновой примеси относятся битые, щуплые, давленые, проросшие, поврежденные, недозрелые и поеденные вредителями зерна. К Сорной примеси относятся минеральная примесь (песок, комочки земли, галька, шлак и др.) и органическая примесь (частички стеблей, листьев, ости, стержни колосьев, полова), остатки вредителей, семена дикорастущих растений (сорняков). Специально выделяется еще Вредная примесь, которая представляет собой опасность для здоровья человека и животных (склероции спорыньи, семена горчака, плевела и других ядовитых растений), а также фузариозное и испорченное зерно от коричневого до черного цвета.

Таким образом, под Очисткой следует понимать технологическую операцию по удалению из зерновой массы примесей. Очистку свежеубранного зерна начинают еще в комбайне, имеющем ворохоочистительное устройство. При правильных регулировках зерноуборочной техники на чистых, не засоренных полях технологически возможно максимальное удаление из зерновой массы легкой органической примеси (половы, соломистых частиц) и снижение до минимума содержания дробленых, битых зерен. Если же поля засорены, удалить из зерна семена сорняков при уборке не представляется возможным. Для удаления всех видов примесей зерно очищают в зерноочистительных машинах в процессе послеуборочной обработки.

Очищают зерно и семена, разделяя исходную зерновую смесь на более однородные части - Фракции, отличающиеся по качеству от исходного продукта и других частей зерновой массы. Чаще всего при очистке зерна выделяют следующие фракции: полноценное продовольственное или семенное зерно (первый сорт); мелкое и щуплое фуражное зерно (второй сорт); крупные и легкие примеси; мелкие отходы.

Процесс разделения зерновой смеси на фракции называют Сепарированием, а используемые для этого машины - сепараторами.

Сепараторы условно можно разделить на простые и сложные. Простые сепараторы своими рабочими органами разделяют зерновую смесь на две фракции по одному определяющему признаку. К таким рабочим органам относят решето (сито), триерный цилиндр, воздушный канал и др. Сложные сепараторы объединяют в одной машине несколько простых сепараторов, разделяющих зерновую смесь по разным признакам на три и более фракции.

Вся сложная цепочка технологических операций очистки зерна и семян по своему целевому назначению и применяемым техническим средствам подразделяется на следующие основные этапы: Предварительная очистка свежеубранного зернового вороха, Первичная Очистка, Вторичная Очистка и сортирование.

Предварительная очистка зернового вороха.

Это вспомогательная операция по очистке зерна, ее проводят для создания благоприятных условий при выполнении последующих технологических операций послеуборочной обработки зерна, главным образом, его сушки. Для этого в простейших воздушно-решетных машинах (ворохоочистителях) из зернового вороха выделяют крупные (иногда мелкие) примеси, что повышает сыпучесть зерновой массы и облегчает передвижение ее в зерносушилке. Предварительная очистка вороха повышает его устойчивость к факторам порчи, особенно развитию процесса самосогревания.

Машины предварительной очистки должны выполнять очистку свежеубранного зернового вороха влажностью до 40 % с содержанием сорной примеси до 20 %, в том числе фракции соломистых примесей до 5 %. В процессе очистки должно выделяться не менее 50 % сорной примеси, в том числе практически вся соломистая примесь. В очищенном материале содержание соломистых примесей длиной частиц до 50 мм должно быть не более 0,2 %, а частиц длиной более 50 мм вообще не должно быть. Содержание полноценных зерен в отходах не должно превышать 0,05 % от массы зерна основной культуры в исходном материале. В процессе предварительной очистки зерновой ворох разделяется на две фракции: очищенное зерно и отходы.

Первичная очистка зерна и технология ее проведения.

Эта операция заключается в том, чтобы из зерновой массы выделить возможно большее количество крупных, мелких и легких примесей при минимальных потерях основного зерна. Материал сепарируют по ширине, толщине и аэродинамическим свойствам в воздушно-решетных машинах, а также по длине - в триерах. Зерно после обработки должно соответствовать по чистоте требованиям стандартов. Зерновая масса, поступающая на первичную очистку, должна иметь влажность не выше 18 % и содержать сорной примеси не более 8 %.

Первичную очистку зерна в настоящее время проводят в стационарных воздушно-решетных машинах ЗАВ-10, ЗВС-20, ЗВС-20А. Технологическая схема работы зерноочистительной машины ЗВС-20 производительностью 20 т/ч приведена на рисунке 2.1. Машина имеет два параллельно работающих решетных стана. До поступления на решетные станы из зерновой массы в аспирационных каналах удаляются легкие примеси и пыль.

Разделение зерновой смеси на легкую и тяжелую фракции в Потоке воздуха, движущегося с определенной скоростью, является обычно самой первой технологической операцией при очистке свежеубранного зерна. Основано оно на различиях компонентов Зерновой массы по аэродинамическим свойствам.

Величина скорости витания значительно различается у зерна и многих компонентов примеси, так как они имеют различную плотность и парусность. Так, скорость витания большинства зерен хлебных злаков находится в пределах 8-12 м/с. Из зерновой массы отвеиванием легко выделяют компоненты, имеющие малую скорость витания: полову, частицы соломы, легкие семена, щуплое зерно и пыль. Для этого в рабочем канале устанавливают скорость воздушного потока, близкую к скорости витания обрабатываемого зерна. Разные скорости витания компонентов смеси являются критерием возможности их разделения. Чем больше эти различия, тем лучше может быть разделена смесь.

Рис. 3 Технологическая схема воздушно-решетной зерноочистительной машины ЗВС-20 Б1 - приемное решето, Б2 - колосовое решето; В - подсевное решето, Г - сортировочное решето

С повышением скорости воздуха возрастает эффективность удаления легких примесей, но одновременно увеличивается и вынос полноценного зерна в легкую фракцию. Критерием подбора скорости воздушного потока является допустимое содержание полноценного зерна в аспирационных относах, содержащих легкие примеси. Для удовлетворительного сортирования необходимо обеспечить подачу воздуха в пределах 700-1100 м3/т.

Вторичная очистка зерна и семян.

Машины вторичной очистки применяют в основном для обработки зерна семенного назначения, прошедшего первичную очистку. На этих машинах можно за один пропуск довести семена по чистоте до норм I и II классов посевного стандарта, если отсутствуют трудноотделимые примеси, для выделения которых необходимы специальные машины.

Вторичную очистку семян проводят в сложных воздушно-решетных машинах с разделением зерновой массы на четыре фракции: семена, зерно II сорта, аспирационные отходы и крупные примеси, мелкие примеси. Потери семян основной культуры во все фракции примесей не должны превышать 1 % и попадание полноценных семян во II сорт не более 3 % от массы семян основной культуры в исходном материале. Общее дробление семян допускается в пределах до 1 %. Для выдерживания установленных нормативов потерь зерновая масса для вторичной очистки должен иметь влажность не выше 18 %, содержать примесей всего до 8 %, в том числе сорной до 3 %.

Для вторичной очистки используют стационарные машины СВУ-5, СВУ-5А, СВУ-10. Их устанавливают в составе семяочистительных приставок СП-10, СП-10А, а также в поточных линиях семяобрабатывающих предприятий. Эти машины могут работать по нескольким технологическим схемам. Они имеют два решетных стана, верхний с проходными (1-й ярус) и сортировочными (2-й ярус) решетами и нижний с подсевными (3-й ярус) решетами, что позволяет выделять больше полноценных семян, чем при первичной очистке зерна. Такая схема работы в три яруса дает возможность расширить площадь подсевных и сортировочных решет, улучшить качество выделения мелких примесей, а также мелкого и щуплого зерна основной культуры. Также для вторичной очистки в условиях сельскохозяйственных предприятий широко применяются машины фирмы «Петкус» и СМ-4.

Сепарирование зерна и семян по форме и состоянию поверхности.

Зерновую смесь на фракции можно разделить на основе различия ее компонентов по величине трения частиц о какую-либо поверхность. По разности в коэффициенте трения отделяют не только примеси, но и неполноценные семена данной культуры. Возможно также разделение на фракции полноценных семян с учетом их различий по форме.

Сепарирование зерновой массы проводят на подвижной или неподвижной наклонной поверхности, изготовленной из материалов с различными фрикционными свойствами. Простейшим рабочим органом является Винтовая горка (змейка) для разделения округлых и плоских или продолговатых семян, например, горохо-овсяной и вико-пшеничной смесей. При скатывании по наклонной винтовой плоскости семена вики и гороха приобретают большую скорость и инерцию, чем скользящие семена овса или пшеницы. Семена образуют смещенные по отношению друг к другу потоки, которые с помощью перегородок улавливают и направляют в разные приемные устройства. Сепарирование на винтовых змейках - обязательная операция в хозяйствах, занимающихся семеноводством вики и гороха.

Семена многих сорных растений отличаются от семян основной культуры по фрикционным свойствам (различии в углах трения). Такие примеси выделяют на Фрикционных сепараторах (полотняных горках). Угол наклона полотняной горки подбирают так, чтобы он превышал угол трения гладких семян и был меньше угла трения шероховатых семян. При этом шероховатые семена увлекаются полотном вверх, а гладкие соскальзывают или скатываются вниз.

Горка хорошо работает, когда на поверхность полотна поступает тонкий слой семян, что определяет ее небольшую производительность. Для обеспечения более эффективного разделения семенной смеси применяют горки из нескольких секций (плоскостей), располагая их одна над другой. Секции могут работать последовательно или параллельно. В первом случае улучшается качество очистки, во втором - увеличивается производительность. Например, свекловичная горка имеет четыре параллельно работающие полотна, имеющие угол наклона 19-28° и линейную скорость 0,5-0,7 м/с. Очищенные семена со всех полотен поступают в одно приемное устройство (рис. 4).

Рис. 4. Технологическая схема полотняной горки (фрикционного сепаратора): 1 - приемный бункер; 2 - скребковый транспортер; 3 - полотняные транспортеры; 4 - шнеки; 5 - щетки

Сепарирование семян в электромагнитных установках.

Семена люцерны, клевера, льна трудно отделить в воздушно-решетных и триерных установках от семян таких злостных сорняков, как повилика, плевел, василек, горчак ползучий, подорожник. Эти семена сорняков успешно выделяют магнитным способом в специальных электромагнитных семяочистительных машинах (рис.5).

Смесь семян предварительно обрабатывают небольшим количеством магнитного порошка, который хорошо прилипает к шероховатой (ворсистой) поверхности семян сорных растений и почти не пристает к гладкой поверхности семян указанных культурных растений. Подготовленную смесь семян и порошка подают на поверхность вращающегося электромагнитного барабана машины, который притягивает и удерживает определенную часть пути только семена с магнитным порошком. Таким образом, с поверхности барабана первыми соскальзывают и выводятся из машины полноценные семена основной культуры, затем промежуточная фракция поврежденных и менее выполненных семян основной культуры и частично семян сорных растений, содержащих на оболочках небольшое количество порошка, и в последнюю очередь семена сорных растений с шероховатой поверхностью. Промежуточную фракцию при необходимости обрабатывают повторно.

Рис. 5. Технологическая схема электромагнитной семяочистительной машины: 1 - электромагнитный барабан; 2 - транспортер; 3 - шнек; 4 - приемный бункер; 5 - аппарат дозировки порошка; 6 - увлажнитель; 7 - смесительные шнеки; / - очищенные семена первого сорта; // - семена второго сорта; /// - отходы.

Применяемый магнитный порошок состоит из смеси, включающей 80 % окиси-закиси железа и 20 % мела. Расход порошка 1-2,5 % от массы семян. Если в составе примеси находятся семена сорных растений, к которым плохо прилипает магнитный порошок (горчак ползучий, подорожник и др.), исходную смесь семян предварительно немного увлажняют и затем смешивают с порошком.