КУРСОВОЙ ПРОЕКТ
«Полосовой
фильтр»
Введение
Требуется спроектировать полосовой фильтр по заданию:
Тип фильтра: С (Кауэр или Эллиптич)
Полоса пропускания:
Неравномерность затухания в полосе
пропускания
:
Полоса задерживания:
Минимальное затухание в полосе
задерживания
:
Входное сопротивление
:
Сопротивление нагрузки
:
Схема фильтра: “Sallen-Key”
резистор конденсатор усилитель фильтр
1. Расчетная часть
1.1 Расчет полосового фильтра
Bandpass Elliptic Sallen-Key
+Center Frequency=1000Hz
Passband Gain=0dB
Passband Ripple (Kp) = 3.0103 dB at Passband (PB) = 200 HzAttenuation (Ks) = 40 dB at Stopband (SB) = 1600 Hz
+Impedance Scale Factor=1, and OPAMP model=$IDEAL
LP = Ideal low-pass response based upon choice of filter type and response.
+BP = Ideal bandpass response transformed from the low pass response.
+The circuit above is designed to match this transfer response.
.define U (S/(2*PI*994.98744))
.define LP
+9.16851M*(U*U+77.62176)/(U*U+640.61407M*U+711.67618M)*
+1
.define BP
+(6.84883)*(U*U+202.69428M)/(U*U+59.34694M*U+854.88046M)*
+(385.0249M)*(U*U+4.93354)/(U*U+69.42133M*U+1.16975)*(3.47691M)
1.2 Компьютерное моделирование полиномов ПФ с
распечаткой АЧХ фильтра и его звеньев
2. Разработка схемы электрической
принципиальной
.1. Выбор номиналов резисторов и конденсаторов
Резисторы и конденсаторы выбирались из ряда Е-24.
Резисторы используются постоянные типа SMD 0805
точные. Конденсаторы - керамические типа SMD 0805.
2.2. Выбор операционного усилителя
Выбран четырехканальный операционный усилитель
LM2902D (SMD) SO14.
2.3. Компьютерное схемотехническое
моделирование фильтра с распечаткой АЧХ и ФЧХ фильтра и его звеньев

Распределение по Гауссу, число испытаний - 100.
Анализ проделан для допусков на
номиналы резисторов
, для
конденсаторов -
.
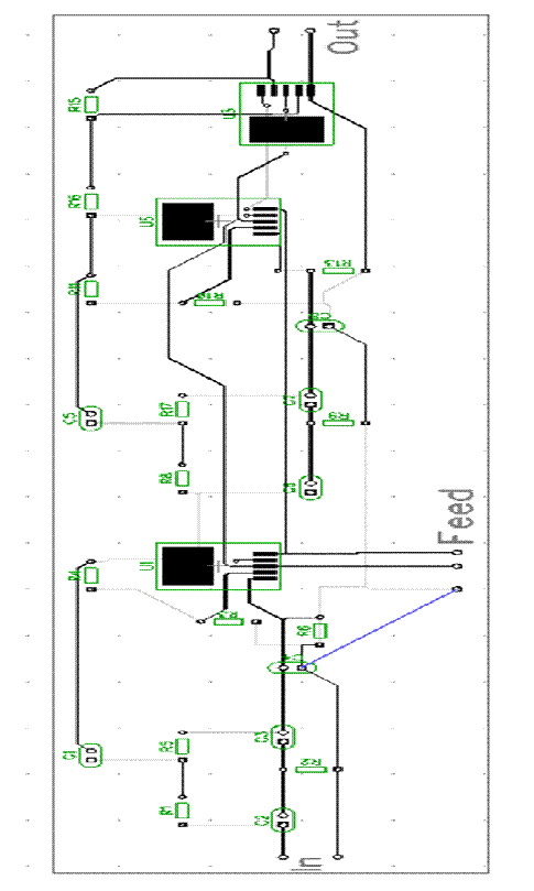
3. Конструирование платы фильтра
Схема соединений и расположения элементов на плате:
Заключение
По результатам выполнению курсового проекта был спроектирован полосовой фильтра типа Кауэр (Элиптич). Полученные при компьютерном моделировании идеальные значения номиналов конденсаторов и сопротивлений были заменены реальными, что привело к некоторым несущественным отклонениям от идеальной АЧХ.
Использованные программные продукты:
- Micro-Cap 7
- s’Plan 6.0
DipTrace 2.05
Список использованных источников
1. Конспект лекций Н.Л. Нурмухамедова (записан Шашкиной А.С.)
. Кривошейкин А.В., Нурмухамедов Л.Х. Схемотехника аналоговых электронных устройств: - СПб.: изд. СПбГУКиТ, 2012. - 199 с.
3. Кривошейкин А.В., Нурмухамедов Л.Х. Компьютерная разработка аналоговых устройств обработки звуковых сигналов. Методические указания для выполнению курсовых проектов. - СПб.: изд. СПБГУКиТ, 2010. - 52 с.