1 РАСЧЁТ НАГРУЗОК
1.1
Графическое изображение летательного
аппарата и эпюра погонной массы
Рассмотрим летательный аппарат, схема которого представлена на рисунке 1.1.

Рисунок 1.1 – Схема ЛА и эпюра погонной массы
Определение
продольной перегрузки
и эпюра осевых сил N
по длине летательного аппарата
Расчет
продольных аэродинамических нагрузок
и осевых сил
обусловленных ими
Данных летательный аппарат состоит из 2-х конических и 2-х цилиндрических участков
Для начала определим условия полета летательного аппарата и угол атаки, скоростной напор и число Маха, по формулам:
,
где
- угол атаки на данной высоте;
-
угол атаки при полете в спокойном
воздухе, рад;
-
дополнительный угол атаки, рад.
Дополнительный угол атаки, зависящий от скорости ветра, может быть определен по формуле:

где u = 60 м/с – скорость ветра;
=600
м/с
-скорость полета.
При
,
получаем:
;
Скоростной напор вычисляется по формуле:
,
где
- скоростной напор,
-
плотность воздушной среды,
;
Для
высоты полета H=10,0
км, получаем
кг/м3.
Число Маха определяется по формуле:
,
где
-
скорость звука, м/с.
Для
высоты полета Н=10,0 км, получаем
м/с.
Продольную силу Х действующую на корпус летательного аппарата можно представить в виде суммы трех составляющих:

где
- сила, от воздействия нормального
давления на боковую поверхность аппарата;
-
сила, вызванная поверхностным трением;
-
сила, вызванная давлением на донный
срез корпуса ЛА.
Сила
для
линейно расширяющегося (сужающегося)
участка определяется по формуле:
,
где
- угол конусности участка, рад;
-
площади оснований конуса,
.
Для
цилиндрических участков сила

Угол конусности определяется по формуле:
,
где
– радиусы оснований конуса,
-
длина конуса.
Определим углы конусности расширяющихся (сужающихся) участков ЛА:
Для участка 0-1, представленного на рисунке 1.2 он будет равен:

Рисунок 1.2 – Участок 0-1
рад,
где
м
–
радиус основания конуса,
м
– длина
участка 0-1.
Для участка 5-7, представленного на рисунке 1.3 он будет равен:

Рисунок 1.3 – Участок 5-7
рад;
где
м
–
радиус основания конуса,
м
–
радиус основания конуса,
м
– длина
участка 5-7.
Определим площади оснований конусов:




Найдем силы нормального давления:
Н;
Н;
Определим полную продольную аэродинамическую силу от действия нормального давления для всего аппарата:
Н.
Продольную
силу
,
вызванную трением, можно представить
как некоторую долю от
силы
всего летательного аппарата:
Н,
где
-
опытный коэффициент, значение которого
находятся в пределах 0,2…0,6,
принимаем
.
Силу,
вызванную давлением на донный срез ЛА
можно представить как некоторую долю
от суммы сил
и
всего летательного аппарата:
Н,
где
-
коэффициент, который изменяется в
пределах 0,15…0,25; принимаем
.
Полная продольная сила Х корпуса летательного аппарата будет равна:
Н.
Продольная
перегрузка
определяется по формуле:

где
– тяга двигателя, кН;
=
11483,3 кг
-
масса летательного аппарата на расчетный
момент времени.
Продольная аэродинамическая сила отсеченной части конструкции может быть определена по формуле:

где
- координата, отчитывающаяся от носка
ракеты;
-
полная погонная аэродинамическая
нагрузка на корпус ЛА.
Полная погонная аэродинамическая нагрузка определяется по формуле:
,
где
- продольная погонная нагрузка, вызванная
силами давления на боковую поверхность
ЛА;
-
продольная погонная нагрузка от сил
трения.
Нагрузка
в
случае конического тела определяется
по формуле:

Коэффициент
определяется по формуле:

где
и
- радиусы оснований конического участка,
а
- текущий радиус.
В
точке 0 продольная погонная нагрузка,
вызванная силами трения на боковую
поверхность
.
В сечении шпангоута № 1, изображенного на рисунке 1.4, погонная нагрузка, вызванная силами трения на боковую поверхность будет равна:

Рисунок 1.4 – Участок 0-1

В сечениях шпангоутов № 5 и №7, изображенных на рисунке 1.5, погонная нагрузка, вызванная силами трения на боковую поверхность будет равна:

Рисунок 1.5 – Участок 5-7


Погонная
нагрузка
,
вызванная поверхностным трением,
определяется по формуле:

где F – половина площади продольного сечения летательного аппарата;
-
текущий радиус .


где
– длина участка 0-1,
– длина
участка 1-5,
– длина
участка 5-7,
– длина
участка 7-12.
Тогда
на участке 1-5 будет равна

На участке 7-12:

Складывая
значения
и
,
получим полную погонную аэродинамическую
нагрузку на корпус летательного аппарата.
Эпюры
погонных нагрузок
,
,
а также результат их суммирования
представлены на рисунке 1.6.

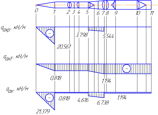
Рисунок 1.6 – Эпюры погонных нагрузок
Продольная
аэродинамическая сила
представлена
на рисунке 1.7.
Величина силы, обусловленной массой конструкции отсеченной части, определяется по формуле :

где
- масса i-го
сосредоточенного груза;
-
погонная масса конструкции,
м/с2
– ускорение свободного падения.
Формулу также можно представить в виде:

где
-
погонная массовая сила со стороны
оболочки на корпус ЛА,
;
-
усилия взаимодействия между массой
и
и корпусом ЛА:
.
Таким
образом, величина
может быть получена суммированием эпюр
и
,
представленных на рисунке. Эпюра
представлена на рисунке 1.7.
Величина силы, обусловленной давлением наддува в баках, определяется по формуле:
,
где
- дополнительная осевая сила от давления
наддува. Для цилиндрических баков
;