Материал: Патан Серов учебник

Внимание! Если размещение файла нарушает Ваши авторские права, то обязательно сообщите нам

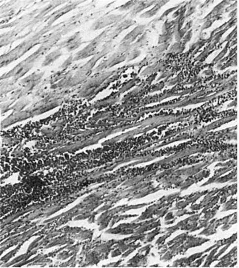
Рис. 160. Инфаркт миокарда. Участок некроза (вверху) отграничен от сохранившегося миокарда (внизу) зоной демаркационного воспаления

ского ряда. Макрофаги принимают участие в резорбции некротических масс, в их цитоплазме появляются липиды, продукты тканевого детрита. Фибробласты, обладая высокой ферментативной активностью, участвуют в фибриллогенезе. Организация инфаркта происходит как из зоны демаркации, так и из «островков» сохранившейся ткани в зоне некроза. Этот процесс продолжается 7-8 нед, однако эти сроки подвержены колебаниям в зависимости от размеров инфаркта и реактивности организма больного. Новообразованная соединительная ткань вначале рыхлая, типа грануляционной, затем созревает в грубоволокнистую рубцовую, в которой вокруг сохранившихся сосудов видны островки гипертрофированных мышечных волокон. В полости перикарда в исходе фибринозного перикардита появляются спайки. В них нередко образуются сосуды, анастомозирующие с внесердечными коллатералями, что способствует улучшению кровоснабжения миокарда. Таким образом, при организации инфаркта на его месте образуется плотный рубец. В таких случаях говорят опостинфарктном крупноочаговом кардиосклерозе. Сохранившийся миокард, особенно по периферии рубца, подвергается регенерационной гипертрофии.

Осложнениями инфаркта являются кардиогенный шок, фибрилляция желудочков, асистолия, острая сердечная недостаточность, миомаляция, острая аневризма и разрыв сердца,

376

пристеночный тромбоз, перикардит. Миомаляция, или расплавление некротизированного миокарда, возникает в случаях преобладания процессов аутолиза мертвой ткани. Миомаляция ведет к разрыву сердца (рис. 161) и кровоизлиянию в полость сердечной сорочки (гемоперикард и тампонада его полости) (рис. 162).

Острая аневризма сердца, т.е. выбухание некротизированной стенки его (рис. 158, см. на цветн. вкл.), образуется при обширных инфарктах. Полость аневризмы обычно тромбируется, в ее стенке появляются надрывы эндокарда, кровь проникает в эти надрывы, отслаивает эндокард и разрушает некротизированный миокард. Возникают разрыв сердца и гемоперикард.

Пристеночные тромбы образуются при субэндокардиальном и трансмуральном инфарктах, с ними

связана опасность тромбоэмболи-

377

378

Рис.

162. Тампонада полости перикарда при разрыве сердца на почве инфаркта. Полость сердечной сорочки заполнена кровью

ческих осложнений. Перикардит, обычно фибринозный, нередко находят при субэпикардиальном и трансмуральном инфарктах.

Смерть при инфаркте миокарда может быть связана как с самим инфарктом миокарда, так и с его осложнениями. Непосредственной причиной смерти в ранний период инфаркта становятся фибрилляция желудочков, асистолия, кардиогенный шок, острая сердечная недостаточность. Смертельными осложениями инфаркта миокарда в более поздний период являются разрыв сердца или его острой аневризмыс кровоизлиянием в полость перикарда, а также тромбоэмболии (например, сосудов головного мозга) из полостей сердца, когда источником тромбоэмболии становятся тромбы на эндокарде в области инфаркта, в острой аневризме, в ушках сердца.

379

Кардиосклероз

Кардиосклероз как проявление хронической ишемической болезни может быть атеросклеротическим диффузным мелкоочаговым либо постинфарктным крупноочаговым, на основе которого образуется хроническая аневризма сердца (постинфарктные изменения).

Хроническая аневризма сердца (рис. 163) образуется обычно в исходе трансмурального обширного инфаркта, когда рубцовая соединительная ткань, заместившая инфаркт, становится стенкой сердца. Она истончается и под давлением крови выбухает - образуется аневризматический мешок, заполненный слоистыми тромботическими массами. С хронической

Рис.

163. Хроническая аневризма сердца

аневризмой связаны развитие хронической сердечной недостаточности (в сердце постоянно находится «остаточная» кровь), тромбоэмболических осложнений и разрыва стенки аневризмы с тампонадой полости перикарда. Эти осложнения являются и более частыми причинами смерти при хронической ишемической болезни сердца. Следует, однако, помнить, что больному с хронической ишемической болезнью сердца постоянно грозит опасность развития повторного инфаркта со всеми возможными в таких случаях осложнениями.

Цереброваскулярные заболевания

380