Материал: Патан Серов учебник

Внимание! Если размещение файла нарушает Ваши авторские права, то обязательно сообщите нам

Смешанное воспаление. В тех случаях, когда к одному виду экссудата присоединяется другой, наблюдается смешанное воспаление. Тогда говорят о серозно-гнойном, серознофибринозном, гнойно-геморрагическом или фибринозно-геморрагическом воспалении. Чаще смена вида экссудативного воспаления наблюдается при присоединении новой инфекции, изменении реактивности организма.

Пролиферативное (продуктивное) воспаление

Пролиферативное (продуктивное) воспаление характеризуется преобладанием пролиферации клеточных и тканевых элементов. Альтеративные и экссудативные изменения отступают на второй план. В результате пролиферации клеток образуются очаговые или диффузные клеточные инфильтраты. Они могут быть полиморфно-клеточными, лимфоцитарномоноцитарными, макрофагальными, плазмоклеточными, эпителиоидноклеточными, гигантоклеточными и др.

Продуктивное воспаление встречается в любом органе, любой ткани. Выделяют следующие виды пролиферативного воспаления: 1) межуточное (интерстициальное); 2) гранулематозное; 3) воспаление с образованием полипов и остроконечных кондилом.

Межуточное (интерстициальное) воспаление. Характеризуется образованием клеточного инфильтрата в строме - миокарда (рис. 70), печени, почек, легких. Инфильтрат может быть представлен гистиоцитами, моноцитами, лимфоцитами, плазматическими клетками, лаброцитами, единичными нейтрофилами, эозинофилами. Прогрессирование межуточного воспаления приводит к развитию зрелой волокнистой соединительной ткани -

развивается склероз (см. схему XII).

186

Рис. 70. Межуточный

(интерстициальный) миокардит

Если в клеточном инфильтрате много плазматических клеток, то они могут превращаться в гомогенные шаровидные образования, которые называют гиалиповыми шарами, или фуксинофильными тельцами (тельца Русселя). Внешне органы при межуточном воспалении изменяются мало.

Гранулематозное воспаление. Характеризуется образованием гранулем (узелков), возникающих в результате пролиферации и трансформации способных к фагоцитозу клеток.

Морфогенез гранулемы складывается из 4 стадий: 1) накопление в очаге повреждения ткани юных моноцитарных фагоцитов; 2) созревание этих клеток в макрофаги и образование макрофагальной гранулемы; 3) созревание и трансформация моноцитарных фагоцитов и макрофагов в эпителиоидные клетки и образование эпителиоидной клеточной гранулемы; 4) слияние эпителиоидных клеток (или макрофагов) и образование гигантских клеток (клеток инородных тел или клеток Пирогова-Лангханса) и эпителиоидно-клеточной или гигантоклеточной гранулемы. Гигантские клетки характеризуются значительным полиморфизмом: от 2-3-ядерных до гигантских симпластов, содержащих 100 ядер и более. В гигантских клетках инородных тел ядра располагаются в цитоплазме равномерно, в клетках Пирогова-Лангханса - преимущественно по периферии. Диаметр гранулем, как правило, не превышает 1-2 мм; чаще они обнаруживаются лишь под микроскопом. Исходом гранулемы является склероз.

187

Таким образом, руководствуясь морфологическими признаками, следует различать три вида гранулем: 1) макрофагальная гранулема (простая гранулема, или фагоцитома); 2) эпителиоидно-клеточная гранулема (эпителиоидоцитома); 3) гигантоклеточная гранулема.

В зависимости от уровня метаболизма различают гранулемы с низким и высоким уровнями обмена. Гранулемы с низким уровнем обмена возникают при воздействии инертными веществами (инертные инородные тела) и состоят в основном из гигантских клеток инородных тел. Гранулемы с высоким уровнем обмена появляются при действии токсических раздражителей (микобактерии туберкулеза, лепры и др.) и представлены эпителиоидноклеточными узелками.

Этиология гранулематоза разнообразна. Различают инфекционные, неинфекционные и неустановленной природы гранулемы. Инфекционные гранулемы находят при сыпном и брюшном тифах, ревматизме, бешенстве, вирусном энцефалите, туляремии, бруцеллезе, туберкулезе, сифилисе, лепре, склероме.Неинфекционные гранулемы встречаются при пылевых болезнях (силикоз, талькоз, асбестоз, биссиноз и др.), медикаментозных воздействиях (гранулематозный гепатит, олеогранулематозная болезнь); они появляются также вокруг инородных тел. К гранулемам неустановленной природы относят гранулемы при саркоидозе, болезнях Крона и Хортона, гранулематоз Вегенера и др. Руководствуясь этиологией, в настоящее время выделяют группу гранулематозных болезней.

Патогенез гранулематоза неоднозначен. Известно, что для развития гранулемы необходимы два условия: наличие веществ, способных стиму-

лировать систему моноцитарных фагоцитов, созревание и трансформацию макрофагов, и стойкость раздражителя по отношению к фагоцитам. Эти условия неоднозначно воспринимаются иммунной системой. В одних случаях гранулема, в эпителиоидных и гигантских клетках которой резко снижена фагоцитарная активность, иначе фагоцитоз, подменяется эндоцитобиозом, становится выражением реакции гиперчувствительности замедленного типа. В этих случаях говорят об иммунной гранулеме, которая имеет обычно морфологию эпителиоидно-клеточной с гигантскими клетками Пирогова-Лангханса. В других случаях, когда фагоцитоз в клетках гранулемы относительно достаточен, говорят о неиммунной гранулеме, которая представлена обычно фагоцитомой, реже - гигантоклеточной гранулемой, состоящей из клеток инородных тел.

Гранулемы делят также на специфические и неспецифические. Специфическими называют те гранулемемы, морфология которых относительно специфична для определенного инфекционного заболевания, возбудитель которого можно найти в клетках гранулемы при гистобактериоскопическом исследовании. К специфическим гранулемам (ранее они были основой так называемого специфического воспаления) относят гранулемы при туберкулезе, сифилисе, лепре и склероме.

Туберкулезная гранулема имеет следующее строение: в центре нее расположен очаг некроза, по периферии - вал из эпителиоидных клеток и лимфоцитов с примесью макрофагов и плазматических клеток. Между эпителиоидными клетками и лимфоцитами располагаются

188

гигантские клетки Пирогова-Лангханса (рис. 71, 72), которые весьма типичны для туберкулезной гранулемы. При импрегнации солями серебра среди клеток гранулемы обнаруживается сеть аргирофильных волокон. Небольшое число кровеносных капилляров обнаруживается только в наружных зонах

бугорка. При окраске по Цилю-Нильсену в гигантских клетках выявляют микобактерии туберкулеза.

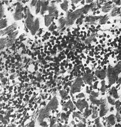
Сифилитическая гранулема (гумма) представлена обширным очагом некроза, окруженным клеточным инфильтратом из лимфоцитов, плазмоцитов и эпителиоидных клеток; гигантские клетки Пирогова-Лангханса встречаются редко (рис. 73). Для гуммы весьма характерно быстрое образование вокруг очага некроза соединительной ткани с множеством сосудов с пролиферирующим эндотелием (эндоваскулиты). Иногда в клеточном инфильтрате удается выявить методом серебрения бледную трепонему.

Лепрозная гранулема (лепрома) представлена узелком, состоящим в основном из макрофагов, а также лимфоцитов и плазматических клеток. Среди макрофагов выделяются большие с жировыми вакуолями клетки, содержащие упакованные в виде шаров микобактерии лепры. Эти клетки, весьма характерные для лепромы, называют лепрозными клетками Вирхова (рис. 74). Распадаясь, они высвобождают микобактерии, которые свободно располагаются среди клеток лепромы. Количество микобактерии в лепроме огромно. Лепромы нередко сливаются, образуя хорошо васкуляризированную лепроматозную грануляционную ткань.

Склеромная гранулема состоит из плазматических и эпителиоидных клеток, а также лимфоцитов, среди которых много гиалиновых шаров. Очень характерно появление крупных макрофагов со светлой цитоплазмой, называемых клетками Микулича. В цитоплазме выявляется возбудитель болезни - палочки Волковича-Фриша (рис. 75). Характерен также значительный склероз и гиалиноз грануляционной ткани.

189

Рис.

73. Сифилитическая гранулема (гумма)

190