Материал: Підбір реактора для конкретного хімічного процесу

Внимание! Если размещение файла нарушает Ваши авторские права, то обязательно сообщите нам

Підбір реактора для конкретного хімічного процесу

ВСТУП

Розвиток виробництва каучуку і широкого асортименту гумотехнічних виробів зажадало від промисловості у великій кількості світлих наповнювачів, необхідних для виготовлення гумових виробів різних кольорів і забарвлень. До таких наповнювачів відноситься біла сажа.

Сажа біла є гідратованим оксидом кремнію, має вигляд білого порошку або гранул. Широко застосовується в якості підсилюючого наповнювача синтетичних і полімерних матеріалів в шинній, гумотехнічній, хімічній та деяких галузях легкої промисловості. Використовується в якості активного наповнення для маси при виробництві переважно білих гумових виробів. Змінює фізико-механічні властивості і підвищує твердість отримуваних виробів. Застосовується як пігмент і активний наповнювач для маси, що надає вʼязкість. Використовується в якості наповнювача для виробництва шпаклівки, грунтовки, герметика.

Також використовується як модифікатор адгезії для поліпшення міцностей звʼязку корду і текстилю з гумою. Сажа біла підвищує теплостійкість і вогнетривкість речовин, покращує механічні характеристики гуми. За підсилювальними властивостями вона не поступається вуглецевій сажі, однак перевершує її з малостійкості та додає опір ковзанню. Також можливе застосування сажі білої як наповнювача в лакофарбовій промисловості в якості замінника цинкових білил і при виготовленні автомобільних покришок.

Білоцерківський шинний завод, що сьогодні є закритим акціонерним товариством «Росава», працює з 1972 року і активно використовує білу сажу. І з кожним роком замовленнь на цей продукт стає дедалі більше.

Для України, що має динамічно зростаючу кількість автомобільного транспорту, а звідси і підвищений попит на автомобільні шини є вкрай важливо затрачати мінімум сировини та отримувати максимум продукту на виході, в даному випадку продуктом виступає біла сажа, а також пошук альтернативних підсилюючих наповнювачів синтетичних і полімерних матеріалів в шинній, гумотехнічній, хімічній та деяких галузях легкої промисловості.

1.      ТЕХНОЛОГІЯ ПРОЦЕСУ ВИРОБНИЦТВА БІЛОЇ САЖІ

1.1    Властивості та технічні характеристики білої сажі

Біла сажа являє собою діоксид кремнію, який виходить осадженням з розчину силікату натрію - рідкого скла - кислотою, найчастіше сірчаної, з подальшою фільтрацією, промиванням і сушкою.

Хімічна формула - m SiO2 · n Н2О.

Біла сажа випускається трьох марок: А, Б і У-333. Сажа марки А дає можливість отримувати більш мʼякі гуми, що відрізняються підвищеним розривним подовженням і підвищену еластичність; гуми з сажею марки Б мають більшу міцність при розтягуванні, ніж гуми з білої сажі марки А, але вони менш еластичні. У-333 є найбільш активним наповнювачем у сумішах з силоксановим каучуком СК, застосовується для створення більш вʼязкої маси [1].

Біла сажа надає продукту низьку відносну щільність, що, у свою чергу, допомагає знизити їх питому вартість. Однак такі наповнювачі дуже дорогі, і тому часто замінюються силікатом алюмінію або кальцію, які роблять меншою підсилюючу дію. Поряд з діоксидом кремнію і силікатами також застосовують білу глину, крейду або осаджений карбонат кальцію. Осаджений карбонат кальцію - це напівпідсилюючий наповнювач, що надає кращу оброблюваність сумішам мікропористих матеріалів. Біла глина та крейда зазвичай використовуються як наповнювачі для зниження вартості (здешевлюють добавки), але вони роблять продукт важчим за рахунок своєї більш високої відносної щільності і високої обʼємної щільності [2].

Біла сажа є основою для отримання великої кількості наповнювачів для полімерних композиційних матеріалів, які є продуктами модифікації білої сажі органічними модифікаторами, найчастіше полімерним воском. Залежно від призначення і показників якості, відповідно до Держстандарту 18307-78, біла сажа повинна випускатися чотирьох марок: БС-30, БС-50, БС-100 і БС-120.

Середній розмір часток білої сажі:

Ø  для марки БС-30 становить 60-108 нм;

Ø  для марки БС-50 становить 50-77 нм;

Ø  для марки БС-100 становить 23-34 нм;

Ø  для марки БС-120 становить 19-27 нм.

Залежно від способу отримання та обробки продукт містить більше або менше звʼязаної води, причому змінюється і форма звʼязку води з SiO2 - від міцної хімічної та координаційної до слабкої адсорбційної.

Білу сажу отримують двома основними методами: рідкофазним і газофазним.

Рідкофазний метод полягає в осадженні аморфної кремнекислоти з розчинів силікату натрію кислими реагентами - соляною кислотою, вуглекислотою та іншими при 70-90 °С зазвичай у присутності солей металів II або III групи. Отриманий продукт фільтрують, промивають і сушать. Залежно від умов осадження і природи коагулянтів біла сажа виходить кислою, нейтральною або лужною. Сухий продукт піддають розмелюванню. Ступінь дисперсності і пористості частинок білої сажі залежить від природи агента розкладання - речовини, що розкладає силікат, і коагулянту, умов осадження, фільтрування та сушіння. При двох останніх операціях можливо агрегування частинок внаслідок подальшої конденсації полікремніевих кислот. Тому умови фільтрації та сушіння ретельно регламентуються.

Газофазний метод отримання білої сажі типу аеросил полягає в гідролізі чотирихлористого або чотирифтористого кремнію водяною парою - точніше гримучою сумішею при 1000-1100 °С. Виходить малогідратірованний і дуже чистий продукт високої дисперсності і незначної пористості. Однак цей спосіб відрізняється великими витратами енергії, високою вартістю сировини і утворенням великої кількості побічного продукту НСl, який необхідно раціонально використовувати. Різновидом методу є гідроліз чотирихлористого кремнію парами води при невисоких температурах - аерогельний спосіб.

Крім отримання білої сажі рідкофазним і газофазним методами розроблено метод отримання так званих силікатних і силікатномасляних каучуків шляхом холодного осадження двоокису кремнію при коагуляції каучуку [6].

Основними недоліками білої сажі, що обмежують її застосування в гумовій промисловості, є: велика, ніж у вуглецевої сажі (240-242 кг/м3) щільність і гірша змочуваність каучуками. Для поліпшення змочуваності вуглеводнями, канчуками, сажу піддають карбофілізації (гідрофобізації) - обробці поверхнево-активними речовинами, які адсорбуються полярними групами на поверхні кремнезему. У якості поверхнево-активних речовин використовуються спирти, аліфатичні або циклоаліфатичний аміни, що містять більше шести атомів вуглецю, кремнійорганічні сполуки, наприклад, силіконове масло [1].

Дана хімічна продукція супроводжується паспортом якості із зазначенням основних технічних характеристик конкретної партії відповідно до вимог ГОСТ. Біла сажа має всі необхідні сертифікати та санітарно-гігієнічні висновки.

1.2    Опис процесу виробництва білої сажі

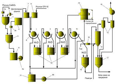
Технологія виробництва білої сажі включає кілька основних стадій (Рисунок 1.3):                                                                    

1.      приготування водних розчинів силікату кальцію

(CaО · тSiO2);

.        отримання суспензії напівпродукту - суспензія силікату кальцію

(СаО · тSiO2 · пН2О);

.        отримання суспензії білої сажі за рівнянням

СаО · тSiO2 · пН2О + 2НС1 = тSiО2 · пН2О + СаС12 + Н2О;

4.      фільтрація і відмивання осаду білої сажі від іонів кальцію, натрію, хлору;

5.      висушування білої сажі.

Суспензію силікату кальцію отримують у реакторі 1, у який через ротаметр надходить відфільтрований розчин силікату кальцію з густиною 1,1±0,01 г/см3 і вмістом 3,4 ± 0,2 % CaO за температури не нижчої за 50 °С. Через другий ротаметр 2б в реактор надходить відфільтрована дистилерна рідина із содового виробництва, яку заздалегідь розводять дистильованою водою до концентрації 3…5 % СаС12. Для поліпшення фільтраційних властивостей суспензії, що має утворитися, рідина минає установку омагнічування.

Рисунок 1.3 - Технологічна схема виробництва білої сажі:

1 - реактор для осадження силікату кальцію; 2 - ротаметри; 3 - реактор для осадження білої сажі; 4 - напірний бак для хлороводневої кислоти; 5 - збирач; 6 - насоси; 7 - напірний бак для суспензії білої сажі; 8 - вакуум-фільтр; 9 - напірний бак для водних розчинів ОП-10; 10 - репульпатори; 11 - збирач промивних вод; 12 - фільтр; 13 - репульпатор пасти білої сажі; 14 - розпилювальна сушарка; 15 - циклони; 16 - піч; 17 - бункер готової продукції; 18 - вентилятор

Отримана у реакторі суспензія силікату кальцію прямує самоплином у реактор розкладання 3. Одночасно з напірного бака 4 в реактор 3 подають розведену дистильованою водою до концентрації 15 ± 2 % хлороводневу кислоту. Значення рН процесу осадження в реакторі підтримують в діапазоні 4,0…6,0. Утворену суспензію білої сажі спрямовують у збирач 5, звідки насосами 6 перекачують у напірний бак 7, а далі вона надходить на фільтрацію в корито вакуум-фільтра 8 першого ступеня фільтрації (І). Для інтенсифікації процесу фільтрації в корито першого за ходом фільтра зі напірного бака 9 подають підігрітий до 70 °С розчин поверхнево-активної речовини ОП-10.

Утворену пасту білої сажі з поверхні барабана зрізують ножем і спрямовують у репульпатор 10, який заливають дистильованою водою або конденсатом. Після репульпатора суспензію передають на другий барабанний вакуум-фільтр (II) і т. д. - таким чином, вузол барабанних вакуум-фільтрів (І-IV) забезпечує промивання пасти діоксиду силіцію від хлориду кальцію та інших водорозчинних домішок.

Після вакуум-фільтрів пасту білої сажі спрямовують на висушування, промивні води з усіх вакуум-фільтрів - у збирач 11 і звідти - на фільтр 12, а відфільтровані води перемішують із дистилерною рідиною або використовують для осадження силікату кальцію.

Отриману на виході вузла барабанного вакуум-фільтра (IV) пасту білої сажі спрямовують у репульпатор 13, де її змішують із дистильованою водою або конденсатом. Отриману суміш подають у розпилювальну сушарку 14 з температурою 250 °С, де вона сушиться топковими газами з печі 16.

Для зниження температури газів із топки (1100 °С) їх розводять повітрям. Висушену білу сажу збирають в конічній частині сушарки 14, звідки вона надходить у бункер 17 для готової продукції. Маленькі частинки білої сажі з циклонів 15 також надходять у бункер 17, звідки спрямовується на пакувальний конвеєр. Повітря з апаратів 14 після проходження циклонів 15 видаляють вентилятором 18 в атмосферу [10].

1.3    Застосування, упаковка та транспортування білої сажі

Широко застосовується в якості підсилюючого наповнювача синтетичних і полімерних матеріалів в шинній, гумотехнічній, хімічній та деяких галузях легкої промисловості. Використовується в якості активного наповнення для маси при виробництві переважно білих гумових виробів. Змінює фізико-механічні властивості і підвищує твердість отримуваних виробів. Застосовується як пігмент і активний наповнювач для маси, що надає в'язкість. Використовується в якості наповнювача для виробництва шпаклівки, грунтовки, герметика.

У резинах на основі силоксанових каучуків біла сажа покращує механічні характеристики, підвищує теплостійкість і вогнестійкість. У резинах на основі хлоропренових, бутадієн-нітрильних і фторкаучуків біла сажа по підсилюючим властивостям рівноцінна вуглецевої, перевершує її за впливом на маслостійкість і теплостійкість і додає високий опір ковзанню. Білу сажу вводять разом з вуглецевою в протекторні гуми шин, що працюють у важких умовах. Введення невеликих кількостей білої сажі зменшує загальну зносостійкість протектора, збільшує опір елементів його малюнка сколювання. Біла сажа рекомендуються також як добавка в каркасні гуми для підвищення міцності звʼязку цих гум з кордом. Також можливе застосування сажі білої як наповнювача в лакофарбовій промисловості в якості замінника цинкових білил.

При застосуванні білої сажі, кількість прискорювачів і сірки повинні бути підвищені на 10-15 %, так як біла сажа адсорбує їх в значній мірі, особливо тіурам і каптакс. Суміші з білою сажею є жорсткими, тому при обробці вони схильні до підвулканізації. При введенні білої сажі в гумову суміш в невеликих кількостях (10-15%), вона значно підвищує технологічні властивості гумових сумішей, покращуючи їх каландруємність і шприцуємість, знижуючи усадку і зменшуючи прилипання гумових сумішей до валків [9].

Упаковують білу сажу в чотирьохшарові ламіновані мішки з одним шаром ламінованим поліетиленом мішкового паперу масою не більше 20 кг і мʼякі спеціалізовані контейнери разового використання типу МКР-1.0С масою до 400 кг. Зберігають у закритих складських приміщеннях. Не допускається зберігання продукту на складах із земляною підлогою на відкритих майданчиках [3].

Транспортують будь-яким видом транспорту у відповідність до правил перевезення вантажів, що діють на даному виді транспорту.

Гарантійний термін зберігання білої сажі - 6 місяців з дня виготовлення.

2.      АНАЛІЗ ХІМІЧНОГО РЕАКТОРА

2.1    Вибір об’єкта


Реактор хімічний (РХ) - (Від лат. Rе - приставка, що означає зворотну дію, і actor - приводить в дію, діючий) - промислові апарати для здійснення хімічних реакцій. Конструкція і режим роботи реактора хімічного визначаються типом реакції, фазовим станом реагентів, характером протікання процесу в часі (періодичний, безперервний, зі змінною активністю каталізатора), режимом руху реакцій середовища (періодичний, напівпроточні, з рециклом), тепловим режимом роботи (адіабатичний, ізотермічний, з теплообміном), типом теплообміну, видом теплоносія.

За типом конструкції хімічний реактор підрозділяють на ємкісні, колонні, трубчасті.

Ємнісні РХ - порожнисті апарати, часто забезпечені перемішуючим пристроєм. Перемішування газо-рідинних систем може проводитися барботуванням газоподібного реагенту. Теплообмін здійснюється через повсть РХ або шляхом часткового випаровування рідкого компонента реакцій суміші. До реакторів цього типу відносять також апарати з нерухомим чи псевдозрідженим шаром (одним або декількома) каталізатора. У багатошарових реакторах теплообмін здійснюється шляхом змішування потоків реагентів або в теплообмінних елементах апарату. У ємнісних РХ проводять безперервні, періодичні і напівперіодичні процеси.

Колонні РХ можуть бути порожнистими або заповненими каталізатором або насадкою. Для поліпшення міжфазного масообміну застосовують диспергування за допомогою розпилювачів, барботером, хутрового впливу (вібрація тарілчастої насадки, пульсація потоків фаз) або насадки, що забезпечує високошвидкісний плівковий рух фаз. РХ даного типу використовують в основному для проведення безперервних процесів у двох- або трьохфазних системах.

Трубчасті РХ застосовують часто для каталітичних реакцій з теплообміном в реакційній зоні через стінки трубок і для здійснення високотемпературних процесів газифікації. При одночасному швидкісному русі фаз у таких реакторах досягається найбільш інтенсивний міжфазний масообмін.

При розрахунку РХ визначають необхідні для досягнення заданої продуктивності і селективності процесу обсяг апарату, швидкість потоку, збільшення теплообміну, гідравлічний опір, режим роботи, конструктивні параметри (уточнюються на підставі аеродинамічних випробувань). Розрахунок виконують на основі даних з термодинаміки і кінетики реакцій, швидкості тепло- і масообміну з урахуванням структури потоків в апаратах. Найбільш повний розрахунок, що проводиться методом моделювання з використанням ЕОМ, включає визначення полів і концентрації, оптимального режиму, схеми теплообміну і циркуляції, а також, поряд з вибором способу управління, аналіз стійкості режиму.