

Мікроелектроніка – це галузь електроніки, пов'язана з розробленням, виготовленням і експлуатацією мікроелектронних виробів.
Розвиток електронної техніки у другій половині ХХ століття відбувається за такими етапами.
1. 50-ті роки ХХ ст. – етап вакуумної електроніки. Елементна база останньої – елекронно-вакуумні прилади. Відбувається мініатюризація електронних ламп і пасивних елементів, оптимізація їх характеристик і параметрів, застосовується об'ємний монтаж. Це дозволило підвищити щільність упакування до 200 елементів на 1 дм³ (0,2 елемента на 1 см³).
2. 60-ті роки ХХ ст. – етап дискретної напівпровідникової електроніки. Здобутки цього етапу відображені, зокрема, в попередніх розділах цього навчального посібника. Поява і широке впровадження транзисторів, які разом з мініатюрними пасивними елементами утворюють якісний стрибок у мініатюризації пристроїв електроніки, сприяють підвищенню надійності, економічності, зниженню габаритів і маси. Актуалізуються функціонально-вузловий метод конструювання електронної техніки: не з окремих радіодеталей, а з уніфікованих функціональних вузлів – підсилювачів, генераторів, перетворювачів, тригерів тощо. Застосовуються модулі (мікромодулі) із щільністю упакування 2 елементи на 1 см³.
3. 70-ті роки ХХ ст. – етап мікроелектроніки. Перехід до застосування інтегральних схем (ІС). «Схема» в цьому терміні набуває нового значення: це пристрій, вузол. «Інтегральна» вказує на об'єднання великої кількості електрично з'єднаних елементів у одному виробі (корпусі). В ІС зникає необхідність застосування численних паяних з'єднань, які знижують надійність; зменшуються габарити і маса, а відтак вартість електронних виробів, оскільки зменшується кількість складальних і монтажних операцій. ІС на цьому етапі містять у собі 10-40 еквівалентних елементів (біполярних транзисторів, резисторів, конденсаторів, МДН-структур тощо). Кожна інтегральна схема виконує порівняно просту закінчену функцію (підсилювач, формувач, логічний елемент, тригер, лічильник тощо) і оформляється в автономному корпусі. Подальший розвиток мікромініатюризації до 1000 елементів на кристалі.
4. 80-ті роки ХХ ст. – етап комплексної мікромініатюризації електронної техніки, етап великих інтегральних схем (ВІС) і надвеликих інтегральних схем (НВІС). ВІС порівняно з ІС малого рівня інтеграції більш надійні, дешевші, менші за габаритами. Поява мікропроцесорів дозволила замінити апаратурне (схемне) проектування електронної техніки програмуванням універсальних структур згідно з виконуваною ними функцією.
5. 90-ті роки ХХ ст. – оголошений етап так званої функціональної мікроелектроніки. Втім, на пострадянському просторі внаслідок великих політико-економічних зрушень цей етап був значною мірою провалений, хоча світова електроніка продовжувала неухильно розвиватися. Елементна база цього етапу – ІС, які функціонують на базі нових фізичних явищ і принципів (оптоелектроніка, акустоелектроніка, хемоелектроніка, магнітоелектроніка, поляроніка тощо). Особливістю елементів функціональної мікроелектроніки є застосування середовищ з розподіленими параметрами, в яких не вдається виділити окремі області, що виконують функції звичайних радіоелементів. Тому зрештою це електронні схеми, які не містять елементів і міжз’єднань у звичайному розумінні. Такі схеми можна характеризувати лише в цілому з огляду на функцію, що ними виконуються, причому вони можуть мати такі характеристики, яких не мають звичайні радіосхеми.
Мікроелектронний виріб – електронний пристрій з високим ступенем інтеграції (об'єднання) електрорадіоелементів.
Інтегральна схема (ІС) – мікроелектронний виріб, який виконує певну функцію перетворення та обробки сигналів і має високу щільність упакування електрично з'єднаних елементів (більше ніж 5 елементів на 1 см³). З точки зору виготовлення і експлуатації ІС розглядається як єдине ціле і складається з елементів та компонентів.
Елемент ІС – частина ІС, що реалізує функцію будь-якого радіоелемента (транзистор, діод, резистор, конденсатор). Він не може бути відділеним від ІС як самостійний виріб і виконаний у кристалі ІС. Наприклад, елементами ІС є біполярні транзистори і діоди у напівпровідникових мікросхемах, плівкові резистори в гібридних мікросхемах.
Компонент ІС – частина ІС, яка реалізує функцію будь-якого електрорадіоелемента. Однак компонент є самостійним виробом, що виготовляється окремо від ІС і може бути відділений від ІС. Наприклад, біполярні транзистори і діоди в гібридних ІС.
Напівпровідникова ІС – це ІС, у якої всі елементи і міжз’єднання виконані в об'ємі і на поверхні напівпровідникової пластини (рис. ).

м
Структура
напівпровідникової ІС
Дві основні технології виготовлення інтегральних схем. Різновиди гібридних інтегральних схем. Резистори. Конденсатори. Індуктивності. Діоди. Їх виготовлення.
Технології виготовлення інтегральних МДП структур. Планарно-епітаксійна та планарно-дифузійна технології. Недоліки планарно-дифузійної технології. Виготовлення біполярних та багатоемітерних транзисторів. БТ з бар'єром Шотткі.
ТЕХНОЛОГІЯ ВИГОТОВЛЕННЯ ІНТЕГРАЛЬНИХ МДН- СТРУКТУР
П
ослідовність
операцій цієї технології показана
на рис. Вирощується товстий (до 1,5 мкм)
шар окису кремнію SiO2
(а); за допомогою фотолітографії
витравляється «вікно» (б); це вікно
покривається тонким шаром SiO2
(0,2 мкм) (в); потім уся пластина
покривається шаром матеріалу затвора
(алюміній, хром, молібден) (г); за допомогою
фотолітографії залишається шар металу
тільки над тією областю, де буде затвор
(д); шляхом дифузії та іонного легування
створюються p+-
області витоку і стоку (причому електрод
затвора служить маскою) (е).
Технологія
виготовлення МОН (МДН) - структур
Планарно-дифузійна технологія виготовлення біполярних напівпровідникових інтегральних схем
На кремнієвому кристалі (рис.) створюється тонкий шар двоокису SiO2. На нього наноситься шар 1 фоторезиста. Це речовина, яка під дією опромінення стає кислотостійкою. Фоторезист опромінюється ультрафіолетовими променями через фотошаблон 3 (фотопластинка з відповідним рисунком із прозорих і непрозорих ділянок). Опромінені ділянки 5 витравлюються травником. Цей процес називається фотолітографією. На ділянках 5 утворюються вікна, через які здійснюється процес дифузії донорних атомів із нагрітого газу 6.

Планарно-дифузійна технологія має такі недоліки:
нерівномірний розподіл домішок у областях;
нерівномірний опір колектора і збільшення його значення;
відсутні чіткі межі переходів, що призводить до зменшення напруги пробою між колектором і підкладкою;
підкладка дуже впливає на електричні параметри транзистора ІС.
Натомість біполярні інтегральні транзистори, виготовлені за планарно-епітаксійною технологією, відзначаються рівномірним розподілом домішок (рис. ).
У них на p-підкладці вирощується колектор n - типу. Для зменшення опору колектора, а отже, зниження втрат потужності і ступеня впливу підкладки створюють прихований n+- шар, який має менший порівняно з епітаксійним n - шаром опір. Цей прихований шар створюється за допомогою додаткової дифузії донорних домішок у відповідні ділянки підкладки.

При виготовленні транзисторів напівпровідникових ІС, як правило, використовується кремнієва підкладка p - типу. Отже, інтегральні біполярні транзистори мають n-p-n – структуру. Завдяки застосуванню кремнію, збільшується допустима робоча температура (до 150 0C); зменшуються зворотні струми; легко можна через окиснення одержати захисний шар SiO2. n-p-n – структура поліпшує частотні властивості транзисторів, оскільки електрони мають більшу рухливість, ніж дірки. Біля колекторного переходу область колектора повинна мати знижену концентрацію донорних домішок, щоб при зростанні товщини переходу зменшувалася його бар'єрна ємність і зростала напруга пробою. Область емітера n+-типу – для зменшення опору і збільшення рівня інжекції. Для біполярних транзисторів ІС; =200; fгр=500 МГц; СКП =0,5 пФ; UKпроб ≤ 50 В; UЕпроб ≤ 8.
У інтегральних біполярних транзисторів, як правило, відсутнє джерело зміщення бази. Отже, для них режим відсічки – це активний режим при малих струмах (IK< IKmin, рис.).
Прохідні
характеристики інтегральних біполярних
транзисторів
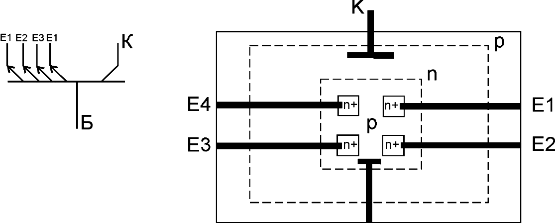
Чотирьохемітерні біполярні транзистори з об'єднаними колекторами і базами – це сукупність чотирьох незалежних транзисторних структур (оскільки взаємодія електродів через електрично нейтральну базу практично відсутня). До кожного емітера багатоемітерного транзистора E1, E2, E3, E4 (рис.) може бути ввімкнене своє джерело відпираючої напруги. До інших джерел такий імпульс напруги не потрапляє, оскільки емітерні переходи, що не працюють у цей момент, перебувають під зворотною напругою. Кількість емітерів у такому транзисторі обмежена максимально допустимою відстанню між ними l ≤ 10 мкм і становить, як правило, 4 - 8.
Окрім багатоемітерних, у напівпровідникових ІС поширені і багатоколекторні транзистори. Структура їх ідентична до багатоемітерних транзисторів, просто емітери стають колекторами, а колектор – емітером.
Супербета - транзистори
За рахунок надзвичайно тонкої бази (l = 0,2 - 0,3 мкм) коефіцієнт β цих транзисторів становить декілька тисяч. Однак напруга пробою у цих транзисторів UKпроб ≤ 1,5-2 В. При великих напругах настає пробій змикання.
Багатоемітерний
транзистор
Для підвищення швидкодії транзистора у ключовому режимі (зниження часу розсмоктування неосновних носіїв у базі) застосовується легування бази золотом, яке прискорює рекомбінацію. Але більш ефективним з цією метою є застосування транзисторів з бар'єром Шотткі, у яких колекторний перехід зашунтований діодом Шотткі (рис. ).
Діод Шотткі побудований на основі контакту «метал-напівпровідник» і має випрямні властивості. У цій конструкції діод Шотткі створюється у місці контакту металу з високоомною колекторною областю. У режимі відсічки і активному режимі потенціал колектора більший за потенціал бази (К>Б), діод Шотткі закритий, і транзистор із бар'єром Шотткі працює як звичайний біполярний транзистор. У режимі насичення К<Б діод Шотткі відкривається, основна частина базового струму протікає у колектор через відкритий діод. Тому надлишковий заряд у базі не накопичується, і через це при вимкненні транзистора (при переході з режиму насичення до режиму відсічки або активного режиму) буде відсутньою стадія розсмоктування надлишкового заряду у базі.
Транзистор
з бар'єром Шотткі