Материал: Отопление и вентиляция многоквартирного жилого дома

Внимание! Если размещение файла нарушает Ваши авторские права, то обязательно сообщите нам

Удаление воздуха из системы водяного отопления предусмотрено в верхних точках системы - ручные воздухоотводчики, установленные в верхней пробке прибора верхнего этажа.

Запорная арматура предусмотрена для отключения и спуска воды от отдельных ветвей системы отопления.

Для индивидуального автоматического регулирования запроектированы терморегуляторы. Терморегулятор состоит из регулирующего клапана и автоматической термостатической головки термоэлемента.

Рис. 3.1

Термоэлемент реагирует на отклонение температуры воздуха от заданного значения и перемещает шток клапана терморегулятора. Чувствительным элементом терморегулятора, является встроенная в него замкнутая полость (сильфон), заполненная газообразным или жидким веществом. При изменении температуры воздуха, объем вещества увеличивается или уменьшается. Сильфон, растягиваясь, либо сжимаясь, плавно перемещает регулирующий золотник клапана пропорционально изменению температуры воздуха.

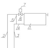
Схема присоединения теплопроводов к отопительным приборам вертикальных систем отопления показана на рисунке 3.2.

Рис. 3.2 - Схема присоединения теплопроводов к отопительным приборам вертикальных систем отопления: 1 - радиатор; 2 - подающий стояк; 3 - отводящий стояк; 4 - подводка; 5- смещенный замыкающий участок; 6 - двухходовой клапан; 6 - термостатический клапан

Система теплопотребления подсоединена к тепловым сетям по независимой (вода из тепловой сети подается в теплообменник) схеме. Пластинчатые теплообменники относятся к классу рекуперативных теплообменников и представляют собой аппараты, теплообменная поверхность которых образована набором тонких штампованных металлических пластин с гофрированной поверхностью. Пластины, собранные в единый пакет, образуют между собой каналы, по которым протекают теплоносители, обменивающиеся тепловой энергией. Каналы с теплоносителями А и В чередуются между собой.

Рис. 3.3

В тепловом пункте курсовой работы установлен прибор учета теплоты на здание в целом. Прибор учета теплоты (теплосчетчик) состоит из двух датчиков температуры и счетчика воды, которые связаны с вычислительным блоком. Диаметр теплосчётчика подбирается по расчетному расходу теплоносителя, с учетом потерь давления на приборах учета

Регулятор теплового потока (погодозависимая автоматика) состоит из двухходового клапана с электроприводом, блока автоматизации, датчика температуры охлажденной (обратной) воды, датчика температуры смешенной воды и датчика температуры наружного воздуха.

В тепловом пункте предусматрены грязевик для осаждения твердых частиц и сетчатые фильтры для задержания мелких частиц для обеспечения работоспособности и избежания повреждений автоматической запорно-регулирующей арматуры, водосчетчиков, насосов и др. оборудования. Запроектирован мембранный расширительный бак, который предназначен для принятия избыточного объема теплоносителя в системе, возникающего вследствие объемного расширения воды при повышенииее температуры.

4. Тепловой расчет

Тип отопительных приборов, устанавливаемых в отапливаемых помещениях, выбирают в зависимости от назначения помещения с учетом выполнения предъявляемых к приборам теплотехнических, экономических, санитарно-гигиенических, архитектурно-строительных и производственно-монтажных требований. Для расчета выбираем стальные панельные радиаторы «Лидея» [9] для стояка однотрубной системы водяного отопления.

Для достижения комфортной обстановки в жилых зданиях отопительные приборы принято размещать под окном у наружной стены без ниши и без подоконной доски на высоте 100 мм от пола. В лестничных клетках зданий целесообразно размещать отопительные приборы на первом этаже или в подвальной части лестниц; при этом установка приборов в тамбуре недопустима. В случае невозможности размещения всех приборов рядом с входными дверями в лестничной клетке, часть их (30-35%) переносят на площадку между 1 и 2 этажами.

Присоединение отопительных приборов к стоякам системы отопления, располагаемых, прежде всего, у наружных углов помещений и отдельно в лестничных клетках, следует предусматривать одностороннее.

У отопительных приборов устанавливают регулирующие краны, кроме приборов лестничной клетки.

Расход воды в стояке вычисляем по формуле:

 (4.1)

 Где: -коэффициент учета дополнительного теплового потока устанавливаемых отопительных приборов за счет округления сверх расчетной величины [9], =1,006.

- коэффициент учета дополнительных потерь теплоты приборами у наружных ограждений .При установке прибора у наружной стены под световым проемом [9]=1,04.

Qст- тепловая нагрузка стояка (сумма нагрузок всех отопительных приборов на стояке), Вт

для стояка 2:

Температура входящей воды в отопительный прибор:

 (4.2)

где  - суммарная тепловая нагрузка всех отопительных приборов стояка, расположенных выше рассматриваемого прибора при подаче воды по схеме "сверху-вниз”, а по схеме “снизу-вверх” - ниже рассматриваемого прибора, считая по направлению движения воды, Вт;

:

:

:

:

Средняя температура воды в отопительном приборе:

 (4.3)

гдеQпрi - тепловая нагрузка прибора, Вт

коэффициент затекания воды в прибор, который принимается из данных изготовителей термостатических клапанов 0,3.

:

:

:

:

Температурный напор:  (4.4)

:

:

:

:

Коэффициент приведения номинального теплового потока отопительного прибора к расчетным условиям:

 (4.5)

,p - эмпирические показатели, принимаемые по каталогам производителей [5, табл. 10.3, 10.4], n=0,3. р=0,02

:

:

:

:

Расчетный требуемый тепловой поток отопительного прибора:

 (4.6)

402:

:

:

:

Номинальный требуемый поток рассчитывается по формуле:

, Вт (4.7)

402:

:

:

:

где: 4 - коэффициент, учитывающий способ установки радиатора в помещениипри 4= 1,02.

По требуемой величине  подбираем по каталогу производителя [9] стальной панельный радиатор: 402 - ЛК10-505 (высота 500мм, длина 500мм), номинальный тепловой поток которого 407Вт. Стальной панельный радиатор типа 10 представляет собой однорядный без конвектора, без верхней воздуховыпускной решетки и боковых стенок (1 - одна панель, 0 - отсутствие конвектора) отопительный прибор глубиной 47 мм.; 302 - ЛК10-504 (высота 500мм, длина 400мм), номинальный тепловой поток которого 325Вт, 202 - ЛК10-505 (высота 500мм, длина 500мм), номинальный тепловой поток которого 407Вт, 102 - ЛК10-512 (высота 500мм, длина 1200мм), номинальный тепловой поток которого 976Вт.

Невязка не превышает допустимых значений (60Вт и 5%).

5. Конструирование и аэродинамический расчёт естественной канальной вытяжной системы вентиляции

В современном жилищном строительстве принята следующая cхема вентиляции квартир: отработанный воздух удаляется из зоны его наибольшего загрязнения, т.е. из кухни и санитарных помещений, посредством естественной канальной вытяжной системы вентиляции. Его замещение происходит за счет наружного воздуха, поступающего через неплотности наружных ограждений (главным образом оконного заполнения) всех помещений квартиры и нагреваемого системой отопления.

Количество удаляемого воздуха для жилых зданий принимается 3 м3/ч на 1 м2 жилой площади квартиры. Нормируемый воздухообмен для кухни с газовыми плитами в зависимости от количества комфорок плиты: с четырехкомфорочной плитой - 90м3/ч; c трехкомфорочной - 75м3/ч; двухкомфорочной - 60м3/ч; воздухообмен индивидуальной ванной составляет 25м3/ч, санузла на 1 унитаз - 25м3/ч.

Система естественной канальной вытяжной вентиляции состоит из вертикальных каналов с отверстиями, закрытыми жалюзийными решетками, сборных горизонтальных воздуховодов, вытяжной шахты. Для усиления вытяжки воздуха из помещений на шахте часто устанавливают специальную насадку - дефлектор. Вентиляционные каналы устраивают во внутренних кирпичных стенах. Минимальный размер таких каналов ½ × ½ кирпича (140х140) мм. Толщина стенок канала принимается не менее ½ кирпича. Загрязненный воздух из помещений поступает через жалюзийную решетку в канал, поднимается вверх, достигая сборных воздуховодов, и оттуда воздух выходит через вытяжную шахту в атмосферу.

Движение воздуха в каналах, воздуховодах и шахте происходит под действием естественного давления, возникающего вследствие разности удельных весов холодного наружного и теплого внутреннего воздуха в помещении:

Pе = hв · ()·g, Па (5.1)

где: hв - расстояние по вертикали от центра вытяжного отверстия (0,2-0,5 м от потолка помещения) до устья вытяжной шахты, м;- ускорение свободного падения, м/с2;

- удельный вес наружного воздуха для температуры воздуха +5оС, кг/м3;

-плотность, кг/м3, воздуха вентилируемого помещения, определяемая по формуле:

 (5.2)

Сначала определяют воздухообмены L, м3/ч для вентилируемых помещений; предварительные сечения каналов и их количество; компонуют вентиляционную систему.

Предварительные сечения каналов определяют по формуле:

 (5.3)

Где: W - скорость воздуха в канале, м/с; (0,4-0,6)м/с - для вертикальных каналов верхнего этажа

Последовательность расчета:

) Выбирают расчетную ветвь системы вентиляции через вентиляционный канал верхнего этажа как наиболее неблагоприятно расположенный по отношению к вытяжной шахте. Определяют естественное давление для расчетной ветви

) Уточняют скорость движения воздуха в канале по принятому сечению канала

W = , м/с (5.4)

3) Находят эквивалентный по трению диаметр канала для прямоугольного сечения

dЭКВ = ,мм (5.5)

где: а, b - размеры сторон прямоугольного канала, мм.

) Зная эквивалентный диаметр канала и скорость движения воздуха, определяют потери давления на трение R, Па на I погонный метр и динамическое давление hД, Па, используя номограмму для расчета круглых стальных воздуховодов

) Определяют потери давления на трение на участке:

РТ= R· l·, Па; (5.6)

где:l - длина участка, м;

- коэффициент шероховатости

)Определяют потери на трение в местных сопротивлениях, зная hД и сумму коэффициентов местных сопротивлений ,

 (5.7)

7) Находят суммарные потери давления на участке , Паи сравнивают с естественным давлением. Необходимо, чтобы выполнялось условие: (запас 10-15%). Если условие выполняется, то предварительно полученные площади сечения каналов принимаются как окончательные, если нет - площадь сечения каналов следует изменить (увеличить или уменьшить) и произвести перерасчет.

Расчёт системы вентиляции

Необходимые воздухообмены кухни LК=90м3/ч, санузла LСУ =25м3/ч, ванной LВ =25м3/ч.

Воздухообмен по величине жилой площади квартиры:жк=3·Fжк=3·(16+10,8)=80,4 м3/ч

Суммарное количество воздуха, уходящего и кухни LК, ванной LВ, санузла LСУ, должно быть не менее необходимого воздухообмена жилых комнат квартиры: LК + LВ + LСУ LЖК

+ 25 + 25=140 м3/ч> м3/ч - условие выполняется.

Предварительные сечения каналов:

Принимаем размер каналов 140х270 мм. Площадь принятого канала F=3,14х0,21х0,21/4=0,035м2

Действительная скорость в канале:=  м/с

Плотности наружного и внутреннего воздуха:в=+18оCкг/м3;н= +5оСкг/м3;

Естественное давление для каналов каждого этажа будет равно:

этаж

этаж

этаж

этаж

Расчетную ветвь системы вентиляции выбираем через канал 4 этажа, как наиболее неблагоприятно расположенного (Ре4<Ре1). Дальнейший расчет сведен в таблицу 5.1.