Материал: Отчет 2

Внимание! Если размещение файла нарушает Ваши авторские права, то обязательно сообщите нам

ФГБОУ ВО

Уфимский Государственный Авиационный Технический Университет

Кафедра АСУ

Отчет по

лабораторной работе №2

«Делитель напряжения на резисторах. Асинхронный RS-триггера на микросхемах»

по дисциплине «Физические основы элементной базы компьютерной техники»

Вариант 7

Выполнили:

ст. гр. МО-117

Ибрагимова К.Б.

Шакиров А.Р.

Проверил:

Ст. преподаватель

Казанцев А.В.

Уфа 2019

Цель работы: изучить реализацию делителя напряжения на резисторах, реализовать асинхронный RS-триггер на микросхемах К155ЛА6 и К155ЛА12.

Ход работы:

1. Изучена теоретическая часть.

2. Рассчитан делитель напряжения: входное напряжение 8 V, выходное напряжение 4,8 V.

4,8 = 8 * (R2 / (R1 + R2))

Пусть R2 = 330 Ом.

4,8 / 8 = 330 / (R1 + 330)

R1 = 330 / (4,8 / 8) – 330

R1 = 220 Ом

3. С помощью цифрового мультиметра проверено сопротивление выбранных резисторов (R1 = 221 Ом, R2 = 332 Ом).

4. Реализован делитель напряжения на дискретных элементах. Измерено фактическое выходное напряжение ( = 4,79 В). Измерена сила тока до резистора R1 и после резистора R1. Сила тока в обоих случаях была одинаковой согласно первому правилу Кирхгофа и составляла 13,6 мА.

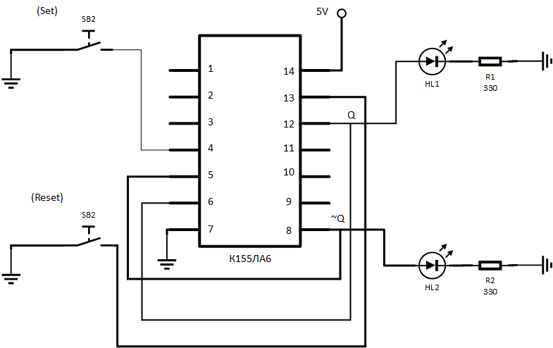
5. Реализован RS-триггер с применением микросхемы К155ЛА6 в соответствии со схемой (Рисунок 1). По заданию варианта №7 нужно было использовать контакты 4, 5, 6, 7, 8, 12, 13, 14 микросхемы.

Рисунок 1. Схема RS-триггера с диодами

Вывод: в ходе данной лабораторной работы была изучена реализация делителя напряжения на резисторах, а также были получены навыки в построении асинхронного RS-триггер на микросхеме К155ЛА6.

Ответы на контрольные вопросы:

  1. Расчет делителя напряжения предполагает, что известно, по крайней мере, три величины из приведенной выше схемы: входное напряжение и сопротивление обоих резисторов. Зная эти величины, можно рассчитать выходное напряжение. Расчет делителя основан на законе Ома.

  1. Микросхема К155ЛА6 (Рисунок 2) представляет собой два логических элемента 2И-НЕ с большим коэффициентом разветвления по выходу.

Рисунок 2. Микросхема К155ЛА6

  1. Микросхема К155ЛА12 представляет собой четыре логических элемента 4И-НЕ с открытым коллектором с высокой нагрузочной способностью, а К155ЛА6 – два логических элемента 2И-НЕ с большим коэффициентом разветвления по выходу.

  2. Номинальное напряжение питания у микросхемы К155ЛА6 составляет 5В ±5% (4,75-5,25В).

  3. Arduino – это электронный конструктор и удобная платформа быстрой разработки электронных устройств. Платформа пользуется огромной популярностью во всем мире благодаря удобству и простоте языка программирования, а также открытой архитектуре и программному коду. Устройство программируется через USB без использования программаторов.

Устройства на базе Arduino могут получать информацию об окружающей среде посредством различных датчиков, а также могут управлять различными исполнительными устройствами.