Материал: Освоение навыков синтеза линейных систем автоматического управления

Внимание! Если размещение файла нарушает Ваши авторские права, то обязательно сообщите нам

Освоение навыков синтеза линейных систем автоматического управления

Введение

Теория автоматического управления изучает вопросы линейных и нелинейных систем автоматического управления, основные методы их анализа и синтеза

Целью курсовой работы является освоение навыков синтеза линейных систем автоматического управления, наиболее широко используемых в настоящее время на практике, а также сравнения характеристик синтезированной САУ при скачке управляющего воздействия и линейном во времени изменении возмущающего воздействия.

Технические данные ДПТ НВ типа 2ПФ-200МУ4

Номинальный вращающий момент Mн = 127,5 Н·м

Номинальная частота вращения nн = 2200 об/мин

Номинальная мощность Pн = 30 кВт

Номинальный ток якоря Iн = 74 А

Номинальное напряжение Uн = 440 В

Номинальный магнитный поток возбуждения Фн = 12,5 мВб

К.П.Д. η = 90 %

Момент инерции J = 0,25 кг·м2

Часовая мощность Pч = 32 кВт

Максимальный вращающий момент Мmax = 510 Н·м

Максимальная частота вращения n’max = 2500 об/мин

Максимальная частота вращения за счёт ослабления поля n’’max = 3500 об/мин

Максимальное ускорение ε = 2040 рад/с2

Тепловая постоянная времени ТТ = 15,06 мин

Электромеханическая постоянная времени Тм = 14,06 мс

Электромагнитная постоянная времени Тэ = 21,56 мс

Число витков обмотки якоря Wя = 222

Активное сопротивление обмотки якоря Rя = 0,106 Ом

Активное сопротивление обмотки дополнительных полюсов Rд.п = 0,061 Ом

Индуктивность обмотки якоря Lя = 3,6 мГн

Число витков обмотки возбуждения Wв = 1000/550

Активное сопротивление обмотки возбуждения Rв = 46/13,1Ом

Км = 1,75 Н·м/А

Ке = 0,18 В·мин/об

Задание

. По техническим данным двигателя постоянного тока независимого возбуждения типа 2ПФ-200МУ4 выбрать комплектный реверсивный преобразователь типа БТУ3601.

. Составить силовую схему и схему замещения силовой части электропривода (ЭП).

. Приняв, что привод работает как регулируемый источник момента, дать математическое описание процессов в электрической и механической частях привода.

. На базе математического описания получить передаточные функции звеньев привода.

. Составить структурную схему привода.

. Получить передаточную функцию объекта регулирования, на основе которой построить её ЛАЧХ, желаемую ЛАЧХ замкнутой системы и получить ЛАЧХ регулятора тока (РТ).

. Определить передаточную функцию РТ, найти её параметры и составить электрическую схему регулятора.

. Используя Matlab, составить математическую модель ЭП и выполнить моделирование:

а) при скачке управляющего воздействия;

б) при линейном во времени изменении возмущающего воздействия (скорости ω).

9. Предложить способ компенсации возмущающего воздействия, проведя соответствующее моделирование.

реверсивный преобразователь двигатель электропривод

Выполнение

. По техническим данным двигателя постоянного тока независимого возбуждения типа 2ПФ-200МУ4 (Uя н = 440. В, nн = 3150 об/мин) выбрать комплектный реверсивный преобразователь типа БТУ3601.

Максимальное напряжение Ed0 =1,35Ucл == 513 В.

Напряжение управления СИФУ Uу = 10 В.


Сн = Км = 1,75 Нм/А.

Номинальная скорость вращения ротора

ωн=с-1.

Полное сопротивление горячего якоря

Я.горяч. = Ом.

Комплектный реверсивный преобразователь типа БТУ3601 40 4 7 П 04.

- номинальный выпрямленный ток, А;

- 460 В - номинальное выпрямленное напряжение, В;

- 380 В; 50 Гц - напряжение питания цепей управления;

П - диапазон регулирования скорости 1:1000;

- климатическое исполнение и категория размещения по ГОСТ 15150-69 (УХЛ4, 04).

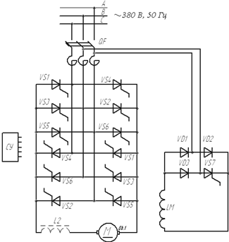
. Составить силовую схему и схему замещения силовой части электропривода (ЭП).

Рис. 3. Силовая схема ЭП

Рис. 4. Схема замещения силовой части ЭП

3. Приняв, что привод работает как регулируемый источник скорости, дать математическое описание процессов в электрической и механической частях привода.

eП =;

E = KФнω = Снωн = ;

Мн = КмIя = Сн Iя =;

КП =

Rя∑ = Rя + Rэпр.

Rэпр = 2RT + 0,955XТ = 2Rэ1.

RT = RP ≤ 0,05RЯ.гор = Ом.


где m = 6 - пульсность схемы; γ = 4° - угол коммутации.

При α = 20°: XТ = Ом;

При α = 90°: XТ = Ом.

Примем XТ = Ом.

Т = тогда

Lяц = Lя + 2LT =0,0036 + 2*0,000806 =5,212 мГн.

Rэпр = 2RT + 0,955XТ = Ом.

Rя∑ = Rя + Rэпр. = 0,5 + 0,2917= 0,7917 Ом.

Постоянная времени якорной цепи

я = с.

Механическая характеристика

β =

J=1,25JЭД = кгм2.

ТМ =


Рис. 5. Механическая характеристика

ω,1/с

M, Нм

274,892

0

273,6022

5

272,3124

10

271,0226

15

269,7328

20

268,443

25

267,1532

30

265,8634

35

264,5736

40

263,2838

45

261,994

50

260,7042

55

259,4144

60

258,1246

65

256,8348

70

255,545

75

254,2552

80

252,9655

85

251,6757

90

250,3859

95

249,0961

100


. На базе математического описания получить передаточные функции звеньев привода.

max =2,5Iян =

КОТ =

UЗТ.max = 10 В.

еП(p) - CHω(p) = Rяцiя(p) + Lяцiя(p)p.

;

КОС =

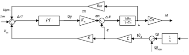
5. Составить структурную схему привода с регуляторами тока (РТ)

Рис. 6. Структурная схема ЭП

. Получить передаточную функцию объекта регулирования, на основе которой построить её ЛАЧХ, желаемую ЛАЧХ замкнутой системы и получить ЛАЧХ регулятора тока (РТ).

Рис. 7 ЛАЧХ объекта регулирования, желаемая ЛАЧХ замкнутой системы

Рис. 8 ЛАЧХ регулятора тока

7. Определить передаточную функцию РТ, найти её параметры и составить электрическую схему регулятора.

Передаточная функция регулятора тока имеет вид ПИ-регулятора

РТ(p) = KРТ + αМТ = 2.Тμ = 0,005 с.

Тит =

КРТ =

WРТ(p) = 0,22 + .

Выбор параметров:

Сос = 2 мкФ;

Rос =кОм.

Rвх = кОм.

Рис. 7. Электрическая схема ПИ-регулятора

Выбор элементов схем РТ :

Операционные усилители: К153УД1; Uил = 15 В; Кр = 15000; f1 = 1 МГц.

Конденсатор: К10-50; Сос = 2 мкФ; Uн = 10 В.

Стабилитроны: V1 и V2: КС210Ц; rcт = 200 Ом; Pmax = 150 мВт; Ucт.min = 2,5 В; Uст.max = 10,5 В. Резисторы: тип МЛТ

Для РТ: Rос = 15 кОм; Rвх = 68,4 кОм; PH = 0,125 Вт.

. Используя Matlab, составить математическую модель ЭП и выполнить моделирование:

Напряжение задающего тока равно UЗТ = 10 В. Напряжение ограничителя РТ меняется в пределах ±10 В, а ограничителя, стоящего после ТП, в пределах 513*cos20 = ±482 В.

а) при скачке управляющего воздействия;

Рис. 9. Структурная схема ЭП при управляющем воздействии

Рис. 10. График M(t) i(t) скачке управляющего воздействия UЗТ = 10 В, для случая ωф=0

б) при линейном во времени изменении возмущающего воздействия (скорости ω).

Рис. 11. Структурная схема ЭП при линейном во времени изменении возмущающего воздействия (скорости ω) без положительной обратной связи по ЭДС

Рис. 12. График M(t), iя(t), ωф (t) при линейном во времени изменении скорости для случая ωнач =50 1/с ; ε=10000 1/с2 ;

Рис. 13. График M(t), iя(t), ωф (t) при линейном во времени изменении скорости для случая ωнач =50 1/с ; ε = -1000 1/с2

9. Предложить способ компенсации возмущающего воздействия, проведя соответствующее моделирование.

Рис. 14. Структурная схема ЭП при линейном во времени изменении возмущающего воздействия (скорости ω) с коррекцией по ЭДС

Рис. 15. График M(t), iя(t), ωф (t) при линейном во времени изменении скорости с коррекцией по ЭДС, для случая ωнач =50 1/с ; ε=10000 1/с2 ;

Рис. 16. График M(t), iя(t), ωф (t) при линейном во времени изменении скорости с коррекцией по ЭДС, для случая ωнач =50 1/с ; ε = -1000 1/с2

Заключение

При сравнении ЭП при различных возмущающих воздействиях сделаны следующие выводы:

При скачке возмущающего воздействия в ЭП переходный процесс тока якоря и момента происходит в течение 0.03с.

При линейном во времени изменении возмущающего воздействия (скорости ω), происходит увеличение тока якоря и момента во время увеличения скорости ωФ и уменьшение тока якоря и момента во время уменьшения скорости ωФ

При помощи введения коррекции по возмущающему воздействию (скорости ω) через звено Wk(p)=1/(PT) и усилитель 1/K добились снижения ошибки от действия этого воздействия.

Литература

1.      Суровцев В. Н., Донской Н. В.. Теория автоматического управления: учебное пособие. Чебоксары: Изд-во Чуваш. Ун-та, 2005.

.        Резисторы: Справочник/ В. В. Дубровский и др.; Под ред. Четверткова И. И. и В. М. Терехова. - 2-е изд., перераб. И доп.. - М.: Радио и связь, 1991. - 528 с.: ил.

.        Справочник по электрическим конденсаторам/ М. Н. Дьяконов и др.; Под общ. Ред. И. И. Четверткова и В. Ф. Смирнова. - М.: Радио и связь, 1983. - 576 с.: ил.

.        Диоды: Справочник/ О. П. Григорьев и др.; - Радио и связь, 1990. - 336 с.: ил.

.        Остапенко Г. С./ Усилительные устройства: Учеб. Пособия для ВУЗов. - М.: Радио и связь, 1989. - 400 с.: ил.