Материал: Особенности обращения с радиоактивными отходами

Внимание! Если размещение файла нарушает Ваши авторские права, то обязательно сообщите нам

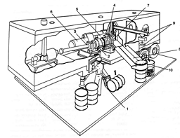
Рисунок 3.1 - Схема установки цементирования жидких радиоактивных отходов


Оптимальное соотношение между отходами и цементом 1:0,67 ч 0,7. Цемент из бункера 3 через дозатор 2 и циклоны 4 устройством подачи 1 доставляется в бетономешалку 6. Туда же из емкости исходных вод 7 c помощью насоса 8 подаются жидкие отходы в дозировочную емкость 5. В результате заливки цемента образуется блок монолита 9, пригодный для захоронения.

.2.3 Прессование

Прессование - используется для уменьшения объема прессуемых ТРО (теплоизоляция, отработанные фильтры газоочистки, смешанные отходы и др.). Прессование обычно происходит в 100 или 200 литровых бочках.

Установки прессования различаются по давлению, которое пресс они может развивать при прессовании отходов. Прессы низкого давления обычно развивают усилие до 10 МН. Большинство используемых прессов обеспечивает уменьшение объема в 3-5 раз.

Прессы высокого давления, также называемые "суперкомпакторы" или "суперпрессы", получили в последнее время значительное развитие. После обработки высоким давлением из первичных контейнеров с отходами получаются т.н. блины или таблетки, которые помещают затем в другие контейнеры. Контейнеры, подвергаемые сжатию, обычно цилиндрической формы. В таких прессах используется давление 10 МН или выше, позволяющее достигнуть уменьшения объема в 10-15 раз.

Прессованию под низким давлением подлежат низкоактивные негорючие твердые отходы типа пластмассы, бумаги, резины и ткани (горючие низкоактивные отходы, которые в существующих условиях нельзя подвергать сжиганию, также подлежат прессованию). Коэффициент сокращения объема в результате прессования не превышает 10 крат и зависит от состава ТРО: максимальный коэффициент у металлических отходов (8-10), наименьший - у резины и полимеров (2-3).

В настоящее время используются следующие установки прессования:

Прессы, в которых сжимание отходов происходит без использования контейнеров (производство тюков);

Прессы, в которых сжимание отходов происходит внутри стальных бочек;

Прессы, в которых сжимание отходов происходит внутри ящиков;

Прессование неприемлемо к материалам, содержащим взрывчатые и пирофорные вещества, и технически трудно осуществимо для арматуры, крупногабаритных деталей и оборудования. Прессование сопровождается образованием запыленных воздушных потоков, поэтому оборудование следует размещать в изолированных герметичных помещениях с отсосом воздуха и его очисткой перед выбросом в атмосферу.

Для обеспечения изоляции радионуклидов при захоронении спрессованные брикеты заливают цементом в бочках или в хранилище. Одним из методов уплотнения кусков оболочек ТВС является прессование в брикеты с последующей заливкой оставшихся пустот сплавами на основе свинца, олова и сурьмы с присадками других металлов и заключением образующегося продукта в контейнеры для хранения (Бельгия, ФРГ). Другой метод представляет собой включение кусков оболочек в бетон после их уплотнения с помощью специальной прокатной машины (ФРГ). Возможно также включение твердых отходов в матрицу из 80% графита и 20% серы с прессованием и нагреванием до 150°С (ФРГ), включение в расплав стекла (Франция, США), а также смешение измельченных оболочек с порошком алюминия, прессование и спекание при 450°С (ФРГ) или с порошком Аl2O3 с последующим прессованием и спеканием при 1200°С (Франция).

Первые установки прессования ТРО были созданы в 60-х годах. Широкое распространение получило прессование ТРО в кипы с постоянной площадью сечения и толщиной, определяемой количеством отходов и их физическими свойствами.

В Англии для прессования в кипы и непосредственного обжатия использовали установки с плунжером, приводимым в действие сжатым воздухом, с усилием 8,5 и 10 МН. При прессовании в кипы объем сокращался в 2,5 раза, при обжатии - в 5 раз. Очистка воздуха осуществлялась на стекловолокнистых и стеклобумажных фильтрах в три стадии. Эффективность очистки воздуха 99,995%.

В США выпускаются восемь типов конструкции прессов, которые предназначены для обработки РАО. В конце 70-х годов в Маундской лаборатории установлен пресс, уплотняющий ТРО в 208-ми литровые бочки. В национальной научной лаборатории в Айдахо и на заводе в Роки-Флетс ТРО прессуют в тюки, причем в Роки-Флетс отходы перед прессованием измельчают до 5 мм и помещают в фиберглассовые упаковки.

В Голландии разработан и эксплуатируется пресс усилием 1,8 МН. С его помощью достигается уменьшение объема ТРО в 6¸10 раз.

В последнее время в мировой практике стали применять для прессования отходов компакторы и суперкомпакторы высокого давления. Мобильный компактор фирмы "Вестингауз" (США) с горизонтальным усилием прессования 10 МН прессует отходы вместе 9 барабанами объемом 200 л до плотности получаемого брикета 1000 кг/м3. Прессование происходит в гильзе. Брикеты помещают в бочки и цементируют. Пресс транспортабелен.

Пресс "Радон" развивает усилие 4,9 МН и позволяет перерабатывать до 3 м3 отходов в чае при коэффициенте концентрирования 2¸10. Совместно с венгерскими специалистами разработана и изготовлена установка прессования ТРО 1-й и 2-й групп загрязненности в бочки объемом 200 л. Установка работает на Запорожской АЭС. Усилие прессования - 0,5 МН, уменьшение объема в результате прессования 4¸8 раз в зависимости от морфологического состава отходов.

Прессы для производства тюков

Схема установки прессования без использования контейнеров приведена на рис. 3.

Рисунок 3.2 - Схема установки прессования (производства тюков) на базе вертикального гидравлического пресса.

- защитный бокс, 2 - гидротолкатель, 3 - пресс, 4 - привод пресс формы, 5 - насосная станция, 6 - пресс-форма, 7 - контейнер.

Такой типичный пресс сжимает отходы с трех сторон, обычно в картонную коробку. Затем тюк стягивается стальной проволокой и оборачивается в пластик для предотвращения утечки радиоактивных жидкостей. Такие прессы могут производить довольно большие по объему упаковки, они довольно экономичны и легки в эксплуатации. Однако из-за отсутствия надежного контейнера в таких упаковках довольно трудно удерживать выделения и трудно обеспечить целостность упаковки.

Прессы для прессования отходов внутри стальных бочек

Прессы для прессования отходов внутри стальных бочек широко используются во всем мире, и на рынке имеется несколько недорогих прессов. Фотография типичного пресса, в котором прессование твердых отходов происходит внутри стальных 200-л бочек, приведена на рисунке 3.3.

Такие прессы обычно снабжаются системой фильтров тонкой очистки (HEPA), вытяжной системой, поддоном для сбора жидкостей, выделяющихся при прессовании, и устройства для загрузки и выгрузки стальных бочек.

Выше бочки размещается дверца для загрузки твердых отходов, которая обычно производится вручную, т.к. очень трудно организовать автоматическую подачу отходов. Из-за этого производительность таких прессов довольно низка. Необходимость проводить прессование в несколько циклов для полного наполнения бочки и учет пружинящего эффекта прессуемых отходов также влияет на производительность. Иногда приходится уменьшать силу прессования из-за возможного разрушения бочки и вышеупомянутого пружинящего эффекта.

Рисунок 3.3 - Типичный пресс для прессования отходов внутри бочек.

Прессы в которых сжимание отходов происходит внутри ящиков

Подразумеваются прессы, которые прессуют отходы внутри металлических ящиков или деревянных ящиков, облицованных изнутри металлическими листами. Вертикальные зубчатые металлические полосы используются для крепления антипружинящего устройства. На ящике укрепляется кожух для удержания эмиссий из прессуемых отходов. В некоторых прессах используются двойные гидравлические толкатели для более однородного прессования. По сравнению с бочками, в ящиках может разместиться большее количество отходов и отходов больших размеров.

К недостаткам относится более высокая стоимость оборудования и трудности с обращением с упаковками большего веса и размера по сравнению со стандартными 200-л бочками.

Прессование под высоким давлением ("суперпрессование, сверхпрессование") используется для уменьшения объема практически любых типов отходов, включая бумагу, пластмассы и ткани, обычно относящиеся к категории сжимаемых отходов, а также такие материалы, как металлы, бетонный мусор, стекло, дерево, песок и т.д., которые считаются несжимаемыми. Прессованием высоким давлением можно получить продукт с плотностью свыше 90% его теоретической плотности по материалу.

В случае прессования пористых материалов, таких как дерево, плотность продукта может превышать 100%. В зависимости от природы отходов типичные плотности находятся в диапазоне от 1000 до 3500 кг/м3.

Продукт, получающийся в результате сверхпрессования, обычно помещаются в контейнеры и заливаются бетоном. Такие упаковки обычно удовлетворяют критериям приемлемости отходов для захоронения.

В связи с высокой стоимостью прессов высокого давления, они применяются на таких ядерных установках, где образуются очень большие объемы твердых отходов и, следовательно, его применение может быть экономически оправдано.

Суперпрессы могут быть вертикальными или горизонтальными в конструктивном отношении. Дополнительно, они могут быть стационарными или мобильными. Выбор вертикальной или горизонтальной конструкции основывается на практических вопросах эксплуатации и стоимости оборудования.

Мобильные суперпрессы

Преимущество мобильных суперпрессов скрыто в их названии - мобильности. В связи с высокой производительностью таких установок (40 контейнеров в час), их использование на одном месте может быть не оправдано, и они могут арендоваться другими предприятиями в той же стране или даже в другой стране. Один из мобильных суперкомпакторов представлен на Рисунке 3.4.

Рисунок 3.4 - Мобильный суперкомпактор

- механизм загрузки, 2 - пресс-загрузочный механизм, 3 - шток загрузки/выгрузки, 4 - рукав, 5 - уплотняющий механизм, 6 - основной пресс, 7 - механизм загрузки/выгрузки, 8 - станция выгрузки, 9 - разгрузочный кран, 10 - контейнер для отходов

.2.4 Сжигание

Сжигание - используется для значительного уменьшения объема сжигаемых органических ТРО (ветошь, органические остатки, илы и др.). Большинство существующих печей также позволяют сжигать органические ЖРО. Разработано большое количество конструкций печей, температура сжигания варьируется от 800 до 17000С (плазменная технология). Плазменная технология позволяет также сжигать смешанные ТРО со значительным количеством негорючих РАО. Недостатком данного метода является необходимость тщательной очистки отходящих дымовых газов, что повышает стоимость переработки.

Сжигание - один из самых эффективных методов используемых для переработки и концентрирования твердых отходов. Применение этого метода обычно дает уменьшение объема в 10 ¸ 15 раз. Но при этом процессе происходит выделение большого количества радиоактивных газов и аэрозолей, в дополнение к остающемуся твердому пеплу. При сжигании, таким образом, необходима газоаэрозольная очистка газов. Оставшуюся радиоактивную золу цементируют или битумируют в блоки.

Химическая реакция горения представляет собой ряд элементарных процессов окислительно-восстановительного типа, в которых окислителем служит кислород воздуха, горючей массой - отходы.

В зависимости от состава отходов выбирается режим процесса для обеспечения полноты сгорания материала (исключение образования промежуточных продуктов - CH4, CO и др.) и отсутствия в газовой фазе взрывоопасных концентраций водорода. При этом тепловыделение в результате реакции окисления должно превысить отвод тепла из зоны реакции. Теплотворная способность основных компонентов отходов с учетом влажности и зольности колеблется в пределах 4000¸4600 кДж/кг. В большинстве случаев температура процесса горения отходов составляет 900 ¸ 1000 °С, а в установках с плазменным нагревом достигает до 1400-1600 °С.

Наибольшее применение для сжигания твердых радиоактивных отходов нашли камерные (двух- и трехкамерные) печи. В них первая камера предназначена для сжигания или пиролитического разложения отходов, а вторая и третья камеры - для дожигания продуктов пиролитического разложения, поступающих из первой камеры. Для сжигания отходов в печах характерным является наличие нескольких температурных зон: сушки отходов, зажигания и горения, дожигания.

При сжигании отходов в камерных и барабанных печах в основном происходит верхнее зажигание в открытом факеле или от нагретых стенок камеры сжигания (при электронагреве). Конструкции печей могут быть самые разнообразные. Существуют различные конструктивные оформления самих камер сгорания и дожигания, устройств для загрузки отходов и выгрузки золы. Для поддержания устойчивого горения преимущественно используют газообразное топливо, реже - жидкое, иногда системы электронагрева.

В последнее время значительно возрос интерес к системам с плазменным нагревом. Использование плазмотронов или топливно-плазменных горелок позволяет существенно повысить энтальпию высокотемпературного газового потока, уменьшить объем отходящих газов и легко варьировать окислительно-восстановительные условия процесса путем подбора соответствующего плазмообразующего газа. Использование топливно-плазменных горелок позволяет достичь более равномерного распределения температур по высоте и сечению факела, по сравнению с чисто топливным или плазменным нагревом.

В процессе сжигания достигается существенное сокращение объема отходов и возможность более надежного хранения концентратов (золы) после включения в химически инертную форму (цемент, битум, стекло). Процесс сжигания ТРО позволяет сократить их объем в 20 ¸ 100 раз, а массу в 10 ¸ 20 раз. Такое большое сокращение объемов отходов позволяет экономить объемы дорогостоящих хранилищ. Кроме того, термическая переработка переводит отходы в негорючее состояние, что повышает уровень их безопасного хранения и захоронения.

При сжигании ТРО должны быть предусмотрены технические средства:

очистки газов, образующихся при сжигании ТРО, от радиоактивного загрязнения и химически вредных веществ до уровней, определяемых Нормами радиационной безопасности и правилами в области использования атомной энергии;

контроля параметров процесса сжигания, в том числе: температуры и давления (разрежения) в печи сжигания, содержания взрывоопасных компонентов радионуклидного состава выбрасываемых газов;

автоматического и (или) дистанционного управления процессом сжигания;

дезактивации оборудования и помещений;

пожароизвещения и пожаротушения.

Направляемые на сжигание ТРО должны проходить входной контроль. Не подлежат сжиганию ТРО, содержащие взрывоопасные вещества. В сжигаемых ТРО должно быть ограничено содержание поливинилхлорида и других материалов, в результате сжигания которых образуются агрессивные и токсичные вещества в количестве, превышающем пределы, установленные нормативными документами. Содержание радионуклидов С(14), I(129) и Н(3) в сжигаемых ТРО не должно приводить к превышению допустимого выброса радиоактивных веществ из печи сжигания в атмосферу. Сжигание ТРО совместно с нерадиоактивными отходами не допускается.

В НПО "Радон" (РФ) с 1982 г. эксплуатируется двухкамерная печь "Факел" (Рис. 1) по сжиганию ТРО исследовательских центров. Установка состоит из двухкамерной керамической печи и системы сухой газоочистки. В первой зоне происходит сушка и частичная газификация отходов, во второй - горение на колосниковой решетке, через которую подается основное количество воздуха, необходимого для сжигания. Система газоочистки состоит из воздушного высокотемпературного теплообменника, металлотканевого фильтра, теплообменника - конденсатора и фильтра тонкой очистки на основе ультратонкого стекловолокна.