Материал: Особенности конструирования печатной платы

Внимание! Если размещение файла нарушает Ваши авторские права, то обязательно сообщите нам

Согласно ТЗ подберем конденсаторы соответствующей емкости, рабочего напряжения, материала.

Конденсаторы имеют одинаковые геометрические размеры. Их основные характеристики:

Тип конденсатора - К10-73

Материал - керамический

Типоразмер - 805

Номинальное напряжение 160В

Масса 0,5г

Геометрические размеры данных конденсаторов С2-С5, С7, С10, С14, С17, С19 (рис. 1.1.1.) представлены на рисунке 2.1.3:

Рис. 2.1.3.

Внешний вид конденсаторов

Определим установочную площадь конденсаторов:уст= 4,5*6*2 =54mm2

Конденсаторы С8, С9, С10, С11, С12, С13, С15, С16, С18, С20 (рис. 1.1.1.) оксидные и устанавливаются в соответствии с рисунком 2.1.5.

Рис. 2.1.5.

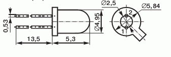
Полевой транзистор VT1-VT5, VT7-VT12 (рис. 1.1.1.) типа IRLR2905 (транзистор VT6 устанавливается и занимает площадь также как и транзисторы VT1-VT5, VT7-VT12), устанавливают в соответствии с рисунком 2.1.6.

Рис. 2.1.6.

Определим установочную площадь этого транзистора:

Sуст= 22*10*1 =220mm2          

Транзисторы VT1-VT12 так же соответствует техническому заданию.

Светодиоды HL1, HL2 (рис. 1.1.1.) соответствует рис. 2.1.7.

Рис. 2.1.7.

Определим установочную площадь этого светодиодауст= 5.842*3.14 =18.3376 mm2

Светодиоды HL1-HL2 соответствует техническому заданию.

В выходном каскаде стоят транзисторы большой мощности, следовательно, необходимо поставить радиаторы для отвода теплоты Рис. 2.1.8.

Рис. 2.1.8.

Резисторы R19, R33, R32, (рис. 1.1.1.) подстрочные. Подстроечный резистор - это миниатюрная версия стандартного переменного резистора. Они разработаны для установки непосредственно на печатную плату и регулируются только при настройке схемы. Для управления подстроечным резистором нужна маленькая отвёртка или что-то другое, похожее на неё.

Рис. 2.1.9.

Определим установочную площадь этого подстроечного резисторауст= 12*10 =120 mm2

Подстроечные резисторы R19, R33, R32, соответствует техническому заданию.

Выпрямительные диоды КД258А VD1-VD9 (рис. 1.1.1.) выполнены в стеклянном каплевидном корпусе КД-29А с жесткими выводами. На корпус прибора кроме кольцевой метки черного цвета, обозначающей вывод катода, наносят три группы цифр: год, месяц выпуска и укороченная маркировка без букв «КД» Рис. 2.1.10.

Рис. 2.1.10.

Определим установочную площадь этого диодауст=4.2*3.7=15,54 mm2

Выпрямительные диоды КД258А VD1-VD9 соответствует техническому заданию.

В блоке питания также применен выпрямительный мост VD10-VD13 на диодах Шоттки (Рис. 2.1.11.). Падение напряжения на этих диодах меньше, чем у сплавных и диффузионных диодов, но и у них температура корпуса в процессе работы повышается на 40…45°С.

Рис. 2.1.11.

Определим установочную площадь этого диодауст= 10*13 =130 mm2

Диоды VD10-VD13 (рис. 1.1.1.) соответствуют техническому заданию.

Конденсаторы С1, С6, С23, конденсаторы полиэтилентерефталатные металлизированыые К73-16 Рис. 2.1.12. Конденсаторы предназначены для работы в цепях постоянного, переменного и пульсирующего токов и в импульсных режимах.

Рис. 2.1.12.

Определим установочную площадь этого конденсаторауст= 30*10 =300 mm2

Конденсаторы С1, С6, С23, соответствуют техническому заданию.

Светодиод HL1, резистор R33, конденсаторы С21, С22 и силовой трансформатор вынесены за пределы печатной платы и устанавливаются на шасси прибора.

2.2 Обоснование компоновки печатной платы

 

Компоновка печатной платы - это процесс, при котором находят оптимальное размещение навесных элементов и ИМС на печатной плате. Требования компоновки: обеспечить оптимальную плотность расположения компонентов; - исключить заметные паразитные электрические взаимосвязи, влияющие на технические характеристики изделия. Компоновку можно выполнять вручную или с использованием САПР. Требования к габаритным размерам плат определяются технологией их изготовления. Размеры ПП должны быть экономически целесообразны (существенно ограничение на типоразмеры с целью стандартизации инструментов и приспособлений). Размеры ПП должны соответствовать ГОСТ 10317-72, в котором рекомендовано 74 типа плат с соотношением сторон от 1 к 1 до 2 к 1. Максимальная ширина не должна превышать 500 мм. Рекомендуемая толщина в мм: 0,8; 1; 1,5; 2; 2,5; 3. Печатную плату с установленными на ней электрорадиоэлементами называют печатным узлом.

Если ЭРЭ имеют штыревые выводы, то их устанавливают в отверстия печатной платы и запаивают. Если корпус ЭРЭ имеет планарные выводы, то их припаивают к соответствующим контактным площадкам внахлест. ЭРЭ со штыревыми выводами нужно устанавливать на плату с одной стороны (для плат с односторонней фольгой - на стороне где нет фольги). Это обеспечивает возможность использования высокопроизводительных процессов пайки, например пайку «волной». Для ЭРЭ с планарными выводами пайку «волной» применять нельзя. Поэтому их можно располагать с двух сторон печатной платы. При этом обеспечивается большая плотность монтажа, так как на одной и той же плате можно расположить большее количество элементов. При размещении ЭРЭ на печатной плате необходимо учитывать следующее:

) Полупроводниковые приборы и микросхемы не следует располагать близко к элементам, выделяющим большое количество теплоты, а также к источникам сильных магнитных полей (постоянным магнитам, трансформаторам и др.);

) Должна быть предусмотрена возможность конвекции воздуха в зоне расположения элементов, выделяющих большое количество теплоты;

) Должна быть предусмотрена возможность лёгкого доступа к элементам, которые подбирают при регулировании схемы.

Шаг установки интегральных микросхем определяется требуемой плотностью компоновки, температурными режимами работы компонентов на плате, методом разработки топологии ПП (ручная, машинная), типом корпуса и сложностью электрической схемы. Рекомендуемый шаг установки ИМС -2,5 мм. Зазоры между корпусами должны быть не менее 1,5 мм. ИМС со штырьковыми выводами располагаются с одной стороны печатной платы, так как монтаж штырьковых выводов производится в сквозные отверстия, причем концы выводов выступают на обратную сторону платы. Корпуса ИМС прочно удерживаются на плате запаянными выводами и выдерживают практически любые механические воздействия

.3 Обоснование трассировки печатной платы

 

Трассировка печатной платы - это проведение проводников, соединяющих площадки, так, чтобы они имели минимальную длину, и минимальное число переходов на другие слои с целью устранения пересечений.

Диаметр отверстий в печатной плате должен быть большего диаметра вставляемого в него вывода, что обеспечит возможность свободной установки электрорадиоэлемента. При диаметре вывода до 0,8 мм диаметр неметаллизированного отверстия делают на 0,2 мм больше диаметра вывода; при диаметре вывода более 0,8 мм - на 0,3 мм больше.

Чтобы обеспечить надёжное соединение металлизированного отверстия с печатным проводником, вокруг отверстия делают контактную площадку. Контактные площадки отверстий рекомендуется делать в форме кольца.

Диаметры металлизированных отверстий вычисляем по формулеотв 1= d1+2* mпок+2*К, dотв 1=0,6+2*0,05+2*0,2=1,1 ммотв 2=0,6+0,5=1,1 мм; dотв 3=0,56+0,5=1,06 ммотв 4=0,55+0,5=1,05 мм; dотв 5 =0,55+0,5=1,05 мм; dотв 6=0,6+0,5=1,1 мм.

Определяем параметры контактных площадок вокруг металлизированных отверстий. Контактные площадки выполняются в виде контактного кольца с обеих сторон платы. Необходимая радиальная величина В=0,55 мм, технологический коэффициент на ошибку С=0,1, тогда dкп1= dотв 1+2*В+Скп1=1,1+1,2=2,3 мм; dкп2=1,1+1,2=2,3 ммкп3=1,6+1,2=2,26 мм; dкп4=1,05+1,2=2,25 ммкп5=1,05+1,2=2,25 мм; dкп6=1,1+1,2=2,3 мм

Печатные проводники рекомендуется выполнять прямоугольной конфигурации, располагая их параллельно линиям координатной сетки.

Проводники на всём их протяжении должны иметь одинаковую ширину. Если один или несколько проводников проходят через узкое место, ширина проводников может быть уменьшена. При этом длина участка, на котором уменьшена ширина, должна быть минимальной.

Следует иметь в виду, что узкие проводники (шириной 0,3 - 0,4 мм) могут отслаиваться от изоляционного основания при незначительных нагрузках. Если такие проводники имеют большую длину, то следует увеличивать прочность сцепления проводника с основанием, располагая через каждые 25 - 30 мм по длине проводника металлизированные отверстия или местные расширения типа контактной площадки с размером 1х1 мм или более. Если проводник проходит в узком месте между двумя отверстиями, то нужно прокладывать его так, чтобы он был перпендикулярен линии, соединяющей центры отверстий. При этом можно обеспечить максимальную ширину проводников и максимальное расстояние между ними. Экраны и проводники шириной более 5 мм следует выполнять с вырезами Связанно это с тем, что при нагревании плат в процессе из изоляционного основания могут выделяться газы. Если проводник или экран имеет большую ширину, то газы не находят выхода и могут вспучить фольгу Участки платы, по которым не должны проходить печатные проводники, обводят штрихпунктирной линией и соответствующие указание делают в технических требованиях. Зенковку на отверстиях графически не показывают.

Размеры на чертеже печатной платы указывают одним из следующих способов: с помощью размерных и выносных линий; нанесением координатной сетки в прямоугольной или в полярной системе координат; комбинированным способом.

2.4 Выбор типа конструкции и класса точности печатной платы

УМЗЧ будет реализовываться на двусторонней печатной плате.

В зависимости от применяемой элементной базы возможны следующие варианты расположения ЭРИ на печатной плате:

Элементы на печатную плату будут устанавливаться способом традиционного монтажа.

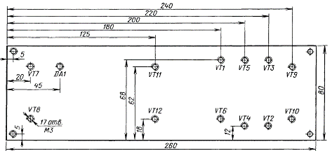
Закрепление печатной платы будет производиться в четырех точках по углам.

В соответствии с ГОСТ 23751-86 устанавливается 5 классов точности печатных плат, каждый из которых характеризуется определенными параметрами.

Проектируемая печатная плата 3 класса точности.

Определим ширину зазора между печатными проводниками:

Sp=tp=(L-Dкп)/2n+1,

Где Sp - ширина зазора, мм;

tp - ширина печатного проводника, мм;

L - расстояние между центрами монтажных отверстий, мм;

Dкп - диаметр контактной площадки, мм;

n - количество печатных проводников между 2-мя контактными площадками.

Зададим класс точности 3 (tpmin=0.25, Spmin=0.25):

Sp = tp =(2.5-2.24)/1=0.26