Материал: Основы конструирования цифрового вычислительного устройства

Внимание! Если размещение файла нарушает Ваши авторские права, то обязательно сообщите нам

 

 

 

Способ последовательного программирования

Передаточная функция корректирующего устройства:


Представим дискретную передаточную функцию системы виде:


Разделим числитель и знаменатель D(z) на z получим:


Запишем уравнение системы в операторной форме записи виде:

Gain14=0,999902 Gain20=1,00947432

Gain15=0,96721311 Gain21=1,00947432=0,9834711074 Gain22=1,00947432

Gain17=0,99750312=0,9999=1,00947432

Уравнение состояния системы имеет вид:

 

Y[kT]=1.959x1[kT]+2.007x2[kT]+1.0094743U[kT]

Матрицы A,B,C,D, определяются выражением:

 

 



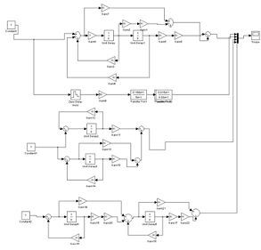
. Построение алгоритма работы цифрового вычислительного устройства в реальном масштабе времени

Дискретно корректирующий фильтр в современных системах с компьютерным управлением реализуются путём непосредственного решения получаемых в режиме реального времени разностных уравнений.

В этом случае непрерывный сигнал f(t) подвергается аналого-цифровому преобразованию (переводится в цифровой код, а решение x[kT], получаемое в ЦВУ в реальном масштабе времени вводится в непрерывную часть системы через ЦАП. Алгоритм работы ЦВУ реализующий, реализующего решение разностного уравнения, представлен:



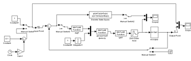
. Расчет переходных процессов в скорректированной системе, при подаче на вход сигнала с амплитудой единичной ступеньки в среде SimuLink, без учета квантования сигналов уровню и с учётом квантования сигнала по уровню


Переходный процесс в системе без учёта квантования сигнала по уровню.

Учёт квантования сигнала по уровню:

Преобразование исходной системы конечно-разностных уравнений последовательно корректирующего устройства к целочисленной форме, выполняющий эквивалентную обработку цифровых кодов аналоговых сигналов:

Исходная система конечно-разностных уравнений имеет вид:

 

Y[kT]=0.0140156x1[kT]+2.009x2[kT]+2*1.0094743U[kT]

Обозначим уровни дискретизации по переменным состояния dx по управляющему сигналу de по задающему сигналу de=dx.

 

Y[kT]=0.0140156x1[kT]*dx/de+2.009x2[kT]*dx/de+2*1.0094743U[kT]*dx/de.

Схема моделирования представлена на рисунке.


Алгоритм работающий с целочисленными данными:

function ke=ADC(e,dx);dx;=round(e/dx);;upr1=DAC(up,du);du;=up*du;;t0;y1;y2;tau;upr0;dx;du;=0.0005=0.01=0=0=0=0.0005=0upr=CSU(e,t1);t0;y1;y2;tau;upr0;dx;du;=round(0.9383469*1000);=round(1000);=round(0.999902*1000);=round(1000);=round(1.00947434*10000*dx/du);=round(0.01401566*10000*dx/du);=round(0.004817971*10000*dx/du);t1 >= t0;=(a1*y1+b1*e)/1000;=(a2*y2+b2*e)/1000;=(c1*e+d1*x1+d2*x2)/10000;=x1;=x2;=t0+tau;;

upr=upr0;

Учёт квантования сигнала по уроню:


Управляющие сигналы с учетом и без учёта квантования.



Библиографический список

передаточный управление сигнал логарифмический

1. О.В. Горячев, С.А Руднев. Основы теории микропроцессорных систем управления.

. В.А. Иванов, А.С. Ющенко. Теория дискретных систем автоматического управления. - М.: Наука, 1983.