Материал: Основные системы построения сети 10 Base T

Внимание! Если размещение файла нарушает Ваши авторские права, то обязательно сообщите нам

Основные системы построения сети 10 Base T

Содержание

 

Введение

1. Общая часть

1.1 Роль компьютерных сетей

1.2 Общие принципы построения компьютерной сети

2. Технологическая часть

2.1 Основные системы построения сети 10Base T

2.2 Протоколы передачи информации в сети 10 Base T

2.3 Используемые топологии в сети 10 Base T

2.4 Способы передачи данных в сети 10Base T

2.5 Используемые средства связи в сети 10Base T

2.6 Программное обеспечение в сети 10Base T

Заключение

Литература

Приложение

Введение

Установка локальной сети 1O Base T

Монтаж и прокладывание локальной сети 10 Base T - несколько более сложная задача, чем подготовка к работе сети Thin Ethernet. Во-первых, для этого потребуется значительно больше базовых элементов, чем в случае 10 Base2, а во-вторых, сам монтаж такой сети требует более кропотливой и тонкой работы. Итак, прежде, чем приступить к работе над прокладыванием сети, нужно запастись необходимым набором компонентов, которые должны находиться под рукой. О них речь пойдет дальше.

Исключение составляет только вариант, при котором в сеть 10 Base T объединяются два компьютера по принципу "точка-точка": в этом случае вам необходимо приобрести один отрезок кабеля "витая пара" необходимой длины и два разъема RJ-45.

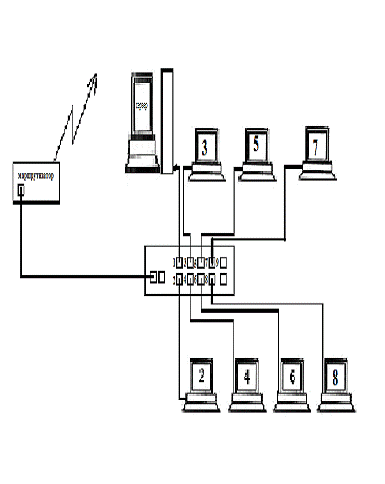
Общая схема подключений

Если перед прокладыванием локальной сети класса 10Base2 приходится продумывать взаимное расположение компьютеров, то в случае 1O Base T к этому вопросу следует подойти еще более тщательно.

В конфигурации 1O Base T компьютеры подключаются к концентратору не напрямую, а через специальные сетевые розетки RJ-45

Общая схема подключений устройств в сети 10 Base T:

- Path Cord; 2 - сетевые розетки RJ-45; 3 - кабель "витая пара"; 4 - path panel; 5 - концентратор

Сетевые розетки монтируются на стену в непосредственной близости от подключаемого к локальной сети компьютера. Каждая розетка соединяется с разъемом RJ-45, расположенным на сетевом адаптере ПК, при помощи небольшого отрезка кабеля "витая пара", который принято называть Path cord или "поводок". Длина этого кабеля не должна превышать 10 м, на концах провода Path cord крепится два разъема RJ-45.

Такая конфигурация подключений крайне удобна, потому что, во-первых, позволяет быстро присоединять и отсоединять компьютеры от локальной сети, а также менять их местами - для этого достаточно вытащить Path cord из розетки, а во-вторых, сетевой кабель не натягивается при прокладывании и не путается под ногами. От каждой сетевой розетки отходит еще один отрезок кабеля "витая пара", с одной стороны смонтированный непосредственно в розетке, с другой стороны - оснащенный разъемом RJ-45. Длина каждого отрезка такого кабеля не может превышать 90 м. Оконечные разъемы всех идущих от сетевых розеток отрезков кабеля присоединяются к комбинированной много портовой сетевой розетке Path panel, либо к равному количеству обычных сетевых розеток RJ-45. В свою очередь, маленькие отрезки кабеля "витая пара", смонтированные в Path panel (длиной не более 1 м) и оснащенные на концах собственными разъемами RJ-45, вставляются в соответствующие гнезда концентратора. Path panel или дополнительный набор сетевых розеток применяются только исходя из удобства администрирования локальной сети: во-первых, каждую из таких розеток или каждое из гнезд Path panel можно промаркировать - если концентратор расположен на значительном удалении от рабочих мест, порой бывает трудно определить, какой из проводов ведет к нужному компьютеру. Во-вторых, используя Path panel, можно без труда переместить любой из проводов между имеющимися в наличии разъемами, быстро подключив его таким образом к другому порту концентратора. На практике дополнительный набор сетевых розеток или Path panel обычно не монтируются - участки кабеля, идущие от розеток RJ-45 на рабочих местах, как правило, подключаются к концентратору напрямую. Во избежание путаницы их просто фиксируют прикрученной к стене поблизости от концентратора металлической пластиной и на каждый провод приклеивают при помощи скотча бумажку с указанием, от какой именно розетки он идет. Такой монтаж гораздо более удобен и надежен, хотя и может вызвать определенные неудобства в случае необходимости изменения конфигурации локальной сети.

компьютерная сеть топология протокол

1. Общая часть


1.1 Роль компьютерных сетей


В основном компьютерная сеть используется для объединения ПК в сеть с цель обмена информации. Либо увеличения скорости обрабатывания информации (на подобии суперЭВМ).

Применяются компьютерные сети в сферах:

Технологической сфере (производство, учреждение, сфера образования. Служит для управления технологическими процессами).

Социальная сфера (служит для обеспечения доступа к разнообразной информации необходимой для человека).

Экономическая сфера (Необходима для связи всей экономики (всех ее сфер) и управление экономикой).

Политическая сфера (осознание и использование возможностей сети Интернет в своей политической деятельности. Служит для управления политическими процессами).

Культурная сфера (создания информационных культурно-образовательных ресурсов в сети Интернет. Театры, кино, музей и т.д.).

Используется в науке, медицине, промышленности, сельском хозяйстве, военной области, космической области, в быту и др.

Виды обрабатываемой информации: - Аналоговая (телефонная) - Цифровая (дискретная)

1.2 Общие принципы построения компьютерной сети


Система "терминал-хост". Взаимодействие терминала - источник вопросов и заданий и хоста - абонента является коллективным использованием ресурсов. Использование осуществляется в локальном или удаленном режиме.

Система "клиент-сервер". Взаимодействие в этой системе осуществляется по средствам протокола (совокупность соглашений об установлении, прекращении связи и обмене данными).

Информационно-вычислительные сети. Главной особенностью таких сетей является наличие в каждом узле компьютера, который способен автономно выполнять некоторые задачи. Терминал по сложности оборудования может не уступать компьютеру, но его автономная работа не предусмотрена.

Коммутация пакетов. Суть технологии - обработка без участия центрального процессора маршрутизатора. Первый пакет заданного типа обрабатывается процессором в полном объёме, все последующие аналогичные уже не обрабатываются процессором, а коммутируются, как в устройствах второго уровня (чаще всего с использованием аппаратных средств коммутации, вроде коммутационной матрицы).

Для построения компьютерной сети используется топологии:

Шинная топология.

Шинная топология самая простая и использует один кабель к которому последовательно подключаются все ПК используемые по очереди. Концы кабеля заканчиваются терминаторами сопротивление которых равно пятьдесят Ом (R=50 Ом.). Недостатком этой топологии является то что в случае обрыва основного кабеля выводит всю сеть из строя, но выход отдельного ПК не приводит к выходу из строя всей сети.

Кольцевая топология.

В данной топологии каждый узел подключается к общему кабелю в виде кольца. Передача информации ведется с помощью "маркера". Управление маркером осуществляет каждый очередной ПК получивший маркер. Недостатком данной топологии является то что при выходе из строя одного ПК или порыве основного кольца (кабеля), сеть выходит из строя. Для устранения данного недостатка используется двойное кольцо.

При выходе из строя одного ПК, ПК получивший маркер переводит направление передачи на второе кольцо и направление передачи будет противоположное.

Топология звезда.

В данный топологии каждый узел подключается с центром (концентратором) каждый концентратор имеет свое диагностическое средство с программным обеспечением, которое определяет приоритетность передачи информации положительно в этой топологии является, то что при выходе из строя любого узла, компьютерная сеть продолжает работать.

В качестве концентратора может выступать любой компьютер или сервер.

Гибридная топология.

Гибридная топология может использовать несколько простых топология, она в основном используется в больших сетях и глобальных.

За основную топологию большой частью берется кольцевая, остальные топологии соединяются с ней через маршрутизаторы.

Ячеистая топология.

В данной топологии каждый компьютер связан с каждым другим компьютером. Это необходимо чтобы не было отказов, потери информации.

В основном используется в областях связанных с финансам, а также в военной и космической области. При выходе из строя любого компьютера или узла, сеть останется в работе. Отрицательная черта заключается в том что они очень дороги и сложны в монтаже.

Средства связи.

В качестве средств связи используются:

Телефонный провод.

Витая пара.

Коаксиал.

Оптоволокно.

Эфир (радио связь).

Телефонный провод.

Телефонный распределительный провод (ТРП) - двух - или четырёхжильный телефонный <#"786603.files/image002.gif">

Данные от передающей станции сети передаются через хаб по всем линиям связи всем ПК. Информация поступает на все рабочие станции, но принимается только теми станциями, которым она предназначается. Так как передача сигналов в топологии физическая звезда является широковещательной, т.е. сигналы от ПК распространяются одновременно во все направления, то логическая топология данной локальной сети является логической шиной.

Данная топология применяется в локальных сетях с архитектурой 10Base-T Ethernet.

Преимущества сетей топологии звезда:

легко подключить новый ПК;

сеть устойчива к неисправностям отдельных ПК и к разрывам соединения отдельных ПК.

Недостатки сетей топологии звезда:

отказ Hub влияет на работу всей сети;

большой расход кабеля;

2.4 Способы передачи данных в сети 10Base T


Система передачи данных является одним из ключевых элементов КС, которая включает физические среды связи, кодирование и декодирование, виды модуляций, виды передачи по времени, по скорости, по направлению.

Виды модуляций:

Частотная

Фазовая

Амплитудная

Частотная модуляция - 1=> f2=2.5 Мгц 0=> f1=1,25 Мгц

Амплитудная модуляция использует частоту, амплитудой 5v=1 и 2,5v=0

Фазовая модуляция - моделируется так же частотой, но при переходе 0 на 1 либо 1 на 0, происходит смена фазы (меняется полярность)

В КС в большей части используется частотная модуляция.

В Сети 10 BASE 5 существует несколько видов модуляции, и у каждого протокола своя модуляция. Например у протокола 802.11а с частотой 5 ГГц, модуляция OFDM, а у 802.11b с частотой 2.4 ГГц, модуляция DSSS (Direct Sequence Spread Spectrum) - высокоскоростная передача с расширением спектра методом прямой последовательности.

Виды передачи.

. Синхронная


. Асинхронная


Способы передачи информации:

Передача информации в КС независима от технологии является передачей энергии.

типы передачи информации:

Аналоговая (телефонная) - Низкий (0) и высокий (1) потенциал

Цифровая (дискретная)

Используется в КС 90%

По скорости передачи системы бывают:

Низкоскоростные ≤не более ≤ 200 бит/сек

Средне скоростные ≤ 9600 бит/сек

Высокоскоростные > 9600 бит/сек

По направлению передачи:

Симплексные - с односторонней передачей.

Дуплексная - одновременная передача в одном и другом направлении.

Полудуплексные - попеременная передача информации по одной и той же линии (каналу связи) в прямом и обратном направлении.

Для передачи информации в КС, данные преобразуются в цепочку следующих друг за другом битов (1 или 0), при передачи данных их разделяют на пакеты (блоки).

Пакет включает в себя: адрес получателя, адрес отправителя, контрольное число, данные и т. д

2.5 Используемые средства связи в сети 10Base T


В качестве средств связи используется витая пара. Используется неэкранированный кабель, содержащий четыре свитых между собой пары проводников (UTP <#"786603.files/image005.gif">