Материал: Определение содержания примесей металлов в сточных водах атомно-абсорбционным методом

Внимание! Если размещение файла нарушает Ваши авторские права, то обязательно сообщите нам

Для обеспечения защиты корпуса от воздействия паров кислот металлические детали спектрометра покрыты порошковой эмалью.

2.2 Описание составных частей спектрометра

Оптическая схема

Рис. 3. Оптическая схема прибора

Оптическая схема предназначена для формирования светового пути от источников излучения 1, 2 через область фокусировки над газовой горелкой 7 к входной щели монохроматора 9.

Оптическая схема состоит:

Источник линейчатого спектра - лампа спектральная с полым катодом на анализируемый элемент 1;

Светоделительная пластина 3;

Коллекторные линзы 4;

Диафрагмы 5;

Конденсорная линза 6

Линзы входного объектива монохроматора 8.

Для исключения потерь света в ультрафиолетовом диапазоне линзы оптической схемы изготовлены из кварцевого стекла.

Светоделительное зеркало имеет покрытие, обеспечивающее заданные значения коэффициентов отражения и пропускания в диапазоне 190 ÷ 450 нм.

2.3 Блок монохроматора

Рис. 4. Оптическая схема монохроматора

Блок монохроматора предназначен для выделения узкого спектрального интервала, соответствующего одной из линий поглощения (абсорбция) или испускания (эмиссия) анализируемого элемента. Блок состоит из входного объектива и монохроматора МДА-3.

Световой поток, прошедший через пламя 1 (при работе в режиме абсорбции) или излучённый пламенем (при работе в режиме эмиссии) фокусируется линзами 2 объектива на входной щели 3 монохроматора. Плоским зеркалом 4 это излучение направляется на сферическую дифракционную решетку 5. Разложенное в спектр излучение направляется на выходную щель 6 монохроматора. Щели монохроматора расположены относительно дифракционной решётки так, что изображение входной щели сфокусировано в плоскости выходной щели. Длина волны, соответствующая выделяемому монохроматором спектральному интервалу, изменяется путём поворота дифракционной решетки.

Смена ширины щелей монохроматора, поворот и фокусировка дифракционной решётки осуществляется исполнительными механизмами, управляемыми по командам компьютера в соответствии с методиками и рекомендациями. Предусмотрена корректировка настройки монохроматора по длинам волн при каждом включении спектрометра, а также точная подстройка длины волны для элементов со сложным спектром.

Ширина щелей монохроматора выбирается исходя из рекомендаций методики выполнения измерений.

2.4 Атомизатор

Назначение атомизатора - перевод пробы в атомный пар с возможно большей эффективностью. Основной способ атомизации - нагревание пробы до 2000-27000С. Для этой цели используется пламя или электрический ток. Пламя - это низкотемпературная плазма, в которой протекают химические реакции, поддерживающие температурный режим. В спектроскопии обычно используется пламя горючих газов - ацетилена, реже пропана в смеси с окислителями - воздухом или закисью азота.

В аналитической практике наиболее широкое распространение получило пламя ацетилен-воздух. Это пламя наиболее стабильно, имеет высокую пропускаемость в аналитическом диапазоне длин волн и слабую собственную эмиссию, обеспечивает высокую эффективность атомизации более 30 элементов, в том числе щелочных и щелочноземельных металлов.

Использование пламени ацетилен, закись азота с температурой до 27000С позволило определять почти все элементы.

Для получения пламени и подачи в него исследуемой пробы используются различные конструкции горелки и распылители. Горючее, окислитель и проба в виде аэрозоля смешиваются, как правило, предварительно. Чувствительность атомно-абсорбционного анализа с атомизацией в пламени ограничена происходящими в ней побочными процессами и кратким временем пребывания в нем частиц - около 10-3 секунды. Лишь менее 5-15% атомов из наиболее мелких аэрозольных капель атомизируются. Увеличение чувствительности наряду с совершенствованием пламенных систем можно получить и с помощью электротермической атомизации. Атомизация осуществляется в специально печи в инертной атмосфере, по специальной программе, разделяющей по времени на этапы - высушивание, озоление, атомизация, прожиг (очистка печи перед очередным анализом). Электротермическая атомизация осуществляется обычно в графитовых трубках, нагреваемых электрическим током большой силы. Такой способ был предложен Львовым.

Работа атомизатора

При подготовке спектрометра к измерениям с помощью механизма перемещения устанавливают требуемое положение горелки по вертикали и по горизонтали. Изменение положения горелки по горизонтали осуществляется путём вращения ручки, а регулировка положения горелки по вертикали производится либо с помощью электропривода, управляемого по командам ПК, либо вращением ручки.

Вращение ручки по часовой стрелке приводит к перемещению горелки вверх, а против часовой стрелки - вниз. Параллельность щели горелки и оптической оси прибора обеспечивается конструкцией механизма крепления горелки. При работе спектрометра из газового блока в камеру смешения по трубкам, подключённым к штуцерам, поступает горючий газ и газ - окислитель. В камере эти газы смешиваются.

Анализируемый раствор через капиллярную трубку попадает в распылитель, где превращается в мелкодисперсный аэрозоль. Через штуцер во внутреннюю полость корпуса распылителя из газового блока поступает сжатый газ - окислитель. Давление газа - окислителя на входе в распылитель регулируется дросселем, а его значение контролируется по манометру.

Рис. 5. Блок пламенной атомизации

Газ проходит через зазор между иглой и сводом капиллярного отверстия сопла.

Вследствие высокой скорости обтекания потоком газа - окислителя иглы в капиллярном отверстии образуется область пониженного давления (разрежения), что приводит к засасыванию раствора пробы через капиллярную трубку. При вытекании из канала иглы раствор захватывается потоком газа - окислителя, и дробится на капли при прохождении через сопло. Ударяясь о шарик - импактор капли раствора со скоростью вытекающего потока дополнительно разбиваются, образуя аэрозоль.

Крупные капли аэрозоля оседают на деталях распылителя, внутренних стенках камеры, рассекателе и через дренажный штуцер стекают по шлангу через гидрозатвор в сливную ёмкость. Количество аэрозоля попадающего в пламя горелки составляет примерно 15÷25% от объёма потребляемой пробы, т.е. при расходе 100 мл пробы в слив уйдёт примерно 80 мл.

Временной диапазон нахождения капель аэрозоля в пламени горелки - несколько миллисекунд. За это время происходит испарение растворителя, сгорание материала самой пробы, атомизация. В результате всех этих процессов в пламени образуется атомный пар анализируемого элемента.

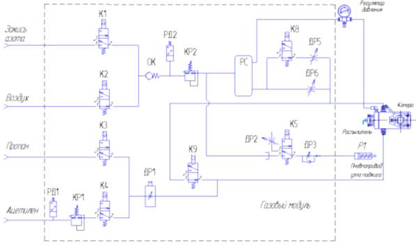
2.5 Газовый блок

Газовый блок предназначен для коммутации газовых потоков в атомизатор, регулировки необходимых расходов и поддержания рабочих давлений, а также контроля для обеспечения безопасной работы с горючими газами (рис. 6).

Газовый блок обеспечивает автоматическую подачу заданных расходов горючего газа и газа - окислителя в камеру смешения и горелку, газа - окислителя в распылитель, а также контроль входного давления и наличия пламени. Управление газовым блоком осуществляется в соответствии с программой управления по командам ПК, которые передаются исполнительным элементам газового блока через микроконтроллер, входящий в состав электронного блока спектрометра. Газовый блок состоит из газового модуля, датчика пламени и гидрозатвора.

Рабочее давление в магистрали окислителей должно быть в диапазоне 3,5 ÷ 5 атм., при давлении менее 3,2 атм. произвести поджиг пламени невозможно. Рабочее давление в магистрали ацетилена должно быть в диапазоне 1,4 ÷ 1,8 атм., при давлении менее 1,2 атм. произвести поджиг пламени ацетилен - воздух невозможно.

Рис. 6. Пневматическая схема газового модуля

Процесс поджига горелки разбит на три этапа: поджиг, отжиг, стабилизация

Поджиг - при подаче команды «поджечь» в зависимости от выбранной горючей смеси открывается клапан К3 (пропан) или К4 (ацетилен) и газ поступает на регулятор расхода ДР1, с выхода которого подаётся в камеру смешения. Расход газа определяется выбранной методикой или оператором по команде управляющей программы. Одновременно закрываются клапаны К9, К8, открывается клапан К5 и через дроссель ДР3 воздух поступает на пневмопривод Р1, который производит поворот рычага блока поджига для перемещения спирали к щели горелки. Спираль накаляется и поступивший в горелку горючий газ воспламеняется. При появлении сигнала с датчика о наличии пламени клапан К5 закрывается, и спираль отводится от горелки.

Отжиг - в режиме отжига в камеру смешения автоматически подаётся повышенное количество горючего газа и воздуха. Открывается клапан К8, увеличивая расход воздуха, также возрастает расход газа, протекающего через ДР1.

Стабилизация - в режиме стабилизации расходы горючего газа и газа - окислителя устанавливаются в номинальные значения необходимые для проведения анализа. Клапан К8 закрывается и регулятором ДР1 устанавливается необходимый расход.

При подаче команды «погасить» происходит отключение газовых магистралей (клапан К3 или К4) и включение режима, соответствующего состоянию выключенного прибора.

Условия поджига пламени горелки.

Для обеспечения безопасности работы с горючими газами и корректности выполнения команд газовой автоматики модуля необходимо соблюдение следующих условий:

. Наличие давления в магистрали окислителя - не менее 3,4 атм.;

. Наличие давления в магистрали ацетилена (при условии работы с газовой смесью ацетилен - воздух) - не менее 1,4 атм.;

. Наличие горелки соответствующей используемой газовой смеси;

. Наличие воды в гидрозатворе;

. Правильность установки расходов горючего газа на этапах поджига.

При несоблюдении выше перечисленных условий управляющая программа выводит на экран монитора соответствующее сообщение о причине блокировки процедуры поджига пламени. Состояние сигналов с датчиков газового модуля выводится в окне панели диагностики управляющей программы.

Газ, используемый для работы прибора

Сжатые газы, используемые в работе спектрометра, должны соответствовать следующим техническим характеристикам:

·  Ацетилен растворенный технический марки А или В по ГОСТ 5457-75 в стальных баллонах, 40 л, ТУ 6-21-38-94 или ТУ 1412-006-00204760-2005. При работе без блока подготовки газов допускается применение ацетилена только марки А. Номинальное давление газа в баллоне 1,9 МПа при 20ºС, остаточное давление, при котором допускается эксплуатация, не менее 0,5 МПа;

·        Пропан-бутановая смесь в стальных баллонах (50 л, 27 л, 12 л, 5 л) бытового назначения для сжиженных углеводородных газов типа 3-50 ГОСТ 15860 с клапанным или вентильным запорным устройством. Номинальное давление газа в баллоне 1,1 МПа при 20ºС;

·        Закись азота (сжиженный газ) в стальных баллонах, 10 л, ГОСТ 949-73, код по квалификационной системе ВОЗ(АТС) N01AX13. Номинальное давление газа в баллоне 5,1 МПа при 20ºС;

·        Аргон газообразный, технический, высший сорт по ГОСТ 10157 или ВЧ (ТУ 6-21-12-94) в стальных баллонах, 40 л, ГОСТ 949-73. Номинальное давление газа в баллоне 15 МПа при 20ºС, остаточное давление, при котором допускается эксплуатация 2 МПа.

·        Сжатый воздух на входе БПГ и установки для его получения должны удовлетворять требованиям п.2.3.4 данного Руководства. Сжатый воздух на входе в спектрометр должен соответствовать классу загрязненности не выше 3 по ГОСТ 17433. Изменение давления на входе в спектрометр в процессе работы не должно превышать ±10% относительно установленного значения.

3. Порядок проведения исследования

Метод атомно-абсорбционного анализа является относительным (сравнительным), поэтому для установления вида градуировочной зависимости «Абсорбция - Концентрация элемента» используют градуировочные растворы, в которых концентрация С определяемого элемента известна. С помощью этих растворов строят градуировочный график в данных координатах «А-С». В области линейности число градуировочных растворов может быть минимальным - вплоть до одного, в области нелинейности число градуировочных растворов необходимо увеличивать. Современные приборы атомно-абсорбционного анализа позволяют с помощью ЭВМ сразу получать математическую форму градуировочного графика с целью последующей выдачи результатов непосредственно в концентрациях элементов. Для этого, после измерения абсорбции элемента в пробе, по градуировочному графику или математической форме этого графика рассчитывают концентрацию элемента в пробе. При проведении градуирования и анализа предполагается, что коэффициент a в уравнении поглощения одинаков для градуировочных растворов и анализируемых проб. Качество аналитической методики или метода анализа, характеризующее возможности определения или обнаружения элементов в области их малых содержаний, называется чувствительностью. Простейшей численной характеристикой чувствительности служит коэффициент чувствительности - производная аналитического сигнала по концентрации определяемого элемента. Если градуировочная функция является линейной, то коэффициент чувствительности - это тангенс угла наклона градуировочной кривой. Чем выше коэффициент чувствительности, тем меньшее содержание элемента соответствует одной и той же величине аналитического сигнала, и тем выше (при прочих равных условиях) чувствительность методики в целом. Если при атомно-абсорбционных измерениях градуировочный график прямолинеен в изучаемой области концентраций, то чувствительность определяется соотношением ΔА/ΔС (dA/dC), т. е. изменением сигнала атомарного поглощения при изменении концентрации определяемого элемента, что соответствует тангенсу угла наклона градуировочного графика.

абсорбция

концентрация элемента

Рис. 7. Градуировочный график: изменение абсорбции в зависимости от концентрации определяемого элемента

Пробоподготовка для построения графика

Стадия пробоподготовки является очень важной в процессе атомно-абсорбционного анализа и зачастую вносит основную погрешность в результат анализа. Особенно это относится к твердым образцам со сложной матрицей, которые необходимо перевести в раствор. Уровень химических помех в значительной степени зависит от способа подготовки пробы, принятого в методике анализа. Удачно выбранный способ разложения анализируемого материала позволяет не только перевести в раствор определяемый элемент, но и облегчить его отделение от сопутствующих элементов или создать благоприятные условия для конечного определения содержания элементов без операции разделения. Разложение проб часто является более трудоемкой операцией, чем определение. Подготовка пробы может занимать от нескольких минут до многих часов.

Общие требования к подготовке пробы для атомно-абсорбционных измерений включают следующие положения

1. Полное извлечение определяемого элемента из исходной пробы в конечный раствор.

. Рациональный выбор реактивов и схемы пробоприготовления с учетом последующей методики анализа.

. Доступность химических реактивов, посуды и аппаратуры.

. Универсальность приемов пробоприготовления, т.е. применимость к пробам различного состава и возможность одновременного определения из одного раствора многих элементов.

. Быстрота, производительность и малая трудоемкость, возможность механизации и автоматизации пробоподготовки.

. Использование минимального числа и количества реактивов; низкая поправка контрольной (холостой) пробы, в особенности при определении следовых содержаний элементов.

Приготовление растворов для градуировки

Для подготовки градуировочных растворов можно использовать коммерческие, стандартные образцы растворов металлов (обычно с концентрацией 100 или 1000 мг/мл) или готовить головные градуировочные растворы самостоятельно непосредственно в лаборатории с использованием стабильных при хранении чистых металлов или устойчивых их соединений (оксиды, соли), квалификации не хуже «ч.д.а», с известным (или специально определенным) содержанием основного вещества. Использование высокочистых металлов и их соединений не обязательно, так как головные растворы при доведении до рабочих градуировочных растворов подвергаются значительному разбавлению. Но для растворения металлов и их соединений следует применять высокочистые реагенты, расходуемые в больших количествах. Рекомендуемые вещества для приготовления градуировочных растворов в атомно-абсорбционном анализе представлены в табл. 1. Приготовление головных градуировочных растворов с концентрацией 1 мг/мл (1 г/л). После растворения навески объем раствора должен доводиться до 1 литра разбавлением водой.