Для вольтметра Э425 U=30…150В, для вольтметра В315 U=30…150В
и) Частотный диапазон средства измерения
рассчитывается по формуле
. Df1=Df2=0
Гц
Все полученные результаты заносим в сводную
таблицу:
|
|
Шифр |
Uн,в |
Ɣпр,% |
Rв,Ом |
С,в/дел |
S,дел/в |
Рв,Мвт |
Iв,мА |
Df,Гц |
Du,в |
|
1 |
Э425 |
150 |
1,5 |
5КОм |
10 |
0,1 |
100 |
450 |
0 |
30…150 |
|
2 |
В315 |
150 |
1 |
10КОм |
1 |
0,5 |
400 |
225 |
0 |
30…150 |
2.3 Сравнительный анализ метрологических характеристик прибора
Прибор В315 по сравнению с прибором Э425 имеет след приимущества:
а) У обоих неравномерная шкала
б) Подвижная рамка
в) ток постоянный и переменный
г) больший диапазон измерений
Недостатки:
а) Высокое внутренне сопротивление
б) рабочее положение только горизонтальное
в) Класс точности
г) Более старый год выпуска
2.4 Определение значения параметра
измеренного средством измерений
Для вольтметра Э425 U=119В,
для вольтметра В315 U=76В.
3. Моделирование виртуального прибора средства измерений
.1 Технические характеристики
средства измерений
,3мВ-300В, 20Гц-10МГц, Rвх- 4МОм, Свх -35пФ, вес 6 кг.
Милливольтметр В3-42
Назначением вольтметров является измерение напряжения в электрических цепях. Вольтметр В3-42 имеет ряд преимуществ перед другими приборами подобного класса. В частности, он выполняет целый ряд измерений основных физических величин - напряжение, сила, сопротивление постоянного и переменного. Данный прибор удобен при настройке и проверке разнообразного электротехнического и радиотехнического оборудования. Устройство отличается прочностью, что позволяет применять его в производственных условиях, и обладает очень высокой точностью, что делает его востребованным также и в лабораториях. Прибор В3-42 имеет небольшой вес и компактные габариты, это позволяет легко переносить и устанавливать его. Основной причиной искажения показателей приборов подобного типа являются нестабильные сигналы, помехи.
Подобные факторы часто встречаются при практическом использовании вольтметров. Они способны серьезно повлиять на показатели. Конструкторы вольтметра В3-42 это учли. Прибор особо устойчив к нестабильным сигналам и помехам. Поэтому выбор данного прибора является оптимальным решением для тех, кто регулярно имеет дело с ремонтом и проверкой оборудования.
Также В3-42 очень удобен в использовании. По
сравнению с более ранними моделями, этот прибор дает меньшую погрешность.
Вольтметр В3-42 позволяет быстро считывать показатели даже в условиях
недостаточного освещения. Управление разработано так, чтобы можно было снимать
показания без лишних движений и дополнительных настроек. В3-42 универсален в
данной типовой категории приборов. Он находит применение во многих сферах работ
с техникой
3.2 Модель прибора Б3-42 в программе
Labview
Начнём с универсального источника питания (УИП)
Используя элементы Meter,Сase Structure, Dial, Toggle Switch, Round Push Button2, Add, True Constant, False Constant соберём схему показанную на рисунке.
Универсальный источник питания служит для подачи напряжения для работы нашего вольтметра.
Далее соберём схему делителя (он делит значение
поступающее с УИП на 10000) и коммутационного устройства(КУ).Оно позволяет
провести сигнал с нашего УИП на прямую или через делитель.
Возьмём элементы
Сase
Structure, Formula Node, Dial, Square Push Button, True Constant, False
Constant и соберём
схему
изображённую
на
рисунке.


Элемент Dial служит для регулировки направления движения напряжения путь 1 или 2.
В Formula Node записано условие работы нашего делителя напряжения:
(p==1)=a;(p==0)=a;=a/10000;
Цветные индикаторы служат для показания направления нашего напряжения(путь 1 или 2)и показывают включен наш прибор или нет.
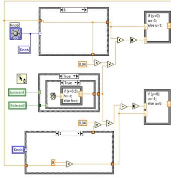
Всего на нашем милливольтметре 6 пределов, 3 предела с мВ и 3 предела с В.
Используем элементы
Knob(Classic Numeric), Сase
Structure, Formula Node, Multiply, Divide, Wait For Front Panel Activity,
Random Number, Equal?. Соберём
схему,
показанную
на
рисунке.
0,04 - погрешность измерений нашего вольтметра.
Элемент Wait For Front Panel Activity(начинает работу при активности лицевой панели).
Создадим шкалы вольтметра используя элемент
Meter. Редактируем их используя вкладки Properties и Costumize
Добавим элемент Case
Structure, заполним вкладки True
и False согласно рисункам.

Подключим наши шкалы к Case Structure
Создадим элемент Case
Structure, в нём элемент Formula
Node и добавим 7
выходов.
Заполним вкладку True
Возьмём элемент Build Array и растянем его в 7 раз. Подключим выходы с Formula Node в Build Array.
Добавим остальные элементы: boleran6, boleran4,
boleran3 на схемы идущие ранее. В итоге получим.
Далее оформляем переднюю панель используя
различные элементы All
Controls - Decorations и
раскрашиваем их. Работа готова.
Заключение
Мы в своей курсовой работе выполнили
поставленные задачи. Определили погрешности средства измерений и реализовали
прибор в программной среде National
Instruments, Labview.
Познакомились со способами расчета и основными свойствами погрешностей
измерения. Узнали технические характеристики вольтметров. Выявили перечень
основных метрологических характеристик приборов M24-43
и М413. Провели сравнительный анализ данных приборов на основе имеющейся
информации. Смоделировали схему виртуального прибора средства измерения
предложенного по варианту. Прочли представленную информацию о технических
характеристиках прибора Б3-43. Реализовали данный прибор в программе Labview.
Список использованной литературы:
1. Статьи в интернете
.
#"802531.files/image034.jpg">
. Установим переключатель пределов в
положение 10мВ, напряжение на УИП соответствующее 5В мы будем видеть, как
стрелка нашего вольтметра установиться на значении 5 мВ.
3. Установим переключатель пределов в положение
3В, напряжение на УИП соответствующее 2В мы будем видеть, как стрелка нашего
вольтметра установиться на значении 20В=2В.
. Установим переключатель пределов в
положение 1В, напряжение на УИП соответствующее 1В мы будем видеть, как стрелка
нашего вольтметра установиться на значении 30В=1В.