Материал: Одноступенчатый цилиндрический редуктор

Внимание! Если размещение файла нарушает Ваши авторские права, то обязательно сообщите нам

Одноступенчатый цилиндрический редуктор

Содержание

ВВЕДЕНИЕ

.        Описание кинематической схемы

.        Энерго-кинематический расчет

.        Расчет цилиндрической зубчатой передачи

.        Расчет валов редуктора

.        Расчет открытой ременной передачи

.        Проверочный расчет подшипников

.        Выбор смазки редуктора

.        Проверка прочности шпоночного соединения

.        Подбор муфты

.        Выбор типа корпуса редуктора и определение размеров его основных элементов

.        Выбор посадок зубчатых колес и подшипников

ЗАКЛЮЧЕНИЕ

Введение

Машиностроению принадлежит ведущая роль среди других отраслей экономики, так как основные производственные процессы выполняют машины. Поэтому и технический уровень многих отраслей в значительной мере определяет уровень развития машиностроения.

Повышение эксплуатационных и качественных показателей, сокращение времени разработки и выделение новых машин, повышение их надежности и долговечности - основные задачи конструкторов-машиностроителей.

Большие возможности для совершенствования труда конструкторов дает применение ЭВМ, позволяющие оптимизировать конструкции, автоматизировать значительную часть процесса проектирования. Различные конструктивные решения можно использовать для создания графической базы данных, используемой при проектировании.

Конструирование - процесс творческий. Известно, что каждая конструктивная задача может иметь несколько решений. Нужно по определенным критериям сопоставить конкурирующие варианты и выбрать один из них оптимальный для данных конкретных условий.

Рекомендации по конструированию сопровождаются анализом условий работы узлов и деталей, их обработки и сборки.

1.     
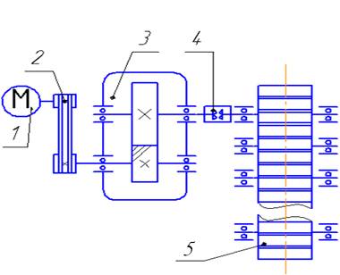
Описание кинематической схемы

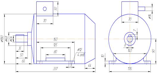
- Электродвигатель АИР132S6; 2 - Клиноременная передача; 3 - Одноступенчатый цилиндрический редуктор; 4 - Муфта зубчатая; 5 - Пластинчатый конвейер;

Электродвигатель


Двигатель марки АИР132М8 с повышенным скольжением, предназначен для привода механизмов общего назначения, работает от сети 380В, 50 и 60 Гц, режим работ М8 по ГОСТ 183, степень защиты IP54 по ГОСТ 17494, способ охлаждения IC0141 по ГОСТ 20459, 6, климатическое исполнение У2, по ГОСТ 15150. Завод "Электродвигатель" г. Могилев.

Номинальная частота вращения ротора n=960 мин-1. Номинальная мощность Р=5,5 кВт.

2. Энергокинематический расчет

Определение общего коэффициента полезного действия привода

;

Где , = 0,94…0,96 - КПД ременной передачи;

=0,94…0,97 - КПД зубчатой цилиндрической передачи;

 = 0,98 - КПД соединительной муфты;

=0,99 - КПД подшипников качения (одна пара);

 = 0,950,960,980,99 = 0,846

Определение потребной мощности электродвигателя в кВт

 (кВт)

Где  кВт (согласно техническому заданию)

По каталогу принимаем электродвигатель серии АИР132М8 основного исполнения с номинальной мощностью Р = 5,5 кВт и частотой вращения n = 960

Определение частоты вращения вала привода в

()

Где  - согласно техническому заданию

Определение передаточных чисел ступеней привода

Общее передаточное число привода

 

Примем для открытой гибкой ременной или цепной передачи

 ,

Тогда

 

Принимаем для передачи редуктора стандартное передаточное число

 

Уточним передаточное число открытой гибкой передачи

==

Определение частот вращения валов привода в

 = 712 ()

 ()

()

()

Определение мощностей на валах привода в кВт

 (кВт)

 (кВт)

 (кВт)

 (кВт)

Определение величины крутящих моментов на валах привода в Нм

 (Нм)

 (Нм)

 (Нм)

(Нм)

Свод данных в таблицу

Вал

n,

Т, Нм

1-Вал

4,519

712

60,613

2 - Быстроходный вал (входной) вал редуктора

4,338

237,33

176,27

3 - Тихоходный (выходной) вал редуктора

4,035

47,769

806,679

4 - Вал привода

4

47,769

806,679


Результаты расчета цилиндрической косозубой передачи редуктора

Исходные данные :

Крутящий момент на валу колеса , Нм = 806,679

Частота вращения вала колеса n, = 47,769

Ресурс работы передачи  = 25000 часов

Ресурс - это число циклов работы, количество км пробега автомобиля и т.д. Lh - это срок службы.

Режим работы легкий

Материал колес


Шестерня Сталь 40ХН

Колесо Сталь 40ХН

Механические характеристики

Предел текучести  ,Мпа

630

630


Твердость зубьев Н, HВ

260

235


3. Расчет цилиндрической зубчатой передачи

Крутящий момент на валу шестерни

(Нм)

Частота вращения вала колеса

()

Передаточное число в соответствии с ГОСТ 2185-66

 

Срок службы передачи

 = 25000 часов

Частота вращения вала шестерни

 = 237,33 ()

Режим работы: легкий

Материалы зубчатых колес и их механические характеристики

шестерня - 40ХН по ГОСТ 1050 - 88, термообработка - улучшение

колесо - 40ХН по ГОСТ 1050 - 88, термообработка - улучшение

:= 260 - твердость поверхности материала шестерни в ед. НВ;

:= 235 - твердость поверхности материала колеса в ед. НВ.

Межосевое расстояние

Предварительное значение межосевого расстояния:

 = 176,78 мм, где K=10

в соответствии с заданной твердостью зубьев.

Окружная скорость:

= 0,82 м/с

Отсюда степень точности зубчатой передачи: 9(передача низкой точности).

Уточним значение межосевого расстояния:

, где ,

,

где

,

где = 0,26 (табличное значение), = 1,04,

 = 2,0. Таким образом,

Подставляем найденные значения в формулу межосевого расстояния:

= 172.77 мм

Вычисленное значение округляем до стандартного .

Предварительные основные размеры колеса


 мм

Ширина:

 (соответствует значению по ГОСТ 6636-69)

Модуль передачи

Максимально допустимый модуль:

 

Минимальное значение модуля:

 

 для косозубых передач;

, где = 1,04 (табличное значение),

=,

 = .

Из полученного диапазона модулей принимаем стандартный .

Суммарное число зубьев и угол наклона

Минимальный угол наклона зубьев косозубых колес:

 

Суммарное число зубьев:

 

Действительное значение угла наклона зуба:

 

Число зубьев шестерни и колеса

Число зубьев шестерни:

 

Число зубьев колеса:

 

Фактическое передаточное число

 

Диаметры колес

Делительные диаметры:

шестерни:

-колеса:  мм

Диаметры окружностей вершин и впадин зубьев колес внешнего зацепления:

 

,

где , где

 мм

 

 

Размеры заготовок

Чтобы получить при термической обработке принятые для расчета механические характеристики материала колес, требуется:

 

 

 

Силы в зацеплении

- окружная:

- радиальная:

- осевая:

Проверка зубьев колес по напряжению изгиба

Расчетное напряжение изгиба:

- в зубьях колеса:

,

где ,

- в зубьях шестерни: