Материал: Очистка конвертированного газа в производстве аммиака от диоксида углерода растворами горячего поташа

Внимание! Если размещение файла нарушает Ваши авторские права, то обязательно сообщите нам

Таблица 4.1.2

Значения константы равновесия основной реакции при различных температурах

Температура, К

K2CO3 + H2O + CO2=2 KHCO3


lgKp

Kp

300

6,073

9,3 1013

400

2,174

149,250

430

1,358

22,790

460

0,648

4,447

500

-0,166

0,683

600

-1,726

0,019


Рис. 4.1.2  График зависимости константы равновесия от температуры

Термодинамический анализ процесса очистки конвертированного газа от диоксида углерода раствором поташа позволил сделать следующие выводы:

1.      В рассматриваемом интервале температур (300-600 К) термодинамическая вероятность самопроизвольного протекания процесса уменьшается, о чем свидетельствует значение энергии Гиббса.

.        Согласно принципу Ле-Шателье увеличение давления способствует смещению равновесия в сторону продуктов реакции (Растворимость СО2 в горячем растворе поташа в значительной степени зависит от парциального давления двуокиси углерода над раствором)

.        Увеличение концентрации раствора поташа по сравнению со стехиометрическим ведет к смещению равновесия в сторону продуктов реакции (предельная концентрация соли в горячем растворе 40%, т.к. дальше наблюдается выпадение осадка); горячие растворы поташа вызывают коррозионное разрушение углеродистой стали, поэтому в растворы добавляют ингибиторы коррозии.

4.2    КИНЕТИЧЕСКИЙ АНАЛИЗ

В качестве побочной реакции рассмотрим процесс, который применяют для выделения поглощенного газа (абсорбтива) из абсорбента и получения его в чистом виде, а также для повторного использования абсорбента в процессе абсорбции. Для проведения десорбции газа из жидкости необходимо, чтобы концентрация этого газа в газовой фазе была ниже концентрации, соответствующей равновесной в системе газ - жидкость. На практике для проведения процесса десорбции используют три следующих метода:

·        отгонку в токе инертного газа или водяного пара;

·        отгонку под действием подводимой к абсорбенту теплоты;

·        отгонку при снижении давления над абсорбентом

Учитывая термодинамическую вероятность самопроизвольного протекания основной реакции, заключаем, что в интервале температур 300-600 К возможно протекание обратной реакции (десорбции газа), при подведением тепла к системе.

В общем случае метод хемосорбционной очистки обладает рядом особенностей оп сравнению с физической абсорбцией:

·        Возможность абсорбции при низком парциальном давлении вследствие более высокой поглотительной абсорбции раствора;

·        Относительно малая циркуляция раствора и соответственно небольшой расход энергии на перекачку сорбента;

·        Регенерацию осуществляют, как правило, путем нагревания в сочетании со сбросом давления, при этом расход тепла на десорбцию относительно невелик;

·        Регенерацию проводят часто при кипении абсорбента, его пары могут играть роль десорбирующего агента;

·        Возможность проведения весьма тонкой очистки;

·        Увеличение коррозии и протекание побочных реакций, обусловленных применением повышенных температур и щелочных агентом - сильных и слабых электролитов

Метод поташной очистки основан на применении относительно дешевого абсорбента, но имеет ряд недостатков: малая растворимость карбоната в воде (особенно бикарбоната) при обычной температуре, низкая скорость абсорбции, что приводит к необходимости значительной циркуляции раствора и обуславливает увеличение габаритов аппаратов. Кроме того, равновесное парциальное давление СО2 над растворами поташа относительно велико, и не удается достичь тонкой очистки газа (0,08 -0,15% СО2 в газе после очистки). Преимущество метода - сравнительно низкий расход тепла на регенерацию.

Скорость процесса абсорбции может быть рассмотрена через применение основного уравнения массопередачи[4]. Если выразить движущую силу процесса в концентрациях газовой фазы (парциальные давления), то оно принимает следующий вид:

Где    - средняя движущая сила процесса, выраженная в единицах давления;

 - коэффициент массопередачи, отнесенный к единице движущей силы, выраженной через парциальные давления поглощаемого газа;

Химическая реакция, сопровождающая процесс абсорбции, оказывает существенное влияние на кинетику процесса, т.к. скорость определяется не только интенсивностью массопереноса, но и скоростью протекания химической реакции. Благодаря химической реакции растворенный CO2 переходит в связанной состояние (KHCO3). Концентрация свободного газа в жидкости уменьшается, а процесс абсорбции ускоряется (рост величины ), в сравнении с абсорбцией без химического взаимодействия фаз[1]. Скорость хемосорбция зависит как от скорости химической реакции, так и от скорости массопереноса между фазами. В зависимости от лимитирующего процесса различаются кинетическую и диффузионную области процесса хемосорбции.

Кинетическая область определяется как протекание процесса, при котором скорость химического взаимодействия меньше скорости массопереноса. В диффузионной области лимитирующая стадия - скорость диффузии компонента в зоне реакции, которая зависит от гидродинамических условий в системе и физических свойств.

Абсорбция, как и другие процессы, протекает на границе раздела фаз. Как следствие - абсорбционные аппараты (далее - абсорберы) должна иметь развитую поверхность контакта между жидкой и газовой фазами. Абсорберы по своим конструктивным особенностям делят на следующие основные группы: пленочные, насадочные, тарельчатые, распыливающие. На практике очистка конвертированного газа от CO2 проводится в насадочных колоннах. Варьирование площади поверхности раздела фаз происходит за счет смены насадки. Основные применяемые виды - кольца Рашига и седловидная насадка Берля.

Значения коэффициентов абсорбции CO2 растворами карбонатов могут быть вычисленные по уравнениям[4]:


Где    - объемный коэффициент абсорбции, отнесенный к газовой пленке, кмоль/(м3·ч·атм)

L - расход жидкости, кг/(м3·ч)

 - удельная поверхность несмоченной насадки, м2/м3

C’, n - константы, зависящие от типа насадки


Где  - объемный коэффициент абсорбции, отнесенный к газовой пленке, кмоль/(м3·ч·атм)

 - удельная поверхность насадки, м2/м3

a - 0,288 + 0,00316u, (u - плотность орошения), м3/(м2ч)

b = 0,0059

 - вязкость раствора

Таблица 4.2

Насадка

n

Кольца Рашига d=9,5 мм d=25 мм

 1,53 0,81

 0,56 0,36

 485 190

Седловидная (насадка Берля), l = 25 мм

1,00

0,42

259


Выводы теоретического анализа:

.        По условиям равновесия абсорбция происходит тем полнее, чем ниже температура. Однако, скорость абсорбции тем выше, чем выше температура. На основании сопоставления термодинамических и кинетических факторов выбираем оптимальную температуру абсорбции 35-100оС. Реакции, протекающие при очистке, являются экзотермическими и обратимыми, при повышении температуры раствора химическое соединение разлагается с выделением исходных компонентов, регенерация раствора протекает при 120-135оС.

.        Согласно принципу Ле-Шателье увеличение давления способствует смещению равновесия в сторону продуктов реакции. На производстве применяется абсорбционный метод с давлением 2,5 - 2,8 мПа, с последующей тонкой очисткой растворами моноэтаноламина или едкого натра.

.        При десорбции применяется дросселирование поглотительного раствора, при котором раствор вскипает и CO2 выдувается образующимся водяным паром.

.        На основании справочных данных о влиянии степени карбонизации на температуру выпадения твердой фазы в водных растворах K2CO3, выбираем оптимальную концентрацию раствора 30 - 40%.

.       
СИНТЕЗ И АНАЛИЗ ХТС

5.1    ХИМИЧЕСКАЯ МОДЕЛЬ

Абсорбционная очистка газа - циклический процесс, на стадии абсорбции диоксид углерода поглощается растворителем, очищенный газ отправляется на последующую переработку, а насыщенный раствор регенерируют, что требует дополнительного расхода энергии. Процесс абсорбции проводим в массообменном аппарате типа насадочной колонны (насадка - кольца Рашига или седловидная насадка Берля).

Первоначально происходит физическая абсорбция CO2 раствором, после чего поглощенный диоксид углерода вступает в реакцию с карбонатом калия. Благодаря химической реакции растворенный CO2 переходит в связанной состояние (KHCO3). Концентрация свободного газа в жидкости уменьшается, а процесс абсорбции ускоряется. Особую важность представляет десорбция компонента и вторичное использование поташного раствора в целях экономии сырья. При десорбции применяется дросселирование поглотительного раствора, при котором раствор вскипает и CO2 выдувается образующимся водяным паром.

Очистка газа поташным раствором основана на взаимодействии диоксида углерода с карбонатом калия по суммарному уравнению

2CO3 + H2O + CO2 = 2 KHCO3

Скорость реакции практически полностью лимитируется скоростью медленно протекающей реакции в жидкой фазе

СO2 + ОН- = HCO3-

5.2 СТРУКТУРНАЯ СХЕМА

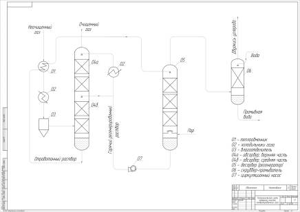
Схема 4.2.1 Структурная схема очистки конвертированного газа от СО2 раствором горячего поташа

Метод основан на применении относительно дешевого абсорбента, но имеет ряд недостатков: малая растворимость карбоната в воде (особенно бикарбоната), низкая скорость абсорбции, что приводит к необходимости значительной циркуляции раствора и обуславливает увеличение габаритов аппаратов. Кроме того, равновесное парциальное давление СО2 над растворами поташа достаточно велико, и не удается достичь тонкой очистки газа (0,08 - 0,15% СО2 в газ после очистки). Преимущество метода - сравнительно низкий расход тепла на регенерацию.

5.3 ТЕХНОЛОГИЧЕСКАЯ СХЕМА

Проведен анализ различных технологических схем, представленных в литературе[1] [4] [5] [8] [9]. Выделены следующие виды схем: с разделенным потоком, схема поташной очистки с активатором, схема поташной очистки без активатора.

Описание технологической схемы

Газ под давлением 12,5 - 15 атм при температуре 155оС, которая развивается при сжатии его в компрессоре, поступает в теплообменник 1, куда подводится отработанный раствор после абсорбции. Часть тепла газ передает раствору, охлаждаясь при этом до температуры 125-130 оС, затем проходит водяной холодильник 2, где охлаждается до 122оС, и через влагоотделитель 3 поступает в абсорбер 4.

В абсорбере имеется несколько слоев насадки из колец Палля. Сюда подается регенерированный раствор поташа, 2/3 которого из регенератора 5 поступает в нижнюю часть абсорбера при температуре 102 °С. Примерно 1/3 раствора охлаждается в водяном холодильнике до 80 °С и затем подается в верхнюю часть абсорбера. Такая схема циркуляции раствора способствует снижению остаточного содержания СО2 в газе.

В абсорбере 4 газ очищается с 18 - 19% начальной концентрации СО2 до остаточного содержания 0,3 - 1,5% и при температуре 80 °С выходит из абсорбера. Далее очищенный газ охлаждается в водяных холодильниках и, пройдя влагоотделитель, поступает на сжатие в газовые компрессоры.

Отработанный поташный раствор удаляется из абсорбера через автоматический клапан регулятора уровня, проходит теплообменник 1 и дросселируется в верхнюю часть регенератора 5, где поддерживается избыточное давление порядка 0,06 - 0,07 атм. При этом из раствора выделяется двуокись углерода, концентрация которой достигает 99,5 - 99,8% СО2.

Регенератор представляет собой вертикальный колонный аппарат с двумя слоями насадки из колец Палля. Раствор стекает сверху вниз по насадке; при нагревании его парам из раствора выделяется двуокись углерода. К низу регенератора подключен выносной подогреватель, в котором раствор нагревается глухим паром до 104 - 105 °С.

Горячий регенерированный раствор перекачивается из регенератора насосом 8 на орошение абсорбера 4. Уровень раствора в регенераторе регулируется изменением подачи свежего конденсата в куб этого аппарата.

Операторная и технологическая схема поташной очистки конвертированного газа от СО2 приведены в приложениях 1 и 2 соответсвенно.


.       
ВЫБОР И ОСНОВАНИЕ КОНСТРУКЦИЯ ОСНОВНОГО АППАРАТА

Основными аппаратами на стадии очистки являются абсорберы[7] и регенераторы, в которых осуществляются массообменные процессы поглощения и выделения диоксида углерода.

К массообменной температуре очистки предъявляют следующие требования:

·        Большая пропускная способность по газу и жидкости, что позволяет создать малогабаритные аппараты и делает возможным их транспортирование по железной дороге с завода изготовителя

·        Высокая степень насыщения хемосорбента а абсорбере, что обеспечивает высокие технико-экономические показатели процесса

·        Глубокая степень извлечения СО2 из газа, остаточное содержание не должно превышать 0,03 - 0,15% об.

·        Минимальный расход тепла в регенераторе