Материал: Обязанности локомотивной бригады по подготовке тормозного оборудования перед выездом из депо

Внимание! Если размещение файла нарушает Ваши авторские права, то обязательно сообщите нам

Обязанности локомотивной бригады по подготовке тормозного оборудования перед выездом из депо

Содержание

Введение

.        Ремонт пневматического контактора ПК - 96

.        Схема включения линейных контакторов

.        Обязанности локомотивной бригады по подготовке тормозного оборудования перед выездом из депо

.        Обязанности локомотивной бригады при ведении поезда

Литература

Введение

Железнодорожный транспорт является одной из важнейших отраслей экономики, от успешной деятельности которой в значительной мере зависит эффективное функционирование всего народнохозяйственного комплекса страны.

Железнодорожный транспорт играет важную роль в функционировании и развитии товарного рынка страны, в удовлетворении потребности населения в передвижении. Он является основным звеном транспортной системы России и большинства стран СНГ. Особая роль железных дорог Российской Федерации определяется большими расстояниями перевозок, отсутствием внутренних водных путей в главных сообщениях Восток - Запад, прекращением навигации на реках в зимний период, удаленностью размещения основных промышленных и аграрных центров от морских путей. В связи с этим на их долю приходится почти 50 % грузооборота и более 46 % пассажирооборота всех видов транспорта страны.

Устойчивая работа железнодорожного транспорта во многом зависит от надёжности тягового подвижного состава и эффективности его использования. Прежде всего, это создание потенциала перевозочных средств путем закупки нового подвижного состава, оздоровления парка пассажирских вагонов, локомотивов и электропоездов. Следующее направление - эффективное использование существующего подвижного состава путем повышения населенности, увеличения норм пробегов вагонов и электропоездов, существенности роста маршрутной скорости и составности поездов. Необходимо также совершенствовать технологию обслуживания пассажиров с применением современных технических средств.

Тяговый подвижной состав в локомотивном хозяйстве составляет самую большую часть в общей стоимости производственных фондов. Эффективность его использования - одна из важнейших задач не только организаторов, но и работников ремонтного производства и служб технического обслуживания в локомотивных депо.

В долголетней практике менялись названия ремонтов и их периодичность, содержание и объем работ видов ремонта, межремонтные пробеги и т.д., однако основной принцип организации этой системы остается и сегодня - планово-предупредительность при обязательном выполнении установленного объема работ на каждом виде ремонтов. В настоящее время отечественная вагоностроительная промышленность освоила производство пассажирских вагонов нового поколения. Однако из-за недостатка финансирования их закупка в требуемых объемах в течение последних лет не обеспечивается. В результате старение парка происходит значительно более высокими темпами, чем обновление. По мере износа подвижного состава ежегодно растет простой локомотивов в текущих ремонтах.

В этих условиях необходимы меры по реформированию ремонта и эксплуатации подвижного состава.

Стратегия совершенствования системы ремонта предусматривает увеличение межремонтных пробегов, приближение их предельных величин к технически обоснованному ресурсу базовых деталей и узлов, оказывающих решающее влияние на безопасность движения и эксплуатационную надежность.

Для решения этих задач необходимо существенно повысить качество ремонта подвижного состава. Следует улучшить использование рабочего времени локомотивных бригад.

1. Ремонт пневматического контактора ПК - 96

Пневматические контакторы предназначены для включения и отключения силовых цепей электровоза. Технические данные их следующие:

·        Тип контактора……………..ПК - 96

·        Номинальное напряжение между контактами, В………1500

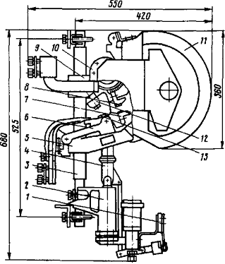
Контактор состоит из следующих основных узлов: неподвижного и подвижного контактов, пневматического привода 2, дугогасительной камеры 11 и электрической блокировки 1. Все узлы и детали аппарата смонтированы на изоляционном стержне 3. Узел неподвижного контакта состоит из кронштейна 9, дугогасительной катушки 10, главного контакта 12 и дугогасительного контакта 8. На кронштейне 5 подвижного контакта шарнирно установлен рычаг 6, несущий контактодержатель с главным контактом 13 и дугогасительным контактом 7. Главные контакты имеют накладки из композиции серебро-окись кадмия и предназначены для длительного прохождения через них тока. Дугогасительные контакты имеют накладки из композиции медь-вольфрам и предназначены для коммутации силового тока. Рычаг 6 изоляционной тягой 4 связан со штоком пневматического привода 2. Привод включает в себя цилиндр, отключающую пружину, шток, поршень и электромагнитный вентиль. Уплотнение поршня осуществляется резиновыми манжетами.

Пневматический контактор ПК-96.

Ремонт контактора: Линейные контакторы для ремонта разбирают полностью, остальные - при необходимости. Осмотреть и зачистить дугогасительные камеры и рога контакторов. Толщину стенки дугогасительной камеры измерить в зоне действия электрической дуги. Обратить внимание на состояние дугогасительных катушек и их выводов.

Проверка раствора и начального нажатия контактов осуществляется при разомкнутых контактах, а угла, контролирующего провал и конечное нажатие, - в замкнутом положении контактов при давлении сжатого воздуха в цилиндре привода 0,5 МПа (5 кгс/см2). Измерение нажатий осуществляется динамометром в момент трогания полоски тонкой бумаги.

Регулировать раствор и провал силовых контактов аппаратов при сборке взаимным перемещением кронштейнов подвижного и неподвижного контактов. Измерение линии касания силовых контактов проводится по отпечатку на бумаге.

После установки новых контактов проверить параметры контактного устройства и в случае необходимости отрегулировать его.

Контакты блокировки особого ухода и регулировки не требуют. Периодически проверять контактное нажатие. Регулировать его подгибкой пальцев. Проверить герметичность пневматического привода.

·        Раствор дугогасительных контактов, мм: …………………..24

·        Угол, контролирующий провал силовых контактов, °: …...

·        Начальное нажатие контактов дугогасительтных не менее, Н (кгс): ……………………….20(2)

2. Схема включения линейных контакторов

·        Для включения необходимо замкнуть ВА2 и ВА5.

·        Реверсивную рукоятку ставить либо в ППвп., либо в ППн.

Н0 - ВА5 - Н05 - (13-14)КМЭ - Н414 - (67-68)КМЭ - Э115 - БПтяга - соединение с корпусом

·        БП - блокировочные переключатели

Н0 - ВА5 - Н05 - (15-16)КМЭ - Э119 - БПтяга - Н91 - 49;50;251;252;253;254 - соединение с корпусом.

·        Силовые контакты 49;50 переключают цепи ТЭД в режим тяги

·        Блокировочные контакты 49;50; 251-254 - готовят цепи 51-54

·        Заслонки 251-254 переводятся в режим тяги

·        272 замыкает контакты в проводах Н303 - Н304 и создает цепь.

Н0 - ВА2 - Н02 - Кн "Цепи управления"(223) - Э1 - 213 - Н1 - (69-7)КМЭ - (63-64)КМЭ - Н2 - 267 - Н 303 - 272 - Н304 - 271 - Н305 - ЭПК - Н306(11-12)КМЭ - Э2 - 63вперед; 64вперед - соединение с корпусом.

Э2 - 63 - Н3 - 64 - Н5 - 133(247) - Н6 - ГПО;ГПО - Н7;Н8 - 270;270 - Н9;Н12 - 49;50 - Н331;Н335 - 251;253 - Н332; Н336 - 252;254 - Н13;Н14 - 129;130 - Н15;Н16 - 81;82 - Н17;Н18 - ОД1;ОД2;ОД3;ОД4 - Н21;Н22;Н23;Н24 - 51;52;53;54 - соединение с корпусом.

·        Силовые контакты 51-54 подключают ТЭД к тяговому трансформатору

·        Блокировочные контакты 51-54 ставят на самоподхват

·        Блокировочные контакты 51-54 гасят лампу "ТД"

3. Обязанности локомотивной бригады по подготовке тормозного оборудования перед выездом из депо

Перед выездом локомотива из депо или после его отстоя без бригады локомотивная бригада обязана осмотреть тормозное оборудование и проверить его действие.

При осмотре механической части тормоза обращают внимание на надежность крепления и исправность деталей рычажной передачи, предохранительных устройств, подвесок, тяг и балок, наличие шайб, шплинтов и чек. Выходы штоков тормозных цилиндров проверяют при давлении в них 3,8...4,0 кгс/см2.

Тормозные колодки подлежат замене при достижении предельной толщины, а также при наличии трещин, отколов кусков металла или клиновидного износа. При клиновидном износе толщину колодки измеряют на расстоянии 50 мм от тонкого края колодки. Если на этом расстоянии толщина колодки будет меньше предельной, то колодку бракуют. Смещение тормозных колодок за наружную грань поверхности катания бандажа не допускается (в эксплуатации допускается смещение не более 10 мм для локомотивов, обращающихся со скоростями до 120 км/ч). При отпущенном тормозе колодки должны равномерно отходить от поверхности катания колеса на расстояние 5... 15 мм и плотно прилегать к тормозным башмакам.

Проверяют работу ручного тормоза, который должен легко приводиться в действие.

Одновременно с проверкой состояния рычажной передачи выполняют смазку ее шарнирных соединений. Затем осматривают крепление воздухопроводной системы. Особое внимание обращают на плотность насадки соединительных рукавов и крепление их хомутиками.

В обеих кабинах управления контролируют правильность положения ручек разобщительных кранов, наличие пломб на предохранительных клапанах, фиксаторах разобщительных кранов к электропневматическим клапанам автостопа, на разобщительных кранах питательного воздухопровода и воздухопроводе от воздухораспределителя к крану усл. № 254, на разобщительных кранах питательного воздухопровода к реле давления тормозных цилиндров, разобщительном кране воздухопровода от тормозной магистрали к скоростемеру, манометрах.

Локомотивная бригада должна убедиться, что срок проверки манометров и предохранительных клапанов не истек.

Перед пуском компрессоров помощник машиниста проверяет уровень масла в картере, убеждается в наличии ремня вентилятора у каждого компрессора. После пуска компрессоров контролируют пределы изменения давления в главных резервуарах. Одновременно наблюдают за тем, чтобы не было ненормального стука или других дефектов. Давление масла в системе смазки компрессора должно быть не менее 1,5 кгс/см2 при частоте вращения 440 об/мин.

Затем поочередно открывают спускные краны на главных резервуарах и влагомаслоотделителях. Проходимость воздуха через соединительные рукава тормозной и питательной магистрали проверяют трехкратным открытием концевого крана.

4. Обязанности локомотивной бригады при ведение поезда

При ведении поезда машинист и его помощник обязаны:

следить за свободностью железнодорожного пути, сигналами, сигнальными указателями и знаками, выполнять их требования и повторять друг другу все сигналы, подаваемые светофорами, сигналы остановки и уменьшения скорости, подаваемые с железнодорожного пути и поезда;

следить за состоянием и целостностью поезда, а на электрифицированных участках, кроме того, и за состоянием контактной сети;

при входе на железнодорожную станцию и проходе по станционным железнодорожным путям подавать установленные сигналы, следить по стрелочным указателям за правильностью маршрута, за свободностью железнодорожного пути и сигналами, подаваемыми работниками железнодорожных станций, а также за движением поездов и маневровыми передвижениями на смежных железнодорожных путях, немедленно принимая меры к остановке при угрозе безопасности движения.     

После остановки поезда на железнодорожной станции, если в нем обнаружены какие-либо неисправности, машинист обязан немедленно доложить об этом дежурному по железнодорожной станции, а на участках, оборудованных диспетчерской централизацией, - диспетчеру поездному.

При необходимости остановки на железнодорожной станции машинист обязан остановить поезд, не проезжая выходного светофора (при его отсутствии - предельного столбика) пути приема. При этом локомотив грузового поезда должен быть остановлен у выходного сигнала (при его отсутствии - у предельного столбика). Не доезжая до них, машинист может остановить поезд, только если убедится через дежурного по железнодорожной станции по поездной радиосвязи, что весь состав установлен в границах полезной длины пути приема.        

В случае обнаружения в пути следования неисправности светофоров, автоблокировки, повреждения железнодорожного пути, контактной сети и других сооружений и устройств, неисправности в поездах, следующих по смежным железнодорожным путям, машинист обязан сообщить об этом дежурному по железнодорожной станции ближайшей железнодорожной станции или диспетчеру поездному. При наличии поездной радиосвязи сообщение об этих неисправностях машинист должен передать по радиосвязи дежурному по железнодорожной станции ближайшей железнодорожной станции или диспетчеру поездному, а при необходимости и машинисту поезда, следующего по смежному железнодорожному пути.

При следовании в условиях ограничения видимости (туман, ливень, метель и др.) сигналов, сигнальных указателей и знаков машинисту разрешается для обеспечения безопасности движения снижать установленную скорость движения поезда.

контактор электровоз локомотивный тормозной

Литература

1.      Электровоз ВЛ - : Руководство по эксплуатации Н.М. Васько, А.С. Девятков, А.Ф. Кучеров - 2 издание, переработ. И допол. М.; транспорт, 1990 - 151с (транспорт 1982 г.)

.        Автоматические тормоза подвижного состава Крылов В.И, Крылов В.В. Учебник для учащихся техникумов железнодорожного транспорта М.; Транспорт, 1983 - 360 е., илл.,табл.

.        Ремонт электроподвижного состава Находкин В.М., Яковлев Д.В. Учебник М.; Транспорт 1989 - 259с.

.        Учебник для нач. проф. образования/ Л.А. Собедин, В.И. Бахолдин, О.В. Зинченко, А.А. Воробьев. - М.; Издательский центр "Академия", 2004г. - 416с.

.        Регламент действия локомотивной бригады в аварийных и нестандартных ситуациях разработанных в локомотивном депо НОВОСИБИРСК в соответствии с телеграфным указанием ОАО "РЖД" №3/3500 от 26.10.2006г. - Новосибирск: "Наука", 2007г.