Материал: Образец отчета

Внимание! Если размещение файла нарушает Ваши авторские права, то обязательно сообщите нам

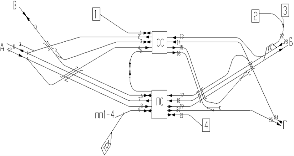
Схема узла с нумерацией линий узла

Таблица расчета загрузки участков

№ участ

ка

Прием поездов в сутки

Отправление поездов в сутки

Сумма передви

жений,

N, поезд

Наличная пропуск

ная способ

ность, Nн, поезд

Загруз

ка участ

ка, %

(N/Nн)∙

100

Пассажир

ские и пригород

ные

Грузовые транзит

ные с переработкой и без переработки

Передаточные

Пассажирские и пригородные

Грузовые транзит

ные с переработкой и без переработки

Передаточные

1

(21+10)/43=1

(21+10)/43=1

2

48

4,2

2

37

37

144

25,7

3

7

20

7

21

55

48

114,6

….

25

11

30

144

30,6

Схема узла с обозначением объединенных линий

Разработка технологии работы узла после развития

Пассажирские поезда (дальние, местные, электропоезда) пропускаются через пассажирскую станцию изолированно от маршрутов следования грузовых транзитных поездов.

Грузовые поезда (транзит с переработкой, транзит без переработки) поступают на сортировочную станцию изолированно от маршрутов следования пассажирских поездов.

Все местные вагоны поступают в составе разборочных поездов на сортировочную станцию. После расформирования на специальных сортировочных путях происходит накопление местных вагонов.

После накопления передаточные поезда отправляются на станции узла – ПС, ГС, где производится их расформирование и формирование подач на обслуживаемые предприятия. Порожние и погруженные вагоны обратным порядком в составе передаточных поездов поступают на СС, где перерабатываются и в составе поездов своего формирования отправляются из узла. Для упрощения расчетов принимается, что сдвоенных операций в узле не производится.