МИНИСТЕРСТВО ОБРАЗОВАНИЯ И НАУКИ РФ
Федеральное агентство по образованию
Рыбинский государственный авиационный технологический
университет им. П.А. Соловьева
|
Факультет |
Авиатехнологический |
|
|
(Наименование факультета)
|
|
Кафедра |
МСиПФ |
|
|
(Наименование кафедры)
|
|
Расчётно-пояснительная записка «Нормирование операций механической обработки» |
|
по дисциплине |
|
Процессы и операции формообразования |
|
(Наименование дисциплины) |
Вариант № 4
|
Студенты группы |
СТС 14 |
|
Макаров Д |
|
|
(Код) |
|
(Фамилия И. О.) |
|
Преподаватель |
профессор |
|
Рыкунов А.Н. |
|
|
(Уч. степень, звание)
|
|
(Фамилия И. О.) |
Рыбинск 2016

|
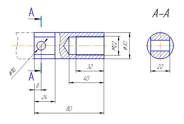
вариант |
деталь (эскиз) |
размеры, мм |
резьба метрическая |
обрабатываемый материал |
||||||||
|
А |
L |
D |
d |
внешний диаметр, мм |
допуск, мм |
шаг, мм |
внутренний диаметр, мм |
|
||||
|
4 |
4 |
22 |
80 |
30 |
10 |
М22 |
-0,021 |
2,4 |
20,38 |
ВТ1 |
||
ВТ1 – сплав на титановой основе, относится к VII группе обрабатываемости. σв=450…700 МПа. Ориентировочная скорость резанья при обработке инструментом из твёрдых сплавов 100…150 м/мин, при обработке инструментом из быстрорежущей стали 30…40 м/мин.
Операция 1. Сверление под резьбу и растачивание. Станок 16К20.


Операция 2. Нарезание резьбы. Станок 16К20.

Операция 3. Отрезка. Станок 16К20.

Операция 4. Фрезерование. Станок 6Т12.

Операция 5. Сверление. Станок 2Н135.

Сверление производим спиральным сверлом с коническим хвостовиком (ГОСТ 2092 – 77) диаметром d =19 мм.
Материал сверла – ВК8 (с. 90).
СОЖ – 2...5% эмульсия Укринол-1 (с. 58).
Геометрические параметры сверла выбираем согласно рис. 4 (с. 93):
2φ=125±2˚, α=12˚.
Стойкость сверла – 10 мин (согласно рекомендациям – с. 113).
Глубина резания:

Рекомендуемая подача (табл. 79, с. 98):
SP=0,1…0,2 мм/об.
По паспорту станка 16K20 (табл. 5.3) назначаем:
S=0,15 мм/об.
Расчетная скорость резания (с. 96):
.
Расчетная частота вращения:
.
По паспорту станка принимаем:
n=630 об./мин.
Фактическая скорость резания:
.
Суммарная длина врезания 40 и перебега 7 составляет 47 мм [3, с. 621]. Тогда машинное время обработки:

Штучное время обработки:

Мощность станка 10 кВт, проверяем достаточна ли её для сверления:



Для растачивания d =19 мм на длину 40 мм после сверления до
d=20,38-0,021 под резьбу M22 выбираем резец с пластиной из твёрдого сплава ВК6М.
СОЖ – 2...5% эмульсия Укринол-1 (с. 58).
Геометрические параметры резца по ГОСТ 18883-73
Стойкость резца – 60 мин (согласно рекомендациям – с. 113).
Глубина резания:

Рекомендуемая подача (табл. 21, с. 70):
SP=0,2…0,3 мм/об.
По паспорту станка 16K20 (табл. 5.3) назначаем:
S=0,25 мм/об.
Расчетная скорость резания (с. 72):

Расчетная частота вращения:
.
По паспорту станка принимаем:
n=1600 об./мин.
Фактическая скорость резания:
.
Суммарная длина врезания 3 и перебега 0 составляет 3 мм [3, с. 621]. Тогда машинное время обработки:

Штучное время обработки:

Проверяем точность обработки после растачивания d =19 мм на длину 40 мм после сверления до d=20,38-0,021 под резьбу M22



По справочнику [3, с. 254] выбираем инструмент – токарный резьбовой резец для нарезания метрической внутренней резьбы.
Материал режущей части – ВК6М (с. 193).
Геометрические параметры выбираем согласно рис. 19 (с. 192) и табл. 169: γ=0˚, α=8…10˚.
СОЖ – 2…5% эмульсия Укринол-1 (с. 58).
Глубину резания определяем из схемы обработки:

Подача равна шагу резьбы: S=2,4 мм/об.
Число проходов выбираем согласно табл. 179 (с. 193): черновых – 5, чистовых – 3, всего проходов i=8.
Назначаем стойкость резца, считая нарезание резьбы получистовой операцией (с. 71). Принимаем Т = 60 мин.
Скорость выбираем по табл. 171 (с. 194): VP=30…35 м/мин.
Расчетная частота вращения заготовки:
.
По паспорту станка 16К20 (табл. 5.3) назначаем: n=500 об./мин.
Определяем
машинное время обработки. Согласно
табл. 5 (с. 622), суммарную величину врезания
и перебега при нарезании резьбы в упор
рекомендуется принимать равной трем
шагам, что равняется 7,2 мм.

Штучное время обработки:

Отрезку производим резцом повышенной жесткости согласно рис. 17 (с. 190).
Материал режущей части – ВК6М (с. 189).
Геометрические параметры согласно рис. 17 (с. 190) и табл. 169: γ=5˚, α=8˚.
СОЖ – 2…5% эмульсия Укринол 1 (с. 58).
Рекомендуемая подача: SР=0,07…0,12 мм/об (табл. 167, с.69).
По паспорту станка 16К20 (табл. 5,3) назначаем: S=0,1 мм/об.
Рекомендуемая скорость: VP=53…63 м/мин (табл. 167, с. 189).
Расчетная частота вращения заготовки:
.
По паспорту станка 16К20 (табл. 5.3) назначаем: n=630 об./мин.
Фактическая максимальная скорость резания составит:

Определяем
машинное время обработки. Согласно
табл. 2 (с. 621), рекомендуется: величина
врезания – 3, перебег – 2. Следовательно:

Штучное время обработки:

Фрезерование производим концевой фрезой на вертикально – фрезерном станке мод. 6Т12.
Материал режущей части – твердый сплав ВК8 (с. 155).
СОЖ – 3…10% эмульсия Укринол-1 (с. 58).
Глубина резания определяется схемой: t=4 мм.
Число проходов i=2 (с двух сторон).
Ширина фрезерования (по чертежу детали) В=24 мм.
Диаметр фрезы Dф=32 мм, число зубьев 4.
Подача на зуб рекомендуется (табл.137, с. 157) в пределах 0,08…0,12 мм/зуб, принимаем SZ=0,1 мм/зуб.
Стойкость фрезы для титановых сплавов принимаем: Т=90 мин (с. 159).
Расчетная скорость равна:
.
Определяем расчетную частоту вращения фрезы:
.
По паспорту станка назначаем: n=1600 об./мин.
Определяем фактическая скорость резания:

Расчетная минутная подача:
.
По паспорту станка принимаем: SM=630 мм/мин.
Определяем фактическую подачу на зуб:
.
Машинное
время обработки определяется известной
формулой:
.
Длина фрезерования L1
определяется из схемы обработки: L1=30
мм. Суммарная величина врезания и
перебега при работе концевыми фрезами
составляет 10 мм [3, с. 623]. Следовательно:

Штучное время обработки:
