Материал: Насосные установки систем и сооружений водоснабжения и водоотведения

Внимание! Если размещение файла нарушает Ваши авторские права, то обязательно сообщите нам

Насосные установки систем и сооружений водоснабжения и водоотведения

СОДЕРЖАНИЕ

ВВЕДЕНИЕ

1. Теоретическое обоснование исследования

. Технологическая схема очистки сточных вод ОСК г. Оленегорска

. Определение состава сооружений в которых используются насосные установки

ВЫВОД

СПИСОК ИСПОЛЬЗОВАННЫХ ИСТОЧНИКОВ

ВВЕДЕНИЕ

Тема: Насосные установки систем и сооружений водоснабжения и водоотведения

Актуальность этой темы заключается в том, что при проектировании систем и сооружений при выборе их состава необходимо знать - какой тип насосных установок может быть использован.

Цель: Определение типов насосных установок в системах водоотведения.

Гипотеза: Согласно справочной литературе существуют 3 основных типа насосных установок: с положительной высотой всасывания, с отрицательной высотой всасывания и сифонного типа, которые используются в системах водоснабжения и водоотведения. Предполагаем, что к определенной системе может быть причислен определенный тип насосных установок.

Задачи:

. Изучение технологической схемы очистных сооружений канализации и определение состава сооружений, в которых используются насосные установки;

. Определение типов насосных установок, используемых в системах водоотведения;

Объект исследования: Очистные сооружения канализации г. Оленегорска.

Предмет исследования: Насосные установки сооружений по очистке сточных вод.

Проблема: Данных о принадлежности насосных установок к определенной системе водоснабжения и водоотведения - нет.

Этапы:

. Определили технологическую схему очистки сточных вод на очистных сооружениях канализации;

. Определили состав сооружений, в которых используются насосные установки;

. Систематизировали полученные данные и идентифицировали тип насосных установок.

. Сделали вывод.


.   ТЕОРЕТИЧЕСКОЕ ОБОСНОВАНИЕ ИССЛЕДОВАНИЯ

Насосами называют машины для сообщения энергии в рабочей среде. В зависимости от рода рабочего тела, различают насосы для капельных жидкостей и насосы для газов (газодувки и компрессоры).

Остановимся подробнее на жидкости. Преобразуя механическую энергию приводного двигателя в механическую энергию движущейся жидкости, насосы поднимают жидкость на определенную высоту, подают ее на необходимое расстояние в горизонтальной плоскости или заставляют циркулировать в какой-либо замкнутой системе. По принципу действия насосы подразделяют надинамические и объемные.

В динамических насосах жидкость движется под силовым воздействием в камере постоянного объема, сообщающейся с подводящими и отводящими устройствами.

В объемных насосах движение жидкости происходит путем всасывания и вытеснения жидкости за счет циклического изменения объема в рабочих полостях при движении поршней, диафрагм, пластин.

Работа любого насоса характеризуется следующими величинами:

Объемная подача - Q, [м3/с] - объем жидкости подаваемый насосом в напорный трубопровод за единицу времени.

Напор (удельная работа) - H, [Дж/кг] - полное количество энергии, сообщаемое 1 кг рабочего среды в насосе. Выраженный в метрах показывает высоту на которую можно поднять жидкость с помощью насоса.

Частота вращения (для насосов, имеющих вращающийся ротор) - n [об/мин]

Состояние среды на входе: (температура и давление); плотность среды - [кг/м3]

Мощность, N [Вт] - полная энергия, подводимая к насосу в единицу времени.

Коэффициент полезного действия КПД, - отношение полной энергии, подведенной к насосу, к энергии переданной жидкости.

Объемные насосы используются главным образом во вспомогательных системах. К объемным насосом относят поршневые, плунжерные, ротационные, шестеренчатые и некоторые другие насосы.

Рис 1. Схема поршневого насоса

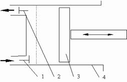
Поршневые и плунжерные насосы (рис.1) имеют цилиндр 4 и поршень 3, совершающий возвратно-поступательное движение. Цилиндр снабжен клапанами всасывания 1 и нагнетания 2. При прямом ходе поршня и открытом клапане 2 происходит процесс нагнетания рабочей среды в напорный трубопровод, при обратном ходе и открытом всасывающем клапане - заполнение объема цилиндра. Главная особенность работы поршневых насосов периодичность подачи и возвратно-поступательное движение и в связи с этим более сложный привод.

Рис 2. Схема ротационного насоса

Ротационные насосы (рис. 2) имеют цилиндрический ротор 2, эксцентрически расположенный в корпусе 1.

В радиальных щелях расположены подвижные пластины, которые под действием центробежных сил прижимаются к внутренней поверхности цилиндра. Рабочая среда поступает через патрубок всасывания 5 и переталкивается лопастями в патрубок нагнетания.

Рис 3. Схема шестеренчатого насоса

В шестеренчатом насосе (рис.3) полость всасывания 3 и полость нагнетания 2 разобщены находящимися в зацеплении зубчатыми колесами 1. Зубчатые колеса размещены в корпусе насоса с малыми осевыми и радиальными зазорами. Жидкость попадает в межзубчатое пространство и переталкивается из полости всасывания в полость нагнетания.

Рис 4. Схема струйного насоса

В струйном насосе-эжекторе (рис 4) поток рабочей жидкости разгоняется в сопле 1 и поступает в камеру смешения 2, в которой устанавливается пониженное давление. Камера 2 соединена с сосудом 6, в котором поддерживается более высокое давление.

За счет разницы давлений среда поступает в камеру смешения 2 и смешивается с рабочей жидкостью. Далее смесь поступает в камеру смешения 3 и расширяющиеся сопло, в котором повышается статическое давление и далее в патрубок нагнетания 5. В качестве рабочей жидкости обычно используют воду, пар или газ высокого давления. Преимущества струйных насосов: простота конструкции отсутствие движущихся частей, высокая надежность; недостатки: низкий КПД, высокий шум при использовании пара в качестве рабочей жидкости.

Рис 5. Схема МГД-насоса

В простейшем МГД - насосе (рис. 5) рабочий канал 3 размещен в зазоре между полюсами магнита 2. К каналу по шинам 1 подводится электрический ток (в других конструкциях ток в рабочем канале индуцируется за счет расположенных в непосредственной близости от него катушек-обмоток переменного тока). За счет взаимодействия электрического и магнитного полей возникает движение электропроводящей жидкости - движение проводника с током в магнитном поле. Преимущества МГД - насосов: простота конструкции и полной герметизации, отсутствие вращающихся частей, высокая надежность; недостатки: малый КПД, громоздкость, для работы многих типов МГД - насосов требуются специальные источники тока большой силы.

Лопастные насосы

К лопастным насосам относятся центробежные, диагональные и осевые, отличающиеся друг от друга по направлению потока жидкости на выходе из рабочего колеса.

Лопастные насосы также подразделяются по потоку жидкости за рабочим колесом (с полуспиральным, спиральным или кольцевым отводом, коленчатым отводом), по числу потоков внутри рабочего колеса (одностороннего и двухстороннего входа) и по числу ступеней рабочих колес в насосе - одноступенчатый, многоступенчатый.

Работа этих насосов основана на общем принципе - силовом взаимодействии лопастей рабочего колеса с обтекающим их потоком перекачиваемой жидкости.

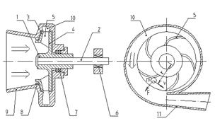
Основным рабочим органом центробежного насоса (рис 6) является свободно вращающееся внутри корпуса колесо 1, насаженное на вал 2. Рабочее колесо состоит из двух дисков (переднего 3 и заднего 4), отстоящих на некотором расстоянии друг от друга. Между дисками, соединяя их в единую конструкцию, находятся лопасти 5, плавно изогнутые в сторону, противоположную направлению вращения колеса. Внутренние поверхности дисков и поверхности лопастей образуют так называемые межлопастные каналы колеса, которые при работе насоса заполнены перекачиваемой жидкостью.

Ротор-вал с насаженными на него вращающимися деталями - вращается в подшипниках 6. Между вращающимися и неподвижными деталями могут быть установлены уплотнения для снижения утечек из насоса и уплотнения для уменьшения циркуляции внутри насоса.

Под действием этой силы жидкость выбрасывается из рабочего колеса, в результате чего в центре колеса создается разряжение, а в периферийной его части - повышенное давление. Для обеспечения непрерывного движения жидкости через насос необходимо обеспечить подвод перекачиваемой жидкости к рабочему колесу и отвод от него. Жидкость поступает через отверстие в переднем диске рабочего колеса по всасывающему трубопроводу (подводу 9). Движение жидкости по всасывающему трубопроводу происходит вследствие разности давлений над свободной поверхностью жидкости в приемном бассейне (атмосферное) и в центральной области колеса (разряжение).

Для отвода жидкости в корпусе насоса имеется расширяющаяся спиральная камера (в форме улитки, куда поступает жидкость, выбрасываемая из рабочего колеса. Спиральная камера переходит в короткий диффузор, образующий напорный патрубок, соединяемый обычно с напорным трубопроводом.

Рис 6. Схема центробежного насоса

Рис 7. Схема осевого насоса

Рабочее колесо осевого насоса (рис.7) состоит из втулки 1, на которой укреплено несколько лопастей 2, представляющих собой удобообтекаемое изогнутое крыло с закругленной передней, набегающей на поток кромкой.

Рабочее колесо насоса вращается в трубчатой камере 3, заполненной перекачиваемой жидкостью. При динамическом воздействии лопасти на жидкость за счет изменения скорости течения давление перед лопастью повышается, а за ней - понижается. Благодаря образующейся при этом силе основная масса жидкости в пределах колеса движется в осевом направлении, что и определило название насоса. Перед колесом устанавливаются неподвижные проточные элементы 4 (подводы), за колесом - отводы 5;

Осевые насосы выпускаются с жестко закрепленными на втулке лопастями рабочего колеса и с поворотными лопастями. По сравнению с центробежными осевые насосы имеют значительно большую подачу, но меньший напор. КПД осевых насосов достигает 0,9 и выше.

Диагональные насосы

Поток жидкости, проходящий через рабочее колесо диагонального насоса, направлен не радиально, как у центробежных насосов, и не параллельно оси, как у осевых, а наклонно, как бы по диагонали прямоугольника, составленного радиальным и осевым направлениями.

Вихревые насосы. Принцип действия машины

Вихревые насосы относятся к машинам трения. Рабочее колесо вихревого насоса аналогично колесу центробежного насоса, засасывает жидкость из внутренней части канала и нагнетает ее во внешнюю, в результате чего возникает продольный вихрь. При прохождении жидкости через рабочее колесо в вихревом насосе, как и в центробежном, увеличиваются кинетическая энергия жидкости (увеличивается ее скорость) и потенциальная энергия давления. Рабочим органом насоса является рабочее колесо с радиальными или наклонными лопатками. Колесо вращается в цилиндрическом корпусе с малыми торцовыми зазорами. Жидкость поступает через всасывающее отверстие в канал, перемещается по нему рабочим колесом и выбрасывается через выходное отверстие.

Рис. 8. Схема вихревого насоса: 1 - рабочее колесо; 2 - лопатка; 3 - корпус; 4 - всасывающее отверстие; 5 - выходное отверстие

Рис. 9. Схема вихревого насоса закрытого типа

Рабочим органом вихревого насоса является рабочее колесо 1 с радиальными или наклонными лопатками (рис. 9), помещенное в цилиндрический корпус с малыми торцевыми зазорами. В боковых и периферийной стенках корпуса имеется концентричный канал 2, начинающийся у всасывающего отверстия и кончающийся у напорного. Канал прерывается перемычкой 4, служащей уплотнением между напорной и всасывающей полостями. Жидкость поступает через всасывающий патрубок 5 в канал, прогоняется по нему рабочим колесом и уходит в напорный патрубок 3.

По типу рабочего колеса вихревые насосы делятся на насосы закрытого и открытого типов. У насосов закрытого типа (см. рис. 9) лопатки рабочего колеса короткие. Их внутренний радиус равен внутреннему радиусу канала. Жидкость подводится из всасывающего патрубка непосредственно в канал.

Рис. 10. Схема вихревого насоса открытого типа

Жидкость подводится из всасывающего патрубка 1, поступает в подвод 2, из которого через всасывающее окно 3 подводится к лопаткам рабочего колеса 4 и затем поступает в канал 5. От типа колеса зависят его кавитационные свойства, а также самовсасывающая способность и способность работать на газожидкостной смеси. Далее жидкость прогоняется по каналу рабочим колесом и через напорное отверстие 8 уходит в отвод 6 и напорный патрубок 7.

Насосы, применяемые для перекачки сточных и дренажных вод

Центробежные лопастные насосы, предназначенные для перекачки сточных вод, должны удовлетворять особым требованиям, обусловленным составом сточной жидкости, содержащей большое количество крупных и мелких отбросов, а также песок.

Состав сточной жидкости обусловливает некоторые конструктивные особенности динамических насосов: рабочее колесо закрытого типа значительно шире и имеет меньшее количество лопаток, чем у насосов, перекачивающих воду для водоснабжения городов; лопаткам придается более обтекаемая форма и на входном патрубке имеются люки- ревизии, через которые можно произвести очистку колеса и корпуса в случае засорения отбросами; в зону сальникового устройства подается чистая вода из технического водопровода под напором, превышающим напор насоса на 10…20 м; внутренняя полость корпуса защищена сменными дисками.

Динамические насосы для сточной жидкости подразделяются на центробежные (СД) и свободновихревые (СДС). Предназначены для перекачки хозяйственно-бытовых и производственных сточных вод и других неагрессивных жидкостей с pH= 6…8,5, плотностью 1050 кг/м3, температурой до 80оC и содержанием абразивных частиц по объему не более 1%, размером до 5 мм. Их выпускают с подачей 1,9…300 л/спри напоре 5,5…100 м и КПД 45…83%. По расположению вала насосы могут быть горизонтальными (Г); вертикальными (В); полупогружными (П). Насосы изготовляют с сальниковым или торцевым (Т) уплотнением вала и без уплотнения ; одно- и двухступенчатыми. Насосы типа СДС - горизонтальные, с сальниковым уплотнением вала одноступенчатые.

Корпус центробежного насоса имеет спиральный отвод упрощенной формы без выступающих частей. Проточные каналы насоса выполняют более широкими по сравнению с насосами для систем водоснабжения. Обтекаемая поверхность рабочего колеса позволяет устанавливать его заподлицо с поверхностью спирального каналы.

Рабочее колесо одностороннего входа закрытого типа имеет от двух до пяти лопаток обтекаемой формы. Благодаря уширению колеса и малому числу лопаток образуются межлопастные каналы значительных размеров, через которые можно пропускать жидкость с крупными механическими примесями. насосный водоотведение очистка сточный