Материал: Монтаж судовых холодильных установок

Внимание! Если размещение файла нарушает Ваши авторские права, то обязательно сообщите нам

горизонтальной плоскостях находится по зависимостям:


Результаты расчетов заносятся в таблицу максимально неуравновешенный момент равен:

=0

=0

1.4 Состав и расположение энергетической установки

Энергетическая установка размещена в трех смежных отсеках:

- отделении вспомогательных механизмов;

носовом машинном отделении;

кормовом машинном отделении.

Расположение основного оборудования в отделении вспомогательных механизмов, в носовом машинном отделении и кормовом машинном отделении показано на рисунке 2.

Каждое машинное отделение и отделение вспомогательных механизмов имеет один главный и один запасной вход и выход.

Для обслуживания механизмов и аппаратов в машинных отделениях и в отделении вспомогательных механизмов предусмотрены площадки, настилы, переходные трапы и ограждения.

Главная энергетическая установка с маршевыми и форсажными двигателями, двухвальная, с винтами фиксированного шага, работающая по схеме CODAG.

На каждую линию вала работает один маршевый и один форсажный двигатель своего борта вместе или по раздельности:

- маршевый дизельный двигатель - через двухскоростной нереверсивный редуктор и звукоизолирующую муфту;

форсажный газотурбинный двигатель - через односкоростной нереверсивный редуктор и шинно-пневматическую муфту.

Предусмотрена возможность работы одним из маршевых двигателей на обе линии вала.

На каждом из маршевых редукторов установлено валоповоротное устройство для проворачивания линии вала своего борта.

На каждом из форсажных редукторов установлено устройство для стопорения линии вала своего борта.

Состав и схема компоновки главной энергетической установки показаны на рисунке 2.

Рисунок 2 - Состав и схема компоновки главного газотурбинного агрегата

- Маршевый дизельный двигатель

- Фрикционно-кулачковая муфта (двигатель-редуктор)

- Фрикционно-кулачковая муфта (редуктор-приставка)

- Маршевый редуктор

- Маршевая редукторная приставка

- Звукоизолирующая муфта

- Форсажный газотурбинный двигатель

- Форсажный редуктор

- Шинно-пневматическая муфта

В состав ГЭУ входят:

- маршевая часть, включающая два маршевых двигателя (1), два маршевых редуктора (4) и маршевую редукторную приставку (5);

форсажная часть, включающая два форсажных реверсивных двигателя (7), два односкоростных редуктора (8) и две шинно-пневматические муфты (9);

локальные системы автоматического управления, защиты, регулирования и контроля.

Маршевые двигатели (1) подключены к своим редукторам (4) фрикционно-кулачковыми муфтами (2). Между форсажными двигателями (7) и их редукторами (8) разобщительных муфт нет.

Линия вала каждого борта проходит через расточку большого колеса форсажного редуктора и соединена с маршевым редуктором звукоизолирующей муфтой (6).

При наполнении сжатым воздухом воздушных баллонов шинно-пневматических муфт (9) форсажные редукторы подключаются к валопроводу.

При опорожненных баллонах шинно-пневматических муфт валопровод и форсажные редукторы друг с другом не связаны.

Помимо маршевых и форсажных редукторов в состав ГЭУ входит маршевая редукторная приставка (5), подключаемая к маршевым редукторам фрикционно-кулачковыми муфтами (3).

При включенных фрикционно-кулачковых муфтах (3) любой маршевый двигатель может работать на оба гребных винта, чем обеспечивается повышенная экономичность установки. Неработающий маршевый двигатель при этом отключается от редуктора своей фрикционно-кулачковой муфтой (2), а форсажные редукторы отсоединяются от валопровода шинно-пневматическими муфтами (9).

2. Специальная часть

.1 Задачи системы кондиционирования воздуха

Основная задача мобильной установки кондиционирования воздуха - создание комфортного микроклимата в жилых и служебных помещениях судна при неработающих, по тем или иным причинам, штатных системах кондиционирования и вентиляции. Под микроклиматом понимают совокупность физико-химических свойств воздушной среды и тепловых излучений в помещениях.

На судах колебания содержания кислорода в воздухе помещений незначительны и практически не влияют на самочувствие людей. Загрязнение воздуха пылью, дымом и другими вредными веществами, а также поступление тепла (холода), вызывающее изменение физических параметров воздуха (температуры и относительной влажности), оказывают неблагоприятное воздействие на человека. Воздух, подаваемый в помещения системой кондиционирования, должен ассимилировать эти вредные примеси, причем количество и параметры воздуха должны обеспечивать ассимиляцию преобладающей вредности.

Содержание углекислого газа в воздухе в небольших количествах практически безвредно для человека. Однако одновременно с выделением СО2 через дыхательные органы человека выделяются аммиак, сероводород и т. п. Вследствие длительного пребывания людей в закрытых помещениях появляются также запахи человеческого тела, табачного дыма, приготовляемой пищи. Из-за невозможности точного определения вредных выделений людьми принимается, что все загрязнения воздуха человеком пропорциональны выделениям углекислоты, и расчет количества наружного воздуха, подаваемого в помещения, производится по некоторой допустимой норме ее концентрации. Это количество воздуха является минимальным, обеспечивающим необходимый химический состав воздуха в помещениях, и подача его, как правило, не вызывает затруднений.

Значительно сложнее обеспечить в судовых помещениях определенное сочетание физических параметров воздуха - температуры и относительной влажности, - которые вместе с подвижностью воздуха и температурой ограждений характеризуют метеорологические условия в помещении.[9]

Теплообмен организма человека с окружающей средой происходит в основном тремя путями: конвекцией, излучением и испарением влаги с поверхности кожи. Количество тепла, выделяемого человеком, непостоянно и зависит от возраста, физической нагрузки, параметров окружающей среды и т.д.

Человек чувствует себя хорошо, когда в установившемся режиме организм отдает столько тепла и влаги в окружающую среду, сколько вырабатывает. Нарушение тепловлажностного равновесия между человеком и окружающей средой приводит к переохлаждению или перегреву тела. При этих условиях организм человека становится более восприимчивым к заболеваниям. Нарушение функций организма лучше всего восстанавливается при температуре воздуха 25°С, относительной его влажности 45-65% и скорости движения 0,2-0,4 м/сек.

Интенсивность передачи тепла конвекцией и излучением зависит от перепада температур между поверхностью тела человека и окружающей средой, включая внутренние ограждения помещений. С повышением температуры окружающей среды этот перепад температур уменьшается, а следовательно, уменьшается и количество тепла, отводимого от тела человека конвекцией и излучением. Тепло, отводимое от человека этим путем, называется сухим, или явным qявн.

Если температура воздуха равна или выше температуры тела человека, то отвод тепла происходит только путем испарения влаги с поверхности кожи при относительной влажности менее 100% и с выдыхаемым воздухом. Тепло, отводимое от человека, путем испарения, называется влажным, или скрытым, qскр.

На рис. 2.1 показано изменение количества ощутимого и скрытого тепла, отводимого от человека, находящегося в спокойном состоянии, в зависимости от температуры окружающего воздуха. Из графика видно, что при температуре воздуха ниже 15°С теплоотдача испарением играет незначительную роль. При температуре выше 28°С основная часть тепла отводится путем испарения. При этом существенное значение будет иметь степень подвижности воздуха.

Рис. 2.1. График изменения количества ощутимого и скрытого тепла, отводимого от человека, в зависимости от температуры окружающего воздуха.

При увеличении физической нагрузки на человека происходит перераспределение статей теплового баланса в сторону увеличения доли тепла, отводимого с испарением влаги. На судах, плавающих в южных и тропических районах, температура в жилых помещениях часто превышает температуру тела человека. В этих широтах атмосферный воздух обычно высокой влажности, что ухудшает отвод тепла от тела человека испарением. Все это приводит к снижению работоспособности, появлению чувства подавленности и т.д.

Таким образом, для создания микроклимата требуемых параметров система кондиционирования воздуха должна обеспечивать:

. Подачу в помещение воздуха в количестве, необходимом для ассимиляции вредных примесей.

. Очистку подаваемого в помещение воздуха от пыли, дыма и других загрязнений.

. Охлаждение и осушение или подогрев и увлажнение подаваемого воздуха для поддержания в помещении заданной температуры и относительной влажности.

. Необходимую подвижность воздуха в обитаемой зоне помещения.

Системой комфортного кондиционирования воздуха называется комплекс средств и устройств, обеспечивающих создание и поддержание в судовых помещениях микроклимата заданной кондиции при различных параметрах наружной среды и внутренних тепло- и влаговыделениях.

.2 Выбор оптимальной системы кондиционирования

Системы кондиционирования воздуха можно классифицировать по следующим основным признакам:

1. Сезонности работы (сезонные, круглогодичные).

. Назначению (комфортные и технологические).

. Месту получения холода и тепла и месту обработки воздуха:

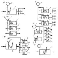
а) центральные - производство холода (тепла) и обработка всего количества вентилирующего воздуха централизованы (рис. 2.2, а); центральные системы применяются для обслуживания нескольких одинаковых по тепловлажностному режиму помещений (на судах может быть установлено несколько центральных систем кондиционирования воздуха);

б) местные - централизовано только производство холода и тепла, а воздух обрабатывается в каждом помещении отдельно или в одном месте - для небольшой группы смежных помещений (рис. 2.2, б); хладоноситель и теплоноситель от центральной установки подаются по трубопроводам к местным кондиционерам;

в) местно-центральные - производство холода и тепла централизовано, а обработка воздуха осуществляется частично в центральном кондиционере, где обычно обрабатывается свежий воздух, и в местных эжекционных кондиционерах, где обрабатывается рециркуляционный воздух (рис. 2.2, в);

г) групповые, отличающиеся от местных только тем, что обработка воздуха осуществляется в групповых кондиционерах, обслуживающих большие группы смежных и несмежных помещений (рис. 2.2, г);

д) местно-групповые - предварительная обработка свежего (или свежего с рециркулируемым) воздуха производится в групповом кондиционере, а доведение его параметров до требуемых значений осуществляется в местных кондиционерах (рис. 2.2, д); хладоносители и теплоносители обрабатываются в центральной установке и подаются к соответствующим кондиционерам;

е) автономные - производство холода (тепла) и обработка воздуха осуществляются в отдельных автономных кондиционерах, располагаемых непосредственно в кондиционируемых помещениях (рис. 2.2, е); применяются также групповые автономные кондиционеры, обслуживающие несколько близлежащих судовых помещений.

Рисунок 2.2- Принципиальные схемы систем кондиционирования воздуха

Классификации по месту получения холода (тепла) и способу обработки воздуха: а - центральные; б - местные; в - местно-центральные; г - групповые; д - местно-групповые; е - автономные.

- холодильная машина; 2 - центральный кондиционер; 3 - местный кондиционер; 4 - групповой кондиционер; 5 - автономный кондиционер.

Системы кондиционирования воздуха можно классифицировать только по месту обработки воздуха. В этом случае они будут подразделяться на следующие:

центральные - обработка всего вентилирующего воздуха для ряда помещений осуществляется в центральном или групповом кондиционерах;

местные или автономные - воздух обрабатывается в небольших местных кондиционерах, размещаемых в самих помещениях;

местно-центральные - осуществляется двухступенчатая обработка воздуха сначала в центральном, а затем в местном кондиционере.

При такой классификации указанные выше групповые системы будут относиться к центральным, автономные - к местным и местно-групповые - к местно-центральным.

В практике кондиционирования системы часто классифицируют по давлению, создаваемому вентилятором, и подразделяют на низконапорные и высоконапорные. К низконапорным относят системы со скоростями движения воздуха в воздуховодах менее 15 м/сек, а к высоконапорным - с более высокими скоростями.

Напор, развиваемый вентилятором, зависит не только от скорости движения воздуха, но и от требуемой величины давления перед воздухораспределительным устройством, конструкции и длины воздуховодов. Величина давления перед воздухораспределителем зависит от его конструкции (с эжектированием или без него). Поэтому правильнее классифицировать системы по скорости движения воздуха и наличию эжекционных устройств в воздухораспределителях.

. По скорости движения воздуха в воздуховодах системы кондиционирования подразделяются на низкоскоростные (скорость воздуха в магистральных воздуховодах составляет 15-17 м/с, в отводах 6-8 м/с), среднескоростные (соответственно 17-22 и 8-12 м/с) и высокоскоростные (22-30 и 12-20 м/с). [6, стр. 146].

Основное конструктивное преимущество высокоскоростных систем по сравнению с низкоскоростными - меньшее сечение воздуховодов. Однако с повышением скорости возрастают гидравлические сопротивления, в связи с чем увеличиваются затраты мощности на привод вентилятора и значительно нагревается воздух (на 4-7С0). Последнее обусловливает увеличение требуемой холодопроизводительности системы. Высокоскоростные системы при скоростях около 20 м/сек имеют повышенный уровень шума. [9, стр. 9]

. По числу магистральных воздуховодов системы кондиционирования подразделяются на одноканальные, двухканальные и бесканальные. В одноканальных системах весь воздух в кондиционерах обрабатывается до заданных параметров и поступает в обслуживаемые помещения по одному каналу. В двухканальных воздух подается в помещение по двум параллельным воздуховодам. Параметры воздуха в каждом канале имеют свои заданные значения. В помещениях воздух смешивается в необходимых количествах, в результате чего обеспечиваются его требуемые параметры. Бесканальные системы применяются при установке в помещениях местных или автономных кондиционеров.

. По составу обрабатываемого в центральном кондиционере воздуха системы подразделяются на: