Материал: Монтаж каркаса одноэтажного четырехпролетного промышленного здания

Внимание! Если размещение файла нарушает Ваши авторские права, то обязательно сообщите нам

Монтаж каркаса одноэтажного четырехпролетного промышленного здания

1.Область применения технологической карты

Монтаж каркаса одноэтажного четырехпролетного промышленного здания с размерами в плане 240х36м производится продольным методом с комплексной схеме установки конструкций. В поперечных конструкциях одноэтажного здания цехов с железобетонным каркасом применяем железобетонные двухветвевые колонны серии КЭ-01-52, подкрановые железобетонные балки длиной 6 м серии КЭ-01-50. Для перекрытия пролета применяем балки стропильные двускатные решетчатые серии 1.462-3 пролетом 12 м с шагом 6м. Высота от пола до низа стропильных ферм 9,6 м.

Работы следует выполнять руководствуясь требованиями следующих нормативных документов:

СП 48.13330.2011. #M12291 5200023СпСОрганизация строительства;

#M12291 871001100СП 70#S.13330.2012. Несущие и ограждающие конструкции;

#M12291 901794520СНиП 12-03-2001#S. Безопасность труда в строительстве. Часть 1. Общие требования;

#M12291 901829466СНиП 12-04-2002#S. Безопасность труда в строительстве. Часть 2. Строительное производство.

Рисунок 1 - План здания

2. Объемы выполняемых монтажных работ

Перед определением объёмов монтажных работ составляется спецификация сборных железобетонных конструкций, необходимых на всё здание. Спецификация сборных элементов приведена в таблице 2.1.

Таблица 2.1- Спецификация сборных элементов

Наименование конструкции

Характеристика конструкции

Потребность на здание


Размеры, м

Масса,т

Площад, м2

Объём, м3

Кол-во, шт

Масса, т

Объём, м3


длина

ширина

высота







Колонна: К1 К2

10,6 10,6

0,4 0,4

0,38/0,8 0,6/0,8

7.1 9.2

- -

2.84 10.64

88 44

624.8 404.8

249.92 161.92

Подкрановая балка

5,95

0,6

1

4.15

-

1.66

160

664.0

265.60

Ферма

17,94

0,24;0,28/0,24;0,28

3

7.8

-

3.12

88

684.4

274.56

Плита покрытия

5,97

2,98

0,37

2.9

17,79

1.16

480

1392.0

556.80


Таблица 2.2 -Ведомость объемов работ

Наименование процессов

Ед.изм.

Объем работ

1

2

3

1.Монтаж железобетонных колонн крайних рядов в стаканы фундамента

шт.

88

2.Монтаж железобетонных колонн средних рядов в стаканы фундамента

шт.

44

3.Замоноличивание стыков колонн с фундаментами

шт.

132

4.Монтаж железобетонных подкрановых балок

шт.

160

5.Электросварка стыков подкрановых балок с колоннами

м

240

6.Монтаж железобетонных ферм

шт.

88

7.Электросварка стыков ферм с колоннами

м

132

8.Монтаж плит покрытия

шт.

480

9.Электросварка закладных деталей плит покрытия с балками покрытия

м

192

10.Замоноличивание швов между плитами покрытия

м

4320

3. Выбор метода монтажа конструкций

каркас промышленный здание

В данной курсовой работе применяется продольный метод монтажа несущих конструкций железобетонного каркаса одноэтажного промышленного здания. При этом методе кран перемещается вдоль здания, последовательно устанавливая элементы по продольным координационным осям.

Монтаж конструкций осуществляется с предварительным их складированием в зоне действия монтажного крана в технологической последовательности их монтажа. Разгрузка и раскладка конструкций производится специальным краном отдельной такелажной бригадой. Колонны разгружаются и раскладываются в положении на «ребро».

Раскладку плит покрытия в пролёте производят на площадь, освободившуюся после монтажа подкрановых и стропильных балок.

Монтаж конструкций здания выполняется двумя потоками:

первый поток - колонны;

второй поток - подкрановые и стропильные балки и плиты покрытия.

Таким образом, принимаем комбинированный метод монтажа конструкций. Раздельным методом монтируются колонны в фундаменты стаканного типа. Монтаж последующих конструкций (подкрановых балок, стропильных балок и плит покрытия) выполняется после набора бетоном замоноличенного стыка прочности не менее 70% проектной прочности. Подкрановые и стропильные балки и плиты покрытия монтируются одним потоком, т.е. комплексным методом.

4. Выбор монтажного крана и захватных приспособлений

.1 Выбор грузозахватных приспособлений

Грузозахватные приспособления необходимые при монтаже всех конструкций приведены в таблице 4.1.

Таблица 4.1 - Монтажные приспособления

Наименование

Эскиз

Грузоподъёмность, т

Масса, кг

Расч. высота стр, м

Назначение

Траверса унифицированная ЦНИИОМТП РЧ455-69

10

180

1,0

Монтаж колонн

Траверса, ПК Сталь-монтаж, 1950-53

10

460

1,8

Монтаж ферм длинной 18м

Строп четырёхветвевой 4СК-4

4

200

3

Монтаж плит покрытия 3х6 м



4.2 Определение рабочих параметров и выбор крана

Методика выбора крана заключается в определении требуемых параметров - грузоподъёмности, вылета и высоты подъёма крюка, длины стрелы и сопоставления их с грузовыми характеристиками возможных к применению кранов.

Требуемая грузоподъёмность кран Q составляет:

Qкртр = mэ + mт +mоб, (4.1)

где mэ - масса элемента, т;

mт - масса грузозахватных устройств (строп, захватов, траверс), т.

mоб - масса обустройства монтируемых элементов, условно 0 т, ;

Требуемая высота подъёма крюка:

, м

где  - превышение основания конструкции над уровнем стоянки крана;

 - запас по высоте при перемещении монтируемой конструкции над установленными ранее. Принимается  - минимальный запас по правилам Ростехнадзора;

 - высота монтируемой конструкции;

 - расчётная высота строповки (от верха конструкции до крюка крана).

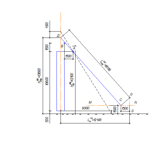
Монтаж колонны производим с помощью траверсы РЧ-455-69

 т;

.

Lкртр = 12,148 м (определяется графически рис 4.1)

Рисунок 4.1 -Схема определения параметров крана при монтаже колонны

Монтаж фермы производим с помощью траверсы ПК Сталь-монтаж, 1950-53

 т,

,

где  - отметка верха колонн;

Lкртр = 5,336 м (определяется графически рис 4.2)

Рисунок 4.2 - Схема определения параметров крана при монтаже ферм

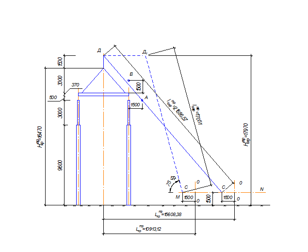
Монтаж плит покрытия производим с помощью стропа четырехветвевого 4СК-4.

Qкртр = 2,9+0,2=3,1 т

Нкртр =9,6+3+0,5+0,37+3=16,47 м

Lкртр = 15,61м - при монтаже основной стрелой; Lкртр =10,91 м - при монтаже гуськом. (определяется графически рис 4.3)

Рисунок 4.3 - Схема определения параметров крана при монтаже плит покрытия

Данные о требуемых основных рабочих параметрах крана сведены в таблицу 4.2.

Таблица 4.2 - Требуемые параметры крана

Наименование элементов (конструкций)

Масса одного элемента, т

Требуемые параметры крана



Высота подъема крюка, м

Вылет крюка, м

Длина стрелы, м

Колонны

9,2

12,1

12,15

16,12

Фермы

7,8

14,9

5,33

15,39

Плиты покрытия при монтаже: - основной стрелой - стрелой с гуськом

 2,9

 16,47 16,47

 15,61 10,91

 21,69 17,05



По требуемым параметрам принимаем стреловой самоходный гусеничный кран СКГ-401 с длиной стрелы 22 м, гусек 5 м.

Рисунок 4.4 -График грузоподъемности крана СКГ-401


5. Определение трудоемкости работ, состава звеньев и бригад

Таблица 5.1- Состав комплексной бригады

Наименование процессов

Профессия

Разряд

Кол-во в смену




І

ІІ

Монтаж колонн, подкрановых балок, ж/б балок покрытия, ж/б плит покрытия

Монтажник

6

1

1



5

1

1



4

1

1



3

1

1



2

1

1


Машинист

6

1

1

Бетонирование стыков колонн с фундаментами; Заливка швов между плитами

Монтажник

4

1

-



3

1

-

Электросварка закладных деталей

Электросварщик

6

1

1


Итого в каждой смене: I смена- 9 чел., II смена - 7 чел.

Всего в бригаде 16 человек.

Таблица 5.2- Калькуляция трудовых затрат

Наименование работ

Ед. изм.

Объём

§§ЕНиР

Норма времени чел-час

Трудоёмкость

Состав звена








Профессии

Разряд

Кол-во







чел-ч.

чел-дн




1

2

3

4

5

6

7

8

9

10

11

1

Монтаж сборных ж/б колонн крайнего ряда в стаканы фундаментов массой 7,1т, с помощью кондукторов

шт.

88

Е4-1-4, т.2

п.6а

4,9

431,2

53,9

Монтажник Монтажник Монтажник Монтажник

5 4 3 2

1 1 2 1






п.6б

0,98

86,24

10,78

Машинист

6

1

2

Монтаж сборных ж/б колонн среднего ряда в стаканы фундаментов массой 9,2т, с помощью кондукторов

шт.

44

Е4-1-4 ,т.2

п.7а

5,7

250,8

31,35

Монтажник Монтажник Монтажник Монтажник

5 4 3 2

1 1 2 1






п.7б

1,14

50,16

6,27

Машинист

6

1

3

Замоноличивание стыков колонн с фундаментами объемом менее 0,1 м3

шт.

132

Е4-1-25, т.1, п.1а

0,81

106,92

13,365

Монтажник Монтажник

4 3

1 1

4

Монтаж железобетонных подкрановых балок длиной 6 м массой 4,15 т

шт.

160

Е4-1-6 ,т.3

п.3в

6,5

1040

130

Монтажник Монтажник Монтажник Монтажник

5 4 3 2

1 1 2 1






п.3г

1,3

208

26

Машинист

6

1

5

Монтаж ферм пролетом 18м массой 7,8 т

шт.

88

Е4-1-6 , т.4

п.3а

8

704

88

Монтажник Монтажник Монтажник Монтажник Монтажник

6 5 4 3 2

1 1 1 1 1






п.3б

1,6

140,8

17,6

6

1

6

Монтаж плит покрытия площадью 17,79 м2

шт.

480

Е4-1-7

п.11а

1,2

576

72

Монтажник Монтажник Монтажник

4 3 2

1 2 1






п.11б

0,3

144

18

Машинист

6

1

7

Элек. стыков под. балок с колоннами при нижнем расположении шва, свариваемая сталь 12 мм

10 м.

24

Е22-1-2 п.1,г

6,5

280,8

35,1

Электросварщик

6

1

8

Электросварка стыков ферм с колоннами при нижнем располож. шва, свариваемая сталь 12 мм

10 м.

13,2

Е22-1-2 п.1,г

6,5

85,8

10,725

Электросварщик

6

1

9

Элек. закладных деталей плит покрытия с фермами при нижнем распол. шва, свариваемая сталь 12 мм

10 м.

19,2

Е22-1-2 п.1,г

6,5

124,8

15,8

Электросварщик

6

1

10

Замоноличивание швов между плитами покрытия

100 м.

43,2

Е4-1-26 п.3а

4

172,8

21,6

Монтажник Монтажник

4 3

1 1




Таблица. 6. Потребность в материальных ресурсах

Наименование технических средств

Тип, марка

Количество

Занятость смен

Кран гусеничный

СКГ-401

1

2

Автомобильный гидроподъемник

АП-17А

2

2

Сварочный трансформатор

Урал 306И

1

2

Электроды

Диаметр 6 мм Э42

2

Строп четырехветвевой

4СК-4,0

1

2

Строп двухветвевой

2СК-5,0-2000

2

2

Строп канатный кольцевой

СКК-5,0-2000

2

2

Траверса

РЧ-455-69

1

2

Траверса

ПК Стальмонтаж, 1950-53

1

2

Кондуктор

Одиночный полуавтаматический

3

2

Вибратор

Глубинный ЭПк-1300

2

2

Клиновой вкладыш ЦНИИОТМТП

№7

264

2

Фиксатор

ЦНИИОМТП № 756

264

2

Инвентарная распорка

Промстройпроект серия 04-00-1, альбом 4

3

2

Оттяжки из пенькового каната

15+20 мм

4

2

Нивелир

2Н-КЛ

1

2

Теодолит

2Т-30П

1

2

Рулетка измерительная металлическая

#M12291 1200004328ГОСТ 7502-98#S

1

2

Уровень строительный УС6-1-750

#M12291 9054168ГОСТ 9416-83#S

2

2

Отвес стальной строительный

#M12291 9054167ГОСТ 7948-80#S

2

2

Лом стальной

#M12291 1200016702ГОСТ 2310-77#S*

2

2

Лопата растворная

ЛР,ГОСТ 19596-87#S

2

2

Молоток плотничный

МПЛ

2

2

Топор строительный

А-2, ГОСТ 18578-89#S

2

2

Кельма для бетонных работ

КБ, ГОСТ 9533-81#S

2

2

Ящик для раствора

П-829

1

2

Каски строительные

ГОСТ 12.4.087-84#S

16

2

Жилеты оранжевые


16

2

Ограждение инвентарное


50 м

2

Временное ограждение лестничных маршей и площадок

ПИ Промсталь- конструкция 4570Р-2

2 комплекта

2

Пояс предохранительный

ГОСТ Р 50849-96,#S особый

16#M122930 901702098

2

Костюм брезентовый


1

2

Перчатки диэлектрические


2 пары

2

Сапоги резиновые


16 пар

2

Рукавицы рабочие х/б (верхонки)


16 пар

2


Таблица. 7. Технико-экономические показатели

Наименование показателя

Ед. изм.

Величина показателя

1. Общий объем смонтированных конструкций

м3

1508,8

2. Трудоемкость монтажа на весь объем работ

чел-дн

550,49

3. Продолжительность выполнения работ

дн

41

4. Трудоемкость на 1 м3 сборного железобетона

чел-дн/м3

0,365

5. Выработка на одного рабочего в смену

м3/чел.-дн.

2,74

6. Общие затраты машино-смен крана

маш-см

78,66



Список использованной литературы

1.     СП 70.13330.2012. Несущие и ограждающие конструкции

2.     СНиП 12-03-2001. Безопасность труда в строительстве. Часть 1. Общие требования. - М. :Изд-во «Приор», 2001. - 64 с.

3.     СНиП 12-04-2002 Безопасность труда в строительстве. Часть 2. Строительное производство. - М. :Изд-во «Книга-сервис», 2002. - 48 с

4.     ЕНиР. Сборник Е4. Монтаж сборных и устройство монолитных железобетонных конструкций. Вып. 1. Здания и промышленные сооружения/Госстрой СССР - М: Стройиздат. 1987. -64 с.

5.      ЕНиР. Сборник Е22. Сварочные работы. Вып. 1. Конструкции зданий и промышленных сооружений/Госстрой СССР - М: Прейскурантиздат. 1987. -56 с.

.        КТ 4.1-4.2-77. Карта трудового процесса строительного производства. Установка двухветвевых железобетонных колонн массой от 8,5 до 15 т

.        Возведение каркаса одноэтажного промышленного здания. Методические указания по выполнению курсовой работы по дисциплине «Технология возведения зданий и сооружений» для студентов специальности 270102.65 «Промышленное и гражданское строительство». Серов К.А., Мартос В.В., Серова А.Г. - Н. Новгород.: Нижегородский государственный архитектурно-строительный университет, 2013.-45 с.

.        ГЭСН 81-02-07-2001. Бетонные и железобетонные конструкции сборные / Госстрой России, 2000. - 104 с.

.        Хамзин, С.К. Монтаж строительных конструкций: учеб. пособие для вузов по спец. Пром. и гражд. стр-во. М. : Высш. шк., 1987. - 423 с

10.