Материал: Монтаж і експлуатація бурових насосів

Внимание! Если размещение файла нарушает Ваши авторские права, то обязательно сообщите нам

Порівнявши всі вище розраховані характеристики вибираємо трипоршневий буровий насос односторонньої дії НБТ-600. У порівнянні із іншим прототипом із забезпеченням необхідних параметрів має менші габаритні розміри та масу.

.3 Розрахунок штока насоса

Розрахунок штока насоса односторонньої дії ведеться на стійкість при поздовжньому згині і на витривалість. Шток насоса виготовлено із сталі 30Х 13 ДСТУ 1050-95, з наступною термообробкою - нормалізацією [9]:

границя міцності sв=950 МПа;

-     границя текучості sт=750 МПа;

-        границя витривалості s-1=350 МПа.

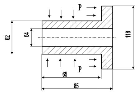
Рисунок 2.2 - Розрахункова схема штока

Визначаємо гнучкість штока за формулою:

, (2.34)

де m - коефіцієнт приведеної довжини, у випадку коли стержень з одного боку защемлений, а з іншого закріплений в направляючій m=1,0 (табл.45[9]);- довжина штока, мм, L=565 мм;

іmin - найменший радіус інерції штока.

, (2.35)

де d - діаметр штока, d=65 мм.

При гнучкості  коефіцієнт запасу визначається за формулою Ясінського:

 (2.36)

де σкр - критичне напруження стиску, для вуглецевих легованих сталей

 (2.37)

 МПа.

Визначаємо напруження стиску, що діють в перерізі штока

 (2.38)

де Рмах - максимальне навантаження на шток, МПа;- площа перерізу штока, мм².

 (2.39)


, (2.40)

де Рн - максимальний тиск насоса, МПа;В - діаметр циліндрової втулки, м;- довжина поверхні контакту ущільнення поршня з циліндровою втулкою, b=0,045 м;- коефіцієнт тертя між манжетою поршня та циліндровою втулкою, f = 0,15.

Обчислюємо добутки всіх діаметрів комплектуючих циліндрових втулок на дозволений максимальний тиск для втулок кожного діаметру.

Для подальшого розрахунку приймаємо максимальну величину.

Отже, стійкість штока є достатньою, тому що n > nmin=2.

Розрахунок штока на витривалість проводимо за формулою:

 (2.41)

де σ-1 - межа витривалості на стиск на повітрі при симетричному циклі, для сталі 30Х 13 σ-1к=350 МПа;

КσD=1,83 - ефективний коефіцієнт концентрації напружень;

φσ=0,1 - коефіцієнт чутливості матеріалу до середнього напруження циклу.

Коефіцієнт запасу витривалості знаходиться в допустимих межах.

.4 Розрахунок циліндрової втулки насоса


Розрахунок циліндрової втулки насоса ведеться на міцність за границею текучості матеріалу. При цьому втулка розглядається як циліндр (товстостінний чи тонкостінний), що навантажений рівномірним внутрішнім тиском.

Матеріал втулки - сталь 20Х ДСТУ 1050-95 з наступним цементуванням робочої поверхні на глибину h = 2...2,2 мм, HRC 60...62, границя текучості sт=650 МПа [9].

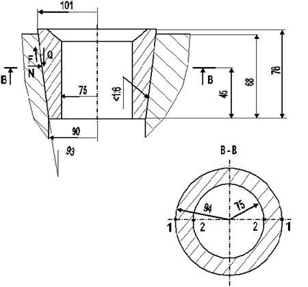
Рисунок 2.3 - Розрахункова схема циліндрової втулки

Нерівність

 (2.42)

де d - товщина стінки циліндрової втулки, мм;ср - середній радіус циліндрової втулки, мм.

На основі нерівності (2.42) визначаємо тип циліндрів, до яких належить циліндрова втулка з найбільшим внутрішнім діаметром.

 (2.43)

 (2.44)


Отже, дана циліндрова втулка належить до товстостінних циліндрів, а значить інші циліндрові втулки, якими комплектується насос належать до об’єктів того ж типу.

Для визначення еквівалентного напруження, що діє в перерізі циліндрової втулки, скористаємося третьою теорією міцності.

 (2.45)

Для товстостінного циліндра можна записати:

 (2.46)

де sq - тангенційні напруження, що діють в перерізі втулки;

sr - радіальні напруження, що діють в перерізі втулки.

Напруження, що діють в перерізі втулки, обчислюються за методикою описаною в [9].

, (2.47)

де k - відношення зовнішнього і внутрішнього діаметрів;

р - допустимий робочий тиск для втулки даного діаметру, р=11,3 МПа.

Втулка випробовується тиском

.


Отже, за формулою (2.47)

За [9] с. 413  (2.48)

Підставивши чисельні значення в (2.46), отримаємо:

Визначаємо коефіцієнт запасу міцності:

 (2.49)

Отже, умова міцності виконується, тому що необхідний мінімальний коефіцієнт запасу міцності для циліндрової втулки складає [n]=1,5 [1].

Перевіряємо міцність втулки при мінімальному внутрішньому діаметрі d=120 мм. Максимальний робочий тиск складає Р=25 МПа.


Отже, умова міцності виконується.

.5 Розрахунок сердечника поршня

Розрахунок сердечника поршня насоса ведеться на міцність за границею текучості матеріалу. При цьому сердечник розглядається як циліндр, що навантажений рівномірним зовнішнім тиском.

Матеріал сердечника - сталь 45 ДСТУ 1050-95, для якої границя текучості sт=360 МПа і t=220 МПа [9].

Небезпечними є точки сердечника біля внутрішньої поверхні, де головні напруження такі:

; , (2.50)

де  

(див. рис. 2.4);

р - робочий тиск насоса, р=25 МПа.

Рисунок 2.4 - Розрахункова схема сердечника поршня


Згідно формули (2.45) еквівалентне напруження, що діє в перерізі сердечника буде рівне

, (2.51)

де [n] - нормативний коефіцієнт запасу міцності [1].


Тоді


Приймаємо

Визначаємо силу, яка діє на опорний бурт сердечника

, (2.52)

де S - площа на яку діє тиск рідини, м².


Визначаємо напруження зрізу, які виникають в сердечнику

, (2.53)

де S1 - площа зрізу бурта сердечника, м².

, (2.54)

де h - товщина опорного бурта, м.

Отже, умова міцності виконується.

.6 Розрахунок сідла клапана

Розрахунок проводиться для сідла вхідного клапана, як найбільш наванта- женого. Розрахункова схема представлена на рисунку 2.5.

Сідло клапана виготовляється із сталі 12ХНЗА ДСТУ 1050-95 з наступним цементуванням на глибину h 1,5...2,5 мм HRC=59...64. Конструкційний матеріал має наступні механічні характеристики [9]:

      границя міцності σв=950 МПа;

-        границя текучості σт=700 МПа.

Також нам відомо: P=25 МПа; α =9031’.

Рисунок 2.5 - Розрахункова схема сідла клапана

Визначаємо радіус конічної поверхні сідла клапана в перерізі В-В:

, (2.55)

де r1’- менший радіус конічної поверхні сідла клапана, мм;2’- більший радіус гнізда (конічного отвору) гідрокоробки під встановлення сідла клапана.

Визначаємо зусилля запресування сідла клапана

, (2.56)

де Р- розрахунковий тиск, МПа.

, (2.57)

де Рmax- максимальний тиск, який створює насос, МПа;

К- коефіцієнт перевантаження по тиску в вхідній частині насоса К=1,15 [1].

Визначаємо площу повної контактної поверхні конуса

, (2.58)

де a- кут нахилу твірної конічної поверхні сідла клапана.

Визначаємо нормальне навантаження на конічну поверхню сідла клапана

, (2.59)

де f - коефіцієнт тертя, f=0,15 [9].

Визначаємо нормальний тиск на конічну поверхню сідла клапана

, (2.60)

Допустима величина нормального тиску становить [P]=120 МПа [9]. Отже, умова [P] >P виконується.

Визначаємо напруження в точці 1(рисунок 2.5) в момент нагнітання:

колове напруження

, (2.61)

де rc- радіус прохідного перерізу сідла, м.

радіальне напруження

Визначаємо еквівалентне напруження

, (2.62)

Визначаємо коефіцієнт запасу по границі текучості

 (2.63)

Мінімально допустиме значення коефіцієнта запасу становить [n]=1,5 [9], отже умова міцності за границею текучості [n]<n виконується.

Визначаємо напруження в точці 2 (рисунок 2.5) в момент нагнітання:

колове зусилля

, (2.64)

радіальне напруження: .

Визначаємо коефіцієнт запасу міцності за границею текучості


Мінімально допустиме значення коефіцієнта запасу складає [n]=1,5 [9]. Отже, умова міцності виконується [n]<n.

.7 Розрахунок тарілки клапана на міцність

Тарілка клапана розраховується як шарнірно оперту по периметру круглу пластину. Розрахункова схема тарілки приведена на рис. 2.6.

Тарілка клапана виготовлена із матеріалу сталь 12ХН 3А ДСТУ 1050-95 з наступним процесом цементування на глибину h=1,5...2,5 мм HRC 56..60 [9]:

-     границя міцності  МПа;

-        границя текучості  МПа;

         границя витривалості  МПа.

Рисунок 2.6 - Розрахункова схема тарілки клапана.

Проводимо розрахунок тарілки клапана на згин.

Визначаємо інтенсивність згинаючого моменту в перерізі А-А

, (2.65)

де  - коефіцієнт Пуасона, ;1 - відстань від осі тарілки до краю сідла клапана, r1=81 мм;2 - відстань від осі тарілки до розрахункового перерізу, r2=18 мм.

Визначаємо інтенсивність згинаючого моменту в коловому напрямі

 (2.66)

Визначаємо напруження в точці 2 (рис. 2.6) в радіальному напрямі

, (2.67)

де h - товщина тарілки в перерізі 1-2, h=0,026 м.

Визначаємо напруження в точці 2:

 (2.68)

Визначаємо еквівалентні напруження в точці 2:

 (2.69)

Визначаємо амплітуду та середнє напруження пульсуючого циклу