МІНІСТЕРСТВО ОСВІТИ І НАУКИ УКРАЇНИ
НАЦІОНАЛЬНИЙ УНІВЕРСИТЕТ “ЛЬВІВСЬКА ПОЛІТЕХНІКА”
ІКТА
Кафедра ІВТ
ЗВІТ
ДО ЛАБОРАТОРНОЇ РОБОТИ № 4
З КУРСУ:
“ Метрологія та вимірювання”
НА ТЕМУ:
“ ВИМІРЮВАННЯ ЕЛЕКТРИЧНОГО ОПОРУ НА ПОСТІЙНОМУ СТРУМІ ”
Підготував:
Студент групи КБ-24
Войтович О.О.
Прийняв:
Гамула П.Р.
Львів 2019
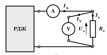
Мета роботи: набути практичних навиків вимірювання електричного опору на постійному струмі за допомогою амперметра та вольтметра, цифрового омметра і тестера та оволодіти методикою опрацювання результатів експерименту.
Схема для проведення експерименту

