Реферат
Методы исследования плазмы
Классификация (активные, пассивные, контактные, бесконтактные). Метод электрических зондов Ленгмюра. Метод магнитных зондов, оптические, корпускулярные методы исследования плазмы.
Диагностика плазмы использует методы ряда фундаментальных физических наук:
атомная физика (спектроскопия во всех диапазонах волн) - анализ спектров.
ядерная физика (анализ продуктов ядерных реакций)
квантовая электроника (эксперименты по рассеянию лазерного излучения на плазме)
радиофизика (зондирование плазмы с помощью радиоволн)
электротехника (зондовые и магнитные измерения).
Направления исследований
измерение концентрации заряженных и нейтральных частиц;
измерение энергетического распределения заряженных частиц;
измерение потоков энергии и частиц на стенки;
измерение T электронной и ионной компонент;
исследование направленного движения плазмы как целого;
исследование ВЧ спектров плазмы;
измерение энергетического времени жизни плазмы;
измерение коэффициента диффузии, теплопроводности,
электропроводности и т.д.
пассивные методы (анализ излучения) см на обороте);
активные методы (просвечивание плазмы сфокусированным интенсивным пучком эл-маг. излучения. По его рассеянию и ослаблению можно оценить характеристики плазмы).
контактные методы (маг. и эл. зонды) - для холодной плазмы.
бесконтактные методы - для горячей плазмы
Пассивные методы (анализ потоков частиц из плазмы) подразделяются на следующие группы:
анализ потоков излучения: стационарные методы (определяют интегральные характеристики) и динамические (регистрируют развитие процесса во времени). Детекторы для измерения энергетических характеристик: термопары, болометры, терморезисторы. Детекторы для измерения спектральных составляющих: спектрометры + фоторегистраторы;
анализ потоков частиц. Детекторами служат различные формы: фарадеевы цилиндры (для анализа заряженных и нейтральных частиц. Нейтральные частицы могут быть преобразованы в заряженные).
Потоки энергии измеряются калориметрическими методами. Детекторами служат пластины (~ погл. 20%) и глубокие цилиндры (до 100 %).
Динамические измерения производятся с помощью германиевого терморезистора. Разрешение во времени ~ 10 мкс., чувствительность ~
-4 Дж.
Одним из первых - метод электрического зонда Ленгмюра.
Позволяет определить: концентрацию n, температуру е-, потенциал плазмы.
Достоинство - локальность измерения характеристики.
Применяют в холодной, разреженной плазме.
Размер зонда выбирают l " λсв. пр.
Пренебрегают электронно-ионной эмиссией, распылением зонда
под действием частиц, магнитным полем зонда. Материал зонда W, Mo
(поволока).
Рис. 1
Рис. 2. Ионный поток насыщения. Электронный + ионный ток.
Электронный ток насыщения
I.
: - электроны не проходят на зонд.
Остаётся ионный ток
Формула хаотического токаi - средняя скорость;- площадь зонда;
/2 - половина ионов движется от зонда;
С ростом U (|U| уменьшается, U<0) наиболее быстрые электроны начинают преодолевать барьер eU зонда и попадают на зонд. I начинает понижаться (I=Ii-Ie-).
Вокруг зонда будет облако ионов на расстоянии ~Rg (дебаевский).
В точке S Ii=Ie.. |U| уменьшается - электронный ток растёт, Iобщ=Ii-Ie-.
e>Ii. В точке 0 Ii =0, Uзонда= Uплазмы.
. Весь электронный ток идёт на зонд, плотность тока = j хаотического электронного тока в плазме.
Перемещая зонд можно построить распределение потенциалов,
следовательно, установить распределение Епрдольн.,
.
Возможно определение температуры электронов:
=
(1)
где jeo - ток насыщения;- потенциал зонда по отношению к потенциалу плазмы;
Логарифмируя (1), а затем дифференцируя по U получаем:
=
=
=
tgα - наклон графика I=I (U), построенного в
полулогарифмическом масштабе (Рис.3) (т.е. гр. ln je=f (U3).
Рис. 3
А также можно определить концентрацию е - и ионов в
плазме:
Метод позволяет измерить распределение концентрации по сечению столба плазмы.
При создании высокотемпературной плазмы в некоторых случаях
требуется измерить токи
. Для измерения таких токов используют
методы:
пояс Роговского;
метод шунтов.
Метод пояса Роговского.
Рис. 4
Ток вызывает магнитное поле. Трансформатор тока. Бесконтактность.
Процесс измерения не влияет на процессы в разряде. В качестве пояса Роговского
используются катушки или проводники, расположенные в области протекания тока.
Обычно r, R малы по сравнению с индуктивными сопротивлением катушки.
точнее:

→ ne =
- эдс
электронно-магниитной индукции
где Φ - магнитный поток, связанный с катушкой.- количество витков в катушке.
Используют импульсный осциллограф: В итоге
где I - ток разряда;- ток в катушке;
Метод шунтов.
Рис. 5
Рис. 7 Конструкция шунта
очень маленькое, λ шунта необходимо уменьшать.
Встречное направление тока
Рис. 6
С ростом ω, следовательно, R повышается на ВЧ, но ω меняется, следовательно, меняется и R, это одна из трудностей измерений.
Большие токи, текущие через зонд, вызывают механические силы, которые могут его деформировать - необходимо жёстко закреплять шунты - ещё одна трудность, используют шунты больших размеров, применяются реже, чем пояс Роговского.
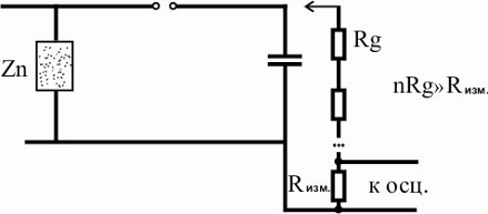
Измерение высоких напряжений.
постоянное U (на накопителях энергии - ёмкостях);
импульсное U - на газовом промежутке при разряде.
Постоянные U - делитель из сопротивлений.
Рис. 8
Импульсные U. При измерении ВЧ-сигналов шунтирующие ёмкости будут искажать измерения, и перераспределять U по Rg, Rизм. Для повышения точности необходимо уменьшать Rg, Rизм., следовательно, повышается мощность, следовательно, емкостной делитель Cg"Сизм. Чтобы Zn не шунтировалось Cg, её выбирают ~ nФ.
Для широкого диапазона измерений параллельно соединяют омический и емкостной делитель.
При измерении больших ёмкостей I и U, необходимо бороться с ВЧ помехами, идущими от камеры разряда.
Методы:
удаление измерений аппаратуры от источника помех;
блоки управления и регистрирующая аппаратура помещается в экранирующие оболочки (комнаты, шкафы);
соединение установки с измерительными приборами выполняют с помощью коаксиальных экранированных кабелей, которые дополнительно помещают в трубы, оплётку и т.д.;
разъемы с экранированными корпусами;
повышенные требования к заземлителям;
защита сети от перенапряжений, перепадов, вызванных импульсным разрядом, следовательно, используют разделительные трансформаторы ВЧ фильтры.
Метод магнитных зондов.
Если измерение I и U позволяет определить усреднённые характеристики разряда, то миниатюрные магнитные катушки позволяют регистрировать локальные характеристики:
распределение Н-поля в плазме;
токи, их распределение;
давления и плотности энергии в плазме.
Этот метод - КОНТАКТНЫЙ (бесконтактных методов измерения конфигурации магнитных полей пока не найдено).
Магнитный зонд - миниатюрная катушка, намотанная тонким проводом.
Зонд размещён в исследуемом объёме через вакуумное уплотнение с возможностью
перемещения по объёму и поворота по φ.
Рис. 9
. Управляемый разрядник;
. Емкостной накопитель;
Необходимо определить распределение электромагнитного поля. На катушке регистрируется
т.е. необходимо выполнить интегрирование сигнала, это делается
графически, или с помощью специального устройства R-C-цепи.
Рис. 10
н - согласующее сопротивление.
Зонд изменяет параметры плазмы:
локальное охлаждение среды;
возмущение токов;
взаимодействие с быстрыми частицами;
Происходит распыление зонда, загрязнение плазмы. В горячей плазме зонд просто сгорает.
Применение: космическая плазма, МГД-генераторы и т.д.
холодная плазма.
Оптические методы исследования плазмы.
Спектральный анализ, определение ni, ne-, Te-.
Обычная фотография применима для стационарной медленно-меняющейся плазмы. Для регистрации быстропротекающих процессов, когда необходима не интегральная характеристика, а развитие процесса во времени, используют сверхскоростные фоторегистраторы. Параметры: до 108 кадров/с с длительностью экспонирования менее 5нс.
Принципиальная схема.
Рис. 11
Ограничения по скорости записи:
качество поверхности зеркала;
скорость вращения зеркала.
Для кадровой развёртки вводят диафрагму с системой линз.
В качестве высокоскоростного затвора используют ячейку Керра. Ёе действие основано на изменении плоскости поляризации кристалла под влиянием электрического поля. Время установления ~ 10-10 с, с учётом внешних емкостей (провода, ввода) - время перезаряда ~ 5∙10-8 с.
При записи быстропротекающих процессов из-за малого времени экспонирования чувствительность плёнки бывает недостаточна. Кроме этого спектральная чувствительность плёнки не всегда совпадает со спектром излучения плазмы. Используют электронно-оптические усилители яркости и электронно-оптические преобразователи изображения. Принцип - преобразование излучения в электронный сигнал, который в свою очередь, после усиления, преобразуется в видимое излучение или электрон. Сигнал регистрируется, вводится в компьютер.
Пример: прибор ночного видения - преобразует ИК-диапазон в видимое
излучение с усилением.
Рис. 12
Если ф/катод чувствителен к ИК, УФ, рентгеновским излучениям, получаем преобразование изображения по диапазону.
При подаче импульсного U можем изучать короткие временные интервалы, рассматривать динамику процесса.
Качество (в зависимости от качества люминофора, экрана, вакуума) достигает 1000 линий/мм.
Для усиления изображения используется несколько секций (каскадов).
Кус ~ 105, разрешение падает до 10 линий/мм. Необходима тщательная экранировка от электрических и магнитных полей.
В высокотемпературной плазме основную роль играет тормозное
излучение электронов на ядрах атомов и ионах. Спектральная плотность излучения
в предположении максвелловского распределения частиц по V, изотропности и
стационарности, химической однородности газового разряда определяется общей
формулой Зоммерфельда. Её упрощённый вариант имеет такой вид:
(1)
где
- комптоновская длина волны электрона
χn - энергия ионизации;- заряд иона;
ν - частота излучаемого фотона;
Те - температура электронов;i ~ ne - концентрации.
Часто используют (Еλ) терм - спектральная плотность
отнесённую к шкале длин волн. Определяя максимум функции (1) можно найти
температуру электронов т.к. максимум определяется соотношением:
(2)
Начало страницы пояснений, т.е. чем выше Те тем короче длина волны излучения, соответствующего максимуму функции Еλ (λ). Определив Те, можно получить значения ni ~ ne из формулы Зоммерфельда. Для снятия характеристики (1) необходим диспергирующий прибор (разлагающий излучение в спектр) и измеритель мощности.
Жесткое рентгеновское излучение регистрируется с помощью сцинтилляционных датчиков. Обычно для этого используют кристалл NaJ, обработанный Те. Он помещается в защитный экран против обычного излучения. При попадании γ-кванта в кристалл возникает вспышка света, интенсивность которой пропорциональна энергии кванта. Сигнал попадает в ФЭУ и регистрируется. Регистрация излучения из плазмы - целое направление в диагностике плазмы. Используются бесконтактные пассивные методы.
К пассивным методам диагностики относятся методы регистрации
потоков частиц. Основным устройством, применяющимся для измерения интенсивности
потоков, является цилиндр Фарадея.
Рис. 13
Заряженные частицы создают ток I, который регистрирует осц. С помощью диафрагм и внешнего магнитного поля или комбинации электрического и магнитного полей можно выделять потоки частиц различных энергий, следовательно, делать спектральный анализ.
Цилиндр можно изготавливать из нескольких частей, на которые попадают составляющие пучка с различными энергиями. Нейтральные частицы регистрируются по их действию на специальные датчики. Например: генерация электронов, генерация световых квантов и т.д.