Материал: ЛР_2

Внимание! Если размещение файла нарушает Ваши авторские права, то обязательно сообщите нам

МИНОБРНАУКИ РОССИИ

Санкт-Петербургский государственный

электротехнический университет

«ЛЭТИ» им. В.И. Ульянова (Ленина)

Кафедра КСУ

отчёт

по лабораторной работе №2

по дисциплине «Системы управления судовыми электроэнергетическими системами»

Тема: Изучение способов решения дифференциальных уравнений

Вариант 2

Студенты гр. 6408

Нуртазин И.

Абашев А.И.

Преподаватель

Абдуллаева З. М.

Санкт-Петербург

2020

Цель задания:

Изучение и сравнительная оценка вариантов расчёта переходных процессов при решении дифференциального уравнения первого порядка, описывающего изменение тока в цепи при включении R-L нагрузки на источники постоянного (переменного) тока.

Порядок выполнения работы:

  1. Рассчитать переходные процессы в электрической R-L цепи постоянного тока при решении дифференциального уравнения аналитическим методом;

  2. Рассчитать переходные процессы в электрической R-L цепи постоянного тока при решении дифференциального уравнения методом Эйлера;

  3. Рассчитать переходные процессы в электрической R-L цепи постоянного и переменного тока при решении дифференциального уравнения с использованием пакета Матлаб/Симулинк.

План проведения работы:

Исходное состояние: Выключатель S разомкнут

В момент времени t0 катушка индуктивности (рис.1.1) с активным сопротивлением R и индуктивностью L включается в сеть постоянного (переменного) тока с напряжением U,

Рис.1.1. Схема экспериментальной математической модели

  1. Расчет переходных процессов в электрической R-L цепи постоянного тока аналитическим методом.

Исходные данные: .

Найти зависимость , в катушке индуктивности после подключения её к источнику постоянного тока. Построить график .

По II закону Кирхгофа:

Постоянная времени τ находится следующим образом

Переходный ток в цепи находим как сумму установившейся и свободной составляющей тока:

Где

iсв равно:

А найдем из начальных условий, при , следовательно

t

0

0,005

0,01

0,015

0,02

0,025

0,03

0,035

0,04

0,045

0,05

iпер

0

8,66

13,9

17,09

19,02

20,19

20,9

21,33

21,59

21,75

21,85

Рис.2. Переходный процесс тока цепи

  1. Расчет переходных процессов в электрической R-L цепи постоянного тока методом Эйлера.

Величина Δx называется шагом интегрирования. При малом Δx имеет место:

Обозначив , получим

Принимая теперь ( ) за новую исходную точку, точно также получим

И таким же образом продолжаем нахождение

τ= 0.01

Время переходного процесса равно 3*τ = 0,03

Возьмем N=18 шагам, чтобы время t достигло примерно 0,05.

– шаг интегрирования

Производная тока равна

Ток в конце первого шага равен

В конце второго шага получаем:

t

0

0,003

0,006

0,009

0,012

0,015

0,018

0,021

0,024

0,027

0,03

0,033

iпер

0

6,6

11,22

14,454

16,71

18,30

19.41

20.18

20.73

21.11

21.37

21.56

Вся таблица не поместилась в файл, поэтому продолжение представлено на рисунке 3.

Рис.3. Ток цепи методом Эйлера.

  1. Расчет переходных процессов в электрической R-L цепи постоянного и переменного тока средствами пакета Матлаб/Симулинк.

Листинг программы:

clear,clc,

u=0;

u0=0;

i=0;

t=0;

ph0=0.57;

R=5;

f=50;

L=0.05;

Um=110;

dt=1e-4;

N=3000;

t0=0.1 ;

regim=2;

for k=1:N

t=[t t(k)+dt];

if t(k) >=t0

if regim==1

u= [u Um];

else

u=[u Um*sin(2*pi*f*t(k)+ph0)];

end

else

u=[u u0];

end

di=(u(k)-i(k)*R)/L*dt;

i=[i i(k)+di];

end

plot(t,i);

Полученные графики:

Рис.4. Ток при постоянном u Рис.5. Ток при переменном u

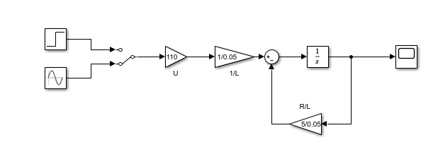
Схема выглядит следующим образом:

Рис.6. Структурная схема.

Параметры sine wave:

Рис7. Параметры sine wave.

Результаты моделирования:

Рис.8. Ток при постоянном и переменном напряжении.

Выводы:

В данной л/р мы провели методы расчёта цепи первого порядка с реактивным (индуктивным) сопротивлением.

Проделано несколько методов исследования данной цепи. Проанализировав каждый метод и сравнив результаты, получим схожесть всех методов. Графики совпадают и числовые значение – тоже.