Материал: Лекция 35 Регулирование скорости ДПТ. ч2

Внимание! Если размещение файла нарушает Ваши авторские права, то обязательно сообщите нам

Регулирование скорости ДПТ. Ч 2.

Регулирование скорости вращения двигателя независимого возбуждения изменением напряжения якоря. В тех случаях, когда двига-

тель предназначен для работы в условиях широко переменной скорости, наиболее целесообразным в отношении использования двигателя и надежности его работы является способ изменения его скорости с помощью изменения напряжения на якоре при независимом возбуждении, позволяющий иметь полную величину потока при всех скоростях.

В том случае, когда напряжение на зажимах двигателя можно регулировать плавно от нулевого значения до наибольшего, можно иметь не только широкую, экономичную и плавную регулировку скорости двигателя, но и безреостатный пуск его в ход без потерь в пусковом реостате.

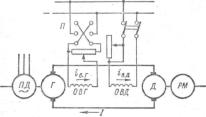
Наиболее типичными системами подобного рода являются: А) система Леонарда или система генератор-двигатель (сокращенно ГД) и Б) система Леонарда-Ильгнера или система генератордвигатель с маховиком (сокращенно ГДМ). Одна из возможных принципиальных схем системы ГД показана на рис. 5.18.

Здесь ПД – первичный двигатель трехфазного тока, сочле-

Рис.Рис5.18. .Схемасистемысистемы« генератор«генератор– двигатель-» ненный на одном валу с генера-

двигатель»

тором постоянного тока Г и образующий совместно с последним систему, предназначенную для преобразования энергии перемен-

ного тока в энергию постоянного тока; Д исполнительный двигатель постоянного тока. Обмотки возбуждения ОВГ генератора и двигателя ОВД питаются от независимого источника – сети постоянного тока. (рис. 5.18.)

В общем случае генератор постоянного тока может питать несколько двигателей постоянного тока, если они работают в одинаковых условиях. Вместо асинхронного двигателя часто, в особенности при больших и средних мощностях, применяют синхронные двигатели, вращающиеся со строго постоянной скоростью.

Для возбуждения иногда применяют отдельные возбудительные агрегаты, состоящие из небольшого асинхронного двигателя и возбудителя.

При пуске в ход мы уменьшаем при помощи реостата ток возбуждения генератора и, следовательно, подводимое к двигателю напряжение так, чтобы должным образом ограничить пусковой ток двигателя и в то же время позволить ему взять с места с некоторым ускорением. Тем самым отпадает надобность в пусковом реостате, снижаются потери энергии в период пуска и облегчается управление операцией.

Регулирование скорости вращения по системе ГД ведется при заданном значении тока Ia , например, Ia Iн сonst . При этом изменение скорости от нуля до некоторого низшего предела ведется при постоянном потоке д двигателя постоянного тока путем повышения напряжения генератора Uг . В этих условиях развиваемый двигателем момент М См дIa сonst, а мощность P M2 n n. Так как

 

n

U IaRa

СUг ,

 

 

 

 

Ce д

то

Рд Uг , т.е. мощность двигателя пропорциональна напряжению

Uг

на зажимах генератора.

 

Дальнейшее увеличение скорости ведется при постоянном на-

пряжении генератора Uг const путем уменьшения потока двигателя

д . В этих условиях мощность, потребляемая двигателя

Pд UгIa const .

Таким образом, на первом этапе регулирование скорости ведется при постоянном моменте, на втором – при постоянной мощности.

В мощных прокатных установках (5..10 тыс. кВт) с большим числом реверсов в единицу времени (12..20 в минуту) применяется так называемая квадратичная система ГД, в которой генератор и двигатель постоянного тока имеют каждый свой особый возбудитель, причем управление установкой производится изменением тока в цепи возбуждения возбудителей. Это весьма упрощает и облегчает управление, поскольку мощности возбудителей не превышают 2..3% от мощности главных машин. В качестве возбудителей системы ГД используют электромашинные усилители, автоматизирующие работу установки и этим повышающие ее производительность. Система ГД позволяет получить быстрый пуск и реверсирование исполнительного двигателя без потерь в реостатах главной цепи. Для осуществления реверса дос-

Рис. 5.19. Скоростные и механические характеристики двигателя при плавном изменении напряжения, подводимого к цепи якоря

таточно изменить на обратное направление тока возбуждения генератора постоянного тока при помощи переключателя П. (рис. 5.18.).

Торможение двигателя также производится путем регулирования напряжения генератора. При этом, если, быстро уменьшив возбуждение генератора, сделать его ЭДС меньше ЭДС двигателя, то последний переходит в генераторный режим и возвращает энергию торможения обратно в сеть через генератор, который в этих условиях работает двигателем, заставляя работать генератором приводной двигатель переменного тока.

Если при работе системы ГД получаются резкие пики тока, то на вал приводного двигателя насаживают маховик, запасающий энергию в период увеличения скорости двигателя и отдающий ее при уменьшении скорости. В этой системе (ГДМ) применяется в качестве приводного только асинхронный двигатель, так как синхронный двигатель вращается с постоянной скоростью и, следовательно, не позволяет использовать энергию маховика.

Система ГДМ дает возможность выровнять нагрузки и сильно сгладить пики тока в питающей сети переменного тока. Благодаря маховику мощность асинхронного двигателя часто можно выбрать меньше мощности двигателя постоянного тока.

В системах ЭМУ – Д генератор заменяется электромашинным усилителем, в системах МУ

– Д вместо генератора применяется магнитный усилитель. В последнее время генератор заменяется тиристорным преобразователем (ТП). По сравнению с системой Г– Д установки ТП – Д имеют меньшую массу и больший КПД.

Скоростные n f Ia и механические n f M характеристики двигателя независимого возбуждения Iв , Ra const и U var по-

казаны на рис. 5.19.

Они представляют собой параллельные друг другу линии, поскольку при одном и том же токе якоря Ia падение напряжения

Ia Ra и размагничивающее действие реакции якоря остаются одина-

ковыми для всех характеристик.

Частным случаем регулирования изменением напряжения является импульсное регулирование напряжения. В этом случае постоянное по значению и направлению напряжение периодически подается

на якорь в виде отдельных импульсов (рис. 5.20).

 

 

 

 

 

 

 

 

 

При таком питании сред-

 

 

нее значение

 

напряжения

на

U

 

якоре, которое определяет час-

 

Uср

тоту вращения двигателя, равно

 

 

 

 

 

 

и

 

 

 

 

t

t

Uср

 

 

t

 

 

U , (5.17)

 

 

и

 

T U

 

Tц

 

где tи

 

 

 

ц

 

 

 

Рис. 5.20. Импульсное регулирова-

и Tц – продолжитель-

ние напряжения

 

ность импульса и периода их

 

 

следования, соответственно.

 

 

 

При импульсном питании

Ia mах Ia min

Ia ср

в установившемся

режиме

ток

якоря

Ia будет иметь пульси-

 

 

рующий характер, как показано

tи

t

на рис. 5.21.

 

 

 

 

 

 

 

Пульсирующий ток якоря

Tц

 

можно

разложить

на

среднюю

Рис. 5.21. Изменение тока якоря при

(постоянную)

Iaср

и

перемен-

импульсном регулировании напря-

ную составляющие. Вращаю-

жения

 

щий момент двигателя создается

постоянной составляющей тока. Переменная составляющая увеличивает потери и нагрев двигателя, а также ухудшает коммутацию. Особенно опасен режим прерывистого тока, когда Ia min 0 в течении некоторого времени. Поэтому при

использовании импульсного регулирования напряжения приходится снижать номинальную мощность двигателя, или применять меры для уменьшения переменной составляющей тока (например, с помощью сглаживающих фильтров). Пульсации тока якоря приводят к пропорциональным пульсациям электромагнитного момента и частоты вращения. Пульсации скорости при необходимости могут быть уменьшены путем искусственного увеличения момента инерции привода.

Регулирование частоты вращения изменением напряжения якоря было рассмотрено на примере двигателей параллельного и независи-

мого возбуждения. Однако все сказанное применимо и для двигателей последовательного и смешанного возбуждения. Путем изменения подводимого напряжения можно получить диапазон регулирования скорости от 10:1 до 100:1. Кроме того при этом способе регулирования частоты вращения КПД двигателя практически остается неизменным. Регулирование целесообразно осуществлять при постоянном моменте.

Регулирование скорости вращения двигателя последовательного возбуждения. Существуют следующие способы регулирования скорости вращения последовательного двигателя: а) изменением потока возбуждения Ф шунтированием или секционированием обмотки возбуждения, б) шунтированием обмотки якоря (рис. 5.22), в) включением сопротивления в цепь якоря (рис. 5.23), г) изменением напряжения.

Регулирование скорости вращения шунтированием обмотки возбуждения. Предположим, что U const, Mс const и что задан ток Ia при работе нешунтированного двигателя, т.е. при разомкнутом рубильнике (автомате) p1. При замыкании рубильника р1 режим ра-

боты двигателя резко изменяется, но так как обмотка возбуждения обладает значительной электромагнитной инерцией, то потокосцепления этой обмотки и, стало быть, создаваемый ею магнитный поток 1 и

ток возбуждения стремятся остаться без изменения. Поэтому в ближайший после шунтирования момент времени ток в обмотке якоря

увеличится

на

величину тока

в

шунте Iш и

составляет

Ia

Iв1 Iш1

 

Ia1 Iш1. Следовательно, М См 1(Ia1

Iш1) =

См 1I1 Mc,

и на валу двигателя появляется положительный дина-

мический момент MJ М Мс ,

под действием которого двигатель

начинает развивать большую скорость.