Лекция 15
Действие тока на организм
Пороговые значения токов
Электрическое сопротивление тела человека
Анализ опасности прикосновения к токоведущим частям
В нормальном режиме работы
В аварийном режиме
Напряжение прикосновения
Напряжение шага
Электробезопасность - система организационных и технических мероприятий и средств, обеспечивающих защиту людей от вредного и опасного действия электрического тока, электрической дуги, электромеханического тока и статического электричества
Проходя через тело человека электрический ток оказывает на него сложное воздействие, вызывая:
а) термическое действие
б) электролитическое
в) механическое
г) биологическое
Любое из перечисленных воздействий тока может привести к электрической травме, т.е. к повреждению организма, вызванного воздействием электрического тока или электрической дуги (ГОСТ 12.1.009-76).
Различают (условно):
А. Местные электротравмы:
электрический ожог, перегрев внутренних органов;
электрические знаки;
металлизация кожи частицами расплавившегося под действием электрической дуги металла;
механические повреждения, вызванные непроизвольными сокращениями мышц под действием тока (редко).
Б. Общие электротравмы (электрический удар) - из-за нарушения нормальной деятельности отдельных жизненно важных органов (например, при фибрилляции сердца) поражается весь организм. Иногда отс. вида сочетаются, но возможное смертельное поражение без видимых местных травм.
Электрический удар - это процесс возбуждения живых тканей организма электрическим током, сопровождающийся судорожным сокращением мышц.
Интенсивность и характер этого процесса зависит от следующих факторов:
характера тока (постоянный, переменный, выпрямленный);
его силы;
длительности;
пути прохождения и др.;
состояния первичной системы;
определенной среды (неблагоприятные факторы - повышенная температура, пониженное давление).
в) изменения состояния организма (расслабление, алкоголь, утомление, заболевание щитовидной железы).
При воздействии тока выделяются 3 основные реакции:
ощущение;
судорожное сокращение мышц;
фибрилляция сердца.
Соответственно, токи, вызывающие эти реакции, называются:
ощутимыми;
неотпускающими;
фибрилляционными.
Минимальные их значения называются пороговыми.
При воздействии переменного тока частотой f = 50 гц наблюдаются следующие воздействия тока:
До 1 мА - не ощущается (пороговое значение 0,6 - 1,5 мА, для постоянного тока 5 - 7 мА).
1 - 6 мА - ощущения безболезненны, контроль мышц не утрачен.
6 - 20 мА - болезненные ощущения, управление мышцами затруднено.
Действие тока 20-30 мА – ощущения весьма болезненны, самостоятельное освоождение от контакта невозможно.
30-50 мА - сильные судорожные сокращения мышц, в том числе грудной клетки, дыхание затруднено, возможна остановка сердца.
50-100 мА - паралич дыхания; возможна фибрилляция, смерть.
100-500 мА - фибрилляция, самовосстановление невозможно.
500-1000 мА - ожоги в месте контакта; фибрилляция.
1000 мА - сильные ожоги, возможна фибрилляция.
Далее, до 3000 - 5000 мА фибрилляция может и не возникать.
Неотпускающее значение (6-20 мА) тока приводит к тому, что человек не в состоянии освободиться и возникает опасность длительного протекания тока, а это ведет к затруднению и нарушению дыхания.
При 100 - 1000 мА может возникнуть фибрилляция сердца, т.е. беспорядочные сокращения волокон сердечной мышцы, сердце при этом не может прокачивать по сосудам кровь. Как правило, фибрилляция длится несколько минут, после чего наступает полная остановка сердца.
Процесс фибрилляции сердца необратим, т.е. самовосстановление нормального биения невозможно. Сила тока, вызывающая фибрилляцию, является смертельной. Пороговые значения фибрилляционных токов индивидуальных: они зависят от массы тела, состояния организма, а также от длительности протекания тока и его пути.
Электрический ток является сложнейшим раздражителем тканей и органов. Это раздражение бывает первичным (непосредственным) и вторичным (опосредствованным через нервную систему). Ток возбуждает прежде всего нервные окончания - внешние рецепторы. Он сужает их, нарушая нормальную систему кровоснабжения и вызывая сокращение мускулатуры, которое может привести к остановке дыхания либо непосредственно, либо в результате спазмов сосудов головного мозга.
Для исхода электротравмы большое значение имеет путь тока. Особенно тяжелое поражение, если на пути тока оказываются сердце, грудная клетка, головной и спинной мозг. Это, в частности, происходит при двухфазном (двухполюсном) прикосновении к токоведущим частям.
Чаще всего на практике ток, протекающий через человека, попавшего под напряжение, течет по направлению «рука-ноги» и «рука-рука», «нога-нога». Степень поражения при этом зависит от того, какие органы окажутся на пути. Например, при протекании тока «нога-нога» через сердце проходит 0,4% всего тока, а по пути «рука-рука» - 3,3%. Воздействие тока многократно усиливается, если он проходит через так называемые акупунктурные зоны.
Поскольку выделено 3 реакции на действие тока, существует и 3 критерия электробезопасности и соответствующие им уровни допустимых токов (ГОСТ 12.1.038-82):
Неощутимый ток, который не вызывает нарушений в организме и допускается для длительного ( 10 мин) протекания через тело человека при обслуживании электрооборудования; для тока с f = 50 гц- это ток менее 0,3 мА, (для постоянного - 1 мА).
II. Отпускающий ток; действие такого тока допустимо, если tпротек. 30 c. Для переменного тока это - 6 мА (постоянного - 15 мА)
Фибрилляционный ток, не превосходящий пороговый и действующий t 1с. Он нормируется в зависимости от времени действия от 50 до 650 мА для переменного тока и от 200 до 650 мА - для постоянного.
Исследование по определению влияния рода тока на опасность поражения человека показали, что f = 50 гц - самая неблагоприятная частота! (Заметное увеличение пороговых значений ощутимого и неотпускающего тока наблюдения при f 30 гц и f 100 гц) J при f = 400 в 3,5 выше.
Поэтому одна из мер повышения электрической безопасности - увеличение частоты тока f (но только для схем с заземленной нейтралью!)
Параметры окружающей среды тоже в большой мере влияют на электробезопасность. Это, прежде всего, влажность, температура, наличие токопроводящей пыли, материал пола и т.п.). Во влажных помещениях или наружных электроустановках складываются неблагоприятные условия, например, увеличивается площадь контакта человека с токоведущими частями. Если в помещении заземлен пол и есть заземленные металлические конструкции, человек все время как бы связан с одним полюсом (землей) ЭУ. В этом случае любое прикосновение человека к токоведущим частям сразу приводит к его двухполюсному включению в электрическую цепь.
Основной фактор, определяющий сопротивление
тела человека Rh это кожа,
ее роговой слой (нет кровеносных сосудов,
большое удельное сопротивление
10
).
Этот плохо проводящий ток наружный слой
кожи, прилегающий к электроду при
контакте и внутренняя ткань под этим
слоем можно представить как 2 обкладки
конденсатора с емкостью См
сопротивлением изоляции н
. С ростом площади контакта н
уменьшается, а С увеличивается. Таким
образом полное сопротивление кожи к
уменьшается.
Между током, протекающим через тело человека и вызвавшим его напряжением существует нелинейная зависимость, обусловленная нелинейностью Rh = f(U).
Уже при U 40 45В в наружном слое кожи возникают значительные напряженности электрического поля, при которых происходит пробой наружного слоя, что снижает полное сопротивление человека
В практических расчетах по электробезопасности с учетом наиболее неблагоприятных условий принимают Rh = 1000 Ом.
Допустимое напряжение прикосновения:
Uдоп = U = Iдоп Rh
U и I устанавливаются ГОСТ 12.1.038-82 для токов с f=50 и f=400 гц.
Основные причины поражения электрическим током можно свети к следующим:
случайное прикосновение или приближение на опасное расстояние к токоведущим частям (с поврежденной изоляцией или емкостью), находящихся под напряжением;
появление напряжения на отключенных токоведущих частях, на которых работают люди, вследствие ошибочного включения установки;
появление напряжения на металлических конструктивных частях электрооборудования (корпусах, кожухах и т.п. в результате повреждения изоляции или других причин);
появление шагового напряжения в результате замыкания провода на землю.
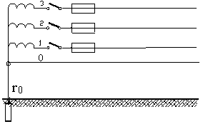
Виды электрических сетей. Правилами устройства электроустановок (ПУЭ) разрешается эксплуатировать два вида трехфазных электрических сетей (рисунок 1.1):
а) трехпроводные с изолированной нейтралью;
б) четырехпроводные с глухозаземленной нейтралью.
Трехпроводные сети с заземленной нейтралью и четырехпроводные с изолированной запрещены, как не обеспечивающие безопасности в аварийных режимах: первые - при замыкании фазы на корпус оборудования, у вторых нулевой провод при замыкании фазы на землю оказывается под напряжением фазы.
Схемы прикосновения человека к сети. Возможны два варианта прикосновения человека к сети: между двумя фазами - двухфазное и между фазой и нулевой точкой - однофазное (рисунок 1.1). По сути речь идет о включении человека в электрическую цепь, так как само по себе прикосновение становится опасным, если человек становится как бы элементом электрической цепи, обладающим определенным сопротивлением и пропускающим через себя ток определенной величины.
б
Рисунок 4.1
а
(1.1)
б
а


Рисунок 4.2 - Схемы прикосновения человека к сети: а - однофазное,
б - двухфазное
Однофазное включение является менее опасным, чем двухфазное, поскольку ток через человека ограничивается сопротивлением обуви и пола, а также сопротивлением изоляции фазных проводов, однако вероятность однофазных прикосновений на порядок выше. Поэтому однофазное включение является основной схемой, вызывающей поражение людей током в сетях любого напряжения. На рисунке 1.2 представлена схема сравнительной опасности поражения человека электрическим током при различных схемах его включения в цепь.
При двухфазном прикосновении ток, проходящий через человека не зависит от режима нейтрали: как в сети с изолированной нейтралью, так и в сети с заземленной нейтралью человек оказывается под линейным (межфазным) напряжением. Иначе обстоит дело при однофазном прикосновении к сети. Рассмотрим случай однофазного прикосновения при различных режимах работы электроустановок.
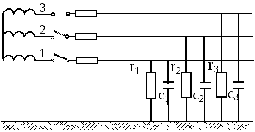
Трехпроводная сеть с изолированной нейтралью. В случае, если сопротивления изоляции фаз равны между собой, то r1 = r2 = r3 = r и ток, протекающий через человека при его прикосновении к одной из фаз, будет определяться по формуле
(1.2)
где r - сопротивление изоляции фаз; Rch - сопротивление цепи «человек-земля», складывающееся из собственно сопротивления человеческого тела, одежды, обуви, пола.
Согласно Правилам устройства электроустановок (ПУЭ) изоляция в силовых и осветительных сетях напряжением до 1000 В считается исправной, если ее сопротивление на участке фазного провода между смежными предохранителями не менее 0,5 МОм. Активное сопротивление тела человека принимается равным 1000 Ом. Поскольку r >> Rch , независимо от категории электроопасности помещения и условий среды при исправной изоляции и малой емкости проводов (до 0,05 мФ) однофазное прикосновение к сетям напряжением до 1000 В безопасно.
В более общем случае, когда сопротивления изоляции фаз не равны между собой, выражение для тока, проходящего через человека, удобно выразить через проводимости человека и фаз электрической сети, т.е. величины, обратные соответствующим сопротивлениям:
,
(1.3)
где UФ = ( - 220 В), Gch – проводимость цепи через человека, Gch = 1/Rch = 10-3 См, g1 – проводимость фазы, к которой прикоснулся человек, g2, g3 - проводимости смежных фаз.
При наличии больших емкостей (кабельных линий) ток, протекающий через человека, определяется по формуле
, (1.4)
где - угловая частота переменного тока ( = 2f = 314), С - емкость фазных проводов относительно земли.
В этом случае, как видим, сопротивление изоляции фаз не влияет на величину тока, протекающего через человека и, таким образом, не обеспечивает безопасности при прикосновении к сети.
Рисунок 4.3

(1.5)
где r0 - сопротивление заземления нейтрали. Согласно ПУЭ, r0 не должно превышать 10 Ом, следовательно, в выражении (1.5) значением r0 можно пренебречь. Если человек при этом находится в особо электроопасном помещении, можно считать, что сопротивление цепи “человек - земля” не превышает Rch = Rh =1000 Ом (Rh - активное сопротивление тела человека). Человек при этом оказывается практически под фазным напряжением Uф, а ток, протекающий через него в 2,2 раза превышает ток порога фибрилляции. В помещениях же с сухими электроизоляционными полами Rch >> Rh и Uh << Uф , и в этом случае вероятен исход, благоприятный для человека.