Министерство науки и высшего образования Российской Федерации
федеральное государственное автономное образовательное учреждение
высшего образования
«НАЦИОНАЛЬНЫЙ ИССЛЕДОВАТЕЛЬСКИЙ
ТОМСКИЙ ПОЛИТЕХНИЧЕСКИЙ УНИВЕРСИТЕТ»
________________________________________________________________
|
Инженерная школа энергетики |
|
|
Направление подготовки |
13.03.02 Электроэнергетика и электротехника |
Отделение электроэнергетики и электротехники
Элементы устройств автоматики энергосистем
|
Лабораторная работа №8 |
|
Исследование работы счетчика и дешифратора |
|
Вариант 9 |
Обучающийся
|
Группа |
ФИО |
Подпись |
Дата |
|
|
|
|
|
Руководитель
|
Должность |
ФИО |
Подпись |
Дата |
|
Ассистент ОЭЭ |
Гречушников В.В. |
|
|
Томск – 2020
Цель работы: в данной лабораторной работе необходимо изучить работу двоично-десятичного счетчика, а также дешифратора на базе программного обеспечения Multisim.
Задание 1:
На входах двоично-десятичного счётчика задать значение соответствующее номеру варианта (19):

Рисунок 1 – Пример для 19 варианта
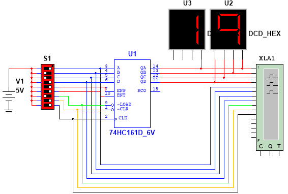
Произведем счёт от 0 до 5 с помощью счетчика:






Рисунок 2 – Счет от нуля до пяти

Рисунок 3 – Логический анализатор при счете от нуля до пяти
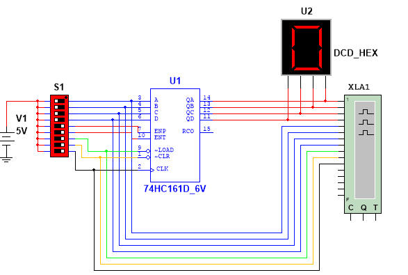
Задание 2:
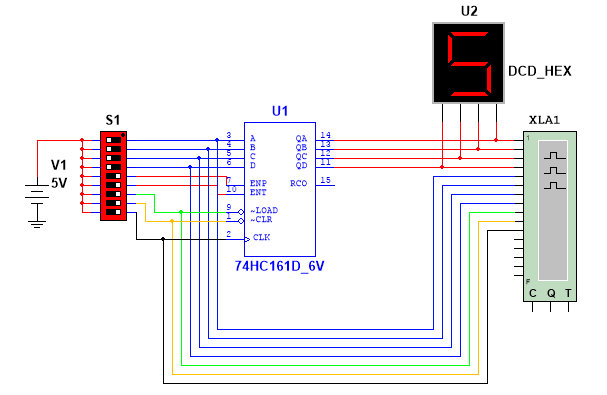
На входе необходимо задать номер варианта в двоичной системе. Так как на выходе мы можем получить значение от 0 до 7 в восьмеричной системе (вариант 9 невозможен), то задаем номер 5:

Рисунок 3 – Дешифратор для 5 варианта
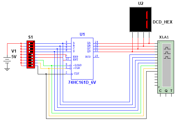
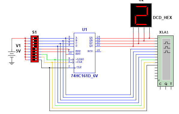
Зададим значения 6, 7, 0, 1, 2:





Рисунок 4 – Увеличение значений с 5 до 2
Вывод: Таким образом, в ходе лабораторной работы были изучены принцип работы двоично-десятичного счетчика, а также дешифратора на базе программного обеспечения Multisim.