Материал: Лабораторная №1

Внимание! Если размещение файла нарушает Ваши авторские права, то обязательно сообщите нам

МИНИСТЕРСТВО НАУКИ И ВЫСШЕГО ОБРАЗОВАНИЯ РОССИЙСКОЙ ФЕДЕРАЦИИ

Федеральное государственное автономное образовательное учреждение высшего образования

«НАЦИОНАЛЬНЫЙ ИССЛЕДОВАТЕЛЬСКИЙ ТОМСКИЙ ПОЛИТЕХНИЧЕСКИЙ УНИВЕРСИСТЕТ»

Инженерная школа энергетики

Отделение электроэнергетики и электротехники

Лабораторная работа №1

ИЗУЧЕНИЕ ЦИФРОВЫХ МУЛЬТИМЕТРОВ

Вариант 16

Выполнил студент группы 5А8Д Нагорнов А.В.

(подпись)

________________

(дата)

Проверил канд. физ.-мат. наук, _______________ Кац М.Д.

доцент ОЭЭ ИШЭ (подпись)

_______________

(дата)

Томск-2020

Цель: изучение принципа действия и основных органов управления цифрового мультиметра.

Таблица 1 – Исходные данные

16

80

77

79

82

76

84

81

82

76

83

20

25

27

19

18

24

26

22

21

20

110

112

116

100

105

101

113

112

103

104

Теория.

Цифровые мультиметры предназначены для выполнения следующих функций:

- измерения постоянного и переменного напряжения;

- измерения постоянного и переменного тока;

- измерение сопротивлений;

- измерение электрической ёмкости конденсаторов;

- выполнение диодного и транзисторного теста;

- звуковая прозвонка;

- измерение температуры;

- измерение частоты.

Для выполнения лабораторной работы нам понадобится провести наблюдение за выполнением только некоторых основных функций: измерения напряжения, тока и частоты.

Рисунок 1 – Схема лицевой панели цифрового мультиметра Mastech MY64:

1 – кнопка включения питания; 2 – гнездо для измерения подключения электрических конденсаторов; 3 – гнездо для измерения температуры; 4 – ЖК дисплей; 5 – гнездо подключения транзисторов; 6 – переключатель функций; 7 – гнездо для подключения щупа при измерении силы тока до 10 А; 8 - гнездо для подключения щупа при измерении силы тока до 200 мА; 9 – гнездо COM; 10 -гнездо для подключения щупа при измерении напряжения, частоты, сопротивления

Таблица 2 – Технические характеристики мультиметра

Ход работы:

Измерение сопротивления

  1. Установили регулятор сопротивления переменного резистора Rx Наборного поля в среднее положение.

  2. Установили переключатель режима работы мультиметра в положение 20 кОм.

  3. Соединили проводником гнездо 9 мультиметра с контактом К22.1 переменного резистора Наборного поля.

  4. Подключили с помощью щупа красного цвета гнездо 10 мультиметра к контакту К23.1 переменного резистора Наборного поля. На экране отразилось измеренное значение сопротивление.

  5. Отключили щуп красного цвета мультиметра от контакта К23.1 переменного резистора. Спустя 10 секунд повторно подключили щуп красного цвета мультиметра к контакту К23.1.

  6. Провели 9 повторных измерений, результаты которых занесли в таблицу 1.

Измерение постоянного напряжения

  1. Установили регулятор «Установка U+» регулятора Р2 панели «Блок питания» в среднее положение.

  2. Установили переключатель режима работы мультиметра в положение измерения постоянного напряжения, предел измерения 20 В.

  3. Соединили проводником гнездо 9 мультиметра с общим контактом К7 панели «Блок питания».

  4. Подключили с помощью красного щупа гнездо 10 мультиметра к контакту К8 «0…+15 В» панели «Блок питания». На экране мультиметра отразилось измеренное значение напряжения.

  5. Отключили щуп красного цвета мультиметра от контакта К8 «0…+15 В». Спустя 10 секунд повторно подключили щуп красного цвета мультиметра к контакту К8 «0…+15 В». Провели 9 повторных измерений, результаты которых занесли в таблицу 1.

Измерение постоянного тока

  1. Установили регулятор «Установка U+» регулятора Р2 панели «Блок питания» в среднее положение.

  2. Устанавили переключатель режима работы мультиметра в положение измерения постоянного тока, предел измерения 20 мА.

  3. Соединили проводником гнездо 9 мультиметра с общим контактом К7 панели «Блока питания».

  4. Соединили проводником контакты К5.1 резистора R1 наборного поля с контактом К8 «0…+15 В» панели «Блок питания».

  5. Подключили с помощью щупа красного цвета гнездо 8 мультиметра к контакту К6.1 резистора R1 панели «Наборное поле». На экране мультиметра отразилось измеренное значение тока.

  6. Отключили щуп красного цвета мультиметра от контакта К6.1 резистора R1 панели «Наборное поле». Спустя 10 секунд повторно подключили щуп красного цвета мультиметра к контакту К6.1 резистора R1 наборного поля. Провели 9 повторных измерений, результаты которых занесли в таблицу 1.

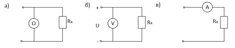
Рисунок 2 – Электрические схемы измерения

Обработка экспериментальных данных:

1. Рассчитаем математическое ожидание по формуле:

2. Рассчитаем дисперсию по формуле:

3. Рассчитаем среднеквадратичное отклонение по формуле:

Ответы на вопросы для защиты:

1. К каким гнездам необходимо подключить щупы мультиметра для измерения напряжения, силы тока?

Для измерения напряжения необходимо подключить щуп черного цвета к гнезду 9 (рисунок 1), щуп красного цвета – к гнезду 10 мультиметра. С помощью поворотного переключателя 6 выбрать нужный предел измерения постоянного или переменного напряжения и подключить щупы к контактам источника напряжения. При измерении постоянного напряжения на дисплее отразится полярность сигнала.

Для измерения силы тока нужно подключить щуп черного цвета к гнезду 9 (рисунок 1), щуп красного цвета – к гнезду 7 (для измерения силы тока в диапазоне 200 мА – 10 А) или к гнезду 8 (для измерения силы тока до 200 мА). С помощью поворотного переключателя 6 выбрать нужный предел измерения и с помощью щупов подключить мультиметр последовательно к исследуемой нагрузке. При измерении постоянного напряжения на дисплее отразится полярность сигнала.

2. На какую отметку необходимо установить переключатель режима работы для измерения величины силы тока 18 мА, 2 А?

При измерении тока 18 мА необходимо щуп черного цвета вставить в гнездо 9, красного в 8. Установить переключатель в положение, соответствующее характеру тока на предел до 20 мА. При измерении тока 2 А нужно щуп красно цвета из гнезда 8 подключить к 7. Установить переключатель в зависимости от характера тока на предел 10 А.

3. Что характеризуют определяемые в работе статистические оценки экспериментальных данных?

Математическое ожидание - среднее вероятностное значение случайной величины.

Дисперсия случайной величины - мера разброса данной случайной величины, то есть её отклонения от математического ожидания.

Среднеквадратическое отклонение - рассеивания значений случайной величины относительно её математического ожидания.

Коэффициент асимметрии-величина, характеризующая асимметрию распределения данной случайной величины.

Коэффициент эксцесса - мера остроты пика распределения случайной величины.

Коэффициент вариации случайной величины - мера относительного разброса случайной величины; показывает, какую долю среднего значения этой величины составляет её средний разброс.

Вывод: в ходе лабораторной работы был изучен принцип действия и основные органы управления цифрового мультиметра. Также ознакомились с основными функциями мультиметра и изучили методику замера физических величин. Дисперсия имеет целочисленные значения, что говорит о не самой высокой точности экспериментальных данных.