Материал: лаба #2

Внимание! Если размещение файла нарушает Ваши авторские права, то обязательно сообщите нам

Лабораторная работа №2

ОПРЕДЕЛЕНИЕ УДЕЛЬНОГО ЗАРЯДА МЕТОДОМ МАГНЕТРОНА.

Цель работы: ознакомление с теорией движения электрических зарядов в магнитном поле методом магнетрона. Практическое применение метода магнетрона для изучения движения электрона в вакуумном диоде, помещенном в магнитное поле.

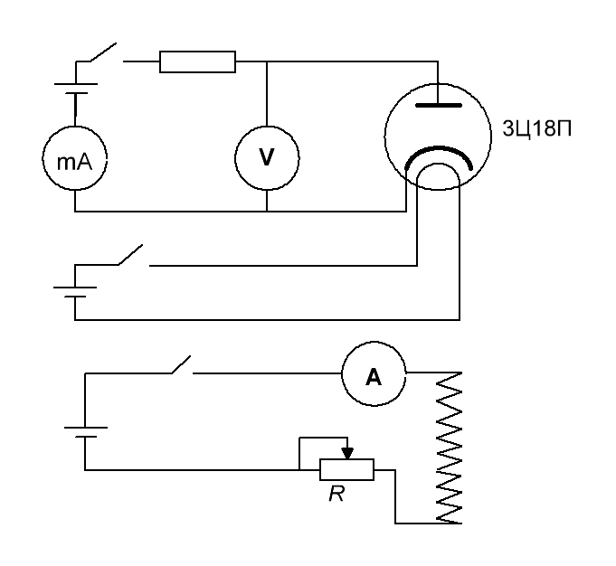
Оборудование: соленоид с вакуумным диодом, блоки питания, вольтметр, миллиамперметр, реостат.

Краткая теория

Важнейшими характеристиками электрона являются его заряд и масса. При движении электрона в электрических и магнитных полях его траектория определяется конфигурацией этих полей и отношением заряда электрона к его массе (удельным зарядом). Если структура электрического или магнитного поля задана и из опыта известна траектория электрона в этом поле, то значение e/m может быть найдено. На этом основаны различные методы определения удельного заряда электрона, ионов и других заряженных частиц.

Одним из важнейших является метод магнетрона, в котором используется отклонение движущегося электрона магнитным полем. Последнее, как известно, действует на движущийся электрон силой Лоренца:

(1)

Из формулы (1) и свойств векторного произведения можно заметить, что:

1. Сила Лоренца действует перпендикулярно к мгновенному направлению скорости движения электрона и к направлению вектора индукции магнитного поля.

2. Вдоль поля сила не действует, следовательно, продольная компонента скорости электрона не изменяется.

3. Перпендикулярная компонента скорости непрерывно изменяет направление, не меняясь по модулю.

Поэтому, проекция траектории электрона на плоскость, перпендикулярную полю представляет собой окружность.

Сущность метода заключается в следующем: Электронная лампа с катодом в виде нити и соосным цилиндрическим анодом помещается внутрь соленоида, питаемого постоянным током. При наличии разности потенциалов между анодом и катодом возникает электрическое поле с цилиндрической симметрией (вектор направлен радиально). Если в цепи соленоида течет ток, то внутри лампы возникает магнитное поле, направленное вдоль оси симметрии лампы. Вектора напряженностей магнитного и электрического полей внутри лампы перпендикулярны друг другу. В отсутствии магнитного поля электроны, вылетающие с поверхности катода, движутся на анод прямолинейно по радиусам. В магнитном поле на электроны действует сила Лоренца (1). Под действием силы Лоренца траектория электронов станет криволинейной, причем, чем больше поле, тем больше кривизна. При определенном достаточно большом значении индукции В электроны совсем перестанут достигать анода. Анодный ток в лампе прекратится, электроны будут двигаться в пространстве между катодом и анодом по замкнутым траекториям. Этот эффект (вращение электронов вокруг линии индукции магнитного поля) используется в генераторе сверхвысокочастотных колебаний – магнетроне, с чем и связано название метода, хотя сам магнетрон как прибор в данной работе не применяется – его заменяет обычный выпрямительный диод (высоковольтный кенотрон).

Эксперимент по определению e/m заключается в следующем:

1. В лампе устанавливают постоянный ток накала и поддерживают постоянную разность потенциалов между катодом и анодом.

2. Изменяя от нуля значение силы тока в соленоиде и, тем самым, увеличивая индукцию магнитного поля, добиваются прекращения анодного тока в лампе.

3. Измеряют полученное значение индукции.

Зная радиусы катода и анода, величину анодного напряжения (напряжение источника питания, питающее напряжение) и критическую индукцию магнитного поля ВКР (при которой прекратился анодный ток), можно найти отношение e/m.

Характерной особенностью метода является то, что он исключает необходимость изучения траектории электрона в магнитном поле. Наоборот, изменением величины В (при заданном U) достигается наперед заданная траектория электронов, при которой они не могут попасть на анод лампы, вопреки действию электрического поля.

Таким образом, опыт сводится к снятию так называемой сбросовой характеристики лампы, то есть к снятию зависимости Iа (при U = const) от В (точнее, от тока соленоида IC). Однако надо иметь в виду, что в силу ряда причин (разброс начальных скоростей электронов, неточная коаксиальность электродов) на реальной сбросовой характеристике не будет вертикального спада силы анодного тока, а будет иметь место его постепенное, хотя и достаточно резкое, уменьшение в некотором диапазоне значений магнитной индукции в окрестности искомого критического значения.

Чтобы найти связь между ВКР и удельным зарядом, рассмотрим движение электрона в цилиндрическом диоде, помещенном в аксиальное магнитное поле. Уравнение движения электрона в векторной форме в системе СИ имеет вид:

(2)

Выберем цилиндрическую систему координат с тройкой единичных векторов . Ось z направим вдоль вектора магнитной индукции, а вектор напряженности электрического поля будет перпендикулярен ей, то есть:

при этом В = const, а E = E(ρ).

Запишем выражения для проекций векторов скорости и ускорения в цилиндрической системе координат. Для простоты положим, что электроны покидают катод с нулевой начальной скоростью. Тогда их траектории будут лежать в плоскостях z = const, т.е. скорость и ускорение будут иметь только ρ и α- компоненты и не иметь z–компоненты.

Сначала разложим приращение по ортам цилиндрической системы координат:

(3)

следовательно

(4)

где точкой обозначено дифференцирование по времени.

Далее находим вторую производную, учитывая, что ориентация ортов зависит от времени, то есть, что:

.

Получаем:

Теперь разложим по ортам цилиндрической системы правую часть уравнения (2), используя (4), а также очевидные соотношения:

Получим:

Таким образом, уравнения движения электрона (2) в проекциях на орты имеет вид:

(5)

(6)

Решением этой системы уравнений будет траектория электрона ρ=ρ(α).

Заметим, что левую часть уравнения (6) можно записать в виде:

Тогда вместо (6) получаем:

(7)

Это уравнение можно проинтегрировать непосредственно:

Константу находим из начальных условий:

где - радиус катода. Получим:

Теперь можем найти угловую скорость электрона как функцию ρ и В:

(8)

Подставив это выражение в (5), получим дифференциальное уравнение относительно ρ. Оно получится достаточно сложным (с учетом того, что E=E(ρ)), но нам нет необходимости искать его полное решение. Надо лишь узнать, при каких условиях реализуется частное решение, соответствующее критической траектории, отделяющей траектории, на которых электрон достигает анода, от тех, на которых электрон не достигает анода. Эта траектория отвечает условию ρmax = b. На этой траектории в начальный момент времени электрон находится в точке ρ = а и имеет нулевую скорость. При этом его энергия состоит только из потенциальной и равна eU, где U-разность потенциалов между катодом и анодом. Когда же ρ = ρmax = b, электрон находится рядом с анодом, его скорость имеет угловую компоненту ( =0 - условие максимума), потенциальная энергия равна нулю, а кинетическая, соответственно, максимальна и равна:

(см.(4))

Согласно закону сохранения энергии можем записать:

(9)

Подставив сюда выражение для угловой скорости (8) при ρ = b и B = Bкр, после алгебраических преобразований получим:

(10)

Формула (10) дает искомое значение удельного заряда в системе единиц СИ. Таким образом, для вычисления удельного заряда электрона достаточно в лампе с известными радиусами электродов а и b при фиксированной разности потенциалов U измерить критическое значение индукции магнитного поля ВКР. Критическую индукцию вычисляют из экспериментального значения критического тока соленоида по формуле:

(11)

где n – число витков на единицу длины соленоида,

µ0=4π·10-7 Тл·м·А - магнитная проницаемость вакуума

Экспериментальная часть:

Схема установки изображена на рисунке 1. Перед началом измерений необходимо убедиться в правильности соединений.

Порядок выполнения работы:

1. Включить источник анодного напряжения и дать ему прогреться 1 мин.

2. На источнике анодного напряжения установить максимальное значение.

3. Включить источник нити накала диода. Прогреть диод в течении 2-3мин.

4. Включить охлаждающий вентилятор.

5. Включить блок питания соленоида.

6. Регулируя реостатом силу тока в цепи соленоида от минимального до максимального значений, снять зависимость анодного тока Iа от тока соленоида IC, т. е. сбросовую характеристику. При этом необходимо проверять постоянство анодного напряжения в цепи анодного тока.

Для получения хорошей сбросовой характеристики нужно снять не менее 20 точек зависимости Ia от IC, причем производить измерения более часто на участке крутого спада анодного тока.

7. Построить сбросовую характеристику и из графика определить критическое значение тока соленоида IКР, которое соответствует середине спада характеристики, то есть уменьшению анодного тока вдвое от первоначального.

8. По найденному критическому значению тока соленоида вычислить критическую индукцию по формуле (11), а затем и значение удельного заряда по формуле (10). Радиусы катода и анода для используемой в данной установке лампы 3Ц18П равны: а = 0,45 мм, b = 4,6мм, параметры соленоида: n = 1,01·104м-1

9. Проанализировать источники погрешностей и определить доверительный интервал полученной величины.

10. Произвести сравнения табличного значения удельного заряда электрона и полученного в лабораторной работе.