МИНИСТЕРСТВО ВЫСШЕГО ОБРАЗОВАНИЯ И НАУКИ РОССИЙСКОЙ ФЕДЕРАЦИИ
ФЕДЕРАЛЬНОЕ ГОСУДАРСТВЕННОЕ БЮДЖЕТНОЕ ОБРАЗОВАТЕЛЬНОЕ УЧРЕЖДЕНИЕ ВЫСШЕГО ОБРАЗОВАНИЯ
«МАГНИТОГОРСКИЙ ГОСУДАРСТВЕННЫЙ ТЕХНИЧЕСКИЙ УНИВЕРСИТЕТ ИМ. Г.И. НОСОВА»
Кафедра автоматизированного электропривода и мехатроники
Лабораторная работа №1
Моделирование полупроводниковых диодов
Выполнил:
Проверил:
Магнитогорск, 2019.
Цель работы: Моделирование и изучение полупроводниковых диодов в цепях постоянного и переменного тока, изучение выпрямительных и стабилизирующих свойств в виртуальной лабораторной среде Matlab.
Лабораторная база: Matlab. Исследуемый диод: RL202, технические параметры которого приведены на рисунке 1.

Рисунок 1–Характеристики диода.

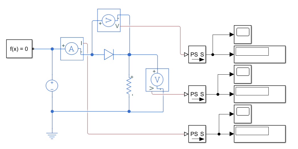
Рисунок 2–Схема для снятия ВАХ диода.

Рисунок 3–ВАХ диода.
Однополупериодная схема выпрямления

Рисунок 4–Однополупериодная схема выпрямления.

Рисунок 5–Без емкости.

Рисунок 6–Емкость 1мкФ.

Рисунок 7–Емкость 10мкФ.

Рисунок 8–Емкость 100мкФ.
Двухполупериодная схема выпрямления

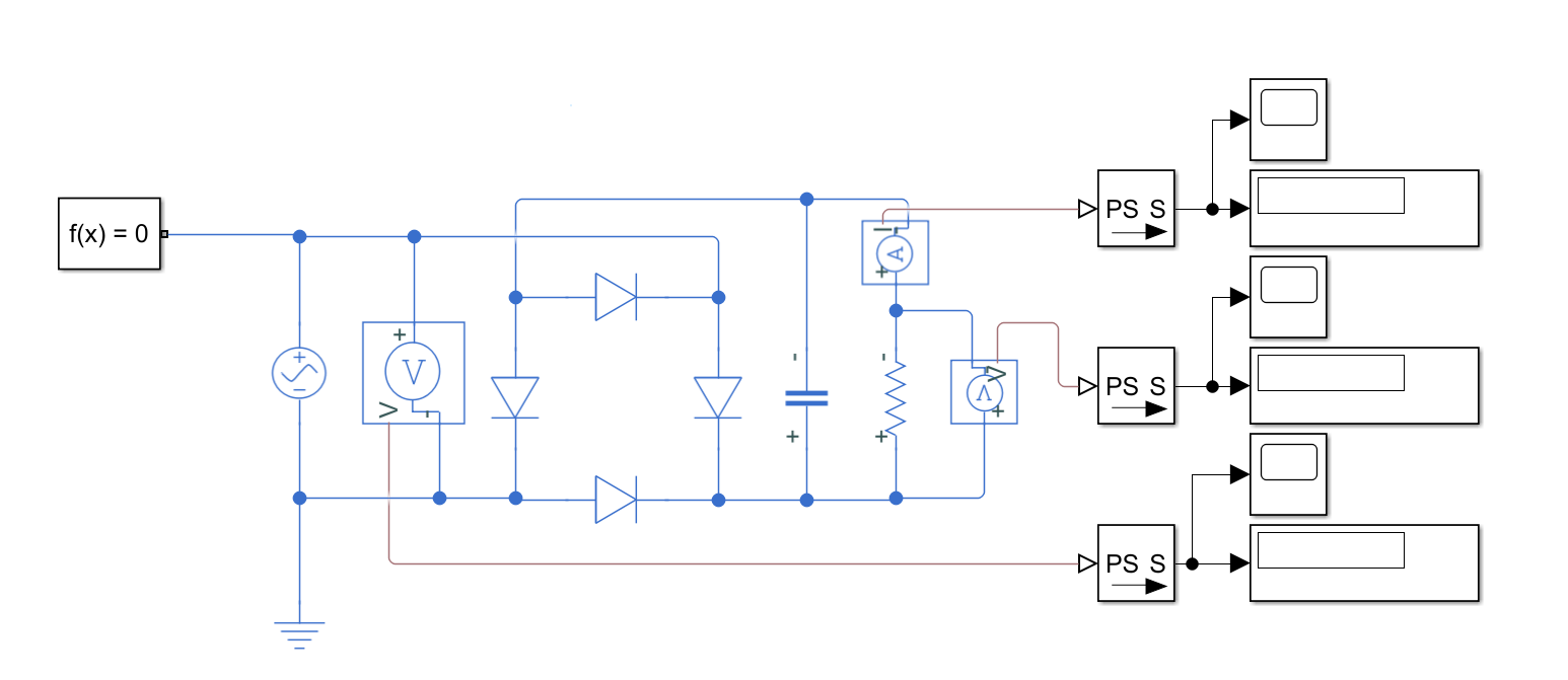
Рисунок 9–Двухполупериодная схема выпрямления.

Рисунок 10–Без емкости.

Рисунок 11–Емкость 1мкФ.

Рисунок 12–Емкость 10мкФ.

Рисунок 13–Емкость 100мкФ.

Рисунок 14–Схема для снятия характеристики стабилитрона.

Рисунок 15–Характеристика стабилитрона.
Проведя моделирование полупроводниковых диодов в виртуальной лаборатории Matlab мы смогли узнать их вольт–амперные характеристики и построили их график, сравнили осциллограммы однополупериодной и двухполупериодной схемы выпрямления, а так же график характеристик при подключение в цепь в качестве стабилитрона.