Рисунок 19 – размеры микросхемы КР1446ПН1Е
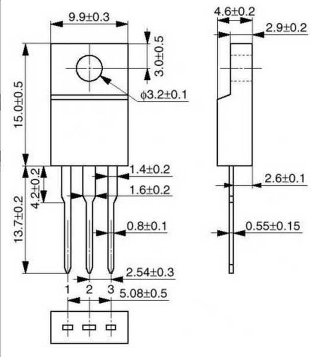
Стабилизатор напряжения L7805CV (DA3) - интегральный трехвыводной стабилизатор положительного напряжения на 5В. Технические параметры стабилизатора напряжения L7805CV представлены в таблице 16. Изображение с размерами стабилизатора напряжения L7805CV представлено на рисунке 20.
Таблица 16 - Технические параметры стабилизатора напряжения L7805CV
№ |
Наименование |
Значение |
1 |
Максимальное входное напряжение, В |
35 |
2 |
Рабочая температура, °C |
-0 - +125 |
3 |
Выходное напряжение, В |
5 |
4 |
Максимальный ток нагрузки , мА |
1.5 |
5 |
Ток собственного потребления , мА |
4.3 |
6 |
Вариант установки |
190 |
Рисунок 20 – размеры стабилизатора напряжения L7805CV
Микроконтроллер ATtiny2313V-10PI. Технические параметры микроконтроллера ATtINY2313V-10PI представлены в таблице 17. Изображение с размерами микроконтроллера ATtiny2313V-10PI представлено на рисунке 21.
Таблица 17- Технические параметры микроконтроллера ATtiny2313V-10PI
№ |
Наименование |
Значение |
1 |
Размер ядра |
8 бит |
2 |
Скорость |
10МГц |
3 |
Рабочая температура, °С |
-45 - +85 |
4 |
Тип программируемой памяти |
FLASH |
5 |
Размер программируемой памяти |
2 кБ |
6 |
EEPROM памяти данных |
128 байт |
7 |
Внутреннее ОЗУ (SRAM) |
128 байт |
8 |
Вариант установки |
330 |
Рисунок 21 - размеры микроконтроллера ATtiny2313V-10PI
1.2.7 Устройство оконечное, фильтры, ограничители
В данном устройстве используется 2 кварцевых резонатора: тип РГ-05 (ZQ1) и тип НС49U (ZQ2).
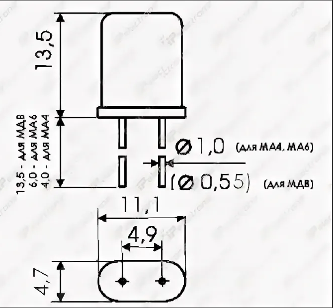
Кварцевый резонатор РГ-05 - отечественные кварцевые резонаторы в металлическом корпусе. Кварцы работают на пятой механической гармонике. Технические параметры кварцевого резонатора РГ-05 представлены в таблице 18. Изображение с размерами кварцевый резонатор РГ-05 представлено на рисунке 22.
Таблица 18 - Технические параметры кварцевого резонатора РГ-05
№ |
Наименование |
Значение |
1 |
Ёмкость нагрузки, пФ |
8 – 150 |
2 |
Точность (1*10-6) при T=25°C |
± 30ppm |
3 |
Динамическое сопротивление, Ом |
100 |
4 |
Рабочая температура, °С |
-60 - + 85 |
5 |
Резонансная частота, МГц |
4 |
6 |
Технические условия |
ШЖ0.338.065 |
7 |
Вариант установки |
180 |
Рисунок 22 - размеры кварцевого резонатора РГ-05
Кварцевый резонатор HC-49U - предназначены для использования в аналогово-цифровых цепях для стабилизации и выделения электрических колебаний определённой частоты или полосы частот.
Принцип работы: в широкой полосе частот сопротивление прибора имеет ёмкостной характер и только на некоторых (рабочих) частотах имеет широко выраженный резонанс (уменьшение сопротивления). Технические параметры кварцевого резонатора HC-49U представлены в таблице 19. Изображение с размерами кварцевый резонатор HC-49U представлено на рисунке 23.
Таблица 19 - Технические параметры кварцевого резонатора HC-49U
№ |
Наименование |
Значение |
1 |
Резонансная частота, МГц |
3.6864 |
2 |
Нагрузочная емкость, пФ |
32 |
3 |
Рабочая температура, °С |
-20 - + 70 |
4 |
Точность настройки dF/Fх10-6 |
50 |
5 |
Температурный коэффициент, Ктх10-6 |
50 |
6 |
Вариант установки |
180 |
Рисунок 23 – размеры кварцевого резонатора HC-49U
1.2.8 Реле, контакторы, пускатели
В данном устройстве используется одно реле 4117-W-Z-10-12VDC-1.0.
Реле – коммутационное устройство, соединяющее или разъединяющее цепь электронной или электрической схемы при изменении входных величин тока. Технические параметры реле 4117- w-z-10-12vdc-1.0 представлены в таблице 20. Изображение с размерами реле 4117- w-z-10-12vdc-1.0 представлено на рисунке 24.
Таблица 20 – Технические параметры реле 4117- w-z-10-12vdc-1.0
№ |
Наименование |
Значение |
1 |
Номинальное напряжение катушки |
12 В |
2 |
Максимально коммутируемое напряжение |
75 В |
3 |
Рабочая температура, °С |
-45 - +105 |
4 |
Сопротивление катушки |
145 Ом |
5 |
Максимально коммутируемое мощность |
380 Вт |
6 |
Вариант установки |
400 |
Рисунок 24 – размеры реле 4117- w-z-10-12vdc-1.0
1.2.9 Генераторы, источники питания
В данном устройстве используется алкалиновый дисковой элемент питания типа ACM01-CR12 (G1) . Алкалиновые дисковые элементы питания выпускаются по совершенной технологии без содержания ртути и свинца. Технические параметры элемента питания типа ACM01-CR12 представлены в таблице 20. Изображение элемента питания типа ACM01-CR12 представлено на рисунке 24.
Таблица 20 - Технические параметры элемента питания типа ACM01-CR12
№ |
Наименование |
Значение |
1 |
Напряжение, В |
1,5 В |
2 |
Вес, г |
23 |
3 |
Рабочая температура, °С |
0 - +45 |
4 |
Вид |
Щелочная |
Рисунок 24 - элемент питания типа ACM01-CR12
Для установки батарейки требуется батарейный отсек KLS5-CR1220-01. Батарейные отсеки представляют собой небольшие пластиковые контейнеры, предназначенные для размещения в них элементов питания. На рисунке 25 представлены размеры батарейного отсека KLS5-CR1220-01. Технические параметры батарейный отсек KLS5-CR1220-01 представлены в таблице 21.
Рисунок 25 - размеры батарейного отсека KLS5-CR1220-01
Таблица 21 - Технические параметры батарейного отсека KLS5-CR1220-01
№ |
Наименование |
Значение |
1 |
Тип батарейки |
cr1220 |
2 |
Количество элементов |
1 |
3 |
Корпус |
открытый |
4 |
Тип контактов |
пайка на плату |
5 |
Рабочая температура, °С |
-25 - +85 |
1.2.10 Соединения контактные
В данном устройстве используется 6 штыревых вилок (XT1-XT6) типа PLS-2 (DS1021-1x2): ХТ1 на 2 контакта используется для коммутации фотодиода VD1; ХТ2 на 2 контакта предназначена для подключения питания платы 12В; ХТ3 на 2 контакта предназначена для подключения к электромагниту замка; ХТ4 на 3 контакта используется для коммутации переключателя SA1; ХТ5 на 2 контакта используется для коммутации тактовой кнопки SB1; ХТ6 на 2 контакта используется для коммутации светодиода VD4 и также используются 2 панели для микроконтроллера типа SCS-20 (DS1009-20AN).
Штыревые вилки предназначенные для соединения отдельных участков гибкого силового четырех жильного кабеля между собой. Технические параметры штыревой вилки типа PLS-2 (DS1021-1x2) представлены в таблице 22. Размеры штыревой вилки типа PLS-2 (DS1021-1x2) представлен на рисунке 25.
Таблица 22 - Технические параметры штыревой вилки типа PLS-2 (DS1021-1x2)
№ |
Наименование |
Значение |
1 |
Количество рядов |
1 |
2 |
Количество контактов в ряду |
2, 3 |
3 |
Шаг контактов, мм |
2.54 |
4 |
Форма контактов |
прямые |
5 |
Рабочее напряжение, В |
250 |
6 |
Рабочий ток, А |
1 |
7 |
Максимальное сопротивление контактов, мОм |
10 |
8 |
Рабочая температура, °С |
-25 - +105 |
Рисунок 25 – размеры штыревой вилки типа PLS-2 (DS1021-1x2)
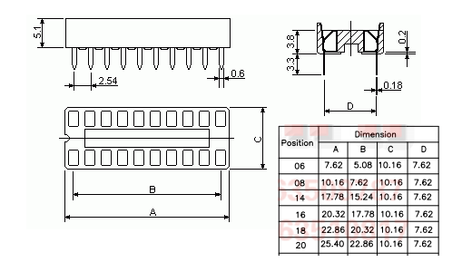
Панель для микроконтроллера предназначена для быстрого и лёгкого монтажа/демонтажа микросхем с печатных плат. DIP панельки для микросхем – наиболее дешёвые и распространённые изделия. Технические параметры панели для микроконтроллера типа SCS-20 (DS1009-20AN) представлены в таблице 23. Размеры панели микроконтроллера типа SCS-20 (DS1009-20AN) представлен на рисунке 26.
Таблица 23 - Технические параметры панели для микроконтроллера типа SCS-20 (DS1009-20AN)
№ |
Наименование |
Значение |
1 |
Количество контактов |
20 |
2 |
Шаг контактов, мм |
2.54 |
3 |
Максимальное сопротивление изолятора не, МОм |
1000 |
4 |
Сопротивление контактов, Ом |
0.02 |
5 |
Предельное напряжение, В |
1000 |
6 |
Предельный ток, А |
1 |
7 |
Рабочая температура, °С |
-55 - +105 |
Рисунок 26 - размеры панели для микроконтроллера типа SCS-20
(DS1009-20AN)