Рисунок 10 - размеры диода Шоттки 1N5817
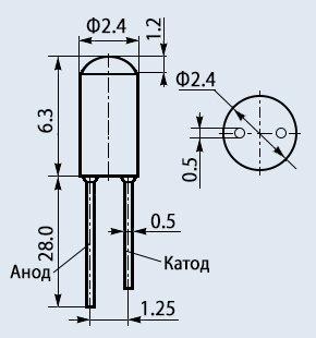
Диод КД522Б - кремниевый, предназначен для применения в импульсных устройствах. Выпускается в стеклянном корпусе с гибкими выводами. Технические параметры диода КД522Б представлены в таблице 7. Изображение с размерами диода КД522Б представлено на рисунке 11.
Таблица 7 - Технические параметры диода КД522Б
№ |
Наименование |
Значение |
1 |
Конфигурация диода |
Одиночный |
2 |
Максимальное постоянное обратное напряжение, В |
30 |
3 |
Максимально допустимый прямой импульсный ток, А |
1.5 |
4 |
Рабочая температура, °С |
-55 - +85 |
5 |
Максимальное время обратного восстановления, нс |
4 |
6 |
Общая емкость Сд, пФ |
4 |
7 |
Максимальный прямой (выпрямленный за полупериод) ток, А |
0.1 |
8 |
Вариант установки |
140 |
9 |
Рабочее напряжение |
5 В |
10 |
Максимальное прямое напряжение, В |
1.1 |
11 |
Техническое условие |
дР3.362.029 |
Рисунок 11 - размеры диода КД522Б
Инфракрасный светодиод АЛ107Б - Диоды излучающие, арсенидогаллиевые, мезаэпитаксиальные. Предназначены для работы в качестве источников ИК излучения. Конструктивно оформлены в пластмассовой оболочке. Технические параметры светодиода АЛ107Б представлены в таблице 8. Изображение с размерами светодиода АЛ107Б представлено на рисунке 12.
Таблица 8 - Технические параметры светодиода АЛ107Б
№ |
Наименование |
Значение |
1 |
Мощность излучения P, мВт |
9 |
2 |
Прямое напряжение, В |
1.8 |
3 |
Длина волны, нм |
953 |
4 |
Рабочая температура, °С |
-60 - +85 |
5 |
Ширина спектра излучения, нм |
30 |
6 |
Видимый телесный угол, град |
15 |
7 |
Максимальное обратное напряжение, В |
2 |
8 |
Максимальный прямой ток, мА |
100 |
Продолжение таблицы 8 - Технические параметры светодиода АЛ107Б
9 |
Максимальный импульсный прямой ток, мА |
600 |
10 |
Техническое условие |
УХЛ 2.1 ФЫ0.336.015 |
11 |
Вариант установки |
180 |
Рисунок 12 - размеры светодиода АЛ107Б
Используется 2 биполярных транзистора КТ815Б (VT1) и КТ3102А (VT2).
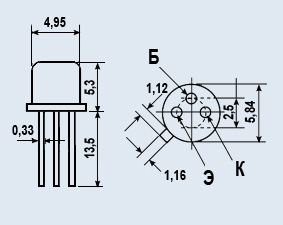
Транзисторы КТ3102А - кремниевые, эпитаксиально-планарные структуры n-p-n универсальные. Предназначены для применения в низкочастотных устройствах с малым уровнем шумов, переключающих, усилительных и генераторных устройствах средней и высокой частоты. Выпускаются в металлостеклянном корпусе с гибкими выводами. Технические параметры транзистор типа КТ3102А представлены в таблице 9. Изображение с размерами транзистора типа КТ КТ3102А представлено на рисунке 13.
Таблица 9 - Технические параметры транзистор типа КТ3102А
№ |
Наименование |
Значение |
1 |
Структура |
Npn |
2 |
Макс. напр. к-б при заданном обратном токе к и разомкнутой цепи э.(Uкбо макс),В |
50 |
3 |
Макс. напр. к-э при заданном токе к и разомкнутой цепи б.(Uкэо макс),В |
50 |
4 |
Максимально допустимый ток к ( Iк макс.А) |
0.1 |
5 |
Граничная частота коэффициента передачи тока fгр. МГц |
300 |
6 |
Максимальная рассеиваемая мощность, Вт |
0.25 |
8 |
Вес, г |
0.5 |
9 |
Статический коэффициент передачи тока h21э мин |
100 – 250 |
10 |
Рабочая температура , °С |
-45 - +85 |
11 |
Вариант установки |
230 |
12 |
Техническое условие |
аА0.336.122 |
Рисунок 13 - размеры транзистора КТ3102А
Транзисторы КТ815Б - кремниевые меза – эпитаксиально - планарные структуры n-p-n усилительные. Предназначены для применения в усилителях низкой частоты, операционных и дифференциальных усилителях, преобразователях, импульсных устройствах. Корпус пластмассовый с жесткими выводами. Технические параметры транзистор типа КТ815Б представлены в таблице 10. Изображение с размерами транзистора типа КТ815Б представлено на рисунке 14.
Таблица 10 - Технические параметры транзистора КТ815Б
№ |
Наименование |
Значение |
1 |
Структура |
Npn |
2 |
Макс. напр. к-б при заданном обратном токе к и разомкнутой цепи э.(Uкбо макс),В |
50 |
3 |
Макс. напр. к-э при заданном токе к и разомкнутой цепи б.(Uкэо макс),В |
50 |
4 |
Максимально допустимый ток к ( Iк макс.А) |
1.5 |
5 |
Граничная частота коэффициента передачи тока fгр. МГц |
3 |
6 |
Максимальная рассеиваемая мощность, Вт |
10 |
7 |
Корпус |
кт-27-2(то-126) |
8 |
Вес, г |
0.9 |
9 |
Статический коэффициент передачи тока h21э мин |
40 |
10 |
Рабочая температура, °С |
-45 - +100 |
11 |
Вариант установки |
190 |
12 |
Техническое условие |
аА0.336.185 |
Рисунок 14 - размеры транзистора КТ815Б
1.2.4 Катушки индуктивности, дроссели
В данном устройстве используется 1 дроссель EC24 (L1). Дроссель серии EC24 - представляет собой миниатюрную катушку с ферритовым сердечником, размещенную в изолирующем корпусе с двумя выводами. Технические параметры дросселя серии EC24 представлены в таблице 11. Изображение с размерами дросселя серии EC24 представлено на рисунке 15.
Таблица 11 - Технические параметры дросселя серии EC24
№ |
Наименование |
Значение |
1 |
Номинальная индуктивность, мкГн |
22 |
2 |
Допуск номинальной индуктивности,% |
10 |
3 |
Максимальный постоянный ток, мА |
285 |
4 |
Активное сопротивление, Ом |
1.2 |
5 |
Добротность, Q |
40 |
6 |
Рабочая температура, С |
-20 – +100 |
7 |
Вариант установки |
140 |
Рисунок 15 - размеры дросселя EC24
1.2.5 Устройства коммутации в цепях управления, сигнализации и измерения
В данном устройстве используется 2 устройства коммутации в цепях управления: тактовая кнопка ПКН-159-3 (SB1) и переключатель движковый ПД9-1(SA1).
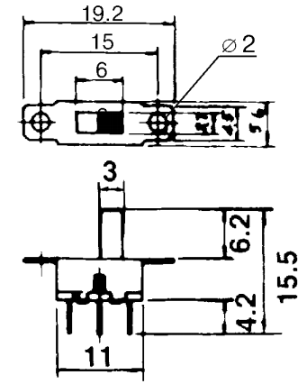
Тактовая кнопка ПКН-159-3 (SB1) - предназначена для работы в электрических цепях постоянного и переменного тока в бытовой РЭА и в аппаратуре промышленного применения. Ход подвижной части переключателя составляет не более 0.5 мм. Технические параметры тактовой кнопки ПКН-159-3 представлены в таблице 12. Изображение с размерами тактовой кнопки ПКН 159-3 представлено на рисунке 16.
Таблица 12 - Технические параметры тактовой кнопки ПКН-159-3
№ |
Наименование |
Значение |
1 |
Рабочий ток, А |
0.1 |
2 |
Рабочее напряжение, В |
36 |
3 |
Диапазон рабочих температур, °C |
-45 – +70 |
4 |
Сопротивление электрического контакта, Ом |
0.1 |
5 |
Сопротивление изоляции, МОм |
1000 |
6 |
Количество коммутационных циклов |
50000 |
7 |
Техническое условие |
АУБК.642130.004 |
8 |
Вариант установки |
По рисунку на поле чертежа |
Рисунок 16 - размеры тактовой кнопки ПКН-159-3
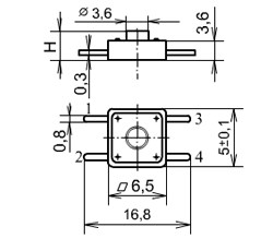
Переключатель движковый ПД9-1 (SA1) – малогабаритный переключатель с движковым механизмом переключения, коммутирует цепи сигнализации и управления. Технические параметры переключателя ПД9-1 представлены в таблице 13. Изображение с размерами переключателя ПД9-1 представлено на рисунке 17.
Таблица 13 - Технические параметры переключателя ПД9-1
№ |
Наименование |
Значение |
1 |
Сопротивление изолятора не менее, МОм |
100 |
2 |
Сопротивление контактов не более, Ом |
0.1 |
3 |
Рабочая температура, С |
-10 – +70 |
4 |
Рабочее напряжение, В |
36 |
5 |
Рабочий ток, А |
0.3 |
6 |
Количество контактных групп |
1 |
7 |
Количество контактов в контактной группе |
3 |
8 |
Технические условия |
ДДШ 2.820.019 РЭ |
9 |
Вариант установки |
По рисунку на поле чертежа |
Рисунок 17 - размеры переключателя ПД9-1
1.2.6 Схемы интегральные, микросборки
В данном устройстве используется 4 интегральные схемы, микросборки , 3 из которых интегральные аналоговые схемы КР1056УП1 (DA1), КР1446ПН1Е (DA2), LM7805(DA3), 2 микроконтроллера ATtINY2313V-10PI (DD1-DD2).
Микросхема КР1056УП1 – представляет собой усилитель импульсного ИК излучения. Технические параметры микросхемы КР1056УП1 представлены в таблице 14. Изображение с размерами микросхемы КР1056УП1 представлено на рисунке 18.
Таблица 14 -Технические параметры микросхемы КР1056УП1
№ |
Наименование |
Значение |
1 |
Входное напряжение, В |
2.5 |
2 |
Номинальное напряжение, В |
5 |
3 |
Потребляемый ток при ном. нагрузке, мА |
25 |
4 |
Температура окружающей среды, С° |
-30 - +125 |
5 |
Напряжение на выходе, В |
60 |
6 |
Вариант установки |
330 |
7 |
Техническое условие |
5КО 348 755 |
Рисунок 18 – размеры микросхемы КР1056УП1
Микросхема КР1446ПН1Е - импульсный повышающий регулятор напряжения для устройств, использующих низковольтные источники питания или батарейки. Технические параметры микросхемы КР1446ПН1Е представлены в таблице 15. Изображение с размерами микросхемы КР1446ПН1Е представлено на рисунке 19.
Таблица 15 - Технические параметры микросхемы КР1446ПН1Е
№ |
Наименование |
Значение |
1 |
Входное напряжение, В |
5 |
2 |
Напряжение запуска, В |
0.9 |
3 |
Выходное напряжение, В |
3,3;5; |
4 |
Рабочее напряжение, В |
36 |
5 |
Максимальный ток нагрузки , мА |
100 |
6 |
Ток потребления в спящем режиме, мкА |
330 |
7 |
Температура окружающей среды, С° |
-45 - +70 |
8 |
Вариант установки |
330 |
9 |
Техническое условие |
АБДК.431320.528 |