Материал: Курсач Иванова(возможно)

Внимание! Если размещение файла нарушает Ваши авторские права, то обязательно сообщите нам

3. Расчет основных узлов ацп с двойным интегрированием

3.1 Расчёт транзисторного ключа

Следующим узлом АЦП является транзисторный ключ подачи напряжений -UОП и + UВХ.

Для начала расчёта параметров транзисторного ключа необходимо задать условия несоблюдение которых делает реализацию схемы невозможной

В режиме насыщения ток коллектора не должен превышать максимально возможный.

1) Величины сопротивлений должны быть таковыми, чтобы обеспечивать

не менее 0,6 В между базой и эмиттером, когда на выходе триггера Т2 логическая 1,и не более 0, 2 В - когда логический 0 для транзисторов VТ1-VТ3 (и наоборот для VТ4).

Нагрузкой ключа является входная цепь интегратора задавшись что напряжение на входе интегратора + UВХ = +5 В. Транзистор VT3 в режиме насыщения, а VT4 в отсечке. В качестве VT2 и VT4 выбираем транзисторы типа КТ345В, в качестве VT1 типа КТ315В и VT3 типа КТ315Г. В режиме насыщения у транзистора VT3 типа n-p-n Uкэ нас = 0, 1 В; Uбэ нас = 1, 2 В необходимо, создать на базе VT3 потенциал + 6,2 В.

Рис.4 Схема электронного ключа.

Данный транзистор включён в схеме с ОК. Данный транзистор по условию схемы должен выдавать напряжение на эмиттере такое же, как и на коллекторе. Следовательно основной ток будет через коллекторный переход смещенный в прямом направлении, и совсем небольшой ток через эмиттерный переход, равный току Iк0 = 1 мА транзистора VT4 находящегося в отсечке. Пренебрегая этим током и взяв из справочника h 11 ок = 20 записываем:

Ток коллектора VT2 не должен превышать Iк max = 200 мА. Исходя из этого находим величину R5 и запишем выражение для тока I5: Откуда по закону Ома находим:

По ГОСТ выбираем 150 Ом.

Найдя из таблицы для VT2 h 21оэ = 70 находим, что базовый ток транзистора равен:

Ток эмиттера VT2 по закону Кирхгофа:

В режиме насыщения падение напряжения между эмиттером и коллектором транзистора VT2 Uкэ нас = 0, 2 В, а между эмиттером и базой Uбэ нас = 1 В. Следовательно потенциал на базе VT2 (при условии прямого смещения p-n-p транзистора) φБ=6,4-1=5,4В, а на эмиттере φЭ=6,2+0,2=6,4В. Находим сопротивление резистора R4:

По ГОСТ выбираем 620 Ом.

Коллекторный ток транзистора VT1 не должен превышать Iк max = 100 мА, этот же ток проходит через резистор R2. Находим ток I3 и сопротивление смещения R3:

По ГОСТ выбираем 100 Ом.

Находим ток базы VT1, взяв из справочника значение h 21оэ = 50:

В режиме насыщения падение напряжения между эмиттером и коллектором транзистора VT1 Uкэ нас = 0, 4 В, а между эмиттером и базой Uбэ нас = 1,1 В. Следовательно потенциал на базе VT2 (при условии прямого смещения p-n-p транзистора) φБ=0+1,1=1,1В, а на эмиттере φЭ=0+0,4=0,4В.Откуда находим сопротивление R2:

По ГОСТ выбираем 51 Ом.

Сопротивление резистора R1:

где 2,4 В минимальный уровень напряжения логической 1 на выходе триггера Т2 ТТЛ микросхемы. При уровне напряжения логического 0 около 0В через транзистор VT1 находящийся в режиме отсеки будет протекать ток Iк0 = 1 мА, вызывая падение на базе VT2:

А так как VT2 тоже в отсечке и ток через него Iк0 = 1 мА, то падение напряжения на эмиттере:

Падение напряжения эмиттерном переходе составляет:

Напряжение на эмиттере меньше напряжения на базе, что для кремниевого p-n-p транзистора является режимом отсечки в схеме с ОЭ. Ток через VT1 вызывает падение напряжения на R5, которое составляет:

Это приведет к отсечке VT3 и открытию VT4, на выходе появится потенциал -8В.

3.2 Генератор тактовых импульсов (опорный генератор)

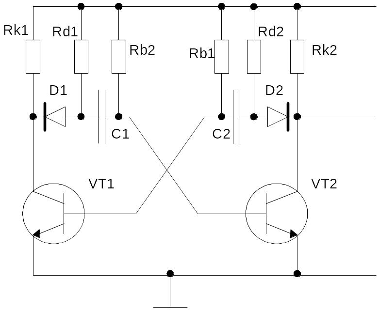
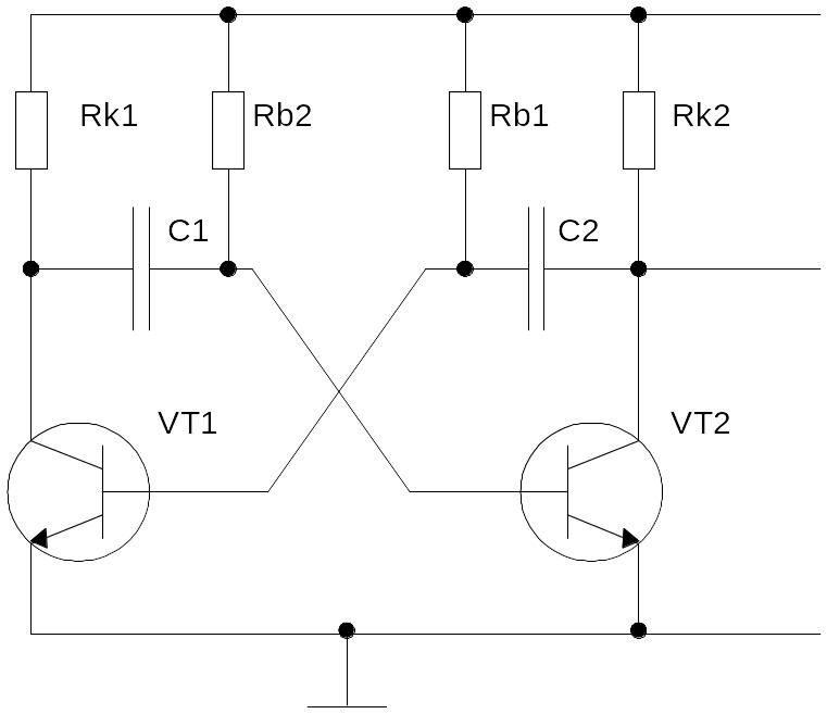
В качестве опорного генератора используем простой мультивибратор, элементная база которого состоит из двух идентичных транзисторов. При этом транзистор будем считать безынерционным элементом, а схему мультивибратора симметричной (Rk1= Rk2 = Rk; C1= C2= C ; Rб1= Rб2= Rб).

Принцип функционирования.

Предположим, что в момент t0 происходит очередное переключение мультивибратора, и транзистор VT1 попадает в режим насыщения, a VT2 - в режим отсечки. С этого момента в схеме начинают протекать два самостоятельных процесса, связанные с перезарядом емкостей С1 и С2.

К моменту t=t0, конденсатор С2 полностью разряжен и после насыщения транзистора VT1 начинается заряд этого конденсатора через резистор Rk2.

(1.1)

Так как конденсатор С2 через эмиттерный переход насыщенного транзистора VT1 шунтирует коллектор-эмиттерные выводы транзистора VT2, то процесс его заряда определяет скорость изменения коллекторного напряжения транзистора VT2. Полагая, что процесс заряда заканчивается в момент Uc2=0,9Eп, для длительности фронта коллекторного напряжения транзистора справедливо выражение:

(1.2)

В момент t0 ток базы транзистора VT1 складывается из постоянного тока резистора Rб1 и импульсного тока заряда конденсатора С2. Поэтому сразу после насыщения ток базы VT1 существенно больше необходимого для его насыщения, и напряжение эмиттерного перехода транзистора VT1 имеет максимальное значение - UБЭ1 и. По мере заряда конденсатора С2, напряжение UБЭ1, падает до величины UБЭ1 н, определяемой только током резистора Rб1.

Рис. 5 Схема симметричного мультивибратора (а) и временные диаграммы, поясняющие его работу (б)

Второй процесс в схеме связан с разрядом ранее заряженного почти до напряжения питания Eп конденсатора С1. Этот разряд происходит через насыщенный транзистор VT1, источник питания Eп, и резистор Rб1. Так как VT1 насыщен, то UБЭ2 ≈ UС1 и VT2 надежно заперт.

Процесс разряда конденсатора С1 описывается выражением

(1.3)

Этот процесс заканчивается в момент, когда UС1=0. Решая (1.3) относительно времени, для длительности разряда конденсатора С1 получаем,

(1.4)

В момент t2 произойдет очередное переключение транзисторов. Транзистор VT1 запирается, а транзистор VT2 насыщается. Далее процесс пойдёт аналогично описанному. Поэтому длительности интервалов t3-t2 и t4-t2 можно определить соответственно из выражений (1.2) и (1.4) при замене Rб1С1 на Rб2С2 и Rк1С1 на Rк2С2.

Таким образом, длительность нахождения схемы в квазиустойчивом состоянии определяется процессами разряда, а длительность фронта коллекторного напряжения - процессами заряда конденсатора связи. Сравнивая (1.2) и (1.4), можно сказать, что поскольку

б/Rк = h21Э /S,

где S -степень насыщения транзистора (обычно S=1,5...2), то длительность фронта коллекторного напряжения, равная длительности интервала подготовки схемы к следующему переключению, всегда меньше длительности импульса выходного напряжения.

В рассматриваемом случае выходное напряжение автоколебательного мультивибратора близко к прямоугольному, причем длительности импульса tИ и паузы tП выходного напряжения равны между собой (t2-t0 и t4-t2).

Если симметрия схемы нарушена, то на выходах формируется напряжение, для которого tИ ≠ tП. При проектировании таких схем необходимо заботиться о том, чтобы во всех режимах работы время подготовки схемы к следующему переключению было меньше или равно времени нахождения схемы в квазиустойчивом состоянии.

Частота выходного напряжения симметричного автоколебательного мультивибратора не зависит от напряжения питания и полностью определяется параметрами его элементов

(1.5)

Следует отметить, что как видно из временных диаграмм работы мультивибратора полученный импульс не является строго прямоугольным. Это происходит из-за того, что при запирании конденсатор заряжается через сопротивление коллекторной нагрузки, т.е. ведёт себя как «паразитная» ёмкость. Для устранения этого недостатка вводятся диоды D1 и D2 и сопротивления Rd1=Rd2=Rk. Благодаря им при запирании конденсаторы будут заряжаться через эти сопротивления:

Рис.6 Схема мультивибратора

Расчёт.

Для реализации схемы генератора, вырабатывающего импульсную последовательность частотой 50 кГц, и скважностью импульсов 4 используем следующую последовательность расчёт мультивибратора.

Период импульса составляет:

Длительность паузы при скважности Q=4 составляет:

Длительность импульса составляет:

Расчет проведём в следующем порядке:

1. Выбираем тип транзисторов из следующих условий UК ДОП=2EП, fГР100МГц, IК ДОП20мА. Так как мой источник питания имеет положительную полярность следует выбирать транзисторы n-p-n-типа.

Перечисляемым условиям удовлетворяет n-p-n-транзистор КТ331А-1, для которого:

UК ДОП=15 В ; h21 =30…90 ; fГР =450 МГц ; IК ДОП=20мА; UБЭнас=0,8 В;КЭ нас=0,3 В

2. Определяем RК1=RК2= RК =E/IK, принимаем IК=(0,60,8)IК MAX.

По ГОСТ выбираем 360 Ом.

. Рассчитываем Rб1= Rб2= Rб =h21∙RК/S, S - степень насыщения, обычно S=(1,22).

По ГОСТ выбираем 15 кОм.

. Емкость конденсаторов С1 и С2 можно определить по формулам:

Откуда,

По ГОСТ выбираем 470 nF и 1,3 μF.

5. Расчётная длительность фронтов.

Переднего фронта:

Заднего фронта:

Длительность фронтов меньше 0,1 длительности импульса, поэтому корректировки фронтов не требуется.