Методические указания содержат краткие теоретические сведения и варианты контрольных задач. Данные указания имеют цель повысить эффективность усвоения учебного материала студентами-заочниками и сократить время выполнения расчёта.
Требования к контрольной работе.
Контрольная работа выполняется на листах А4 в клетку аккуратным разборчивым почерком.
Все схемы расчётные, таблицы и векторные диаграммы выполнять карандашом.
Вариант контрольной работы следует выбирать из списка группы. Если номер в списке группы «31», то значит ваш вариант №1 и т.д. Если студент выполнил не свой вариант, контрольная работа не принимается.
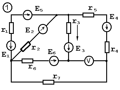
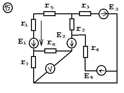
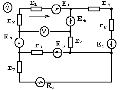
Схемы электрических цепей показаны на рис.1.
Параметры элементов схемы помещены в таблице 1.
Требуется:
Составить уравнения по законам Кирхгофа (не решая их).
Определить токи ветвей методом контурных токов.
Составить баланс мощностей, провести проверку решения.
Первый закон
Кирхгофа.
Алгебраическая сумма токов ветвей,
сходящихся в узле, равна нулю. Σ
I=0.
Второй закон
Кирхгофа. В
замкнутом электрическом контуре
алгебраическая сумма всех источников
э.д.с. равна алгебраической сумме падений
напряжений на сопротивлениях контура
Σ
=Σ
.
При этом в левой части с плюсом берутся те эдс, направление которых совпадает с направлением обхода контура, а в правой части уравнения с плюсом берутся те падения напряжения, направление токов которых совпадает с направлением обхода контура.
Уравнения по законам Кирхгофа записывают для независимых узлов и контуров.
Независимый узел – это узел, в который входит хотя бы одна новая ветвь по сравнению с остальными узлами.
Независимый контур - это контур, включающий по крайней мере одну новую ветвь и ветви выбранных ранее контуров.
Сумма мгновенных значений мощностей источников в электрической цепи равна сумме мгновенных значений мощностей, потребляемых этой цепью ΣРгенер=ΣРпотр.; Σ±Еj Ij=ΣI²R.
При этом в левой части произведение с плюсом, если направление э.д.с. и тока совпадает.
Метод контурных токов позволяет уменьшить количество уравнений, составляемых по законам Кирхгофа, до числа уравнений, составленных по второму закону Кирхгофа. Контурными называются условные (расчётные) токи, замыкающиеся только по своим контурам. Направлениями контурных токов задают произвольно.
Ток любой ветви находят как алгебраическую сумму контурных токов, замыкающихся по этой ветви.
Таблица 1
№ вар |
№ рис |
Е1 |
Е2 |
Е3 |
Е4 |
Е5 |
Е6 |
R1 |
R2 |
R3 |
R4 |
R5 |
R6 |
R7 |
R8 |
R9 |
В |
Ом |
|||||||||||||||
1 |
1 |
10 |
5 |
12 |
10 |
10 |
18 |
1 |
2 |
4 |
2 |
4 |
10 |
2 |
- |
- |
2 |
2 |
10 |
8 |
5 |
12 |
8 |
12 |
2 |
4 |
6 |
4 |
4 |
4 |
3 |
8 |
- |
3 |
3 |
15 |
6 |
8 |
5 |
15 |
15 |
4 |
8 |
10 |
6 |
8 |
8 |
5 |
- |
- |
4 |
4 |
18 |
8 |
6 |
8 |
8 |
10 |
6 |
10 |
8 |
2 |
8 |
6 |
6 |
- |
- |
5 |
5 |
12 |
10 |
10 |
6 |
12 |
8 |
2 |
8 |
2 |
4 |
10 |
8 |
5 |
2 |
- |
6 |
6 |
10 |
5 |
12 |
10 |
10 |
15 |
1 |
2 |
4 |
2 |
4 |
10 |
2 |
5 |
- |
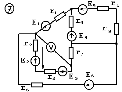
7 |
7 |
10 |
8 |
5 |
12 |
8 |
12 |
2 |
8 |
2 |
4 |
10 |
8 |
5 |
2 |
- |
8 |
8 |
15 |
6 |
8 |
5 |
8 |
10 |
6 |
10 |
8 |
2 |
8 |
6 |
6 |
- |
- |
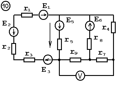
9 |
9 |
18 |
8 |
- |
8 |
8 |
10 |
6 |
10 |
8 |
2 |
8 |
6 |
6 |
- |
- |
10 |
10 |
12 |
10 |
10 |
- |
12 |
8 |
2 |
8 |
2 |
4 |
10 |
- |
5 |
2 |
2 |
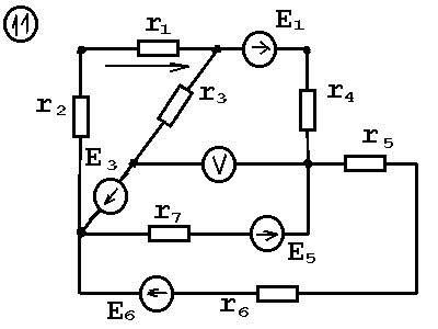
11 |
11 |
10 |
- |
20 |
- |
30 |
40 |
10 |
5 |
2 |
4 |
10 |
8 |
2 |
- |
- |
12 |
12 |
10 |
8 |
15 |
20 |
- |
5 |
2 |
4 |
3 |
1 |
2 |
5 |
4 |
- |
- |
13 |
13 |
20 |
10 |
15 |
30 |
- |
- |
2 |
8 |
10 |
12 |
10 |
1 |
- |
- |
- |
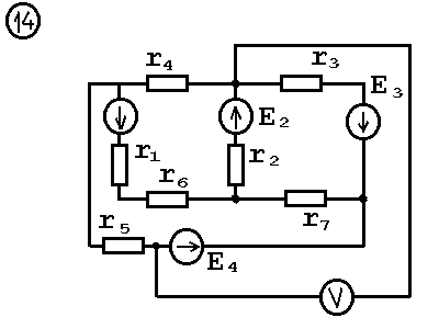
14 |
14 |
5 |
8 |
10 |
40 |
- |
- |
3 |
5 |
8 |
10 |
2 |
12 |
10 |
- |
- |
15 |
15 |
15 |
20 |
40 |
10 |
- |
- |
10 |
5 |
2 |
8 |
15 |
2 |
10 |
- |
- |
16 |
1 |
20 |
5 |
12 |
10 |
10 |
18 |
6 |
2 |
4 |
2 |
4 |
10 |
2 |
- |
- |
17 |
2 |
15 |
8 |
5 |
12 |
8 |
12 |
4 |
4 |
6 |
4 |
4 |
4 |
3 |
8 |
- |
18 |
3 |
20 |
6 |
8 |
5 |
15 |
15 |
8 |
8 |
10 |
6 |
8 |
8 |
5 |
- |
- |
19 |
4 |
15 |
8 |
6 |
8 |
8 |
10 |
3 |
10 |
8 |
2 |
8 |
6 |
6 |
- |
- |
20 |
5 |
18 |
10 |
10 |
6 |
12 |
8 |
5 |
8 |
2 |
4 |
10 |
8 |
5 |
2 |
- |
21 |
6 |
16 |
5 |
12 |
10 |
10 |
15 |
2 |
2 |
4 |
2 |
4 |
10 |
2 |
5 |
- |
22 |
7 |
22 |
8 |
5 |
12 |
8 |
12 |
4 |
8 |
2 |
4 |
10 |
8 |
5 |
2 |
- |
23 |
8 |
25 |
6 |
8 |
5 |
8 |
10 |
5 |
10 |
8 |
2 |
8 |
6 |
6 |
- |
- |
24 |
9 |
15 |
8 |
- |
8 |
8 |
10 |
3 |
10 |
8 |
2 |
8 |
6 |
6 |
- |
- |
25 |
10 |
18 |
10 |
10 |
- |
12 |
8 |
4 |
8 |
2 |
4 |
10 |
- |
5 |
2 |
2 |
26 |
11 |
13 |
- |
20 |
- |
30 |
40 |
8 |
5 |
2 |
4 |
10 |
8 |
2 |
- |
- |
27 |
12 |
16 |
8 |
15 |
20 |
- |
5 |
4 |
4 |
3 |
1 |
2 |
5 |
4 |
- |
- |
28 |
13 |
25 |
10 |
15 |
30 |
- |
- |
4 |
8 |
10 |
12 |
10 |
1 |
- |
- |
- |
29 |
14 |
10 |
8 |
10 |
40 |
- |
- |
5 |
5 |
8 |
10 |
2 |
12 |
10 |
- |
- |
30 |
15 |
22 |
20 |
40 |
10 |
- |
- |
6 |
5 |
2 |
8 |
15 |
2 |
10 |
- |
- |
Схема электрической цепи показана на рис.2. Параметры элементов схемы помещены в таблице 2.
Электрическая цепь переменного синусоидального тока с частотой f=50 Гц. Находится под действием источника напряжения е=Еmsin(ωt+φe). С учётом положения выключателей В1- В7 определить для своего варианта:
полные и комплексные сопротивления участков цепи;
все токи ветвей;
полные, реактивные и активные мощности отдельных участков цепи и всей электрической цепи;
Формы представления синусоидальных величин.
а) тригонометрическая форма записи мгновенных величин
i=Imsin(ωt+φi);
б) форма записи комплексных чисел показательная:
в) алгебраическая:
,
где
Рассмотрим несколько примеров перевода комплексных чисел из алгебраической формы в показательную:
,
где
,
ψ=arctg b/a;
,
,
,
где а и b- проекции на ось действительных и мнимых чисел соответственно.
Таблица 2
№ |
Em, B |
φe, C |
UL3, B |
I3, A |
R1, Ом |
R2, Ом |
R3, м |
R4, Ом |
R5, Ом |
XL1, Ом |
XL3, Ом |
XL6, Ом |
Xc1, Ом |
Xc4, Ом |
Xc7, Ом |
Выключатели замкнуты |
1 |
100 |
30 |
- |
- |
2 |
- |
- |
6 |
10 |
- |
- |
- |
5 |
8 |
25 |
B1,B4,B5,B7 |
2 |
- |
- |
32 |
- |
- |
4 |
12 |
- |
20 |
4 |
16 |
5 |
- |
- |
- |
B2,B3,B5,B6 |
3 |
150 |
40 |
- |
- |
4 |
- |
8 |
3 |
14 |
- |
6 |
- |
4 |
4 |
- |
B1,B3,B4,B5 |
4 |
100 |
60 |
- |
- |
2 |
- |
- |
6 |
10 |
- |
- |
- |
5 |
8 |
25 |
B1,B4,B5,B7 |
5 |
- |
- |
40 |
- |
- |
4 |
12 |
- |
20 |
10 |
16 |
50 |
- |
- |
- |
B2,B3,B5,B6 |
6 |
- |
- |
- |
5 |
- |
3 |
7 |
15 |
44 |
4 |
24 |
- |
- |
20 |
- |
B2,B3,B4,B5 |
7 |
200 |
0 |
- |
- |
- |
2 |
10 |
- |
20 |
16 |
10 |
- |
- |
- |
20 |
B2,B3,B5,B7 |
8 |
- |
- |
64 |
- |
- |
4 |
12 |
- |
20 |
4 |
32 |
5 |
- |
- |
- |
B2,B3,B5,B6 |
9 |
- |
- |
- |
10 |
- |
3 |
7 |
15 |
44 |
4 |
24 |
- |
- |
20 |
- |
B2,B3,B4,B5 |
10 |
141 |
20 |
- |
- |
10 |
- |
12 |
- |
40 |
- |
16 |
50 |
10 |
- |
- |
B1,B3,B5,B6 |
11 |
200 |
0 |
- |
- |
4 |
- |
24 |
3 |
20 |
- |
7 |
- |
4 |
4 |
- |
B1,B3,B4,B5 |
12 |
- |
- |
- |
20 |
- |
3 |
7 |
15 |
22 |
4 |
24 |
- |
- |
20 |
- |
B2,B3,B4,B5 |
13 |
300 |
45 |
- |
- |
10 |
- |
6 |
- |
40 |
- |
8 |
50 |
10 |
- |
- |
B1,B3,B5,B6 |
14 |
- |
- |
64 |
- |
4 |
- |
24 |
3 |
20 |
- |
7 |
- |
4 |
4 |
- |
B1,B3,B4,B5 |
15 |
282 |
30 |
- |
- |
10 |
- |
12 |
- |
50 |
- |
16 |
100 |
10 |
- |
- |
B1,B3,B5,B6 |
16 |
150 |
30 |
- |
- |
2 |
- |
- |
6 |
20 |
- |
- |
- |
5 |
8 |
25 |
B1,B4,B5,B7 |
17 |
- |
- |
32 |
- |
- |
4 |
12 |
- |
40 |
4 |
16 |
5 |
- |
- |
- |
B2,B3,B5,B6 |
18 |
300 |
40 |
- |
- |
4 |
- |
8 |
3 |
28 |
- |
6 |
- |
4 |
4 |
- |
B1,B3,B4,B5 |
19 |
200 |
60 |
- |
- |
2 |
- |
- |
6 |
20 |
- |
- |
- |
5 |
8 |
25 |
B1,B4,B5,B7 |
20 |
- |
- |
40 |
- |
- |
4 |
12 |
- |
40 |
10 |
16 |
50 |
- |
- |
- |
B2,B3,B5,B6 |
21 |
- |
- |
- |
5 |
- |
3 |
7 |
15 |
22 |
4 |
24 |
- |
- |
20 |
- |
B2,B3,B4,B5 |
22 |
150 |
0 |
- |
- |
- |
2 |
10 |
- |
40 |
16 |
10 |
- |
- |
- |
20 |
B2,B3,B5,B7 |
23 |
- |
- |
64 |
- |
- |
4 |
12 |
- |
40 |
4 |
32 |
5 |
- |
- |
- |
B2,B3,B5,B6 |
24 |
- |
- |
- |
10 |
- |
3 |
7 |
15 |
22 |
4 |
24 |
- |
- |
20 |
- |
B2,B3,B4,B5 |
25 |
200 |
20 |
- |
- |
10 |
- |
12 |
- |
20 |
- |
16 |
50 |
10 |
- |
- |
B1,B3,B5,B6 |
26 |
150 |
0 |
- |
- |
4 |
- |
24 |
3 |
40 |
- |
7 |
- |
4 |
4 |
- |
B1,B3,B4,B5 |
27 |
- |
- |
- |
20 |
- |
3 |
7 |
15 |
44 |
4 |
24 |
- |
- |
20 |
- |
B2,B3,B4,B5 |
28 |
200 |
45 |
- |
- |
10 |
- |
6 |
- |
20 |
- |
8 |
50 |
10 |
- |
- |
B1,B3,B5,B6 |
29 |
- |
- |
64 |
- |
4 |
- |
24 |
3 |
40 |
- |
7 |
- |
4 |
4 |
- |
B1,B3,B4,B5 |
30 |
300 |
30 |
- |
- |
10 |
- |
12 |
- |
25 |
- |
16 |
100 |
10 |
- |
- |
B1,B3,B5,B6 |
Рис. 1. Схемы электрических цепей
В трёхфазную сеть с симметричной системой линейных напряжений Uл включён трёхфазный потребитель электроэнергии, фазы которого имеют комплексные сопротивления Zа, Zb, Zс и соединены “звездой”.
Определить:
Линейные и фазные токи;
Активную Р, реактивную Q и полную S мощности потребителя;
Трёхфазная система питания электрических цепей представляет собой совокупность трёх синусоидальных ЭДС или напряжений, одинаковых по частоте и амплитудному значению, сдвинутых по фазе относительно друг друга на угол 120°.
EA = EAmsin(wt);
EB
= EBmsin(wt-2
/3);
EC = ECmsin(wt+2 /3).
В симметричных источниках питания максимальные значения ЭДС равны, соответственно равны и действующие значения ЭДС
EA=EB=EC=Eф. Пренебрегая внутренним сопротивлением источника, можно принять соответствующие ЭДС источника равными напряжениям, действующим на его зажимах:
EA=UA, EB=UB, EC=UC.
Комплексные напряжения симметричного источника питания могут быть представлены системой уравнений:
Ua = Uфe j0 = Uф;
Ub
= Uф
e-j120
= Uф(-0,5-
j
/2);
Uс = Uф e+j120 = Uф(-0,5+ j /2).
Фазным называется напряжение между началом и концом фазы. Линейным назовём напряжение между двумя линиями или между началами двух фаз. Соотношение между линейным и фазным напряжениями симметричного источника питания: UЛ = Uф.
Трёхфазные электрические цепи при соединении фаз приёмников “звездой”.
При соединении фаз трёхфазного источника питания “звездой” концы фаз источника X,Y,Z объединены в общую нейтральную точку N, а начала фаз А,В,С подключаются к соответствующим линейным проводам Аа, Вв, Сс. Аналогичным образом при соединении трёхфазных потребителей объединяются в нейтральную точку n концы его фаз x,y,z, при начала фаз а,в,с подключаются к линейным проводам.
Линейные токи In в питающих линиях имеют условно-положительное направление от источника энергии к приёмнику. При соединении приёмника энергии по схеме “звезда” линейные токи IA,IB,IC одновременно являются и фазными токами приёмника Iа,Iв,Iс, т.е.
IA= Iа; IB = Iв; IC = Iс.
Трёхфазные источники питания практически всегда выполняются симметричными. Трёхфазные потребители электроэнергии могут быть симметричными и несимметричными. Для симметричных приёмников электроэнергии справедливы соотношения, полученные для трёхфазных симметричных источников питания.
При этом:
Ua=Ub=Uc=Uф; UAB=UBC=UCA=UЛ; Za=Zb=Zc=Zф;
cosΨa = cosΨb = cosΨc = сosΨф ; UЛ= Uф.