Материал: Конструкція пристрою попереднього підсилювача

Внимание! Если размещение файла нарушает Ваши авторские права, то обязательно сообщите нам

. Були проведені розрахунки електромагнітної сумісності елементів, механічної міцності друкованої плати, а саме: на удар, на вібрацію, розрахунок на надійність, теплові розрахунки.

. Під час розрахунку плати електромагніту сумісність на провідників, які розташовані на одній поверхні друкованої плати взаємну ємність та індуктивність провідників які розташовані на одній поверхні друкованої плати становили 10,72 пФ та 108 нГн, які знаходяться в межах норми і не потрібно додаткових засобів з їх зниження.

. Під час розрахунку плати на вібростійкість частота власних коливань не співпала з резонансною частотою і становить 442 Гц, отже співвідношення розмірів плати задовольняють вимогам вібростійкості. А граничний прогин друкованої плати становить 2∙10-6, що не перевищує допустимого значення, тому можна сказати, що вібраційні навантаження не вплинуть на роботу пристрою.

. При розрахунку плати на надійність, було отримано 32250 годин безвідмовної роботи.

. При розрахунку на удар виявилось, що спосіб кріплення (чотири отвори по краях плати) та її товщина забезпечують найменшу частоту власних коливань, найбільше віброзміщення при дії вібрації і найменше ударне прискорення при дії ударів.

. В результаті теплових розрахунків було отримано потужність розсіювання, яка становить 5,52 кВт/м2. Перегрівання для апаратури з природною конвекцією було отримано 35 К, при цьому забезпечуються умови нормального теплового режиму, і природної конвекції для цього достатньо.

. Згідно розрахунків можна констатувати, що пристрій задовольняє всі техніко-технологічні характеристики та може бути введений у експлуатацію.

ЛІТЕРАТУРА


1.       Відлюдьків С.А. Цифрові пристрої на МОН-інтегральних мікросхемах. -М.: Радіо й зв'язок, 1996.

2.      Евсеев А.Н. Электронные устройства для дома. - М.: Радио и связь, 1994.

.        Радиолюбитель, 1999, №4.

.        РАДИО № 8,9, 1990 г.

.        Радиокомпоненты и материалы. Справочник. Радиософт, 1998, - 720с.

.        Горобец А.И., Степаненко А.И., Коронкевич В.М. Справочник по конструированию радиоэлектронной аппаратуры - К.: Техника, 1985.-310с .

.        Р. М. Терещук Справочник радиолюбителя. Изд. 6-е. «Техніка»,1970. 696с.

.        Цифровые и аналоговые интегральные микросхемы: Справочник/ С.В. Якубовский. - М.: Радио и связь. 1990.- 496 с.

.        Філинюк М.А, Козлов В.В., Пастушенко О.Л. Проектування конструкцій РЕА. - Вінниця: ВДТУ, 2002.-99с.

.        Белинский В.Т., Гондюл В.П., Грозин А.А., Круковский-Синевич К.Б., Мазур Ю.Л. Практическое пособие по учебному конструированию РЭА.-К.: Вища школа, 1992. - 494 с.

.        А.А. Яншин. Теоретические основы конструирования, технологии и надежности ЭВА: Учеб. пособие для вузов. - М.: Радио и связь, 1983. - 312 с.

.        Технология деталей электронной аппаратуры.Учеб. пособие для вузов/С.Е. Ушаков, В.С. Сергеев, А.В. и др. М.: Радио и связь. 1986. - 256 с.

.        Сташин В. В., Урусов А. В, Мологонцева О. Ф. Проектирование цифровых устройств на однокристальных микроконтроллерах. - М.: Энергоатомиздат, 1990.

.        Проектирование конструкций радиоэлектронной аппаратуры. Учебное пособие для ВУЗов. Е.М. Парфенов, Э.Н. Камышная, В.П. Усачов. - М.: Радио и связь, 1989.

.        Полупроводниковые оптоэлектронные приборы: Справочник В.И. Иванов, А.И Аксенов.- 2-е изд., перераб. и доп.- М.: Энергоатом издат., 1989,-448с.

.        Ненашев А.П. Конструирование радиоэлектронных средств. - М. Высшая школа, 1990 - 424с.

.        В.І.Калінін, О.А. Костюк, А.А. Грудін. Математичні моделі та методика оцінки експлуатаційної надійності елементів і виробів електронної техніки. Частини І-ІІІ. Навчальний посібник”. В.:ВДТУ, 1999. - 56 с. Укр. мовою.

Додаток А

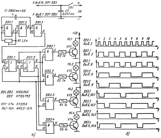
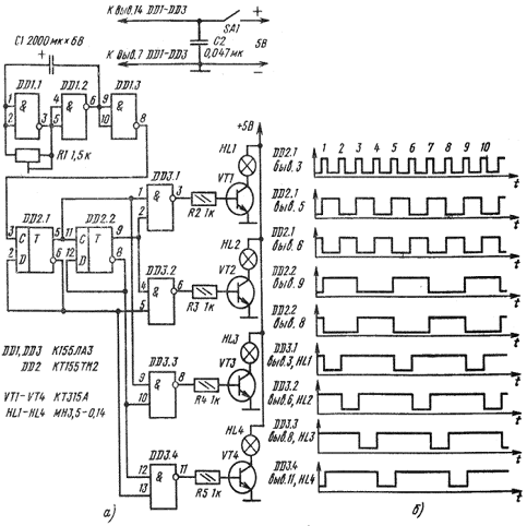
Рисунок 1 - Схема автомату формування світлових ефектів на тригерах

Рисунок 2 - Графіки для пояснення роботи автомата формування світлових ефектів з рис.1

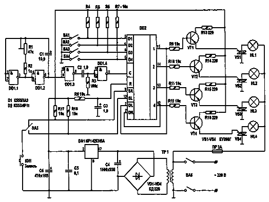
Рисунок 3 - Принципова схема автомату світлових ефектів на мікросхемах