Мікшерами прийнято називати каскади, призначені для зведення двох або декількох електричних сигналів в один загальний сигнал. Іноді каскади цього призначення називаються такими, що підсумовують, оскільки в них по суті відбувається незалежне складання напруг декількох сигналів. Розгалужуючими називаються каскади, призначені для повторення на декількох незалежних один від одного виходах напруг одного і того ж сигналу У практиці, радіоаматорства, такі каскади називаються також розмножувачами сигналу. Названі вище каскади знаходять широке застосування при записі і відтворенні звуку.
Сучасні мікшерські пульти дозволяють не тільки ввести сигнали, провести його змішування та корекцію, але й отримати деякі акустичні ефекти - реверберація, вібрація, стиснення, розширення, а також мають роздільне регулювання по низьким та високим частотам, фільтри "присутності", подавлення шумів та рокоту, фільтри обмеження смуги.
Проектуємий попередній підсилювач потужності призначений для узгодження виходу міксерного пульта та підсилювача потужності. Потреба в такому попередньому підсилювачі потужності викликана тим, що промислові пульти мають стандартну вихідну напругу, яка становить 750 мВ, а багато кінцевих підсилювачів потребують рівень вхідної напруги, яка становить 1,5 В. Виходячи з рівній вхідних та вихідних напруг видно, що коефіцієнт підсилення по напрузі становить 3, що можна було б забезпечити звичайним каскадом на одному транзисторі за схемою загальний емітер. Даний каскад підсилив би крім корисного сигналу ще й частотні нелінійні та інтермодуляційні спотворення і на виході підсилювача потужності були б, вище перераховані, вже підсилені, завади.
Забезпечивши схему з великим коефіцієнтом підсилення та значним негативним зворотнім зв'язком, можна усунути вище перераховані недоліки, або зменшити до мінімального рівня.
Використаний в схемі розробляємого пристрою двотактний емітерний повторювач дає досить високі показники.
Також схема має такі додаткові функції, як послаблення сигналу на 20 дБ, регулятор тембра який має високий коефіцієнт регулювання, вмикання/вимикання регулятора тембру та функцію тонкомпенсації.
Враховуючи вище перелічені переваги та те, що даний прилад в промисловості не виробляється можна передбачити, що він буде користуватися досить високим попитом в професійному звуковідтворенні.
До того ж, розроблений попередній підсилювач потужності
виконаний на сучасній елементній базі, яка дозволяє звести до мінімуму
споживаємий струм, що забезпечить його економічність, собівартість,
масо-габаритні показники, має високу точність та зручність в користуванні,
підвищену завадостійкість, то його розробка доцільна та він знайде попит в
радіоаматорів.
.1. Основні поняття та визначення
Підсилювач - пристрій <#"802012.files/image001.gif">
Рисунок 2.2 - Схема електрична принципова коректора
Оскільки вхідний підсилювач повинен узгодити низький вхідний опір регулятора тембру та усунути вплив мікшера на коректор. Тут можна використати ІМС операційного підсилювача типу К574УД1, параметри якої приведено нижче:
· Напруга живлення, В....................................... ±15
· Максимальний струм споживання, мА............. 10
· Максимальний коефіцієнт підсилення........... 5·104
· Частота одиничного підсилення, МГц.............. 10
· Мінімальний опір навантаження, кОм............. 10
· Максимальна вихідна напруга, В..................... 10
Оскільки даний каскад використовується тільки для узгодження, то використаємо схему повторювача. До даної схеми висуваються жорсткі вимоги щодо нелінійних та частотних спотворень, то використати звичайний емітерний чи витоковий повторювач недоцільно. Тому використаємо двотактний двокаскадний емітерний повторювач. Дана схема забезпечує досить малі частотні та нелінійні спотворення. Незначне затухання сигналу скомпенсує операційний підсилювач, який також забезпечить досить високий вхідний опір.
Схема ввімкнення та спосіб подачі НЗЗ
показано на рисунку 2.3.
Рисунок 2.3 - Схема електрична
принципіальна попереднього підсилювача
Оскільки в даній схемі введено 100% НЗЗ, то його коефіцієнт підсилення буде рівний 1. В розрахунку коефіцієнта підсилення по напрузі немає потреби. Для випадку, коли використовуватиметься нестандартне джерело сигналу і на розробляємий пристрій подаватиметься рівень сигналу більше 750 мВ - передбачено на вході схеми потенціометр. Проведемо вибір транзисторів VТ1(VТ2).
Вибираємо колекторний струм 3 мА.
Оскільки напруга живлення, яка становить 30 B, рівномірно розподілятиметься між
транзистором та емітерним резистором (по 15 В), то можна розрахувати резистор
та вибрати тип транзистора:
вибираємо стандартне значення 5,1 кОм.
Вибираються транзистори типу КТ361Д та КТ315Д з параметрами:
Максимальний струм колектора, мА................... 100
Максимально допустима напруга Vке, В.............. 40
Транзистори VТЗ, VТ4 при відсутності вхідного сигналу будуть закритими і лише при надходженні сигналу, кожен в свій на півперіод, будуть при відкриватися. При чому коли один з транзисторів буде хоча б трохи привідкритим - то другий буде повністю закритий. Це значить, що колекторний струм транзисторів буде в 2 рази менший споживаного корекції. Оскільки споживаний струм схеми корекції буде невеликий (менший чим 2·100 мА), то ці транзистори можна вибрати такого ж типу як і попередні, параметри яких приведені вище. Резистори R5, R6 вибираються в межах декількох Ом (2 Ом; 2 Вт)
Вихідний підсилювач буде аналогічний вхідному лише без
повторювача на транзисторах. Схема електрична принципова приведена на рисунку
2.4
Рисунок 2.4 - Схема електрична
принципова вихідного підсилювача
Даний каскад повинен забезпечити підсилення сигналу. Для того щоб визначити потрібний коефіцієнт підсилення треба визначити потрібний загальний коефіцієнт підсилення та врахувати послаблення сигналу в схемі регулятора тембру.
Наше джерело напруги складається з трансформатора і мостової схеми випрямлення. Трансформатор понижає напругу з 220 В до 42 В, а випрямляч випрямляє змінний струм.
Схема електрична принципова автомату світлових ефектів з
музичною активацією наведена у додатку Б.
2.3.2 Аналіз елементної бази
Аналіз елементної бази проводиться з метою з’ясування, чи забезпечує вона задані характеристики виробу, які передбачені умовами експлуатації і режимом роботи, та чи необхідно намітити які-небудь конструкторські заходи для нормального функціонування розробки, при цьому слід враховувати відповідність номіналів і потужність елементів схеми, їх швидкодію, забезпечення технічних вимог до приладу і конструкції, наявність даних типів елементів в серійному виробництві.
Згідно з переліком елементів до схеми електричної принципової, що наведений у додатках, здійснюємо опис характеристик обраних радіоелементів. Варто зазначити, що під час вибору елементної бази віддавалась перевага радіоелементам із мінімальними малогабаритними показниками, щоб пристрій мав якомога менші розміри.
Електролітичні конденсатори беремо К50-35.
Керамічні конденсатори постійної ємності К10-17 призначені
для роботи в ланцюгах постійного, змінного й пульсуючого струмів, виконані
ізольовано [10]. Електричні характеристики наведені в таблиці 2.2. [10]
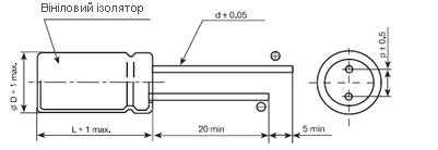
Рисунок 2.5 - Креслення електролітичного конденсатора К50-35а
Рисунок 2.6 - Корпус та габаритні розміри конденсатора К10-17
Таблиця 2.2 - Електричні характеристики конденсаторів
|
Тип |
К10-17 |
|
Характеристики |
|
|
Діапазон номінальних ємностей |
2,2 пФ…2,2 мкФ (ряд Е6,Е24) |
|
Допустиме відхилення ємності |
±5%; ±10%; ±20% |
|
Номінальна напруга |
25В;40В; 50В; 100В;160В |
|
Діапазон температур |
-60...+85 0С |
|
Тангенс кута втрат |
0,0015...0,035мкА |
|
Струм витікання |
0,01...3мкА |
|
Напрацювання на відмову, lо´10-6,год -1 |
0,1 |
Резистори С2-23-0,125 загального застосування все
кліматичного ізольованого й неізольованого варіантів виконання, призначені для роботи
в ланцюгах постійного, змінного й імпульсного струмів, а також для
автоматизованого монтажу. Умови пайки 260±5% ºС протягом 2±0,5 с.
Електричні характеристики резисторів наведені в таблиці 2.3, габаритні розміри
в таблиці 2.5, вигляд корпусу на рисунку 2.7. [14]
Рисунок 2.7 Габаритні розміри і вигляд корпуса резистора С2-23-0,125
Таблиця 2.3 - Електричні характеристики резисторів
|
Клас точності |
5% |
|
Типорозмір |
С2-23-0,125 |
|
Номінальна потужність |
0,25 Вт |
|
Робоча напруга |
150В |
|
Максимальна напруга |
250В |
|
Діапазон робочих температур |
-60...+155ºС |
|
Діапазон номінальних опорів |
1 Ом...10 МОм (ряд Е24; ряд Е96) |
|
Напрацювання на відмову lо´10-6,год-1 |
0,4 |
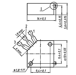
У якості підстрочного резистора обираємо СП3-39.
Рисунок 2.8 - Габаритні розміри і вигляд корпуса резистора
СП3-39
Стабілітрони обираємо типу КС156А.
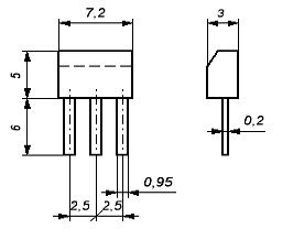
Транзистори біполярні - КТ361Д, КТ315 А (рис. 2.7), та
КТ814А.
Рисунок 2.9 - Габаритні розміри і вигляд корпуса діодів КС156
А
Рисунок 2.10 - Габаритні розміри і вигляд корпуса КТ361Д та
КТ315А
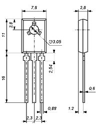
Рисунок 2.11 - Габаритні розміри і вигляд корпуса КТ814А
Зводимо дані про усі радіоелементи у таблицю 2.4, попередньо обрахувавши їх установочні площі.
Установочна площа для елементів, які знаходяться на друкованій платі, обраховується наступним чином.
Якщо елемент має переріз круглий (для
конденсаторів, транзисторів, вертикально встановлених резисторів тощо), площа
обчислюється за формулою:
[мм2]
де d - діаметр компонента.
Якщо елемент розміщений на платі горизонтально, то установочна площа:
де a, b - відповідно ширина і довжина установки.
Обчисливши за формулами (2.1-2.2) установочні площі для усіх елементів,
заносимо дані в таблицю 2.5. У ній також подана інша інформація про
радіоелементи: їх маса, висота, діаметр виводів, максимальна робоча температура
і частота вібрації.
Таблиця 2.4 - Конструктивно-експлуатаційні характеристики елементів
|
Назва елемента |
Кіл. шт. |
Конструктивні параметри |
Допустимі умови експлуатації |
|||||||||
|
|
|
Маса, г |
Площа встанов. мм2 |
Висота, мм |
Діаметр виводу, мм |
Макс. темп. ºС |
Частота вібрації Гц |
|||||
|
Конденсатори |
||||||||||||
|
К50-35 |
4 |
1 |
40 |
14 |
0,6 |
+155 |
15...200 |
|||||
|
К10-17 |
14 |
0,5 |
21 |
12 |
0,6 |
+155 |
15...200 |
|||||
|
Мікросхеми |
||||||||||||
|
К574УД1А |
4 |
1 |
37,34 |
12 |
0,6 |
+70 |
5…600 |
|||||
|
Резистори |
||||||||||||
|
С2-23-0,125 |
46 |
0,15 |
20 |
4 |
0,6 |
+300 |
10…2000 |
|||||
|
СП3-39 |
10 |
0,15 |
120 |
4 |
0,6 |
+300 |
10…2000 |
|||||
|
Діоди |
||||||||||||
|
КС156А |
2 |
0,2 |
16 |
3 |
0,6 |
+85 |
10...600 |
|||||
|
КД281А |
4 |
0,2 |
16 |
3 |
0,6 |
+85 |
10...600 |
|||||
|
Транзистори |
||||||||||||
|
КТ814А |
1 |
1,2 |
24 |
14 |
0,8 |
+85 |
10...600 |
|||||
|
КТ315А |
2 |
1,2 |
24 |
14 |
0,8 |
+85 |
10...600 |
|||||
|
КТ361Д |
5 |
1,2 |
24 |
14 |
0,8 |
+85 |
10...600 |
|||||
|
Вставка плавка |
||||||||||||
|
ВПТ 19-0.5А |
1 |
2 |
49 |
35 |
0,5 |
+70 |
1...1000 |
|
||||
|
Трансформато |
||||||||||||
|
ТПП-232-127/220-50 |
1 |
65 |
3604 |
72 |
4 |
+70 |
1...1000 |
|
||||
2.4.4 Загальне компонування приладу
Вибір методів конструювання оптоелектронного вимірювача геометричних параметрів об’єктів
Принципи компонування визначають ті конструктивні типові елементи, які закладаються в основу РЕА. Вибір принципу компонування залежить від вимог, що висуваються до конструкції РЕА і обмежень.
Компонування - це процес вибору форм, основних геометричних розмірів, визначення орієнтовної маси і розміщення в просторі елементів, вузлів тощо, для забезпечення максимально корисного ефекту, що визначається схемою і призначенням РЕА .
Результатом компонування являється компонувальний ескіз, який дозволяє судити про можливі розміри, форму і масу блоку. Компонування може бути виконане різними методами (аналітичним, модельним, графічним, натурним) [13].
При аналітичному методі оперують числовими значеннями різних компонувальних характеристик, такими як розміри елементів, їх маса, площа, об’єм і т.д.
Модельне компонування найбільш розповсюджене із-за своєї простоти і наглядності. При цьому використовують плоскі (аплікації) або об’ємні моделі, виконані в вигляді спрощених креслень.
Суть методу графічного компонування полягає в спрощеному графічному викреслюванні елементів РЕА, різних варіантів компонування. Для цього використовують трафарети, штампи і т.д.
В натурному компонуванні замість моделі використовують реальні елементи: резистори, конденсатори і т.д.
Компонування блоків РЕС розглядається в трьох аспектах:
- із врахуванням вимог зручності складання, контролю, ремонту, механічного і електричного з’єднань, при цьому враховуються передусім ергономічні вимоги.
- функціональне компонування - розміщення і встановлення елементів на друкованих платах з урахуванням функціональних і енергетичних вимог, а також щільності компонування і встановлення елементів, щільності топології друкованих провідників [14].
Попереднє компонування перших двох аспектів полягає в визначенні форми і габаритних розмірів.
Функціональне компонування проводиться з метою визначення основних розмірів друкованої плати, вибору способів проектування і виготовлення. Для проведення функціонального компонування достатній перелік елементів. У випадку насиченого, складного компонування, крім переліку елементів необхідна принципова електрична схема приладу, крім того, доцільно мати додаткові вказівки про особливості даної схеми.
Під час розробки конструкції приладу необхідно провести компонування на двох рівнях:
- компонування друкованої плати з необхідною прив’язкою груп елементів за функціональними групами, теплової сумісності з мінімізацією довжин з’єднувальних провідників;
- зовнішня компонування приладу, з урахуванням всіх вимог. До вимог відносять технологічність і ремонтопридатність. Тобто необхідно здійснити внутрішнє і зовнішнє компонування приладу з урахуванням вимог ТЗ.
2.4.1 Розробка конструкції
друкованої плати