Материал: Конструирование сборной предварительно-напряженной плиты перекрытия

Внимание! Если размещение файла нарушает Ваши авторские права, то обязательно сообщите нам

Конструирование сборной предварительно-напряженной плиты перекрытия

Содержание

1. Расчет и конструирование сборной предварительно- напряженной плиты перекрытия

.1 Компоновка конструктивной схемы сборного перекрытия

1.1.1 Определение основных размеров плит

.2 Расчёт и конструирование сборной предварительно-напряжённой плиты перекрытия

.2.1 Сбор нагрузок

.2.2 Исходные данные для проектирования

.2.3 Расчёт прочности продольных рёбер по нормальным сечениям

.2.3.1 Определение усилий

.2.3.2 Определение параметров расчётного сечения

.2.3.3 Определение площади сечения рабочей арматуры

.2.4 Определение геометрических характеристик приведённого сечения

.2.5 Определение потерь предварительного напряжения

.2.6 Расчёт прочности наклонного сечения

.2.7 Расчёт прочности полки плиты

.2.8 Расчёт поперечного ребра

.2.9 Проверка прочности плиты в стадии монтажа

.2.10 Расчёт по второй группе предельных состояний

.2.10.1 Расчёт по образованию трещин нормальных к продольной оси элемента

.2.10.2 Расчёт по раскрытию трещин нормальных к продольной оси элемента

.2.10.4 Расчёт по деформациям плиты с трещинами в растянутой зоне

. Расчёт и конструирование ригеля

.1 Сбор нагрузок

.2 Определение усилий

.3 Расчётные данные для подбора сечений

2.3.1 Бетон

2.4 Расчёт прочности нормальных сечений

.5 Расчёт прочности наклонных сечений

2.6 Определение места обрыва продольных стержней

.7 Анкеровка обрываемых стержней

.8 Конструирование ригеля

. Расчёт прочности колонны первого этажа со случайным эксцентриситетом

.1 Материалы

.1.1 Бетон

.1.2 Арматура

.2 Расчёт ствола колонны

.3 Определение усилия Q, действующего на консоль

.4 Расчёт консоли колонны

Расчёт прочности центрально нагруженного фундамента под колонну

.1 Расчёт прочности тела фундамента

.2 Расчёт армирования фундамента

Список литературы

1. Расчет и конструирование сборной предварительно- напряженной плиты перекрытия

1.1 Компановка конструктивной схемы сборного перекрытия

Несущими элементами здания с неполным каркасом являются несущие кирпичные стены, колонны и опирающиеся на них ригели. Ригели располагаются в поперечном направлении для повышения пространственной жесткости производственного здания. По ригелям укладываются плиты перекрытия.

1.1.1 Определение основных размеров плит

В соответствии с полезной нагрузкой на перекрытие - 7.5 кН/м2, принимаем в качестве сборного перекрытия ребристую плиту без поперечных рёбер.

перекрытие плита арматура ригель

Рисунок 1 - Фактическое сечение плиты

lномин = 6000 мм - номинальная длина плиты

lконстр = lномин - brig- 2z = 6000-300-2∙30 = 5640 мм - конструктивная длина плиты,

где, brig- ширина ригеля,

z - ширина монтажного зазора.

l0 = lконстр - 1/2c - 1/2c = 5640-60-60 = 5520 мм - расстояние между осями опор, где

с - длина площадки опирания.

.2 Расчёт и конструирование сборной предварительно-напряжённой плиты перекрытия

.2.1 Сбор нагрузок

Сбор нагрузок выполняем на 1 м2 перекрытия в табличной форме (табл. 1.1).

Таблица 1.1 - Сбор нагрузок на 1 м2 плиты

№ п/п

Вид нагрузки

Нормативная кН/м2

Коэф. надёжности γf

Расчётная кН/м2

1

Постоянная (g)




1.1

Конструкция пола: - линолиум δ = 0,005 м; ρ = 1,5 кН/м3; - настил δ = 0,01 м; ρ = 12 кН/м3. - стяжка С3 δ = 0,02 м; ρ = 16 кН/м3.

 0,075  0,12  0,36

 1,2  1,3  1,1

 0,09  0,156  0,396

1.2

Ж/Б плита* δ = 0,079 м; ρ = 25 кН/м3

 1,97

 1,1

 2,15


Итого:

2,525


2,792

2

Временная полезная (u), в том числе: - кратковременная (ush); - длительно-действующая (ul).

7,5 2,25 5,25

1,2 1,2 1,2

9 2,7 6,3

3

Полная (q), в том числе: - длительная (ql) - кратковременная (qch)

10,025 7,775 2,25


11,792 9,092 2,7


Погонная нагрузка на 1 п. м. плиты:

полная расчётная qtot = qγnbsup = 11,792∙0,95∙1,8 = 20,16 кH/м;

полная нормативная qn,tot = qnγnbsup = 10,025∙0,95∙1,8 = 17,14 кН/м.

1.2.2 Исходные данные для проектирования

Арматура (табл. 19-23; 29 [1]):

) рабочая предварительно напряжённая класса А-V с характеристиками:

Rs = 680 МПа; Rs,ser = 785 МПа; Rsw = 545 МПа; Es = 19∙104 МПа;

) конструктивная класса Вр-I с характеристиками:

Rs = 365 МПа; Rs,ser = 405 МПа; Rsс = 365 МПа; Es = 17∙104 МПа;

) монтажная класса А-III с характеристиками:

Rs = 365 МПа; Rs,ser = 390 МПа; Rsс = 365 МПа; Es = 20∙104 МПа;

) монтажная класса А-I с характеристиками:

Rs = 225 МПа; Rs,ser = 235 МПа; Rsс = 225 МПа; Es = 21∙104 МПа;

Способ натяжения преднапряжённой арматуры - электротермический, на упоры.

Бетон класса В25 (принимаем по табл. 8 [1]) с характеристиками (табл. 12-18 [1]):

Rb = 14,5 МПа; Rbt = 1,05 МПа; Rb,ser = 18,5 МПа; Rbt,ser = 1,8 МПа; Eb = 30∙103 МПа; Rbp = 12,5 МПа;

1.2.3 Расчёт прочности продольных рёбер по нормальным сечениям

.2.3.1 Определение усилий

Расчетная схема плиты представляет собой свободноопёртую однопролетную балку таврового сечения с полкой в сжатой зоне, загруженную равномерно распределенной нагрузкой (см. рис. 2).

Расчётные изгибающие моменты:

от полной расчётной нагрузки:

 кН∙м;

- от полной нормативной нагрузки:

 кН∙м;

Рис. 2 - Расчётная схема плиты

от нормативной длительной нагрузки:

 кН∙м;

от нормативной кратковременной нагрузки:

 кН∙м.

Максимальная расчётная поперечная сила:

 кН.

1.2.3.2 Определение параметров расчётного сечения

Расчётное сечение - тавр с полкой в сжатой зоне (рис. 3).

Рис. 3 - Расчётное сечение плиты

h = 350 мм; as = 30 мм; h0 = h - as = 320 мм;  мм;  мм;  мм.

Характеристика сжатой зоны

ω = 0,85 - 0,008∙Rb = 0,85 - 0,008∙14,5∙0,9 = 0,734.

Граничная высота сжатой зоны:

;

σsR = Rs + 400 - σsp; σsc,u = 500 МПа (при γb2 < 1).

Предварительно принимается:

σsp ≤ Rs,ser - р;

σsp ≥ 0,3∙Rs,ser + р;

при электротермическом способе натяжения арматуры:

 МПа;

σsp = 785 - 90 = 695 МПа; σsp = 0,3∙785 + 90 = 325,5 МПа.

 МПа.


1.2.3.3 Определение площади сечения рабочей арматуры

Определяем рабочий изгибающий момент, воспринимаемый полностью сжатой полкой таврового сечения при :

 132 кН∙м. >76.78 кН∙м

Mper,f ≥ М => (1 случай)

;

; ;

 см2.

Определяем число стержней и их диаметр по сортаменту: 2Ø16 А-V; Аsp = 4,02 см2.

1.2.4 Определение геометрических характеристик приведённого сечения

Определяем отношение модулей упругости:

.

Вычисляем площадь приведённого сечения (см. рис. 4):


Рис. 4 - Расчётное сечение плиты

Статический момент приведённого сечения относительно нижней растянутой:


Расстояние от центра тяжести приведённого сечения до нижней грани:


Расстояние от центра тяжести приведённого сечения до центра тяжести преднапряжённой арматуры:


Определяем момент инерции приведённого сечения относительно оси, проходящей через центр тяжести приведённого сечения:


Момент сопротивления приведённого сечения по нижней грани:


Упруго-пластические моменты сопротивления:

;; здесь γ = 1,75 - для таврового сечения с полкой в сжатой зоне;

 

1.2.5 Определение потерь предварительного напряжения

Первые потери (σlos1):

от релаксации напряжений стержневой арматуры при электротермическом способе натяжения σ1 = 0,03σsp = 0,03∙510 = 15.3 МПа;

от температурного перепада σ2 = 0;

от деформации анкеров σ3 = 0;

от деформации стальной формы σ5 = 0.

Определяем сумму первых потерь без учета : ;

Величина предварительного напряжения за вычетом первых потерь:

;

Усилие предварительного обжатия

;

Определяем напряжение в бетоне на уровне центра тяжести арматуры:

;

Определение потерь от быстронатекающей ползучести:

 при ;

, ,

;

.

Вторые потери

;

 (Потери от релаксации напряжения);

 (От усадки бетона) для бетона класса В 35 и ниже, табл. 5 [1];

 (От ползучести) при ,


;

 (От смятия бетона под витками спиральной или кольцевой арматуры);

 (От деформации обжатия стыков между блоками);

;

Подсчитываем величину полных потерь:

.

Величина предварительного напряжения с учетом полных потерь:

;

Определяем усилие обжатия с учетом полных потерь:

;

1.2.6 Расчёт прочности наклонного сечения

В соответствии с п. 5.26 - 5.28 [1] и из условия сварки принимаем: диаметр поперечной арматуры dsw = 5 мм; по сортаменту её площадь asw = 0,196 см2; Вр-I.

Количество поперечных стержней в сечении элемента n = 2; шаг поперечных стержней в приопорной части элемента предварительно принимаем Sw = 150 мм.

Вычисляем коэффициенты φω1 и φb1 по формулам: φω1 = 1

 

где β = 0,01; .

Проверяем работу бетона на действие поперечной силы по наклонной полосе между наклонными трещинами:

; ;

 - сечение достаточное

Вычисляем коэффициент φf учитывающий влияние сжатых полок, и φn учитывающий влияние продольных сил от предварительного обжатия:



 

при этом ;

Проверяем работу бетона на действие поперечной силы по наклонной трещине:

;

;  поперечная арматура принимается конструктивно.

1.2.7 Расчёт прочности полки плиты

Полка вдоль плиты армируется непрерывно сеткой С-1 с рабочей арматурой в одном направлениях и конструктивной в другом: продольная - в направлении длины плиты принимается конструктивно; поперечная - в направлении ширины плиты (определяется по пролетному моменту).

Рис. 5 - Схема плиты для определения пролётов в свету

Полка рассчитывается как однопролётная балка, жёстко защемлённая в продольных рёбрах.



Определяем площадь арматуры:

;

; ;

 см2.

Определяем число стержней и их диаметр по сортаменту: 10Ø5 Вр-I; Аsp = 1,96 см2. Шаг арматуры - 100 мм.

1.2.8 Расчёт поперечного ребра

Армирование поперечного ребра принимается конструктивно.

Поперечное ребро армируется каркасом КР-2

Продольная арматура - 10 А - II

Поперечная арматура - 5 Вр- I с шагом в приопорной зоне - 150 мм. Посреди ребра - 250 мм.

1.2.9 Проверка прочности плиты в стадии монтажа

Поднимают плиту при монтаже при помощи монтажных петель, установленных в продольных рёбрах на расстоянии 0,8 м от торцов. Расчётная схема (см. рис. 6) - однопролётная двухконсольная балка с равномерно распределённой нагрузкой от собственной массы плиты.

Необходимо проверить прочность плиты в местах расположение петель.

Опасным является опорное сечение с изгибающим моментом:

,

где bs =1,8 м - ширина плиты;

lc = 0,8 м - расстояние от торца плиты до оси строповочной петли;

 кН∙м.

Рис. 6 - Расчётная схема плиты при расчёте на монтажную нагрузку

Моменты от силы обжатия для предварительно напряжённой плиты определяем относительно центра тяжести растянутой арматуры:

, где  

здесь - потери предварительного напряжения в арматуре при доведении бетона сжатой зоны до предельного состояния, принимается равным 330 МПа;

 кН;

 кН∙м.

Расчётный момент в опорном сечении:

М = |Md + Mp| = 1,73 + 18,35 = 20,08 кН∙м.

Расчётное сечение - тавр с полкой в растянутой зоне. В расчёт принимаем прямоугольник с шириной, равной ширине ребра b (приведённое сечение продольных рёбер).


по табл. III.1 [2] находим значения: ξ = 0,023 и η = 0,988; проверяем условие:

ξ ≤ ξR; 0,023 ≤ 0,5; площадь сечения арматуры:

 см2.

По сортаменту принимаем верхнюю продольную арматуру каркаса Кр-1: 2Ø10 мм; Аs = 1.57 см2, А-III.

При подъёме плиты вся её масса может оказаться переданной на три петли. Тогда усилие на одну петлю:

;

где  кН/м; кН; предполагается, что это усилие воспринимается лишь одной ветвью петли. Тогда необходимая площадь поперечного сечения петли:

.

В соответствии с Аs и сортаментом принимаем: диаметр петель Ø12 мм; Аs = 1,131 см2, А-I (см. рис. 7).

Рис. 7 - Петля монтажная МП-1

1.2.10 Расчёт по второй группе предельных состояний

.2.10.1 Расчёт по образованию трещин нормальных к продольной оси элемента

Рассчитываемая плита имеет 3-ю категорию трещиностойкости; γf = 1.

Проверяем условие:

 

где Мr = 76.78 кН∙м - момент от внешних сил;

Мcrc - момент, воспринимаемый сечением при образовании трещин;

 кН∙м;

 выполняем расчёт по раскрытию трещин.

1.2.10.2 Расчёт по раскрытию трещин нормальных к продольной оси элемента

Ширину раскрытия трещин определяем по формуле:

,

где δ - коэффициент, принимаемый для изгибаемых элементов равным 1;

φl - коэффициент, зависящий от длительности действия нагрузки, принимается равным при учёте: кратковременных нагрузок и непродолжительного действия постоянных и длительных нагрузок - 1; продолжительного действия постоянных и длительных нагрузок φl = 1,6 - 15μ;

η - коэффициент, принимаемый равным при стержневой арматуре периодического профиля 1;

μ - коэффициент армирования, принимаемый: ;

σs - приращение напряжений в арматуре, определяемое по формуле:

,

где М - момент от действия постоянной и длительной нагрузок (для определения acrc1) или момент от определения полной нагрузки (для определения  и acrc2);

Р - усилие предварительного обжатия, определяемое с учётом полных потерь;

z1 - плечо внутренней пары сил, принимаемое:  м;

esp - расстояние от центра тяжести площади сечения арматуры Asp до точки приложения усилия обжатия, для данного случая esp = 0;

Ширина раскрытия трещины от непродолжительного действия постоянных и длительных нагрузок:

;

 мм;

Ширина раскрытия трещины от непродолжительного действия полной нагрузки:

;

 мм;

Ширина раскрытия трещины от продолжительного действия постоянных и длительных нагрузок:

φl = 1,6 - 15μ = 1,6 -15∙0,007 = 1,495;

мм.

Ширина непродолжительного раскрытия трещины:

 мм.

Проверяем условие:

 

Условие выполняется.

1.2.10.4 Расчёт по деформациям плиты с трещинами в растянутой зоне

При расчете плиты по деформациям определяется величина прогиба, ограниченная эстетическими требованиями. При этом расчет выполняется только на действие постоянной и длительной действующей временной нагрузки с коэффициентом надежности по нагрузке .

,,

предельно допустимый прогиб, где l = 6 м


Прогиб определяется по величине полной кривизны 1/r по формуле:

,

 - кривизна от непродолжительного действия всей нагрузки;

 - тоже от постоянной и длительной нагрузок;

 - кривизна от продолжительного действия постоянных и длительных нагрузок;

 - кривизна, обусловленная выгибом элемента.

Т.к. величина прогиба ограничивается эстетическими требованиями,

то ==0.

Определяем кривизну от действия постоянных и длительных нагрузок:

;

где ,

Относительная высота сжатой зоны бетона рассчитывается по формуле:

, где

;

, где

;

,

Эксцентриситет силы относительно центра тяжести площади сечения арматуры:


;

Плечо внутренней пары сил рассчитывается по формуле:

;

Рассчитываем коэффициент, характеризующий неравномерность деформации растянутой арматуры на участке между трещинами:

;

;

,

;

;

Определяется кривизна, обусловленная выгибом элемента вследствие усадки и ползучести бетона от усадки и ползучести от усилия предварительного обжатия:

,

где , ;

Сумма потерь предварительного напряжения от усадки и ползучести бетона на уровне центра тяжести растянутой продольной арматуры: ;=0, напряжение для напрягаемой арматуры, если бы она, имелась на уровне крайнего сжатого волокна бетона.

;

;

Полная кривизна плиты:

;

Прогиб плиты в середине пролета определяется по формуле:

; условие выполнено.

2. Расчёт и конструирование ригеля

Расчётная схема сборного разрезного ригеля - свободно опёртая балка с равномерно распределённой нагрузкой (рис. 2.1).

Расчётное сечение ригеля - прямоугольное с размерами b×h = 0,3×0,9 м. Выбираем схему опирания ригеля на колонны (см. рис. 2.2). Расчётный пролёт: l0 = l - hк - b2 - ly∙2. l0 = 8470 мм = 8.47 м.

Рис. 2.1 - Расчётная схема ригеля

Рис. 2.2 - Схема опирания ригеля на колонны

.1 Сбор нагрузок

Нагрузку рассчитываем на 1 п. м. ригеля по раннее подсчитанным нагрузкам на 1 м2 перекрытия умножением на ширину грузовой площади (см. рис. 2.3) с учётом собственной массы. Собственная масса ригеля на 1 п. м.: qриг = 0,9∙0,3∙25∙1,1∙0,95 = 7.053 кН/м.

Рис. 2.3 - Схема для определения грузовой площади ригеля

.2 Определение усилий


 кН∙м;

Максимальная расчётная поперечная сила:

 кН.

2.3 Расчётные данные для подбора сечений

Выбираем класс бетона в зависимости от величины полезной нагрузки на перекрытие В 20. В качестве ненапрягаемой рабочей арматуры принимаем стержни класса А-III, монтажную арматуру из стержней класса А-I.

2.3.1 Бетон

Класса В30, D 2500кг/м3, RB=17 МПа, RBt= 1,2 МПа, RB,ser= 22 МПа,

RBt,ser=1.8 МПа, ЕВ= 29*103 МПа.

.3.2 Арматура

А III Rs=365 МПа, Rs,ser=390 МПа, Es=20*104 МПа, Rsw=290 МПа

А I Rs=225 МПа, Rs,ser=235 МПа, Es=21*104 МПа,

.4 Расчёт прочности нормальных сечений

Ригель должен быть запроектирован таким образом, чтобы прочность нормальных сечений обеспечивалась одиночной рабочей растянутой арматурой. При этом должно выполняться условие .

Подбираем площадь арматуры:

вычисляем значение А0:

;

;

;

σsR = Rs + 400 - σsp = 365 + 400 - 0 = 765 МПа;

σsc,u = 500 МПа (при γb2 < 1).

Характеристика сжатой зоны ω = 0,85 - 0,008∙Rb = 0,85 - 0,008∙17 = = 0,714.

Проверяем условие

,18 ≤ 0,524, условие выполняется.

АR = ξR(1 - 0,5ξR) = 0,53(1 - 0,5∙0,53) = 0,39

Проверяем условие

,167 ≤ 0,39, условие выполняется.

Так как условие выполняется, то сжатая арматура по расчёту не требуется.

Определяем площадь сечения растянутой арматуры:

 см2.

Определяем число стержней и их диаметр по сортаменту: 4Ø28 А-III; Аs= 24,63 см2.

Проверяем условие:

,

 м;

 кН∙м;

; условие выполняется.

2.5 Расчёт прочности наклонных сечений

В соответствии с п. 5.26 - 5.28 [1] и из условия сварки принимаем: диаметр поперечной арматуры dsw = 10 мм; по сортаменту её площадь asw = 0,785 см2; А-I. Количество поперечных стержней в сечении элемента n = 2; шаг поперечных стержней в приопорной части элемента предварительно принимаем Sw = 150 мм.

Вычисляем коэффициенты φω1 и φb1 по формулам:

 

;

;

;

;

 где β = 0,01; .

Проверяем работу бетона на действие поперечной силы по наклонной полосе между наклонными трещинами:

; ;

- прочность сечения достаточное

Коэффициент φf учитывающий влияние сжатых полок и коэффициент φn учитывающий влияние продольных сил от предварительного обжатия в данном случае равны нулю.

При этом ; .

Проверяем работу бетона на действие поперечной силы по наклонной трещине:

;

;  поперечная арматура принимается по расчёту.

Вычисляем параметр В:

 кН∙м.

Определяем усилие в хомутах на единицу длины элемента:

;

 принимаем  кН.

Шаг поперечной арматуры в приопорной части элемента:

; ;

. Принимаем .

Длина проекции опасного сечения определяется по формулам:

 м;  м.

Длину проекции опасной наклонной трещины сsw принимаем меньшей из значений с, с0 и 2h0, но не менее h0: сsw = с = 1,73 м.

Выполняем проверку прочности наклонного сечения:

;

; 314 ≤ 628,1 кН, прочность обеспечена.

Согласно п. 5.27 [1] на остальной части пролёта шаг хомутов принимается:

 принимаем S = 0,5 м = 500 мм

2.6 Определение места обрыва продольных стержней


В целях экономии металла, часть продольных стержней (не более 50 % расчётной площади) обрывается в пролёте там, где она не требуется согласно расчёту прочности элемента по нормальным сечениям.

На эпюру моментов от внешних опорных нагрузок наносятся ординаты опорного момента (Моп), воспринимаемого нормальным сечением железобетонного элемента с количеством арматуры, доводимым до опоры без обрыва:

.

Точки пересечения ординаты Моп с эпюрой расчётных моментов определяют места теоретического обрыва I-I (рис. 2.4).

Уточняем площадь сечения продольной арматуры, доводимой до опоры без обрыва :  см2, => 2Ø28 А-III + 2Ø28 А-III = 12,32 + 12,32 = 24,63 см2;  см2.

Высота сжатой зоны элемента в расчёте на :

 м.

Момент, воспринимаемый сечением с арматурой :

 кН∙м.

Место теоретического обрыва определяем из условия:

,

где у1 и у2 - места теоретического обрыва продольной арматуры;

; у1 = 2,57 м; у2 = 6,86 м.

Определяем поперечную силу в месте теоретического обрыва из подобия треугольников в эпюре поперечных сил:

;  кН.

.7 Анкеровка обрываемых стержней

Обрываемые стержни должны быть заведены за место своего теоретического обрыва согласно эпюре изгибающих моментов на длину на которой в наклонных сечениях отсутствие обрываемых стержней компенсируется поперечной арматурой.

Определяем анкеровку обрываемой арматуры ω по большему из двух значений:

; ,

 кН/м;

Q0 = 0, при отсутствии отгибов в зоне обрыва стержней; d - диаметр обрываемого стержня;


принимаем  см.

2.8 Конструирование ригеля


Ригель армируется двумя плоскими сварными каркасами, объединёнными в пространственный каркас.

Плоские каркасы выполняются в соответствии с п. п. 5.5, 5.6, 5.9, 5.15, 5.16, 5.20, 5.21, 5.27 [1]. Продольную сжатую арматуру (монтажную) плоских сварных каркасов принимаем конструктивно из арматуры класса А-III, выбираем диаметр из условия сварки 10 мм.

3. Расчёт прочности колонны первого этажа со случайным эксцентриситетом

.1 Материалы

.1.1 Бетон

Класса В20, D 2500кг/м3, RB=11,5 МПа, RBt= 0,9 МПа, RB,ser= 15 МПа,

RBt,ser=1,4 МПа, ЕВ= 27*103 МПа.

.1.2 Арматура

A-V Rs=680 МПа, Rs,ser=778 МПа, Es=19*104 МПа, Rsw=545 МПа, Rsc=500МПа

А III Rs=365 МПа, Rs,ser=390 МПа, Es=20*104 МПа, Rsw=290 МПа, Rsc=365МПа

А I Rs=225 МПа, Rs,ser=235 МПа, Es=21*104 МПа,

3.2 Расчёт ствола колонны


Проверяем условие: ,

где - расчётная длина колонны, равная высоте этажа 3 м;  - высота сечения колонны 0,30 м;

, условие выполняется, колонна рассчитывается как центрально загруженная.

;  и не менее 1 см;

 мм;  мм; принимаем  мм.

Таблица 3.1 - Нагрузка на 1 м2 покрытия

№ п/п

Вид нагрузки

Нормативная кН/м2

Коэф. надёжности γf

Расчётная кН/м2

1

Постоянная (g)




1.1

Конструкция кровли: - рулонный ковёр δ = 15 мм; ρ = 10 кН/м3; - асфальтовая стяжка δ = 20 мм; ρ = 18 кН/м3; - утеплитель  δ = 300 мм; ρ = 1.33 кН/м3; - обмазочная пароизоляция δ = 3 мм; ρ = 17 кН/м3.

0,15  0,35  0,4  0,05

1,3  1,3  1,2  1,1

0.195  0.455  0,48  0,065

1.2

Ж/Б плита δ = 0,079 м; ρ = 25 кН/м3

 1.97

 1,1

 2.167


Итого:

2.92


3.362

2

Временная (u) Снеговая нагрузка (по п. п. 5.1, 5,2, 5,3, 5,7 [2]), II Снеговой район в том числе: - кратковременная (ush2); - длительно-действующая (ul2).

    

    

    0,7 0,35

3

Полная (q), в том числе: - длительно-действующая (ql2)



4.06 3.712


Определяем гибкость:

.

Рассчитываем величину продольной силы от постоянных и временных длительно-действующих нагрузок;

здесь n - количество этажей;  - грузовая площадь колонны;  - собственная масса ригеля;  - собственная масса колонны;


grig = 7.053 кН;

 кН;

 кН;

Выбираем класс бетона и арматуры в зависимости от величины полезной нормативной нагрузки на перекрытие.

Предварительно принимаем: , .

Определяем площадь поперечного сечения колонны:

- принимаем 40 см

Проверяем условие: ; .

Фактическая площадь поперечного сечения колонны: .

Определяем значение коэффициента продольного изгиба по табл. .

Вычисляем сечение рабочей арматуры:

;

По сортаменту принимаем 4Ø32, ;

Фактический коэффициент армирования сечения колонны:

.

Хомуты принимаем из условия свариваемости Ø10, А-III.

Шаг хомутов: Sw < 500 мм < 20ds → Sw = 500 мм

Конструирование колонны смотреть на листе.

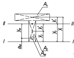
3.3 Определение усилия Q, действующего на консоль


Консоль рассчитывается на действие поперечной силы Q, передаваемого от сборного ригеля: ,

где = 9 м - расчетный пролет ригеля;

 кН.

3.4 Расчёт консоли колонны


Определяем размеры консоли:

высота колонны на грани колонны h = (0,7…0,8)hbm = 0,63 м;

высота консоли у свободного края hi ≥ h/2; hi = h/2 = 0,32 м;

ширина консоли принимается равной ширине колонны 0,4 м;

угол γ = 45° (см. рис. 3.4).

Консоль выполняется из бетона класса В20; её армирование осуществляется арматурой класса А-ІІІ и А-І.

Расчет консоли выполняется по величине опорного давления ригеля Q.

Определяем длину площадки передачи нагрузки ригеля на консоль:

 см;

Определяем расстояние от грани колонны до точки приложения силы Q:

 мм.

Вычисляем величину изгибающего момента в опорном сечении консоли (по грани колонны):

 кН∙м.

Площадь сечения верхней продольной растянутой арматуры консоли подбирается по изгибающему моменту у грани колонны, увеличенному на 25%:

вычисляем

;

ξ = 0,0051 и η = 0,97;

- определяем

 см2;

по сортаменту принимаем: 2Ø14, Аs = 3,08 см2; А-III.

Поперечная арматура консоли конструируется следующим образом:

при h > 2а; 0,42 м > 0,356 м - в виде горизонтальных хомутов по всей высоте консоли.

Шаг хомутов: Sw < h/4 = 157,5 мм и Sw < 150 мм, принимаем Sw = 150 мм.

Хомуты принимаем из условия свариваемости Ø5 Вр-I.

Проверяем прочность бетона консоли у грани колонны по наклонной сжатой полосе между грузом и опорой.

Для этого вычисляем - коэффициент, учитывающий влияние хомутов по высоте консоли;

; ;

где - площадь сечения хомутов в одной плоскости;

.

Расчетная ширина наклонной сжатой полосы:

,

где  - угол наклона расчетной сжатой полосы к горизонтали; .

 м.

Проверяем условие:


 кН;


 кН;

 кН;

4. Расчёт прочности центрально нагруженного фундамента под колонну

.1 Расчёт прочности тела фундамента

По величине продольной силы  (при γf = 1), определяется необходимая площадь подошвы фундамента:

,

где R0 - расчётное сопротивление грунтов основания, R0 = 280 кПа;

- средняя плотность материала фундамента и грунта на его ступенях, =20 кН/м3;

Н1 - глубина заложения подошвы фундамента, предварительно принимаем .

,

где N - расчётная нагрузка на фундамент от колонны первого этажа, кН;

γср - средний коэффициент перегрузки (приближённо равен 1,15);

;

;  м.

Принимаем: ; .

Определяем отпор грунта без учёта массы фундамента и грунта на его ступенях:

,

где Ncol - расчётная продавливающая сила при γf >1;

 кН/м.

Глубину заложения фундамента определяем из условия его прочности на продавливание.

Определяем рабочую высоту фундамента с квадратной подошвой по приближенной формуле:

 м.

Полная высота фундамента:

,

где а = 35 мм (при наличии подготовки под фундамент);

 м.

Выполняем проверку высоты фундамента по конструктивным требованиям обеспечения жесткого защемления колонны в фундаменте и достаточной анкеровки продольной арматуры. Для этого проверяем глубину стакана фундамента  по условиям:

, м;

 м;

, м;

где длина анкеровки арматуры в стакане фундамента,

 м.

Тогда высота фундамента  м.

Окончательно принимаем высоту фундамента максимальную из всех полученных значений (кратно 300):  м. Принимаем двухступенчатый фундамент.

Выполняем проверку на продавливание. Продавливающую силу определяем на уровне верха фундамента за вычетом отпора грунта, распределенного по площади нижнего основания пирамиды продавливания из выражения:

 кН.

Проверяем условие:

,

где um - среднее арифметическое между периметрами верхнего и нижнего оснований пирамиды продавливания;

 м;

; ; условие выполняется.

Расчетную высоту нижней ступени определяем из условия работы по поперечной силе без поперечной арматуры.

Расчетная поперечная сила:

,

Где l - длина консоли нижней ступени, принимаем 0,4 м;

с - длина проекции опасного наклонного сечения, с = 0,76 м;- ширина нижней ступени, b = 3м;

 кН.

Расчетная высота нижней ступени определяется из условия:

;

; ;

При этом должны обеспечиваться условия:

;

;

; условие выполняется.

4.2 Расчёт армирования фундамента


Консоли фундамента работают подобно изгибаемым консолям, заделанным в массиве фундамента, их рассчитывают по нормальным сечениям.

Армирование фундамента осуществляется сварной сеткой из арматуры класса А-III. Минимальный диаметр - 10 мм.

Изгибающие моменты в сечениях 1-1, 2-2 как для консольных балок равны:

 кН∙м;

 кН∙м;

 кН∙м;

Расчетная площадь рабочей арматуры на всю ширину фундамента определяем из условия, что :

;


Конструирование сетки выполняем по большему значению Аs c помощью сортамента: принимаем 7Æ12 A-III с

Шаг стержней принимаем равным 150 мм симметричным в обоих направлениях.

Список литературы

1.       СНиП 2.03.01-84*. Бетонные и железобетонные конструкции/Госстрой СССР. - М.: ЦИТП Госстроя СССР, 1992

2.       СНиП 2.01.07-85*. Нагрузки и воздействия/Госстрой СССР. - М: ЦИТП Госстроя СССР, 1988

.         СНиП 2.01.07-85. Нагрузки и воздействия (Дополнения. Разд. 10. Прогибы и перемещения) /Госстрой СССР. - М.: ЦИТП Госстроя СССР, 1988

.         ГОСТ 21.501-93 Правила выполнения архитектурно-строительных чертежей. Введ. 01.09.94. - М.: Изд-во стандартов, 1996

.         Талантова К.В. Железобетонные и каменные конструкции. Расчёт и конструирование сборной предварительно-напряженной ребристой плиты перекрытия/Алт.ГТУ им. И.И. Ползунова. - Барнаул: 1987. - 36 с.

.         Талантова К.В. Основы строительных конструкций/Алт.ГТУ им. И.И. Ползунова. - Барнаул: 1985. - 33 с.

.         Талантова К.В. Железобетонные и каменные конструкции. Сборные железобетонные колонна и фундамент/Алт.ГТУ им. И.И. Ползунова. - Барнаул: 1988. - 21 с.