Материал: Комплексные сопротивления

Внимание! Если размещение файла нарушает Ваши авторские права, то обязательно сообщите нам

Аргумент  в этом случае будет

                                                                                 (2)

Второй метод заключается в том, что отдельно находим модуль числителя и модуль знаменателя, т.е.

, что совпадает с (1).

Но в зтом случае сложнее находится аргумент:

; ; .

Докажем это:

, что совпадает с (2).

Пример №3.

Резонанс токов

Вернёмся вновь к резонансу токов и попробуем подсчитать резонансную частоту, используя метод, с которым мы познакомились ранее.

 


Избавившись от комплексности в знаменателе, получим:

.

Аналогично для тока :

.

Ток генератора I описывается комплексным числом

.

Резонанс тока наступает тогда, когда ток генератора синфазен с его напряжением, а это означает, что мнимая часть числа  должна зануляться

;

;

.

Когда R=0:

.


ПРАВИЛА КИРХГОФА ДЛЯ ПЕРЕМЕННЫХ ТОКОВ

К переменным токам без всяких изменений применимо первое правило Кирхгофа, согласно которому, алгебраическая сумма мгновенных значений токов в узле электрической цепи равна нулю:

.

Мгновенные значения этих токов можно представить в виде вещественных или мнимых частей комплексных выражений

,

; .

Так как равенство  справедливо при подстановке вместо мгновенных значений вещественных или мнимых частей комплексных выражений , оно должно быть справедливым при подстановке вместо мгновенных значений токов самих комплексных выражений. Тогда первое уравнение Кирхгофа для комплексных амплитудных значений токов в комплексной форме:

.

Подобное равенство можно записать и для действующих значений токов.

Таким образом, первый закон Кирхгофа можно сформулировать так: алгебраическая сумма комплексных выражений токов в ветвях, связанных общим узлом, равна нулю.

Для доказательства справедливости второго закона Кирхгофа в комплексной форме запишем для произвольного замкнутого контура уравнение, составленное согласно второму закону Кирхгофа для мгновенных значений э.д.с.  и напряжений с учётом заданных и выбранных положительных направлений этих величин:

,

где k - номер ветвей, образующих замкнутый контур.

При синусоидальных э.д.с. генераторов и линейной цепи все мгновенные значения э.д.с., напряжений и токов можно представить в виде вещественных или мнимых частей комплексных величин: , .

Так как уравнение Кирхгофа останется справедливым при подстановке вместо мгновенных значений напряжений, токов и э.д.с. вещественных частей этих комплексных величин или соответственно мнимых их частей, оно останется справедливым и при подстановке самих комплексных величин. Отметим, что амплитудные значения токов, э.д.с. и их начальные фазы не являются функциями времени и могут быть вынесены за знаки производных и интегралов. После подстановки получим


Обе части равенства разделим на :


Если комплексное сопротивление каждой ветви контура обозначить буквой , последнее уравнение примет более простой вид:

,

здесь  при последовательном соединении отдельных элементов.

Для действующих значений можно записать

.

Это и есть математическое выражение второго закона Кирхгофа в комплексной форме.

Во всяком замкнутом контуре алгебраическая сумма комплексных выражений напряжений на отдельных элементах контура равна алгебраической сумме комплексных выражений э.д.с., действующих в этом контуре.

РАСЧЕТ ЦЕПЕЙ МЕТОДОМ КОМПЛЕКСНЫХ ВЕЛИЧИН

ЗАДАЧА 1

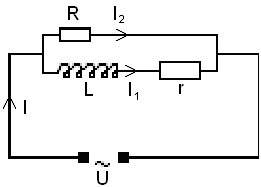
Параллельно соединенные реостат R=60 Ом и дроссель ( L = 0.05 Гн, r = 20 Ом ) присоединенные к сети переменного тока частоты 50 Гц. По дросселю идет то 4 А. Какой ток идет по реостату и какой ток поступает из сети.


Дано:

R = 60 Ом

L = 0,05 Гн

r = 20 Ом

ν = 50 Гц

I1 = 4 A

I2 - ?

I - ?

Прежде всего, надо начертить электрическую схему, обозначить токи и задать их направление.

Найдем импеданс цепи, состоящей из двух параллельных ветвей.

  ; ; ;

.

Комплексное значение полного тока будет по закону Ома для полной цепи


По закону Ома для участка цепи, содержащей R:

 ,

т.к. для участка цепи, содержащей дроссель:

 

Учитывая это:

При вычислениях учесть, что . Вычислим :

(Гц)

 (А).

 (А).

ЗАДАЧА 2

К сети переменного тока () присоединены параллельно конденсатор С и дроссель (L,r). Определить токи в элементах схемы и полный ток.

Начертим электрическую схему, зададим токи и их направление.

Полный ток:


Дано:

L

r

C

; ;

;


По закону Ома для участков цепи:

 

 

Полный ток можно получить, если написать

по первому закону Кирхгофа:

,

тогда

,


ЗАДАЧА 3

Найти токи на участках цепи


 

 

 или

из (3)

из (2)  ,

подставим в (1)

,

,

,

.

МЕТОД КОНТУРНЫХ ТОКОВ

Для сложных разветвленных цепей переменного тока применим также метод контурных токов, согласно которому в каждом из независимых контуров цепи протекает свой контурный ток. При этом число неизвестных токов уменьшается до числа независимых контуров. Контурные токи удовлетворяют уравнения Кирхгофа.

Однако составление контурных уравнений несколько сложнее, чем составление уравнений при непосредственном использовании уравнений Кирхгофа. Рассмотрим цепь, изображенную на рисунке.


На рисунке обозначены токи и заданы их направления.

С помощью уравнений Кирхгофа можно написать .

Для верхнего контура

Для контура С1 L 2 C 2:


При этом надо учесть:

1)      что направление обхода контура в нашем случае выбрано по часовой стрелке;

2)      если выбранное ранее направление тока совпадает с направлением обхода, ток берется со знаком « плюс », в противном случае со знаком «минус».


Решим эту же задачу методом контурных токов. Выберем два независимых контура и положительные направления контурных токов и  согласно рисунку и составим уравнения Кирхгофа.

Для контура :


Для контура :

.

Приведем подобные слагаемые:

или

Здесь обозначили - собственное сопротивление первого контура, - собственное сопротивление второго контура; кроме того, оба контура связаны сопротивлениями  и общей ветвью.

Можно составить определитель:


Для нахождения токов  или  надо в этом определителе заменить соответственно первый или второй столбец, на столбец состоящий из свободных членов, тогда:

 

где  

В принципе, все элементы определителя можно написать для заданной цепи, не составляя предварительно уравнений Кирхгофа. Нужно отметить, что если производить дальнейшие выкладки в общем виде, получаются очень громоздкие уравнения. Поэтому дальнейшие расчеты лучше производить, подставляя числовые значения.

Зададим для приведенной схемы следующие значения:

R = 4 Oм, Гн, ф, Гц.

Тогда

.