Материал: Измерение температуры

Внимание! Если размещение файла нарушает Ваши авторские права, то обязательно сообщите нам

Коэффициент усиления инвертирующей усилительной схемы Кос должен быть равен 7.6:

;

где К- коэффициент усиления операционного усилителя

β - коэффициент обратной связи, определяемый:


Одновременно для инвертирующего ОУ

;

Имеем уравнение:


Для первой температурной зоны:


Возьмем R4=10кОм, тогда R5=76.3кОм, принимаем ближайшее стандартное значение R5=75кОм, (β1=0,133)

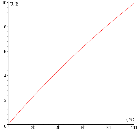
Тогда градуировочная характеристика измерительного прибора примет вид:

Рисунок 6.3 - Градуировочная характеристика измерительного канала

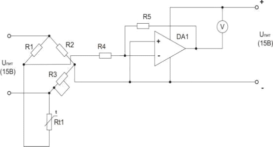
7. Принципиальная электрическая схема

Рисунок 7.1 - Электрическая принципиальная схема измерения

8. Расчет погрешности

Рассчитаем погрешности разработанных систем. Т.к. абсолютную и относительную погрешности оценить невозможно из-за отсутствия экспериментальных данных, оценим методическую погрешность связанную с нелинейностью градуировочных характеристик и приближением в расчетах элементов цепей.

Реальный коэффициент усиления усилителя, согласно выбранным номиналам резисторов составят:

Погрешность для характеристики состоит из 2-х составляющих:


где - линейная составляющая погрешности, вызванная округлениями в расчетах и приведению резистивных элементов к стандартным.

- нелинейная составляющая погрешности, вызванная нелинейный характер расчета Uизм


где Uизм100- расчетное значение напряжения при температуре 100°С, измеряемого при необходимом коэффициенте усиления,расч100- расчетное значение напряжения при температуре 100°С, измеряемого при расчитанном коэффициенте усиления.

Нелинейную погрешность определим через разность расчетной градуировочной характеристикой и прямой, проходящей через точки границ диапазона измерения, т.е. температур 0 и 100°С. Линейное характеристика имеет вид:


Угловой коэффициент а- отношение приращений:


Постоянная b=0, т.к. характеристика проходит через начало координат.

Тогда нелинейная погрешность рассчитывается:


Или полная погрешность


Данная зависимость изображена на рисунке 16

Рисунок №8.1 - Зависимость относительной погрешности измерения от температуры.

Заключение

В данном курсовом проекте рассмотрена возможность определения температуры в технологическом аппарате имеющем 3 зоны контроля. Контроль температуры осуществляется датчиками DS18S20. Диапазон измерений от -55 до 125 градусов цельсия. В ходе работы рассмотрены современные методики измерения температуры, преобразователи.

Литература

1. ГОСТ 6651-94 «Термопреобразователи сопротивлений. Общие технические требования и методы испытаний».

2. Преображенский В. П. Теплотехнические измерения и приборы. М.: Энергия, 1978, - 704 с.

. Чистяков С. Ф., Радун Д. В. Теплотехнические измерения и приборы. М.: Высшая школа, 1972, - 392 с.

4. В.И.Галкин и др. Технологические измерения и КИП текстильной и легкой промышленности. Справочник. Мн., Беларусь.1987г.