Материал: Измерение температуры

Внимание! Если размещение файла нарушает Ваши авторские права, то обязательно сообщите нам

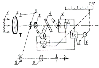
В цепь лампы 17 включено калиброванное сопротивление 16, падение напряжения на котором пропорционально силе тока и измеряется быстродействующим потенциометром 15, снабженным температурной шкалой. Окуляр 4 обеспечивает наводку устройства на объект измерения.

Датчики спектрального отношения.

Датчики данного типа измеряют цветовую температуру объекта по отношению интенсивностей излучения в двух определенных участках спектра, каждая из которых характеризуется эффективной длиной волны  и .

На рис. 2.6 приведена схема двухканального датчика спектрального отношения (СО), в котором преобразование энергии получения в электрические сигналы производится с помощью двух кремниевых фотодиодов. Поток излучения от объекта измерения 1 с помощью оптической системы, состоящей из линз 2, апертурной и полевой диафрагмы 3, передается на интерференционный светофильтр 4. Последний обеспечивает выделение двух потоков, каждый из которых характеризуется собственным спектром. Данные потоки попадают на кремниевые фотодиоды 7, которые преобразуют излучение в фототок, протекающий через сопротивление R1 и R2, включенные в измерительную схему вторичного регистрирующего прибора - логометра. Разность падений напряжений на сопротивлениях подается на вход усилителя 5, выходной сигнал которого поступает на реверсивный двигатель 6, перемещающий движок реохорда R2 и стрелку относительно шкалы наступления баланса, соответствующего измеряемой температуре.

Рисунок №2.6 - Датчик спектрального отношения теплового излучения

Интерференционный фильтр 4 является полупрозрачным зеркалом, имеющим высокий коэффициент пропускания в одной и высокий коэффициент отражения в другой области спектра. Зеркало 8 и окуляр 9 обеспечивают визуальную наводку объектива пирометра на объект измерения. Для уменьшения погрешности от влияния окружающей температуры фильтр 4 и приемники излучения 7 помещены в термостат.

Датчики суммарного излучения

Датчики суммарного излучения измеряют радиационную температуру тела, поэтому их часто называют радиационными. Принцип действия данных измерителей температуры основан на использовании закона Стефана-Больцмана. Однако в случае применения оптических систем в СИ определение температуры ведется по плотности интегрального излучения не во всем интервале длин волн, а значительно меньшем: для стекла рабочий спектральный диапазон составляет 0.4 - 2.5, а для плавленого кварца 0.4 - 4 мкм.

Рисунок №2.7 - Датчик суммарного теплового излучения

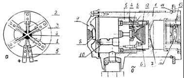
Датчик выполняется в виде телескопа, линза объектива которого фокусируется на термочувствительном приемнике излучения нагретого тела. В качестве термочувствительного элемента используются термопары, термобатареи, болометры (металлические и полупроводниковые), биметаллические спирали и т.п. Наиболее широко применяются термобатареи (рис. 2.7,а), в которых используется 6-10 миниатюрных термопар (например, хромель-копелевые), соединенных последовательно. Поток излучения попадает на расклепанные в виде тонких зачерненных лепестков рабочие концы 4 термопар 2. Свободные концы термопар привариваются к тонким пластинкам 1, закрепленным на слюдяном кольце 3. Металлические выводы 5 служат для присоединения к измерительному прибору, в качестве которого обычно используются потенциометры или милливольтметры. Рабочие концы термопар поглощают падающую энергию и нагреваются. Свободные концы находятся вне зоны потока излучения и имеют температуру корпуса телескопа. В результате возникновения перепада температур термобатарея развивает термо-ЭДС, пропорциональную температуре рабочих спаев, а следовательно, и температуре объекта измерения.

На рис. 2.7,б показано устройство телескопа СИ. Он включает: корпус 1 с диафрагмой 7; объектив, имеющий стеклянную или кварцевую линзу 2, устанавливаемую во втулке 13, ввинчиваемой в корпус; блок термобатареи, состоящей из самой термобатареи 3, корпуса 5, отростка, на который навинчивается подвижная диафрагма 6, и контактных винтов 10; компенсационное медное сопротивление 4, шунтирующее термобатарею и обеспечивающее уменьшение влияния измерений температуры телескопа на показания пирометра; окуляр, включающий линзу 8 и защитное стекло 9. Фланец 11 служит для крепления корпуса к защитной арматуре, обеспечивающей работу пирометра в тяжелых условиях металлургического производства.

Получение стандартной градуировки обеспечивается перемещением диафрагмы 6, зубчатый венец которой сочленен с зубьями трубки 12. Диафрагма, устанавливаемая в телескопе, ограничивает телесный угол визирования, что исключает влияние на показания размеров излучателя и его расстояния от датчика. При этом на термобатарею попадает излучение только с определенного небольшого участка объекта измерения. Размеры этого участка определяются по показателю визирования, который является отношением наименьшего диаметра излучателя к расстоянию от объекта измерения до объектива телескопа. При этом изображение круга, вписанного в излучатель, полностью перекрывает отверстие диафрагмы 6, находящейся перед термобатареей.

Телескопы с показателем визирования более 1/16 являются широкоугольными, а с показателем, равным или меньшим 1/16, - узкоугольными. При измерении температуры в схему пирометра между телескопом и вторичным прибором (милливольтметром или потенциометром) включается панель уравнительных и эквивалентных сопротивлений. Она обеспечивает постоянную нагрузку телескопа при работе с одним или двумя вторичными приборами, а также замену телескопа одной градуировки на телескоп другой градуировки.

3. Выбор и обоснование метода измерения температуры

Упрощенное обобщение - температуру измерить можно подключив к одному из входов АЦП терморезистор или термопару. Но тут могут возникнуть сложности с программной реализацией, потому что необходимо будет перевести полученное значение напряжения в температуру. Либо составлять сводные таблицы соответствия зависимостей уровня напряжения от изменений температуры, то есть с АЦП вывод на ЖК дисплей уровня напряжения а не температуры что будет некоректно.

Поэтому я выбираю более современный метод, а именно микросхему DS18S20. Которая заключена в корпус TO-92 (как маломощный транзистор) и имеет всего три вывода.

Рисунок № 3.1 Внешний вид микросхемы цифрового термометра DS18S20.

Внутри корпуса содержится цифровой датчик температуры с точностью до 0,1ºС и диапазоном от -55 до +125 0С.

Внутренняя структура микросхемы DS18S20 приведена на рисунке 3.2.

Цифровой термометр DS18S20 обеспечивает 9-12 битные температурные измерения по шкале Цельсия и имеет сигнальную функцию с верхней и нижней точками переключения, программируемыми пользователем и хранящимися в энергонезависимой памяти (EEPROM). Микросхема DS18S20 подключается через 1-проводную шину, которая по определению требует только одной линии данных (а также общей) для взаимодействия с центральным процессором.

Рисунок №3.2 - Структура микросхемы DS18S20

Она имеет рабочий температурный диапазон от -55°C до +125°C и точность ±0.5°C в диапазоне от -10°C до +85°C. Также микросхема DS18S20 может запитываться прямо с линии данных ("паразитное питание"), устраняя необходимость во внешнем источнике питания.

Самым большим достоинством является то, что такой термометр уже откалиброван на заводе, гарантированная точность составляет ±0.5°C в диапазоне -10...+85°C и ±2°C во всем диапазоне рабочих температур. Типичная кривая ошибки измерения температуры приведена на рис. 3.3

Рисунок №3.3 - Типичная кривая ошибки термометра DS18S20

Несмотря на ограниченную абсолютную точность, малая дискретность представления температуры является весьма желательной, так как очень часто на практике требуются относительные измерения.

Принцип действия цифровых датчиков температуры фирмы "Dallas" основан на подсчете количества импульсов, вырабатываемых генератором с низким температурным коэффициентом во временном интервале, который формируется генератором с большим температурным коэффициентом.

Счетчик инициализируется значением, соответствующим -55°C (минимальной измеряемой температуре). Если счетчик достигает нуля перед тем, как заканчивается временной интервал (это означает, что температура больше -55°C), то регистр температуры, который также инициализирован значением -55°C, инкрементируется.

Одновременно счетчик предустанавливается новым значением, которое задается схемой формирования наклона характеристики. Эта схема нужна для компенсации параболической зависимости частот генераторов от температуры. Счетчик снова начинает работать, и если он опять достигает нуля, когда интервал еще не закончен, процесс повторяется снова. Схема формирования наклона загружает счетчик значениями, которые соответствуют количеству импульсов генератора на один градус Цельсия для каждого конкретного значения температуры. По окончанию процесса преобразования регистр температуры будет содержать значение температуры.

Для DS18S20 температура представляется в виде 9-битного значения в дополнительном коде. Поскольку это значение занимает 2 байта, все разряды старшего байта равны знаковому разряду. Дискретность представления температуры составляет 0.5°C. Зависимость выходного кода DS18S20 от температуры приведена в таблице 3.1:

Таблица 3.1 Зависемость выходного кода DS18S20 от температуры.

Температура

Выходной код (Binary) Ст. байт

Выходной код(Hex) Мл. байт

+125°C

0000

0000

1111

1010

00FAh

0000

0000

0011

0010

0032h

+0.5°C

0000

0000

0000

0001

0001h

0°C

0000

0000

0000

0000

0000h

-0.5°C

1111

1111

1111

1111

FFFFh

-25°C

1111

1111

1100

1110

FFCEh

-55°C

1111

1111

1001

0010

FF92h


Более высокая разрешающая способность может быть получена, если произвести дополнительные вычисления на основе значений COUNT_REMAIN (значение, оставшееся в счетчике в конце измерения) и COUNT_PER_C (количество импульсов на один градус для данной температуры), которые доступны. Для вычислений требуется взять считанное значение температуры и отбросить младший бит. Полученное значение назовём TEMP_READ. Теперь действительное значение температуры может быть вычислено по формуле:

=TEMP_READ - 0.25 + (COUNT_PER_C - COUNT_REMAIN) / COUNT_PER_C

После включения питания в регистр температуры DS18S20 загружается значение +85°C, которое сохраняется до завершения первого преобразования.

Каждый экземпляр DS18S20 имеет уникальный 48-битный номер, записанный с помощью лазера в ПЗУ в процессе производства. Этот номер используется для адресации устройств. Кроме серийного номера в ПЗУ содержится код семейства (10h для DS18S20) и контрольная сумма.

Кроме ПЗУ DS18S20 имеет промежуточное ОЗУ объемом 8 байт, плюс два байта энергонезависимой памяти.

Байты TH и TL представляют собой температурные пороги, с которыми сравниваются старшие 8 бит каждого измеренного значения температуры. С помощью специальной команды можно организовать сигнализацию выхода температуры за пределы этих порогов. Если такая функция не нужна, байты TH и TL можно использовать для хранения любых данных пользователя.

Считывание значения измеренной температуры, а также передача команды начала преобразования и других команд производится с помощью 1-проводного интерфейса (1-WireTM) фирмы DALLAS. На основе этого интерфейса фирма DALLAS даже создала сеть, называемую microLAN (или &microLAN). Для работы в этой сети выпускается целый ряд устройств, таких как адресуемые ключи, АЦП, термометры, часы реального времени, цифровые потенциометры.

Рисунок №3.4 - Карта памяти DS18S20

Протокол, который используется 1-проводным интерфейсом, достаточно прост. В любой момент времени на 1-проводной шине можно выделить устройство-мастер, которым может быть микропроцессор или компьютер, и подчиненное устройство, в нашем случае это микросхема термометра. Так как у нас на шине присутствуют только мастер и всего одно подчиненное устройство, можно опустить всё то, что связано с адресацией устройств. В результате требуется знать лишь протокол передачи байтов, которые могут являться командами или данными.

4. Построение функциональной схемы измерительного устройства

В данном курсовом проекте рассмотрена возможность определения температуры в технологическом аппарате имеющем 3 зоны контроля. Контроль температуры осуществляется датчиками DS18S20.

Рисунок №4.1 Функциональная схема измерительного устройства.

5. Выбор и расчет элементов измерительной цепи

В качестве измерительного элемента используется датчики DS18S20. В зависимости от количества температурных зон выбирается количество датчиков. В нашем случае выберем три температурные зоны. Это означает что температура независимо замеряется в трех различных зонах и следовательно вывод информации на ЖКИ дисплей должен производиться независимый. Выбираем в качестве ЖКИ дисплея распространенную модель производства Powertip PC2402.

Рисунок 5.1 Подключение дисплея , рассчитанная на стандартный диапазон температур

Подстроечный резистор R1 плавно меняет напряжение питания ЖКИ, что позволяет менять угол поворота жидких кристаллов и как следствие выставлять необходимую контрастность индикатора при необходимом угле обзора. Для применения ЖКИ с расширенным температурным диапазоном, необходимо повышенное напряжение питания. Эта задача решается подачей отрицательного напряжения (максимум -5 V) на вывод Vo.

Проведем выбор и расчет термосопротивления (ТС).

ТС изготовляются следующих типов:

платиновый (ТСП) - с чувствительным элементом (ЧЭ) из платины,

медный (ТСМ) - с ЧЭ из меди,

никелевый (ТСН) - с ЧЭ из никеля.

Номинальные статические характеристики преобразования ТС должны соответствовать уравнению:


где - сопротивление ТС при температуре , Ом;

- значение отношения сопротивлений при температуре к сопротивлению при 0°С.

Выберем в качестве чувствительного элемента медное термосопротивление, т.к. оно имеет линейный предел измерения температуры до 200°С.

Согласно ГОСТ 6651-94 для термосопротивлений определены интерполяционные уравнения:

Интерполяционное уравнение для медного ТС с для диапазона температур от минус 10 до 200°С:


где

6. Вывод зависимости выходного сигнала от измеряемой переменной

Принимая номинальное значение сопротивления ТС при 0°С равное 100 Ом, можно задать градуировочные характеристики чувствительного элемента:



Рисунок 6.1- Градуировочная характеристика медного термосопротивления

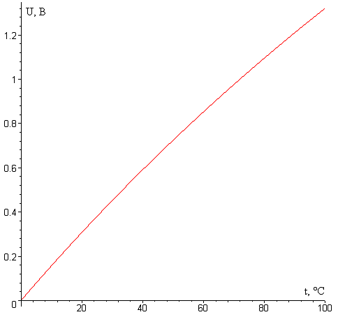
Питание измерительного моста осуществляем от источника питания 15В. Возьмем значение всех сопротивлений моста равными термосопротивленю при 0 °С, т.е. равными 100Ом (Резистор R3 возьмем подстроечным с диапазоном сопротивления 100÷1000Ом). Тогда напряжение в измерительной диагонали моста Uизм:




Рисунок 6.2 - Зависимость напряжения на выходе измерительного моста от температуры

Как видно, сигнал обладает небольшой нелинейностью. Для задания унифицированного выходного сигнала 0-10В необходимо применение усилителя. Как видно из характеристики, коэффициент усиления составлять к=7.6. Усилитель строим на базе операционного усилителя PА282, c параметрами: напряжение источника питания UИП=15 В, коэффициент усиления 1000, входное сопротивление Rвх=50 МОм, потребляемая мощность 150мВт, входной ток Iвх=110 нА,