Материал: Источники питания РЭА

Внимание! Если размещение файла нарушает Ваши авторские права, то обязательно сообщите нам

I1

t

I2

Uвых

 

 

 

 

 

 

 

 

 

 

 

 

 

 

 

 

 

 

 

 

 

 

 

 

 

 

 

 

 

 

 

 

 

 

 

 

 

 

 

 

 

 

 

 

 

 

 

 

 

 

 

 

 

 

 

 

 

 

 

 

 

 

 

 

 

 

 

 

 

 

 

t

 

 

 

 

 

 

 

 

 

 

 

 

 

 

 

 

 

 

 

 

 

 

 

 

 

 

 

 

 

 

 

 

 

 

 

 

 

 

 

 

 

 

 

 

 

 

 

 

 

 

 

 

 

 

 

 

 

 

 

 

 

 

 

 

 

 

 

 

 

 

 

 

 

 

 

 

 

 

 

 

 

 

 

 

 

 

 

 

 

 

 

 

 

 

 

 

 

 

 

 

 

 

 

 

 

 

 

 

 

 

 

 

 

 

 

 

 

 

 

 

 

 

 

Uвых ср

 

 

 

 

 

 

 

 

 

 

 

 

 

 

 

 

 

 

 

 

 

 

 

 

 

 

 

 

 

 

 

 

 

 

 

 

 

 

 

 

 

 

 

 

 

 

 

 

 

 

 

 

 

 

 

 

 

 

 

 

 

 

 

 

 

 

 

 

 

 

 

t

 

 

 

 

 

 

 

 

 

 

 

 

 

 

 

 

 

 

 

 

 

 

 

 

 

 

 

 

 

 

 

 

 

 

 

 

 

 

 

 

 

 

 

 

 

 

 

 

 

 

 

 

 

 

 

 

 

 

 

 

 

 

 

 

 

 

 

 

 

 

 

 

t0

 

 

 

 

 

 

t1

t2

 

 

 

 

 

t3

t4

 

 

 

 

 

 

t5

t6

 

 

 

 

 

 

 

t7

Рис.3.7. Временные диаграммы, поясняющие работу обратноходового импульсного преобразователя.

Регулирующий транзистор управляется схемой ШИМ-модулятора. Когда транзистор открыт (интервалы времени t0-t1, t2-t3, t4-t5, t6-t7), ток в первичной обмотке трансформатора увеличивается по линейному закону. Этот трансформатор является фактически дросселем с вторичной обмоткой, и в отличие от обычного трансформатора, накапливает в себе значительную энергию.

Когда транзистор закрывается (t1-t2, t3-t4, t5-t6), магнитный поток в сердечнике трансформатора начинает уменьшаться, что вызывает ток I2, текущий в цепи вторичной обмотки. Ток I2 протекает через нагрузку и конденсатор С2, заряжая последний.

Если нагрузка источника питания увеличивается, то для поддержания

постоянного значения Uвых, необходимо только увеличить длительность включенного состояния транзистора, во время которого ток I1 достигает более высокого значения, что создает в результате более высокий ток I2 во вторичной обмотке во время выключенного состояния. И, наоборот, при уменьшении нагрузки длительность открытого состояния транзистора следует уменьшить.

Нетрудно заметить, что в идеальной схеме (рис. 3.6) отсутствуют потери энергии, так как в любой момент времени один из сомножителей про-

изведения Iк Uкэ (выражающего мощность, рассеиваемую ключевым транзистором) равен нулю. Реальная схема имеет некоторые потери, основными составляющими которых являются: потери переключения, мощность, рассеиваемая транзистором в режиме насыщения из-за неравенства

нулю напряжения Uкэ, потери в трансформаторе, диодах и конденсаторах.

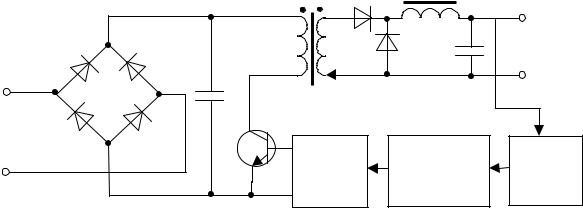
На рис. 3.8 показана упрощенная схема прямоходового

импульсного ИП.

TP

VD5

L

 

 

 

 

 

 

 

 

 

VD1…VD4

 

 

 

+

+

 

 

 

Uвых

 

+

VD6

С2

 

 

 

 

 

U ~

С1

 

 

 

 

Сети

 

ШИМ

Гальвани-

 

Схема

 

VT

 

 

моду-

ческая

 

срав-

 

 

лятор

развязка

 

нения

Рис.3.8. Прямоходовый импульсный источник питания.

В отличие от обратноходового ИП прямоходовый преобразователь накапливает энергию не в трансформаторе, а в выходной катушке индуктивности L (дросселе). Когда ключевой трансформатор открыт, ток вторичной обмотки протекает через диод VD5, дроссель, конденсатор С2 и нагрузку. Диод VD6 при этом закрыт (на его катоде положительный потенциал). Когда ключевой транзистор закрывается, ток дросселя протекает через конденсатор C2, заряжая его, и возвращается через диод VD6. Таким образом, в отличие от обратноходовой схемы, ток реактивного элемента, запасающего энергию, течет во время обеих частей цикла (периода) переключения транзистора. Поэтому прямоходовый преобразователь имеет более низкое напряжение выходных пульсаций, чем обратноходовый ИП при те же самых выходных параметрах.

Импульсные источники питания с несколькими выходами. Боль-

шинство импульсных ИП имеют более одного выхода. Например, в источниках питания цифровых устройств в дополнении к напряжению +5 В могут быть выходы на напряжения +12, 12, +24 и –5 В. Эти выходы используются для питания различных устройств типа контроллеров, накопителей на жестких и гибких магнитных дисках, принтеров, интерфейсов (RS-232) и различных аналоговых схем. На рис 3.9 представлена схема импульсного ИП с несколькими выходами.

Из схемы видно, что напряжение питания обратной связи снимается только с одного выхода (обычно +5 В) и подается на ШИМ-модулятор. Таким образом, осуществляется стабилизация всех напряжений. Очевидно, что вспомогательные выходы не стабилизируются в той же мере, как главный выход +5 В. Поэтому в случае критичности нагрузок к напряжению питания на соответствующие выходы устанавливают дополнительные линейные интегральные стабилизаторы. Для рассматриваемой схемы

(рис. 3.9) с помощью линейного ИС стабилизируется напряжение Uвых1.

 

 

 

 

ИС

+

 

 

Tp

VD5

+

DA

Uвых1

 

 

 

 

 

 

С2

 

 

 

 

 

 

+

 

VD1…VD4

 

 

+

 

 

 

 

VD6

 

Uвых2

 

 

 

С3

 

 

 

 

 

 

 

+

 

 

 

 

 

 

 

 

U~

С1

 

 

+

 

+

 

VD7

 

Uвых3

Сети

 

 

С4

 

 

 

 

 

 

 

 

 

 

 

 

 

 

 

ШИМ-

Гольни-

 

Схема

 

 

 

моду-

ческая-

 

Срав-

 

 

 

лятор

развязка

 

нения

Рис. 3.9. Импульсный источник питания с тремя выходными напряжениями.

3.2 Импульсные стабилизаторы напряжения постоянного тока.

Из рассмотрения принципа действия импульсных ИП, произведенного в предыдущем разделе, следует, что они являются по сути преобразователями (конвертерами) одного постоянного напряжения в другое (или в несколько других напряжений). В самом деле, на входе любого импульсного ИП переменное напряжение питающей сети выпрямляется, его пульсации сглаживаются конденсатором фильтра и только затем осуществляется преобразование этого постоянного напряжения импульсной схемой. В связи с этим рассмотрим более подробно импульсные преобразователи типа DC-DC.

Понижающий стабилизатор. Типовая схема импульсного стабилизатора понижающего типа представлена на рис.3.10. На вход регулирующего транзистора подается импульсный сигнал от схемы управления. Изменение скважности управляющих импульсов (отношения периода следования импульсов к длительности импульса) происходит автоматически таким образом, чтобы выходное напряжение поддерживалось на заданном уровне с допустимой точностью. Дроссель L и конденсатор С преобразуют однополярные импульсы переменной скважности, поступающие с коллектора регулирующего транзистора, в напряжение постоянного тока. Диод VD обеспечивает протекание тока в дросселе, когда регулирующий транзистор находится в закрытом состоянии. Работа стабилизатора поясняется временными диаграммами (рис.3.11). В промежутки времени, когда регулирующий транзистор открыт (t0-t1,t2-t3,t4-t5), на вход фильтра LC-типа прикладывается напряжение питания. Диод VD при этом закрыт. Ток в дросселе в эти промежутки времени IL возрастает по линейному закону,

достигая своего максимального значения к моменту выключения транзистора. В промежутки времени, когда регулирующий транзистор закрыт (t1-t2,t3-t4,t5-t6), энергия, накопленная в элементах фильтра, передается в нагрузку. Ток дросселя IL протекает через открытый диод VD.

Уровень пульсаций выходного напряжения во многом определяется индуктивностью дросселя и емкостью конденсатора фильтра. При уменьшении индуктивности дросселя фильтра в нем увеличиваются пульсации тока. При весьма малой индуктивности L в схеме стабилизатора может наступить режим прерывистого тока в дросселе фильтра, при котором ухудшается нагрузочная характеристика стабилизатора.

Повышающий стабилизатор. Рассмотрим схему импульсного стабилизатора с регулирующим транзистором, подключенным параллельно нагрузке (рис. 3.12). В рассматриваемом стабилизаторе регулирующий транзистор отделен от нагрузки диодом. При открывании транзистора через дроссель протекает коллекторный ток VT, который увеличивается по линейному закону, достигая своего максимального значения к моменту закрытия транзистора. Дроссель при этом запасает электромагнитную энергию, диод VD закрыт (на его катоде положительный потенциал).

 

VT

Iк

L

 

IL

 

 

 

 

 

 

 

IVDUL

 

 

 

 

 

 

С

+

Rн

 

 

 

U

 

 

 

VD

 

Ic

н

 

+

 

 

 

+

 

 

 

 

 

 

 

 

 

Схема управления

 

 

 

 

 

 

Рис. 3.10. Понижающий импульсный стабилизатор.

 

UL

 

 

 

 

 

 

 

IL

 

 

 

 

 

 

t

 

 

 

 

 

 

 

Iк

 

 

 

 

 

 

t

 

 

 

 

 

 

 

IVD

tи

 

T

 

 

 

t

 

 

 

 

 

 

 

 

 

 

 

 

Iс

 

 

 

 

 

 

t

 

 

 

 

 

 

 

Uн

 

 

 

 

 

 

t

 

 

 

 

 

 

 

t0

t1

t2

t3

t4

 

t5

t

 

t6

Рис. 3.11. Временные диаграммы работы понижающего стабилизатора.

 

 

Схема управления

 

 

 

 

 

L

 

 

 

 

 

 

 

 

 

 

 

 

 

IL

 

 

 

 

 

 

 

 

 

VD

 

 

 

 

 

 

 

 

 

 

 

 

 

U

VT

 

 

 

 

Uн

R

н

вх

 

 

С

+

 

 

 

 

 

 

 

 

 

+

 

Iк

 

 

 

 

+

 

 

 

 

 

 

 

 

 

 

Рис. 3.12. Повышающий стабилизатор.

 

 

 

Uн/Uвх

 

 

 

 

 

 

 

 

5

 

 

 

 

 

 

 

 

4

 

 

 

 

 

 

 

 

 

 

 

ρ =0

 

 

 

 

 

3

 

 

 

 

 

 

 

 

 

ρ =0,05

 

 

 

 

 

 

2

 

 

 

 

 

 

 

 

1

 

 

 

 

 

 

 

 

 

 

 

ρ =0,10

 

γ

 

 

 

 

 

 

 

 

 

 

 

0

0.2

0.4

0.6

0.8

1.0

 

 

Рис. 3.13. Регулировочные характеристики стабилизатора, выполненного по схеме на рис. 3.12.

После закрытия регулирующего транзистора электромагнитная энергия, накопленная в дросселе на предыдущем интервале времени, через открывшийся диод передается в нагрузку и частично сообщается конденсатору. По сравнению с ранее рассмотренной схемой (рис.3.10) в параллельном стабилизаторе выходное напряжение может превышать входное. Зависимость выходного напряжения от относительной длительности открытого состояния регулирующего транзистора представлена на рис.3.13. На данном рисунке представлены три зависимости отношения выходного

напряжения к входному Uн/Uвх от коэффициента заполнения управляющих импульсов γ =tи/T при различных значениях независимого параметра

ρ =rL/(rL+Rн), где rL – сопротивление дросселя фильтра, Rн – сопротивление нагрузки.