2.9 Источники опорного напряжения
В любой схеме стабилизатора требуется наличие опорного напряжения (ОН), с которым сравнивается величина выходного напряжения. Очевидно, что стабильность выходного напряжения не может быть выше стабильности опорного напряжения.
Кроме стабилизаторов многие функционально законченные устройства современной электроники требуют для своей работы стабильных источников ОН. Это схемы, содержащие ЦАП и АЦП, измерительная аппаратура и многие другие устройства. Несмотря на то, что практически все подобные функциональные узлы изготавливаются в интегральном исполнении, не препятствующем помещению внутрь микросхемы источника стабильного напряжения, в ряде случаев предпочтение отдается применению отдельных (внешних) источников ОН, обладающих значительно лучшими параметрами.
Наиболее часто используются два вида источников ОН: 1) источники на основе стабилизаторов;
2)«Bandgap» источники ОН (на русском языке: «UБЭ - стабилитроны», «стабилитроны с напряжением запрещенной зоны», «ис-
точники опорного напряжения равного ширине запрещенной зоны», «источники ОН с использованием напряжения ширины запрещенной зоны» и ряд других названий).
Каждый из них может использоваться либо как самостоятельный функциональный узел, либо в составе ИМС источника опорного напряжения.
Источники опорного напряжения на стабилизаторах. Компактны,
дешевы, достаточно широко распространены. Стабилитроны выпускаются на целый ряд значений напряжений – от 2 – 2,5 В до 200 В с допустимой мощностью рассеивания от долей ватта до 50 Вт и допуском на напряжение стабилизации от 1 до 20%.
Несмотря на достаточно широкое распространение стабилитронных источников ОН (рис.2.29,2.30,2.31) задача построения таких источников с конкретными параметрами не так проста, как это может показаться на первый взгляд. При построении стабилитронных источников ОН необходимо иметь в виду следующие моменты:
1) стабилитроны имеют конечный набор значений напряжения стабилизации и большой допуск на это напряжение (разумеется, кроме дорогих прецизионных приборов);
2)стабилитроны создают значительный шум;
3)напряжение стабилизации зависит от величины обратного тока стабилитрона (тока стабилизации) и температуры.
Однако последнее теряет актуальность для стабилитронов с напряжением стабилизации ≈ 6 В. Они мало чувствительны к изменениям тока и при
этом имеют почти нулевой температурный коэффициент (рис.2.71). Из
рис.2.71 видно, что стабилитроны со значениями Uст, находящимся в окрестности значения 6 В, обладают значительно меньшим дифференциальным сопротивлением, по сравнению с приборами на другие значения напряжения стабилизации.
Следует также отметить, что температурный коэффициент напряжения стабилизации стабилитронов зависит как от напряжения стабилизации, так и от величины обратного тока (рис.2.72). Как видно из рис.2.72, изменяя значения обратного тока стабилитрона можно в определенных пределах «подстроить температурный коэффициент» и строить источники ОН практически нечувствительные к температуре (конечно применяя дополнительные диоды или стабилитроны, включенные в прямом смещении, рис.2.30.)
Задание тока стабилизации. Установление и поддержание значения тока стабилизации на постоянном уровне значительно улучшает параметры источника ОН. Так, например, для стабилитрона общего назначения
1N821A (Uст = 6,2 В ± 5%, rст = 15 Ом при Iст = 7,5 мА) изменение тока на 1мА изменяет Uст примерно в три раза сильнее, чем изменение температуры от – 40 до +1000С.
Поэтому для обратного смешения стабилитронов прецизионных источников ОН используют источники стабильного тока. Один из вариантов решения данной задачи представлен на рис.2.73.
rсм, Ом 100




Iст = 1мА





10мА
10
20мА
Uст, В
1 |
10 |
100 |
|
Рис.2.71 Зависимость дифференциального сопротивления стабилитронов от напряжения стабилизации.
ТКНС |
мВ/ºС |
|
|
|
|
|
|
|
|
7 |
|
|
|
|
|
|
|
|
|
6 |
|
|
|
|
|
|
|
|
|
5 |
|
|
|
|
|
|
|
|
|
4 |
|
|
|
|
|
|
|
|
|
3 |
|
|
30 мA |
|
|
|
|
|
|
2 |
|
|
|
|
|
|
|
|
|
|
|
|
|
|
ICТ = 0.01 мA |
|
|||
1 |
|
|
|
|
|
|
|||
|
|
|
|
|
|
|
|
|
|
0 |
|
|
|
|
|
1,0 мA |
|
|
|
-1 |
|
|
|
|
|
|
|
|
|
|
|
|
|
|
|
|
|
|
|
-2 |
|
|
|
|
|
|
|
|
Uст, В |
-3 |
2 |
3 |
4 |
5 |
6 |
7 |
8 |
9 |
10 |
Рис.2.72. Зависимость температурного коэффициента напряжения стабилизации |
|||||||||
стабилитронов от напряжения стабилизации и тока стабилизации. |
|||||||||
Для напряжения Uст операционный усилитель включен как неинвер- |
||||||||
тирующий усилитель с коэффициентом усиления по напряжению равным |
||||||||
1+R2/R3. Выходное напряжение Uвых = Uст (1+ R2/R3) используется для |
||||||||
получения |
постоянного |
тока |
обратного |
смещения |
стабилитрона |
|||
Iст=(Uвых – Uст)/ R1. Питание микросхемы DA однополярное, что обеспе- |
||||||||
чивает включение схемы с гаранти- |
|
|
|
|
|
|||
рованной |
положительной |
полярно- |
|
R1 |
+Uп |
DA |
Uоп |
|
стью выходного напряжения. |
|
|
|
+ |
|
|||
Стабилитронные ИМС. Это в ос- |
|
|
|
|
||||
|
|
─ |
|
|
||||
новном двух выводные устройства, |
|
|
R2 |
|
||||
VD |
|
|
|
|||||
применяемые, так же как и обычные |
Uсм |
|
|
|
||||
стабилитроны. На самом деле стаби- |
|
|
R3 |
|
||||
литронные ИМС сложные в схемо- |
|
|
|
|
||||
|
|
|
|
|
||||
техническом плане устройства, со- |
|
|
|
|
|
|||
держащие кроме собственно стабили- |
Рис.2.73. Стабилизация тока обрат- |
|||||||
трона целый ряд активных и пассив- |
ного смещения стабилитрона в ис- |
|||||||
ных компонентов, служащих для |
точнике опорного напряжения. |
|
||||||
улучшения |
электрических |
парамет- |
|
|
|
|
|
|
ров и характеристик (наиболее существенная – постоянство напряжения |
||||||||
стабилизации при заданном токе). |
|
|
|
|
|
|
||
Температурная стабильность таких ИМС очень высокая. Так для не- |
||||||||
дорогой ИМС 1009ЕН1 температурный коэффициент напряжения стабили- |
||||||||
зации составляет приметно 0,006% / 0С. |
|
|
|
|
|
|||
Наряду с двухвыводными стабилизаторами ИМС выпускаются трехвывод- |
||||||||
ные микросхемы. Благодаря третьему дополнительному |
выводу, |
по- |
||||||
является возможность изменения напряжения стабилизации. Так, например, регулируемый прецизионный отечественный стабилитрон 142ЕН19 имеет напряжение стабилизации изменяемое в интервале от 2,5 до 36 В. Регулировка напряжения осуществляется с помощью внешнего резистивного делителя (рис.2.74).
+R1
Uвх |
|
|
|
|
|
|
|
|
|
|
|
|
|
|
|
|
|
|
|
|
|
|
|
|
|
|
|
|
|
|
|
|
|
|
|
|
|
|
|
|
|
|
|
|
|
U |
|
|
|
|
|
|
|
|
|
|
|
|
|
|
|
|
|
|
|
|
|
|
|
|
|
|
|
|
|
|
|
|
|
|
|
|
|
|
|
|
|
|
|
|
|
||
|
|
|
|
|
|
|
|
|
|
|
|
|
|
|
|
|
|
|
|
|
|
|
|
|
|
|
|
|
|
|
|
|
|
|
|
|
|
|
|
|
||||||
|
|
|
|
|
|
|
|
|
|
|
|
|
|
|
|
|
|
|
|
|
|
|
|
|
|
|
|
|
|
|
|
|
|
|
|
|
|
|
|
|
|
|
|
|
|
оп |
|
|
R2 |
|
|
|
Iст |
|
|
|
|
|
|
|
|
Iоп |
|||||||||||||||||||||||||||||||
|
|
|
|
|
|
|
|
|
|
|
|
|
||||||||||||||||||||||||||||||||||
|
|
|
|
|
|
|
|
|
|
|
|
|
|
|
|
|
|
|
|
|
|
|
|
|
|
|
|
|
|
|
|
|
|
|
|
Uоп = Uст(1+ R2/R3)+ Iст R2 |
||||||||||
|
|
|
|
|
|
|
|
|
|
|
|
|
|
|
142ЕН19 |
|
||||||||||||||||||||||||||||||
|
|
|
|
|
|
|
|
|
|
|
|
|
|
|
|
|||||||||||||||||||||||||||||||
|
|
|
|
|
|
|
|
|
|
|
|
|
|
|
|
|
|
|
|
|
|
|
|
|
|
|||||||||||||||||||||
|
|
|
|
|
|
|
|
|
|
|
|
|
|
|
|
|
|
|
|
|
|
|
|
|
|
|||||||||||||||||||||
|
Uст |
|
|
|
|
|
|
|
|
R3 |
|
|
|
|
|
|
|
|
|
|
|
|
|
|
||||||||||||||||||||||
|
|
|
|
|
|
|
|
|
|
|
|
|
|
|
|
|
|
|
|
|
|
|
|
|
|
|
|
|
|
|
|
|
|
|
|
|
|
|
|
|
|
|
||||
|
|
|
|
|
|
|
|
|
|
|
|
|
|
|
|
|
|
|
|
|
|
|
|
|
|
|
|
|
|
|
|
|
|
|
|
|
|
|
|
|
|
|
|
|
|
|
Рис.2.74. Регулирование опорного напряжения в схеме с трехвыводным интегральным источником ОН.
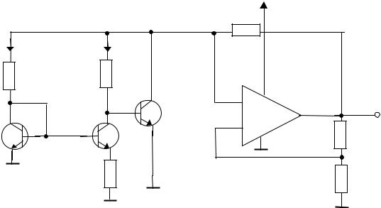
«Bandgap» источники опорного напряжения. В основе схемы та-
кого источника лежит идея генерирования напряжения с температурным коэффициентом, положительным и равным по абсолютной величине отрицательному температурному коэффициенту напряжения эмиттерного пе-
рехода транзистора Uбэ. При суммировании этого напряжения с Uбэ получится напряжение с нулевым температурным коэффициентом.
Основой «генератора» требуемого напряжения является токовое зеркало (рис.2.75), у которого соотношение то-
Iупр |
Iвых |
VT1 |
VT2 |
|
R |
Рис.2.75. Токовое зеркало с коэффициентом отражения, отличным от 1:1.
ков Iупр: Iвых берется обычно порядка 10:1. Применяя уже использованное ранее со-
отношение ∆U = φт ln (IК1/IК2), где ∆U – разность падений напряжений на эмиттерных переходах согласованных транзисторов, можно
показать, что Iвых имеет положительный температурный коэффициент.
В «Bandgap» источнике ОН управляю-
щий ток Iупр преобразуется в напряжение с помощью резистора, и это напряжение скла-
дывается с нормальным напряжением Uбэ транзистора (рис.2.76). Резистор
R2 задает величину напряжения, которое складывается с напряжением Uбэ транзистора VT3 и имеет положительный температурный коэффициент.
Температурный коэффициент источника ОН (рис.2.76) будет действи-
тельно нулевым, если UR2 + Uбэ ≈ 1,22 В (напряжение запрещенной зоны кремния). Требуемое значение суммы напряжений достигается подбором
величины сопротивления R2. Ток Iупр в этой схеме определяется резистором R1.
|
|
|
+Uп |
Iупр |
Iвых |
R4 |
|
R1 |
R2 |
|
DA |
|
|
|
|
|
VT3 |
+ |
Uвых |
VT1 |
VT2 |
─ |
|
|
R5 |
||
|
|
||
|
|
|
|
|
R3 |
|
R6 |
|
|
|
Рис.2.76. «Bandgap» источник опорного напряжения.
Известны также другие (более сложные) схемы источников ОН «Bandgap» - типа. Однако для всех этих схем характерно суммирование
напряжения Uбэ с напряжением, порождаемым токовым зеркалом, в котором токи транзисторов не равны друг другу.
ИМС «Bandgap» источников опорного напряжения представлены очень широко. Например, недорогие схемы LM385-1.2 и LM385-2.5, представляющие собой двухвыводные источники опорного напряжения на 1,235 и 2,5 В соответственно (с точностью ± 1%). Эти кристаллы сохраняют свои параметры до очень малых токов (порядка 10 мкА), что очень важно для микромощных схем с питанием от химических источников тока.
Микросхема LM385 имеет температурный коэффициент не превышающий 3010-6/° С и типовое значение динамического сопротивления ≈ 1 Ом при токе 100 мкА. Это значительно лучше, чем параметры стабили-
тронов. Так, например, стабилитрон 1N4370 (Uст=2,4В) имеет температурный коэффициент 80010-6/° С и динамическое сопротивление более 300 Ом при токе 100 мкА. При этом значении тока 1N4370 не может обеспечить паспортное значение напряжения стабилизации (1,1 В вместо требуемых 2,4 В).
Еще большую стабильность имеют ИМС LT1029 (двухвыводная) и REF–43 (трехвыводная). Температурный коэффициент данных кристаллов не превышает 310-6 /0С.
Также как и аналогичные стабилитронные микросхемы, трехвыводные «Bandgap» кристаллы позволяют с помощью внешних резисторов изменить величину опорного напряжения (аналогично рис.2.74).